Hallo. Ich habe ein großes Problem... Haben einen 4 poligen wechselstrom Motor Von baldor 110/220 V Spannungs umschaltbar... Leider habe ich den Kopf schon abgeschlagen und kann nicht mehr erkennen wie dieser geschaltet wird. 36 nuten, 4 Spülen für die Haupt wicklung und 4 für die Hilfs wicklung
Du suchst eine Zuordnung der Farben auf der letzten Seite von: https://www.baldorvip.com/Product/InfoPacketExternal/?id=L3609T-50
Wie meinst Du das? Die Beschaltung für die Betriebsarten steht in der Tabelle rechts.
Jürgen schrieb: > Ich habe ein großes Problem... Haben einen 4 poligen wechselstrom Motor > Von baldor 110/220 V Spannungs umschaltbar... Leider habe ich den Kopf > schon abgeschlagen und kann nicht mehr erkennen wie dieser geschaltet > wird. > > 36 nuten, 4 Spülen für die Haupt wicklung und 4 für die Hilfs wicklung Warum schlägst du denn den Kopf ab, willst du den Motor neu wickeln? Zeig doch mal die Reste, oder die andere Seite des Wickelkopfs die hoffentlich noch dran ist. Denn du hast garantiert eine Bruchlochwicklung, d.h. es teilen sich an mehreren Stellen zwei Spulen eine Nut. Wickelschritt der Arbeitsphase ist vermutlich 1-5-7-9, dann müssen die Spulen es wenn alles in Reihe geschaltet ist Ende-Ende, Anfang-Anfang, Ende-Ende geschaltet werden. Für die Spannungsumschaltung wird vermutlich zwischen 4 Spulen Reihe und 2 Gruppen parallel umgeschaltet. Dann müsstest du alle Anfänge ausführen. Gerade bei Einphasen-Wechselstrommotoren gibt es die exotischsten Wicklungen, mit zig unterschiedlichen Windungen je Spule und Nut, oder bifilar gewickelten Spulen.
Ja ich möchte den Motor neu wickeln ? Der Kopf ist leider komplett auseinander gefallen. Der Schritt der Haupt wicklung ist 1:4/6/8/10 Und die wicklung hat verschiedene Windungen die auch die nuten der Hilfs wicklung belegen Schritt der Hilfs wicklung ist 1:3/5/7/9
Das ist ja mal ein Exot. Hast du die Wicklung denn schon komplett entfernt? Sonst mach doch mal ein Foto von dem was noch drin ist. Beim Austreiben der Wicklung würde ich auf jeden Fall sehr vorsichtig sein, damit du jede Spule für jede Nut nachzählen kannst. Würde mich nicht wundern wenn jede Nut eine verschiedene Windungszahl besitzt. An meiner Schaltungsangabe ändert sich aber nichts. Zeichne dir doch mal einen Nutenplan mit deinem Wickelschritt auf, dann siehst du ja wie du schalten musst damit du die 4 Pole erhältst.
Jetzt haben sich die Motorprofis gefunden. Nur noch eine Frage: Frame 184T T steht doch meist für Turns, Windungen, oder?
"Frame 184T" steht so wie ich das sehe für eine Baugrößennorm nach NEMA. Hier in Deutschland ist eher die Baugröße nach IEC üblich, z.B. 80, 90, 112. dort sind einige Dinge wie Wellendurchmesser und -höhe, Fußabmessungen, Flansche etc. genormt.
Ja frame 184t richtig und ich habe die wicklung schon entfernt aber habe alle Windungen richtig aufgenommen. Die hilfwicklung ist in Reihe geschaltet weil nur 2 aufgeführt sind aber die Haupt wicklung ist 4 mal ausgeführt
Kevin K. schrieb: > Die hilfwicklung ist in Reihe geschaltet weil nur 2 aufgeführt sind aber > die Haupt wicklung ist 4 mal ausgeführt Für die Spannungsumschaltung vermutlich. Du hast deine 4 Spulen für die Arbeitsphase. Führst Anfang 1. Spule aus, dann Ende 1. Spule mit Ende 2. Spule intern verbinden, und Anfang 2. Spule ausführen. Dann Anfang 3. Spule ausführen, Ende 3. Spule mit Ende 4. Spule intern verbinden, und Anfang 4. Spule ausführen. Für 220V dann Anfang 2. Spule mit Anfang 3. Spule verbinden, und Spannungsversorgung an Anfang 1. Spule und Anfang 4. Spule anschließen. Wenn du dir nicht ganz sicher bist, würde ich den Motor vor dem Vergießen/Tränken einmal kurz zusammenstecken und drehen lassen, dann hast du noch die Möglichkeit ggf etwas zu korrigieren wenn er sich nicht dreht.
Eingelegt ist der Motor auch schon wieder ? bräuchte nur ein Schaltbild wo ich auch sehen und verstehen kann wie das ganze funktioniert mit 110/220 V umschaltbar. Ein fliegkraftschalter und 2 Kondensatoren sind auch verbaut
Soll auch komplett original werden von den Ausführungen sein Echt danke für die hilfe
Kevin K. schrieb: > verstehen kann wie das ganze funktioniert mit > 110/220 V umschaltbar. > > Ein fliegkraftschalter und 2 Kondensatoren sind auch verbaut Das ist mMn alles in der Tabelle bzw. in der Schaltung zu erkennen. Oder verstehe ich etwas nicht richtig?
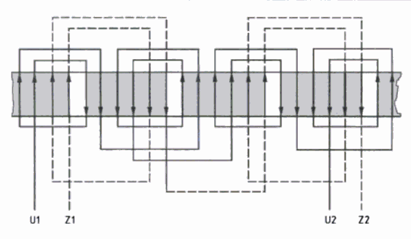
Eine Zeichnung für 24 Nuten habe ich noch gefunden. Für die Arbeitsphase sollte deine Schaltung identisch sein, nur bei deiner Variante musst du sehen, dass du die Hilfsphase so einlegst und auch schaltest, damit du die Phasenverschiebung zur Arbeitsphase bekommst.
Kevin K. schrieb: > verstehen kann wie das ganze funktioniert mit 110/220 V umschaltbar 110V Wicklung U1-U2 und U1'-U2' parallel an L und N. Kondensator parallel zu Anlaufkondensator und Fliehkraftschalter. Kondensatorgedöns in Reihe zu Z1-Z2 an L und N. 220V Wicklung U1-U2 und U1'-U2' in Reihe an L und N. Deren Mittelpunkt nennen wir mal M. Beide Wicklungen bilden einen Transformator. Kondensator parallel zu Anlaufkondensator und Fliehkraftschalter. Dieses Kondensatorgedöns in Reihe zu Z1-Z2 an M und N. Damit wird die Hilfswicklung immer nur 110V sehen. mfg mf
Thomas W. schrieb: > Eine Zeichnung für 24 Nuten Sorry wegen vermurksen deiner Zeichnung. Die Wicklungen mit und ohne Strich werden wahrscheinlich bifilar gewickelt sein (Autotransformator wird besser). Wollte nur das Prinzip zeigen. Ich denke der TO wird den Motor in Zentraleuropa betreiben??
Bitte melde dich an um einen Beitrag zu schreiben. Anmeldung ist kostenlos und dauert nur eine Minute.
Bestehender Account
Schon ein Account bei Google/GoogleMail? Keine Anmeldung erforderlich!
Mit Google-Account einloggen
Mit Google-Account einloggen
Noch kein Account? Hier anmelden.








