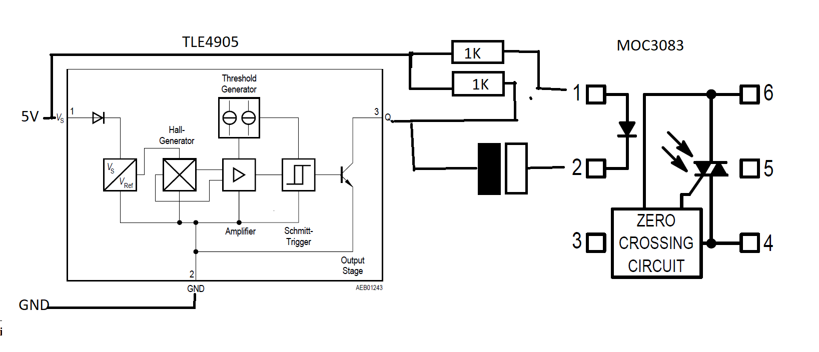
Hi, ich habe mir eben diese kleine Schaltung zusammengefrickelt, funktioniert auch soweit. Nun möchte ich sie dahingehend ändern dass der Optokoppler immer nur die Flanken des vom Hallsensor kommenden Signals "markiert". Das Signal bewegt sich im Bereich zwischen 1 und schätzungsweise 10Hz. Momentan ist es so, wenn der Hallsensor aktiv ist, ist auch der Triac aktiv. Sehe gerade den Wald vor lauter Bäumen nicht, würde gern auf ein Gatter oder ähnliches verzichten... Danke Gruß DS
Du brauchst ein D-Glied, einen sogenannten Differentiator. Der einfachste Differentiator ist, Du wirst es nicht glauben, ein simpler Kondensator.
Hallo Dieter, danke. Die zweite Zeichnung ist die richtige. Soweit war ja auch schon, mein Verständnis sagt mir immer ihn in reihe zu schalten, also zwischen MOC und TLE aber dann kann er sich doch nicht entladen... Drehwurm im Kopf... Gruß DS
Dieter schrieb: > Du wirst es nicht glauben, ein simpler > Kondensator. Allerdings reagiert er ohne Zusatzbeschaltung nur auf eine Flanke (denn da ist ist ja eine Leucht Diode) und er würde sich nur einmal aufladen und dann nie wieder entladen wg. Open Collector. Der erste Fall liesse sich umgehen, wenn man den Optokoppler über eine Gleichrichterbrücke speist und der zweite Fall mit einem Arbeitswiderstand direkt am Hallausgang.
Dennis S. schrieb: > kann das nicht so gehen? Ja, aber eben nur auf die fallende Flanke am Hallausgang. Auf steigende Flanke kann die LED nicht reagieren, weil sie dann falschrum gepolt ist. Der MOC3083 ist ausserdem einer mit ZC Detektor, die LED muss also im WorstCase mindestens 20ms leuchten, im Moment sogar 40ms.
Dennis S. schrieb: > kann das nicht so gehen? Nein, kann es das nicht. Matthias S. schrieb: > Ja, aber eben nur auf die fallende Flanke am Hallausgang. Bei der (oder den) ersten fallenden Flanken mag es sogar wirklich noch funktionieren. Aber irgendwann ist der Kondensator auf ca. 4V aufgeladen. Und weil die LED des Optokopplers keinen Strom in Rückwärtsrichtung fließen lässt bleibt er er das. Die Spannung an der Kathode der LED wackelt dann nur noch zwischen ca. 4V und 9V hin und her, aber es fließt kein nennenswerter Strom mehr durch den OC. Der Kondensator wird in dieser Schaltungsvariante höchstens durch den Rückwärts-Leckstrom der LED entladen - aber die Schaltpause muss schon sehr lange sein, um das ausnutzen zu wollen. Eine zur LED antiparallel geschaltete zusätzliche Diode würde beim Entladen helfen (aber dann klappt es halt nur für die eine Flanke). Der von Matthias vorgeschlagene Vollwellengleichrichter um die LED herum ermöglicht ebenfalls das Entladen den Kondensators, und damit bekämst du beide Flanken. Aber das ist schon ein ziemliches Gefrickel das nur zuverlässig läuft, wenn die Flanken sehr viel weiter auseinander liegen als deine RC-Zeitkonstante.
Achim S. schrieb: > Aber das ist schon ein ziemliches Gefrickel das nur > zuverlässig läuft, wenn die Flanken sehr viel weiter auseinander liegen > als deine RC-Zeitkonstante. Ja, das alles ohne ein Monoflop zu bauen, wird krampfig. Ein CD4098 oder CD 4528 macht das alles sehr viel entspannter.
Dieter schrieb: > Du brauchst ein D-Glied, einen sogenannten Differentiator. Der > einfachste Differentiator ist, Du wirst es nicht glauben, ein simpler > Kondensator. Dir ist klar, dass du mit dem Schaltungsvorschlag ziemlich hart an die Absolute Maximum Ratings des MOC3083 ran gehst? Die maximale Spannung über der LED in Sperrrichtung wird von ON Semi mit gerade mal 6V angegeben.
Dennis S. schrieb: > Nun möchte ich sie dahingehend ändern dass der Optokoppler immer nur die > Flanken des vom Hallsensor kommenden Signals "markiert". Das Signal > bewegt sich im Bereich zwischen 1 und schätzungsweise 10Hz Du schaltest Wechselspannung von 50Hz. Der MOC schaltet 1 Halbwelle ein. Die kommt in den nächsten 10ms und dauert 10ms. Selbst wenn du aus deiner Flanke einen exakt 10ms Impuls machst, kannst du nicht sicher sein, genau 1 Halbwelle auszulösen. Machst du 10.1ms können es 1 oder 2 aber wenigstens nicht 0 sein. Ich würde also auf den 5V ein Monoflop vorschalten. Für beide Flanken, steigend wie fallend, auch 2.
1 | VCC --R-+-C-+-- GND |
2 | | | |
3 | 1a +-----------+ |
4 | +--|1/2 74HC123|--+ |
5 | | +-----------+ +--|\ |
6 | --+ |=)-- |
7 | | +-----------+ +--|/ |
8 | +--|1/2 74HC123|--+ |
9 | 2b +-----------+ |
10 | | | |
11 | VCC --R-+-C-+-- GND |
Hallo, vielen Dank für die vielen Rückmeldungen. Vielleicht sollte ich mein Problem doch etwas genauer erklären. Ich habe einen Durchflusssensor mit einem Hallsensor, ich möchte eigentlich nur ein Signal haben solange ein Durchfluss vorhanden ist. Das ist alles auch soweit kein Problem, nur leider gibt es den Fall dass das Rädchen im Durchflussmesser so stehen bleibt dass der Hallsensor dauerhaft aktiv ist, was dazu führt das ich ein dauerhaftes Signal bekomme. Gruß DS
Dann sollte das Monoflop eine längere Impulsdauer haben und als Impulsausfalldetektor arbeiten. Es reicht dann, auch nur 1 Flanke zu bearbeiten. Es muss halt retriggerbar sein.
Bitte melde dich an um einen Beitrag zu schreiben. Anmeldung ist kostenlos und dauert nur eine Minute.
Bestehender Account
Schon ein Account bei Google/GoogleMail? Keine Anmeldung erforderlich!
Mit Google-Account einloggen
Mit Google-Account einloggen
Noch kein Account? Hier anmelden.


