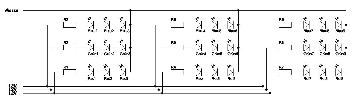
Hi, ich hätte mal eine Frage bzgl. LED-Strips und deren Funktionalität. Meine Frage: Die einzelnen LEDs haben meist ja eine Betriebsspannung von 2,8V bis 3,5V wie funktioniert dass dann bei Strips, die eine Versorgungsspannung von 12V benötigen? Gerade die Funktion der Trennung aller 3cm verstehe ich nicht, wie diese umgesetzt werden kann. Ferner sitze ich gerade an einem Platinendesign, bei dem ich LEDs schalten will. Hierbei wäre eine Versorgungsspannung von 5V super. Hat hier evtl jemand eine Anregung, wie ich dass umsetzen könnte? Oder ist hierfür ein Spannungswandler aka AMS1117 notwendig? Vielen Dank für eure Antworten! Grüße :)
Michael G. schrieb: > wie funktioniert dass dann bei Strips, die eine Versorgungsspannung von > 12V benötigen? Reihenschaltung > Gerade die Funktion der Trennung aller 3cm verstehe ich nicht, wie diese > umgesetzt werden kann. Parallelschaltung Es sind immer 3 LEDs in Reihe und diese Gruppen über Vorwiderstände parallel (3*3,3 V, der Rest bleibt im Vorwiderstand). Somit kannst du alle 3 LEDs abschneiden. > Ferner sitze ich gerade an einem Platinendesign, bei dem ich LEDs > schalten will. Hierbei wäre eine Versorgungsspannung von 5V super. Hat > hier evtl jemand eine Anregung, wie ich dass umsetzen könnte? > Oder ist hierfür ein Spannungswandler aka AMS1117 notwendig? Je nach Stromverbraucht entweder ein Linearregler a la AMS1117 oder, wenn du mehr Strom brauchst und keinen Kühlkörper willst, einen Schaltwandler
Super, vielen Dank euch! Das hat doch ein paar Fragen in meinem Kopf nun lösen können^^ Grüße
Bitte melde dich an um einen Beitrag zu schreiben. Anmeldung ist kostenlos und dauert nur eine Minute.
Bestehender Account
Schon ein Account bei Google/GoogleMail? Keine Anmeldung erforderlich!
Mit Google-Account einloggen
Mit Google-Account einloggen
Noch kein Account? Hier anmelden.
