Hi, ich hätte gerne eine kleine Mobile Spannungsquelle. Da ich ein Angebot gesehen habe, 8 Stk. CR2032 für 1€ denke ich so 50 Stk. davon in Reihe und ich habe meine 150V. Alternativ habe ich eine Monozelle, sie dient den zwei DF91 und der DL96 als Heizbatterie. Würde das überhaupt gehen, aus 1,5V so 120 bis 150V zu machen? Da brauche ich doch bestimmt einen speziellen Transformator. Wenn aus dem Transformator jetzt 50V rauskommen, würde ich noch eine dreistufige Spannungsvervielfacherkaskade hinterherschalten um die gewünschte Spannung zu haben. Der Transformator braucht dann nicht so ein ganz krasses Übersetzungsverhältnis. Im Anhang mal die Schaltung, wie ich sie mir vorstelle, die Wicklungen und Halbleiter mit anderen Werten. Ich würde die Endstufe natürlich nicht im Sinusbetrieb betreiben, sondern im Rechteckbetrieb. Meine Frequenz wäre wohl vielleicht außerhalb des Hörbereiches. Oder soll ich ein modernes IC MC34063 nehmen, aber läuft das mit 1,5V? Zur Not, würde ich auch eine zweite Monozelle spendieren, um dann 3V zu haben. :-)
Prinzipiell kann man beliebig viele Batterien in Reihe schalten, um auf höhere Spannungen zu kommen. Einen Transformator braucht es dazu nicht. Beschreibe mal, was du damit betreiben möchtest, wenn du schon keine Anforderungen nennen kannst. > Ich würde die Endstufe natürlich nicht im Sinusbetrieb > betreiben, sondern im Rechteckbetrieb. Bei der gezeigten Schaltung hast du darauf gar keinen Einfluss. Ich habe nicht den Eindruck, dass du deren Funktion verstanden hast und dass du sie aufbauen kannst. Vielleicht schaust du dich erst einmal um, was der Fachhandel so zu bieten hat. Suche mal nach : "Step-Up Converter" oder "DC Boost Converter"
Stefan ⛄ F. schrieb: > Bei der gezeigten Schaltung hast du darauf gar keinen Einfluss. Ich habe > nicht den Eindruck, dass du deren Funktion verstanden hast und dass du > sie aufbauen kannst. Hm, die Schaltung im Anhang ist schon recht genial. Ich würde aber die Bauteilewerte gewaltig anpassen, erster Schritt wär eine LTspice Simulation. > Vielleicht schaust du dich erst einmal um, was der Fachhandel so zu > bieten hat. Suche mal nach : "Step-Up Converter" oder "DC Boost > Converter" Hm, da gibt es nur diesen MC34063 oder so kleine DC/DC-Wandler aber nur ab 5V Eingangsspannung.
Wieviel V und mA werden denn für die Schaltung mit den drei Röhren benötigt? Die CR Zellen wären auch schnell leer. Besser wäre eine Stange 9V Blockbatterien. Davon gibt es genug gebrauchte aus den Brandmeldern, wenn man Fehlalarme vermeiden möchte. Ein Sperrwandler tut es für eine solche Spannung.
Dieter schrieb: > für die Schaltung mit den drei Röhren benötigt? Woher hast du die Info mit den Röhren?
Elektroheinz schrieb: > Alternativ habe ich eine Monozelle, sie dient den zwei DF91 und der DL96 > als Heizbatterie. Das sind die drei Röhren, der Sinn ist ein total übersteuerter Verstärker bei kleiner Lautstärke und mit Röhren und mobil mit Batterien für die umgebaute Ukulele mit Spezial Tonabnehmer.
Ah ok, danke für die Erklärung. Ein Mittelweg zwischen den Extremen (viele Knopfzellen in Reihe bzw. nur eine dicke Zelle) scheint mir hier angebracht. Den hier könntest du z.B. mit 8x 1,5V Zellen versorgen: https://www.amazon.de/NO-LOGO-Einstellbare-DC-Boost-Stromversorgungsmodul-Step-up-Boost-Power/dp/B082MBPC9C Oder mit einem 12V Akku. Vermutlich geht auch ein 3S Lithium Pack - vielleicht aus einem alten Laptop. Oder wenn es besonders kompakt sein soll, so eine 12V Alkaline: https://www.akkushop.de/de/duracell-mn21-12v-batterie-varta-v23ga-gp23a-k23a-lrv08-e23a/
Elektroheinz schrieb: > Das sind die drei Röhren, der Sinn ist ein total übersteuerter > Verstärker Ein total übersteuerter Röhrenverstärker klingt genau so wie ein total übersteuerter Nicht-Röhrenverstärker. Die Spielerei mit den Röhren und dem Spannungswandler kannst du dir also sparen. Total.
Hier ist es die ersta Schaltung, für 1.5V: Bild 13.3.1 A Einfache geregelte Hochspannungsgeneratoren für kleine Leistungen http://www.joretronik.de/Web_NT_Buch/Kap13_3/Kapitel13_3.html
Achim B. schrieb: > übersteuerter Röhrenverstärker klingt genau so wie ein total > übersteuerter Nicht-Röhrenverstärker So einfach ist das dann doch nicht. Aber ein NichtRöhrenverstärker wie unter folgendem Link und ergänzt um einen Ausgangsübertrager, der schafft das, dass es nur noch messbar aber nicht mehr hörbar ist: https://sites.google.com/site/francisaudio69/6-l-amplificateur/6-9-schemas#TOC-6.9.6-Les-sch-mas-avec-AOP 6.9.8 Les schémas avec alimentation flottante Caractérisés par "la sortie" de l'amplificateur reliée à la masse - L'amplificateur Dalix 2x50W/8ohm classe A de Hubert Dalix : RDS n°219 p96 (05/1998) RDS_219_p96-98.pdf http://www.dalixaudio.com/index.htm https://sites.google.com/site/francisaudio69/6-l-amplificateur/6-9-schemas/RDS219.TIF?attredirects=0
Elektroheinz schrieb: > Würde das überhaupt gehen, aus 1,5V so 120 bis 150V zu machen? Mit einem Trafo schon. > Da brauche ich doch bestimmt einen speziellen Transformator. Ja nun, halt passend wickeln. Elektroheinz schrieb: > Im Anhang mal die Schaltung, wie ich sie mir vorstelle, Geriatronik. Elektroheinz schrieb: > Oder soll ich ein modernes IC MC34063 nehmen, aber läuft das mit 1,5V? Nein. Falscher IC (Sperrwandler statt Flusswandler) und hält keine 150V aus. Je nach benötigter Leistung könnte ein TL494 gehen.
Dieter schrieb: > Achim B. schrieb: >> übersteuerter Röhrenverstärker klingt genau so wie ein total >> übersteuerter Nicht-Röhrenverstärker > > So einfach ist das dann doch nicht. Kein Wunder, wenn Du Zitate sinnentstellend zusammenstreichst.
Hallo
1. ein übersteuerter Röhrenverstärker klingt anders( interessanter) als
ein
Transistorverstärker.
2. Wechselspannung ist nicht nötig, Röhre heizen mit Gleichspannung
brummt
weniger (benötigt leider die Heizleistung)
3. Anodenspannung von 50 bis 100 V kann schon reichen (10 mal 9v
batterien)
Mit 9V Batterien bist besser dran, das denke ich auch. Außerdem kann man die direkt zusammenstöpseln, weil Plus ins Minus passt. Typischerweise haben 9V Batterien 100-150 mAh, den Verstärker kann man damit ca. 10 Stunden lang betreiben. Welche Kapazität haben die Knopfzellen?
Michael B. schrieb: >> Im Anhang mal die Schaltung, wie ich sie mir vorstelle, > > Geriatronik. Eigentlich müsste ich mich jetzt mit dir duellieren...
Elektroheinz schrieb: > Michael B. schrieb: >>> Im Anhang mal die Schaltung, wie ich sie mir vorstelle, >> >> Geriatronik. > > Eigentlich müsste ich mich jetzt mit dir duellieren... Das würde zu einem eisenlosen Hörrohr passen ...
Elektroheinz schrieb: > davon in Reihe und ich habe meine 150V und wozu? Elektroheinz schrieb: > Im Anhang mal die Schaltung Eine Siemensapp ca. Ende 50/Anfang 60 graue Heftreihe. Ja und? Elektroheinz schrieb: > DF91 und der DL96 Unsinn, die brauchen keine 150V Ua. Willste Röhren, nutz doch die speziell mit 9V Anodenspannung klarkommen, der Rest, den Du gepostet hast ist blanker Unsinn.
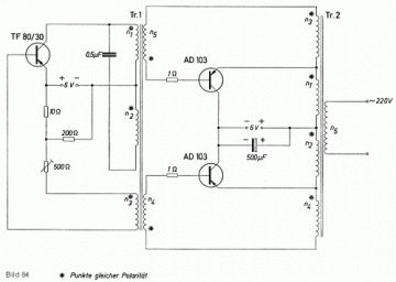
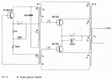
Stefan ⛄ F. schrieb: >> Ich würde die Endstufe natürlich nicht im Sinusbetrieb >> betreiben, sondern im Rechteckbetrieb. > > Bei der gezeigten Schaltung hast du darauf gar keinen Einfluss. Doch, hast Du. Um den linken Transistor ist ein Sinus-Generator aufgebaut. Der 0,5 µF-Kondensator bildet zusammen mit n1 & n2 den frequenzbestimmenden Schwingkreis. Mit dem Potentiometer lässt sich die Verstärkung, und damit die optimale Sinusform der Spannung einstellen. Man könnte entweder den Transistor stark übersteuern, und erhält so eine trapezförmige Spannung, oder den Kondensator weglassen, und Tr1 im Sättigungsbetrieb betreiben, um eine Rechteckspannung zu erzeugen. Oder die Windungszahlen von n4 & n5 erhöhen, um die Endstufe zu übersteuern. Die beiden AD103 arbeiten als Spannungsfolger, und geben den Spannungsverlauf von Tr1 an Tr2 weiter.
Bitte melde dich an um einen Beitrag zu schreiben. Anmeldung ist kostenlos und dauert nur eine Minute.
Bestehender Account
Schon ein Account bei Google/GoogleMail? Keine Anmeldung erforderlich!
Mit Google-Account einloggen
Mit Google-Account einloggen
Noch kein Account? Hier anmelden.

