Hallo zusammen, ich bin gerade dabei einen TIA zu entwickeln. Er basiert auf einem ADA4530-1 mit 100Meg und 1p im Feedbackzweig und einem ADA4077-1 als invertierender Verstärker mit per Jumper wählbaren Widerständen die eine zusätzliche Verstärkung von 1-100 ermöglichen. Die Versorgung besteht aus +-12V die von 680uF Low ESR und 10Ohm gefiltert werden, einem UA78L02 mit 330n X7R am Input und 100n X7R am Output für V+ vom ADA4530-1 und 100n X7R direkt an den Chips. Diese 12V müssen aber irgendwo herkommen. Da wir uns von Eigenentwicklungen mit 230V wo möglich fernhalten und 24V in all unseren Anlagen vorkommen, dachte ich an einen Traco TDN 1-2422WI der mit 30mV relativ wenig Dreck schleudert. Reichen da an den Ein- und Ausgängen PI-Filter mit 10uF X7R und Würths fünf Loch Ferriten WE-SUKW? Laut App Note möchte der TDN 22uH am Eingang sehen, der WE-SUKW hat aber nur 5uH. Um Störungen zu vermeiden, würde ich den TDN in ein separates Gehäuse verbannen. Danke für eure Aufmerksamkeit und viele Grüße, Dominic
Dominic M. schrieb: > ich bin gerade dabei einen TIA zu entwickeln Gibts die Netzliste auch als Schaltplan? Oder nur in Textform?
Aktuell leider nur in Textform da ich diese Woche keinen Zugriff auf meinen Laptop habe, aber beim nochmaligen lesen kommt mir meine Ausführung relativ krude vor, deshalb noch ein Versuch: +-12V kommen durch zwei 10Ohm an den zwei 680uF (C7 und C8) an. Daran hängt der ADA4077 (IC2) , unterstützt durch 100nF an den Versorgungspins. Da der ADA4530 (IC1) nur 16V verträgt und ein negatives Ausgangssignal liefert (Photodiode mit Anode an invertierendem und Kathode an nichtinvertierendem), bekommt er positiv 2,5V vom UA78L02 (IC3, nach Datenblatt mit 330nF davor und 100nF dahinter, hängt an C8) und negativ 12V von C7, jeweils mit 100n direkt an den Versorgungspins. Die Kathode der Photodiode liegt auf GND, Rf vom TIA sind 100Meg mit 1pF parallel (R1, C1) . Der darauf folgende invertierende ADA4077 dreht das Signal wieder richtig herum und steuert ein Gain von 1-100 bei. Ich hoffe das war nun besser verständlich. Viele Grüße, Dominic
Ich bin immer wieder begeistert davon was so ein Smart-Phone doch alles kann. Im Anhang findet ihr den Schaltplan des TIAs. Zu den Versorgungsspannungen gesellen sich dann noch C3-C6, jeweils 100n gegen GND. Viele Grüße, Dominic
Hallo Beim Transimpedanzverstärker wird die Photodiode in Sperrichtung betrieben. D1 müsste demnach umgedreht werden. 100MOhm im Feedback ist recht hoch. Die gewünschte Bandbreite deines Signales wäre auch wichtig zu erwähnen. (hint: GBW(OPA)=gain*bandwidth) Ein Schaltplan ist nur dann verifizierbar, wenn alle nötigen Informationen dieser enthält. mfg Mike
Mike schrieb: > Beim Transimpedanzverstärker wird die Photodiode in Sperrichtung > betrieben. > D1 müsste demnach umgedreht werden. Die Photodiode wird im Quasikurzschluß betrieben, die Kathode liegt an Masse, die Anode an virtueller Masse, es gibt keine Vorspannung. Die Polung der PD bestimmt die Spannungsrichtung am Ausgang.
Vor den Traco gehört ein Filter Keramik-C, stromkompensierte Drossel, Keramik-C. Vom +Eingang des Traco zum +Ausgang ein Keramik C 10 n/2 kV, am Ausgang des Traco je ein Ferrit in + - GND und mindestens zwei Keramik C.
Danke für die Hinweise zum TIA, aber den werden wir aufbauen und uns überraschen lassen, die Platinen sind bereits bestellt. Mir geht es um den Traco. Bei einer stromkompensierten Drossel habe ich Sorge um die hohe Güte und andere Verbraucher am gleichen 24V-Netzteil. Deshalb dachte ich auch da an die Ferrite. Leider sind wir was sowas angeht nicht gerade üppig ausgestattet und wenn ich zig Varianten bestelle, zeig mir das Projektmanagement den Vogel. Spricht etwas gegen Pi-Filter mit 10u X7R und 5u Ferrit an den Ein- und Ausgängen oder ist meine Sorge unbegründet und die Beschaltung wie im Anhang ist iO? Danke und beste Grüße, Dominic
Du bist dabei, das Pferd von hinten aufzuzäumen. Was brauchst du an Restwelligkeit?
Das ist eine sehr gute Frage. Die Würth UKW 7427503 hat die höchste Induktivität (~14uH) unter den mir bekannten Drosseln niedriger Güte. In Kombination mit 10uF gibt das bei der minimalen Schaltfrequenz von 100kHz -35dB, was zusammen mit den 10Ohm und 680uF auf dem TIA meiner Meinung nach mehr als ausreichend ist. Die Eingangsseite mit Rückwirkung auf andere Verbraucher am gleichen 24V-Netzteil kann ich hingegen absolut nicht einschätzen und würde mich über eure Einschätzung freuen. Beste Grüße, Dominic
Dominic N. schrieb: > Reichen da an den Ein- und Ausgängen > PI-Filter mit 10uF X7R und Würths fünf Loch Ferriten WE-SUKW? Laut App > Note möchte der TDN 22uH am Eingang sehen, der WE-SUKW hat aber nur 5uH. > Um Störungen zu vermeiden, würde ich den TDN in ein separates Gehäuse > verbannen. Würth hat sogar Modelle für die Ferrite. Mit LTspice kannst Du da Deine Anforderungen überprüfen. Schau Dir mal diese Familie an. https://www.we-online.de/katalog/de/WE-CBF-HF mfg klaus
Nach der Schaltung 10.02.2020 14:57 hängt ein IC auf +/-12V das andere an -12V/+2V. Dafür hättest Du gar keinen Schaltregler gebraucht. Da nimmt man einen Linearregler LM317 und erzeugt die 14V aus den 24V. Mit einem anderen OP erzeugt man die virtuelle Masse in der Mitte, dh bei 12V. Da kannst Du auch 10V oder irgend etwas anderes wählen.
Welche Filter genügen hängt sehr stark von deinen nicht genannten Anforderungen ab. Ich würde Dir empfehlen, es anhand eines Prototypen auszuprobieren, bevor du in die Massenproduktion gehst. Schaltregler würde ich an dieser Stelle jedenfalls vermeiden. Bei so wenig Stromaufnahme sind lineare Regler wesentlich unkomplizierter.
Das Problem ist, das ich nicht weiß was für Anforderungen ich genau habe. Was ich weiß ist, das die hochfrequenten Anteile aus einem DCDC-Wandler in den OPAs gleichgerichtet werden können und sich so (lastabhängige) Offsets ergeben. Das möchte ich partout vermeiden. An mehrere Linearregler hatte ich auch schon gedacht, aber leider liegt der negative Pol des 24V Netzteils üblicherweise schon auf GND. Außerdem ist das auch ein Schaltnetzteil an dem sich Linearregler aufgrund der geringen PSSR zu hohen Frequenzen wohl nicht allzu gut schlagen? Mein Problem bei dem Ganzen ist, das ich nicht die Zeit habe die Versorgung großartig zu charakterisieren und mehrere Runden zu drehen. Darüber hinaus hat niemand hier in der Firma mit ähnlichem gearbeitet. Naja, eine Simulation der PI-Filter mit 1Ohm Quell- und 1k Lastwiderstand, CBF 742792097 hin und zurück und je zwei 10µF X7R plus 100µF Elko pro Seite sieht meiner Meinung nach ganz gut aus. Was sagt ihr dazu? Machen die zusätzlichen Ferrite in den Grounds Sinn? Das Layout hat heute für eine hitzige Diskussion gesorgt. Die Ideen gingen von "vollflächige Massen [GND_OUT] auf beiden Seiten übersäht mit VIAs" über den angehängten Vorschlag bis hin zu "die untere Massefläche nur am Stecker anbinden, keine Vias nach oben, Beinchen der Elkos und Montagebohrung oben rechts freistellen". Meiner bescheidenen Meinung nach tut sich zwischen allen Varianten nicht viel, vorallem weil die Versorgung in ein extra Gehäuse kommt und mit geschirmter Leitung zum TIA geführt wird (der inklusive Photodiode in einem eigenen, geschirmten Gehäuse sitzt), aber wie gesagt, wir haben damit absolut keine Erfahrung und würden uns auch da über eure Meinung freuen. Beste Grüße, Dominic
@Dominic Es gibt von verschiedenen Herstellern fertige Netztfilter auch für Platinen, such' Dir einfache einen passenden und bau's ein. Die Teile sind mit Sicherheit besser als dein Eigenbau da, im Regelfall, geschirmt. Grüße Löti
Dominic N. schrieb: > Das Layout hat heute für eine hitzige Diskussion gesorgt Kann ich mir gut vorstellen. Zum Schaltplan: mein erster Eindruck war: "Viel hilft viel", oder was hat man sich dabei gedacht?
Hab ich alles auch schon hinter mir. Eine Frage der Anforderungen. Ich musste etwas unterhalb 1mV Dreck sein, und bin auf linear zurueck. Und zwar nicht linear nach Schalt, sondern linear von Netz weg. Linear nach Schalt hatte leider immer noch zuviel, nicht mehr viel, aber trotzdem. Das Layout muss ein richtiges RF Layout sein, auch mit RF tauglichen Komponenten.
Danke für euer Feedback. Leider habe ich bis jetzt noch keinen Netzfilter gefunden der bei 100kHz wie auch 100MHz+ zufriedenstellend (passen >40dB?) dämpft und dabei nicht viel zu teuer ist. Wenn der Preis keine Rolle spielen würde, würde ich direkt ein sauberes Linearnetzteil aufbauen. Der Schaltplan hat sich aus LT-SPice-Simulationen ergeben. Die CBF 742792097 geht hoch hinaus, steigt aber auch schon früh ein, die 100uF sorgen für niedrige DC- und LF-Impedanzen, die zwei 10uF parallel dank der halben Impedanz obenraus für mehr Dämpfung. Das Layout habe ich nun (nach meinem Kenntnisstand) RF-gerecht gestaltet. Schaut das so besser aus? Lassen sich die 0805 auch ohne Thermal Relief noch von Hand bestücken oder kann man die bei den relativ niedrigen Frequenzen noch so lassen? Das wäre für den ersten Versuch sehr hilfreich. Beste Grüße, Dominic
Für die Sekundärseite gibt es Keramikkondensatoren mit 100 µF, das funktioniert gut. Manches muss man einfach ausprobieren, z.B ein Keramikkondensator 10 nF vom +Eingang zum +Ausgang. Falls das bei diesem Wandlertyp was bringt, Spannungsfestigkeit 2 kV wählen.
Ist schon ziemlich viel Aufwand, nur um den Mist der DC/DC-Wandler wegzufiltern, und dann noch mit unbekanntem Ergebnis. Die Schaltung verbraucht ja echt wenig - das wäre mit Linearreglern wesentlich eleganter und sicherer gelöst. Sportlich die 100M||2pF - da könnte er sich leicht irgendwelchen Mist aus den DC/DC-Wandlern einhandeln! Also wenn möglich würde ich das Versorgungskonzept überdenken. Oder einen 2. Prototyp mit Linearreglern bauen und dann vergleichen. Oder - vor dem endgültigen Layout - das Ganze provisorisch aufbauen und durchmessen. Die Theorie ist eine Sache, aber in der Praxis sieht es dann oft ganz anders aus.
@mohandes: Leider lässt sich das wohl nicht vermeiden, das soll wenn es fertig ist in relativ hohen Stückzahlen laufen und ein Linearnetzteil ist dafür zu teuer. Bis es in Serie geht komme ich aber hoffentlich auch noch zu einer ordentlichen Charakterisierung. @ths: Was genau meinst du? Mir ist gerade ein Licht aufgegangen, der Eingang muss garnicht so sauber gefiltert werden und ein zweistufiges Filter funtioniert deutlich besser als die Parallelschaltung der 10uF-Kondensatoren, und nimmt exakt gleich viel Platz weg. Der PI-Ausgangsfilter besteht nun aus 10uF+100uF, Ferrit, 1uF+100uF, Ferrit und 10uF+100uF, siehe Anhang. Die untere Groundplane ist nicht gefüllt damit man den Rest besser erkennt. Gibt es noch was am Layout auszusetzen? Sonst werde ich das so in Auftrag geben. Beste Grüße, Dominic
Dominic N. schrieb: > das soll wenn es > fertig ist in relativ hohen Stückzahlen laufen Soll denn die EMV Verträglichkeit richtig im Labor geprüft werden? Wenn ja, dann solltest Du auch noch die höheren Frequenzen mehr beachten. Die Abstufung 10µ, 1µ und 100n deckt schon bis 50 MHz zufriedenstellend ab. Also ich würde dann nicht bei 1µ Schluß machen. Schau die die jeweiligen Eigenresonanzen der Kerkos an. Wenn es noch höher gehen soll, dann geht man auch bis auf 10n herunter. Wenn Du einen BEAD 742792097, der 300 mOhm Gleichstromwiderstand hat, in den GND Pfad einfügst, dann hat Du dort einen Spannungsabfall. mfg klaus
Ich finde es im Moment auf der RECOM Seite auch nicht, die haben seit meinem letzten Besuch einiges umgekrempelt. OK, ist eine Weile her. Jedenfalls war ich über zwei Dinge extrem überrascht: 1. Ein Filter auf der Eingangsseite C - stromkomp. Drossel - C reduziert die Restwelligkeit auf der Ausgangsseite. 2. Eben der Kondensator vom Eingang zum Ausgang. Das ist ohne Layout schnell ausprobiert. Weiterhin schaden Ferrite primär und sekundär auch nicht. Hier gibt es prominente Unterstützung: https://www.youtube.com/watch?v=X6m13I8gN7s
Schade das die App-Notes verschwunden sind. Laut Spice tut sich nicht viel zwischen 2x 1uF oder 1uF + 0.1uF, was vermutlich an der mit 70MHz relativ hohen Resonanzfrequenz des Ferrit liegt. Im Mittelteil sind jetzt jedenfalls zwei 0805 nebeneinander vorgesehen. Common Mode versuche ich mit den Ferriten in GND beizukommen, der geringe Spannungsabfall stört mich nicht und eine echte Common Mode Spule ist viel zu groß für den gewünschten Formfaktor. Habt ihr noch weitere Hinweise die für den ersten Versuch helfen könnten? Danke und beste Grüße, Dominic
Die 4 Elkos auf der rechten Seite würde ich um 90° drehen und den Stecker am Ausgang etwas nach oben schieben.
Dominic N. schrieb: > Common Mode versuche ich mit den Ferriten in GND beizukommen, der > geringe Spannungsabfall stört mich nicht und eine echte Common Mode > Spule ist viel zu groß für den gewünschten Formfaktor. Wennst du Gleichtaktstörungen dämpfen möchtest, dann verwendet man eine CMC(common mode choke). 2 Ferrite bilden keine CMC. Es gibt etliche CMC in SMD. Meiner Meinung nach bilden galvanisch getrennte DCDC-Wandler höhere Gleichtaktstörungen aus. Wenn eine galv. Trennung nicht notwendig ist, dann ist es besser einen nicht galv. getrennten DCDC zu verwenden. Zusätzlich würde ich immer am Eingang eine Suppressordiode einbauen. LG Mike
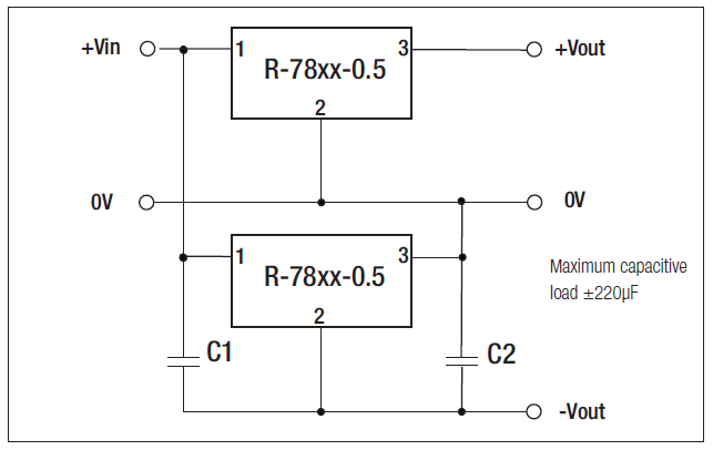
Braucht man eine CMC nicht nur wenn man hohe Gleichtaktimpedanz bei hohem Biasstrom und geringem Rdc möchte? Die CMCs die ich finde haben im relevanten Frequenzbereich eine ähliche Impedanz wie die Ferrite, sind aber viel größer und teuerer. Es wären also z.B. zwei Recom R-7812-0.5 besser geeignet? Beste Grüße, Dominic
Dominic N. schrieb: > Es wären also z.B. zwei Recom R-7812-0.5 besser geeignet? Ja besser m.E. als ein galv. getrennten DCDC mit 2 Ausgangsspannungen. LG Mike
Wie oben schon geschrieben, die 24V haben Groundbezug. Darüber hinaus kommen sie von Schaltnetzteilen die deutlich mehr Schmutz von sich geben als die DC-Wandler an ihren Ausgängen. Beste Grüße, Dominic
Es sind noch eine DO-214AA TVS (falsches Schaltzeichen, wird natürlich bidirektional) und 10mA Grundlast direkt am Augang der Recom R-7812-0.5 dazugekommen. Die Kondensatoren aus dem Screenshot von Recom sind die beiden großen rechts unten direkt neben den Reglern. Die App-Note sagt dazu 'should be fitted close to the converter pins'. Ist das so nah genug? Fällt euch noch etwas anderes auf? Danke und beste Grüße, Dominic
Hi Dominic, habe Deinen Thread gerade erst gesehen. Ich denke, Dein Filter ist prinzipiell schonmal nicht so verkehrt. Allerdings ist irgendwann der minimale Störpegel erreicht, den man mit diesen zugekauften Wandlern erreichen kann. Ich empfehle nach Möglichkeit so schnell wie möglich einen Pre-Compliance Test, was Störabstrahlungen und Störpegel angeht. Störungen bekommt man am Besten in den Griff, wenn man sie gar nicht entstehen lässt. Eine symmetrische Versorgung aus einer unipolaren kann man sehr elegant mit Push-Pull-DCDC-Wandlern erzeugen. Das ist ähnlich dem Innenleben des Traco, allerdings auf EMI und nicht auf Herstellergewinn optimiert. Wir haben hier grade zwei Entwicklungen laufen, bei denen es um Erzeugung von Analogversorgungen geht. Bei der einen hängt ein 12bit-Wandler am Ende, da verwenden wir tatsächlich einen Traco. Die andere Anwendung geht Richtung >22bit, da ist eine Eigenentwicklung im Einsatz. Grüße, marcus
Dominic N. schrieb: > Es sind noch eine DO-214AA TVS (falsches Schaltzeichen, wird natürlich > bidirektional) und 10mA Grundlast direkt am Augang der Recom R-7812-0.5 > dazugekommen. Hallo Die TVS-Diode braucht in deinem Fall nur uni-direktional sein. z.B. SMBJ24CA für 24V max. Eingangsspannung Du benötigst eine bi-direktionale TVS-Diode an der Eingangsklemme wenn ein Verpolschutz vorhanden ist. Dominic N. schrieb: > Die App-Note sagt dazu 'should be > fitted close to the converter pins'. Ist das so nah genug? Ja Allgemein: Je kleiner die Kapazität des Kondensators je näher soll er positioniert werden. Die Filterung mit den 742792097-Ferriten dämpfen die Transienten welche der DCDC auf den Ein-und Ausgangsleitungen produziert. Das mache ich auch. Ich setze aber nur je einen Ferrite Ein- und Ausgangsseitig. Transienten werden auch über die Leitungen gedämpft. Um den Ripple zu dämpfen, welcher jeder DCDC produziert(wegen der Regelung) benötigt eine zusätzliche Induktivität. Ob dieser zu dämpfen ist hängt davon ab welchen Verbraucher du anschließen möchtest. LG Mike
Danke für den ganzen Input! :) Leider geht es mit dem TIA nicht weiter, die Komponenten inklusive diversen Ferriten, Gleichtaktdrosseln und Kerkos sind da, aber ich bin aktuell im Außeneinsatz. Naja, ich würde gerne eine LED als Overload-Indikator einbauen und habe mir die Schaltung im Anhang ausgedacht. Dabei werden die TL084 im Fehlerfall kurzzeitig im Quasi-Kurzschluss betrieben, was laut Datenblatt zwar unter Maximum Ratings zählt, aber bei Begrenzung der Verlustleistung unkritisch sein soll. Machen sie das auf Dauer problemlos mit? Fallen euch Alternativen ein? EDIT: Das Problem des Kurzschluss haben zwei Transistoren lösen können. Immerhin seid ihr nun auf dem Laufenden, ab dem 9. geht es dann am TIA weiter, und falls noch jemand einen Hinweis zur LED-Schaltung würde ich mich da natürlich weiterhin freuen. Beste Grüße, Dominic
Um ein kurzes Feedback zu geben, der TIA läuft völlig ohne Probleme. Fotos davon im Anhang. :) Danke nochmals für den Input und beste Grüße, Dominic
Bitte melde dich an um einen Beitrag zu schreiben. Anmeldung ist kostenlos und dauert nur eine Minute.
Bestehender Account
Schon ein Account bei Google/GoogleMail? Keine Anmeldung erforderlich!
Mit Google-Account einloggen
Mit Google-Account einloggen
Noch kein Account? Hier anmelden.






















