Ich stehe aufm schlauch... Ich habe eine Leitung welche 5V hat, kurze taster signale auf GND schaltet eine led als beispiel ein, gesteuert von einem microcontroller, jetzt möchte ich, dass wen ich den taster mind. 5 sek.lang drücke, damit ein wechsler relais schalten kann.. und damit eine andere Leitung trennen.. siehe bild. Klar funktioniert das gezeichnete so nicht.. als Beispiel normal kommen da ja max. 1 sek taster impulse durch, kann ich mit iorgend einer schaltung ads so schalten? ohne dass die 1 sek impulse beinträchtig werden und bei 5 sek ein wechsler relais schaltet, ohne den MCU Code ab zu ändern.. Ich finde gerade nichts passendes... :/ Danke für Tipps :D
irgendwas wo sich 5sek auflädt und dann das relais schaltet.. und wieder auf die nächsten 5 sek wartet um das relais wieder zu schalten..
ok.. und das geht damit..? laut pdf H = HIGH Level L = LOW Level = Transition from LOW-to-HIGH ¯ = Transition from HIGH-to-LOW = One HIGH Level Pulse = One LOW Level Pulse es soll erst bei einem mind. 5 sek. langem pulse schalten. nicht High Low erkennung,Transition from LOW-to-HIGH, Transition from HIGH-to-LOW ioder singel pulse. kann mir laut datasheet nicht vorstellen wie die schaltung aussehen müsste. ich verstehe nun den IC Baustein aber ein bisschen. Ich Dachte man könnte es einfacher mit einem ELKO der sich auflädt und erst bei 5 sek 5v sich genug aufgeladen hat um sich zu entladen und dann ein Relais schalten.. Hast du vlt ein Beispiel :))
https://www.electroschematics.com/precision-monostable/ das habe ich darüber gefunden.. aber wie kann ich den hier die trigger time einstellen. also trigger muss 5sek gedrückt werden. erst dann arbeitet der IC den befehl ab .. ? davor soll er ales ignoriern. 1.. 2...4 sek impulse...erst ab 5 sek darf er arbeiten
Andreas schrieb: > Ich stehe aufm schlauch... es gibt hier doch die tolle Tasterentprellung von PeDa sogar mit Erkennung kurzer Druck langer Druck, damit kannst du das gewünschte doch bauen: https://www.mikrocontroller.net/articles/Entprellung
1 | /************************************************************************/
|
2 | /* */
|
3 | /* Debouncing 8 Keys */
|
4 | /* Sampling 4 Times */
|
5 | /* With Repeat Function */
|
6 | /* */
|
7 | /* Author: Peter Dannegger */
|
8 | /* danni@specs.de */
|
9 | /* */
|
10 | /************************************************************************/
|
11 | ....
|
12 | ....
|
13 | uint8_t get_key_short( uint8_t key_mask ) |
14 | |
15 | uint8_t get_key_long( uint8_t key_mask ) |
Danke jepp, aber ich kann den code im MCU nicht ändern.. Ich muss es mit Hardware Realisieren.. Anmerkung: es geht nicht um Tasterenprellung, die habe ich extra nicht eingefügt.. es soll mal nur auf 5 sekunden langem Tasten druck eine Aktion ausgeführt werden könne per Hadrware. und darunter soll nichts passieren...
Eine Hardware basierte "einfach" lösung, sollte reichen zum entprellen des tasters Signales. Wie kriege ich das mit den 5 Sek hin.. Also zum besser verstehen.. -kurze impulse machen das was der mcu ausführen soll. geht die leitung auf LOW wird die zu verichtende arbeit ausgeführt. diese Signale sind in der mcu SCHON ENTPRELLT. 5sek druck auf den taster soll dann die stromversorgung eines anderen bauteiles deaktivieren, nicht gesteuert von dem MCU, unabhängig was an der MCU angeschlossen ist. OHNE den mcu Code ändern zu müssen, Ich zapfe die vorhandene leitung hinter dem Schalter/Taster ab. somit ist es der MCU egal wie das signal auf LOW geht.. :D
Andreas schrieb: > Ich habe eine Leitung welche 5V hat, kurze taster signale auf GND > schaltet eine led als beispiel ein, gesteuert von einem microcontroller, Wenn du deine Gedanken vielleicht mal in klare Sprache überführen könntest, wäre es etwas einfacher zu erfassen, was du dir vorstellst. Warum willst du mit irgendwelchen externen Bauteile einen Puls von einem Mikrocontroller in eine zeitlich modifizierte Steuerung umwandeln. Nutze doch den Mikrocontroller dafür. Evtl. hilft dir ein Impulsdiagramm beim strukturieren deiner Gedanken.
Kannst auch einen zweiten Controller nehmen. Ein ATTINY402 oder PIC10F200 sollte das locker können. Nichts für ungut, aber das geht sicherlich schneller, als wenn du mit deinen Elektronikkenntnissen etwas versuchst zu basteln. Vielleicht könntest du auch mal konkret erklären, was hinter deinem Vorhaben steckt, alles andere ist Stochern im Nebel. Oft findet sich bei genauen Kenntnissen über die Gesamte Schaltung schneller eine ganz andere Lösung.
eigentlich steht alles da :) vlt bisschen durcheinander..;) Ich kann/will den Code nicht ändern. habe kein Zugriff momentan darauf. Deshalb per Hardware... also als Beispiel: die mcu schaltet mit jedem taster druck eine rote led an und wieder aus.. LOW erkennung im code mit entprellung. Digital Pin to GND Flankenerkennung oder wie man dem sagen möchte. nun zapfe ich die leitung hinter dem Taster an, 5v kommen bei tasterdruck.. drücke ich dann 5sek lang weiter.. soll ein Relais extern schalten. wie kriege ich das mit den 5 sek hin.. :) so schwer dürfte es eigentlich ja nicht sein... Eine schaltung die alles unter 5sek ignoriert und ab 5sek pulse dauer etwas schalten kann :)
also die led wird natürlich am MCU an einer anderem port geschaltet. ist auch keine led die geschalten wird.. sonder in einem menu die steuerung für hoch und runter per taster.. das spiellt aber keine rolle auf meinen wunsch hin..
ich schrieb: > Schonmal was vom NE555 gehört? Vielleicht kann der ja was du brauchst... ja. aber damit kann ich doch nur ausgangs pulse einstellen...? nicht den taster eingangs impuls abfrage. ich weiss per code währe das sehr schnell gelöst..
es gibt ja solche relais... einschalt ausschalt Verzögerung, wisch funktion, zeit relais usw.. aber damit lässt sich mein wunsch mit keiner Version verwirklichen.. oder gibt es spez relais welche solch eine funktion anbieten.. ? Taster muss lange gedrückt werden...
Wolfgang schrieb: > Wenn du deine Gedanken vielleicht mal in klare Sprache überführen > könntest, wäre es etwas einfacher zu erfassen, was du dir vorstellst. Andreas schrieb: > eigentlich steht alles da :) vlt bisschen durcheinander..;) deswegen blickt ja keiner durch, wie wäre es mal mit Zustands Diagrammen Andreas schrieb: > wen ich den taster mind. 5 sek.lang drücke woher weiss eine externe Schaltung das du den Taster 5s drückst? Kommen da mehr LED Impulse? Ist der Taster irgendwie erreichbar? Kann das Tastersignal abgegriffen werden? (dann reicht ein 555 oder ein retrigerbares FF)
OK, nochmal. Such nach dem NE555, das ist ein weltbekannter Timerbaustein, der auf analogen Wege fast jede Timing-Aufgabe bewerkstelligen kann.
PS: Du solltest das Stichwort "Einschaltverzögerung" bei der Suche benutzen
ich schrieb: > Einschaltverzögerung klar habe ich .. kenne ich.. steht oben auch. verstehe ich das falsch.. ein pulse kommt vom schalter. das relais merkt sich das und schaltet nach der vorgegebenen zeit das relais um.. ? währe dann ja falsch... oder ist damit gemeint, die eingestellte zeit 7sek z.b muss gedrückt werden damit das relais umschaltet? das währe dann richtig und währe die Lösung..
Dann nimm ein T-Flipflop und dahinter ein Monoflop. Wird doch nicht so schwer sein, oder? Man könnte meinen, heute wäre Freitag. Probleme immer in Einzelprobleme zerlegen und diese dann lösen. Ich wäre immer noch für einen ATTINY für 37Cent.
https://www.elektronik-kompendium.de/sites/slt/0206241.htm du meinst dass.. danke. aber ist es dass was ich will? ich drücke mind. 5 sek. lang s1 und erst dann leuchtet die lampe.. beschrieben wird es anderst. eben nicht dass was ich möchte :)
ich schrieb: > einen ATTINY für 37Cent. ich komme aus der arduino welt.. habe noch diese mcu s beschrieben.. 0 ahnung :D T-Flipflop und dahinter ein Monoflop. so einfach ja offenbar nicht mit flip flop schaltungen hatte ich noch wenig zu tun,... und dan gleich 2 hintereinander verschalten.. das wird ja lustig. einfach ist einfacher :)
puhhh was für ein Deutsch, dann dieses Gekrickel wo immer die Aktion auf Ground gelegt ist, schalte einen kleinen Proz rein und gut ist
Jörg R. schrieb: > Ist die Frage ernst gemeint? ja, wen man darauf hingewiesen wird.. und dann durchliest aber merkt...es macht nicht dass was ich will. ob ich dann zu doof bin... oder was falsches vorgeschlagen wird ;) Ausschaltverzögerung iss ja falsch. ich muss den schalt eingang vom taster, auf 5sek mind. Druckdauer einstellen können.
Leute, was der µC (o. was auch immer) macht interessiert nicht (glaubt der TO, wir offen mal:). Er braucht ein Flip Flop, das bei >5s Tastendruck seinen Zustand wechselt.
So ich habs gefunden: NE555 Einschaltverzögerung, ich wusste nicht dass man da den Taster gedrückt halten muss, auf die eingestellte Zeit (sonst passiert nichts). Ich dachte ein Impuls würde schon reichen, und ab dann beginnt eine z.b 7sek einschalt verzögerung und es leuchtet konstant.. hrmpf!!! Also im Video brauche ich die Funktion der gelben LED. https://www.youtube.com/watch?v=_O-8vf3lc7g Danke trozdem für die zahlreichen Tipps. NE555 war schon richtig. Einschaltverzögerung anstatt Ausschaltverzögerung.
Teo D. schrieb: > Er braucht ein Flip Flop, das bei >5s > Tastendruck seinen Zustand wechselt. Du hast mich ja gleich verstanden :D mit meinem Schweizer deutsch Danke ;)
Beitrag #6144436 wurde von einem Moderator gelöscht.
Mit nem zB. 4093 obiges aufbauen und ein freies Gatter, über ein RC-Glied an den Taster hängen. Noch'n R zum Entladen an den C. PS: Das FF könnte man uU noch vereinfachen?! Wie kA, nicht nach 1,5 Flask Wino :)
Andreas schrieb: > So ich habs gefunden: NE555 Einschaltverzögerung, > ich wusste nicht dass man da den Taster gedrückt halten muss, auf die > eingestellte Zeit (sonst passiert nichts). Aber das war doch deine eigene Anforderung: Andreas schrieb: > jetzt möchte ich, dass wen ich den taster mind. 5 sek.lang drücke ..mind. 5 sek. drücke! Was passieren soll wenn der Taster wieder losgelassen wird hast Du übrigens nicht geschrieben. Teo D. schrieb: > Mit nem zB. 4093 obiges aufbauen und ein freies Gatter, über ein > RC-Glied an den Taster hängen. Noch'n R zum Entladen an den C. Man könnte einen Komparator vor das FF setzen. Wenn in der RC-Kombi der R ein Poti ist kann die Zeit in gewissen Grenzen eingestellt werden. > PS: Das FF könnte man uU noch vereinfachen?! Gibt es FF mit Schmitt-Trigger-Eingängen??
Beitrag #6144449 wurde von einem Moderator gelöscht.
NE555, Flip-Flops, etc. etc. 1985 hätte ich das so etwas auch so gelöst. In den Zeiten, wo man Arduinos für 1€ bekommt, macht man das meiner(!) Meinung nach damit. Auch wenn es Kanonen auf Spatzen sind. Das Arduino-Programm ist in 5 Minuten fertig, Anpassungen sind in 1 Minute gemacht. Gerade als Anfänger die einfachste Lösung. Gerne stelle ich auch noch das Programm hier ein, falls es damit realisiert werden soll.
Arduino im KFZ betreiben.. 15v und den ganze spikes... :) nicht ganz einfach wen man es richtig machen will.. aber das wusstet ihr ja nicht. da muss ich mehr rumlöten als mit NE555 als einschaltverzögerung, Mit diesem aufbau funktioniert es, wie gewünscht.
so brauch ich nicht mal eine stromversorgung für die schaltung .. :) die kommkt vom Taster signal
Andreas schrieb: > aber ich kann den code im MCU nicht ändern.. Dann nimmste eben einen 2. MC (ATtiny13). Es gibt aber auch die Reset-ICs in PCs, die das Hardreset bei langen Druck auslösen. Ein Dual Monoflop (74HC123) ginge auch, der erste wartet die 5s ab, der 2. schaltet dann für eine gewünschte Zeit das Relais.
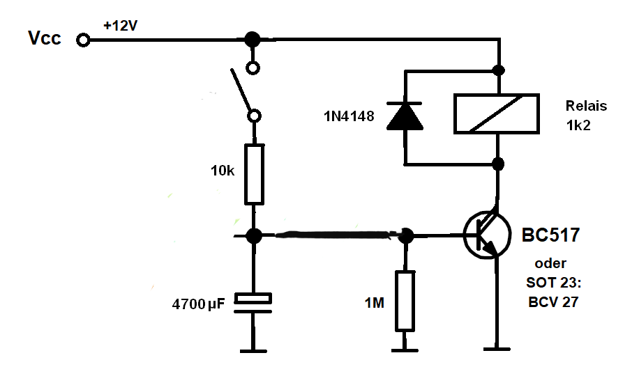
Wenn es Hardware sein muss, dann evtl. mit einem Darlingtontransistor. Der 10k Widerstand kann auf 100k vergrößert werden und der Elko auf 470uF verkleinert.
Peter D. schrieb: > Es gibt aber auch die Reset-ICs in PCs, die das Hardreset bei langen ach ja stimmt, so wie es der pc power knopf macht... kurzes drücken aus. langes drücken softdwon. hast du per zufal mal ein link zu solch einem PC IC? :) ja (ATtiny13) muss ich mir mal beibringen. 74HC123 Danke für die Tipps
Oppa Josef schrieb: > Wenn es Hardware sein muss, dann evtl. mit einem Darlingtontransistor. > Der 10k Widerstand kann auf 100k vergrößert werden und der Elko auf > 470uF verkleinert. Danke ;) währe wohl auch eine einfache Lösung. TOP
Peter D. schrieb: > Es gibt aber auch die Reset-ICs in PCs, die das Hardreset bei langen > Druck auslösen. https://www.rohm.de/products/power-management/voltage-detectors/fixed-delay-time so was ? intressiert mich gerade diese ICs
Bitte melde dich an um einen Beitrag zu schreiben. Anmeldung ist kostenlos und dauert nur eine Minute.
Bestehender Account
Schon ein Account bei Google/GoogleMail? Keine Anmeldung erforderlich!
Mit Google-Account einloggen
Mit Google-Account einloggen
Noch kein Account? Hier anmelden.




