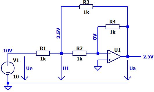
Hallo, eine Frage zum OPV. Ich habe hier eine Schaltung, bei der ich nicht weiß wie ich die Ausgangsspannung Ua berechnen kann. Die Widerstandsschaltung lässt sich nicht vereinfachen. Wie berechnet man das? PS: Es geht mir nur mal ums aufstellen der Formel, deshalb haben die Widerstände alle den selben Wert. Viele Grüße
helpme91 schrieb: > Die Widerstandsschaltung lässt sich nicht vereinfachen. Natürlich lässt die sich vereinfachen.
Unter der Annahme, dass in den OP kein Strom reinfließt ist mit einem Trick einfach: R3 ist parallel zur Serienschaltung R2-R4. Nehmen wir an, R3 bestünde aus einer Serienschaltung aus 2 500 Ohm-Widerständen. In der Mitte davon wird sich exakt die selbe Spannung ergeben wie zwischen R2 und R4. Also kann man da auch eine Verbindung zeichnen und dann weiter vereinfachen.
Tilo R. schrieb: > mit einem > Trick einfach: Es soll wohl einfach das Standardverfahren angewandt werden.
helpme91 schrieb: > Die Widerstandsschaltung lässt sich nicht vereinfachen Aber sicher doch, es bleibt ein einfacher Spannungsteiler. Da der - Eingang auf Masse (0V) liegt, muss der Ausgang so weit ins negative steuern, bis auch am + Eingang 0V entstehen. Hoffen wir mal, dass der OpAmp eine ausreichend negative Versorgungsspannung bekommt, um das schaffen zu können.
helpme91 schrieb: > Wie berechnet man das? Ist in diesem Fall eigentlich einfach: Da die Spannung mit 4 Widerständen zu kämpfen hat, wird sie geviertelt. (Zwinkersmiley)
Ich bin doch angenehm überrascht, dass die Lehrenden sich immer mal wieder etwas ausgefallenere Aufgaben ausdenken bei denen die fertigen Formeln aus den Tabellenbüchern versagen. R23=R2*R3/(R2+R3) R12=R1*R2/(R1+R2) U1 ist die Spannung zwischen dem Knoten R1-o-R2 und Masse. Lösung mit der Überlagerungsmethode unter Beachtung der virtuelle Masse am Minuseingang des Opamps U1 = Ue*R23/(R1+R23) + Ua*R12/(R3+R12) (1) Allgemeine Formel des invertierenden Verstärkers. Ua = -U1*R4/R2 U1 = -Ua*R2/R4 (2) U1 in (1) mit (2) ersetzen -Ua*R2/R4 = Ue*R23/(R1+R23) + Ua*R12/(R3+R12) -Ua*(R2/R4 + R12/(R3+R12)) = Ue*R23/(R1+R23) -Ua/Ue = R23/((R1+R23)*(R2/R4 + R12/(R3+R12))) Alle Widerstände haben den Wert R (1kOhm). -Ua/Ue = (R/2)/((R+R/2)*(R/R + (R/2)/(R+R/2))) -Ua/Ue = 1/(3*(1 + 1/3)) Ua/Ue = -1/4 Man kann natürlich auch andere Lösungsverfahren benutzen. Im Anhang die Datei zum simulieren mit LTspiceXVII.
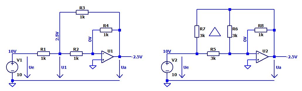
Michel M. schrieb: > R2,4,3, Stern-Dreieck Wandlung ?! :-) Ist in der Schaltung sogar der schnellste Weg da alle 3 Widerstände gleich groß sind. Im Dreieck wird jeder der 3 Widerstände 3*R. v = -(R||(3*R))/(3*R) v = -(3/4)/3 v = -1/4
Helmut S. schrieb: > Michel M. schrieb: >> R2,4,3, Stern-Dreieck Wandlung ?! :-) > > Ist in der Schaltung sogar der schnellste Weg da alle 3 Widerstände > gleich groß sind. > Im Dreieck wird jeder der 3 Widerstände 3*R. > > v = -(R||(3*R))/(3*R) > v = -(3/4)/3 > v = -1/4 Du hast falschrum transformiert.
hinz schrieb: > Helmut S. schrieb: >> Michel M. schrieb: >>> R2,4,3, Stern-Dreieck Wandlung ?! :-) >> >> Ist in der Schaltung sogar der schnellste Weg da alle 3 Widerstände >> gleich groß sind. >> Im Dreieck wird jeder der 3 Widerstände 3*R. >> >> v = -(R||(3*R))/(3*R) >> v = -(3/4)/3 >> v = -1/4 > > Du hast falschrum transformiert. Nein. Siehe Bild.
Helmut S. schrieb: >>>> R2,4,3, Stern-Dreieck Wandlung ?! :-) >>> >>> Ist in der Schaltung sogar der schnellste Weg da alle 3 Widerstände >>> gleich groß sind. >>> Im Dreieck wird jeder der 3 Widerstände 3*R. >>> >>> v = -(R||(3*R))/(3*R) >>> v = -(3/4)/3 >>> v = -1/4 >> >> Du hast falschrum transformiert. > > Nein. > Siehe Bild. Ah, du hast nur die anderen drei Widerstände ausgewählt.
Es fehlt noch die Lösung mit der Kirchhoffschen Regel "Summe aller Ströme an einem Knoten = 0" und die Knotenpotentialanalyse. Freiwillige gesucht. :-)
Ich wäre jetzt dafür dass helpme91 mal ganz frewillig seine letzte Gehirnzelle bemüht um selbst die Aufgabe zu lösen.
Beitrag #6158440 wurde von einem Moderator gelöscht.
Beitrag #6158501 wurde von einem Moderator gelöscht.
Beitrag #6158603 wurde von einem Moderator gelöscht.
Hallo Helmut, > Es fehlt noch die Lösung mit der Kirchhoffschen Regel "Summe aller > Ströme an einem Knoten = 0" und die Knotenpotentialanalyse. Freiwillige > gesucht. :-) - Unter der Annahme das der OP keinen Strom aufnimmt fließt ein Strom I durch die Reihenschaltung von R2 und R4. - Die Spannung, die an dieser Reihenschaltung anliegt, liegt auch an R3 an. - Da der Widerstandswert von R3 nur halb so groß ist wie der Reihen-schaltung, fließt durch R3 der doppelte Strom, also 2I. - Die Addition dieser Teilströme ergibt den Gesamtstrom 3I, der durch R1 fließt. - Mit R1 = R2 = R3 = R4 = R gilt also: Ue = 3*I*R1 + 2*I*R3 + Ua Ue = 5*I*R + Ua (1) - Die rechte Seite von R4 liegt virtuell an Masse, damit gilt: Ua + I*R = 0 b.z.w. I = -Ua/R (2) - Eliminierung von I durch Einsetzen von (2) in (1): Ue = 5*(-Ua/R)*R + Ua Ue = -4*Ua Ua = -Ue/4 rhf P.S.: Auf die Idee mit der Stern-Dreieck-Transformation wäre ich nie gekommen.
Roland F. schrieb
> P.S.: Auf die Idee mit der Stern-Dreieck-Transformation wäre ich nie gekommen.
Ich auch nicht.
Diese Transformation darf man nicht immer machen. Bei gemischt R, C
und/oder L darf man das nur machen, wenn man nur an dem Verhalten von
einer einzigen Frequenz interessiert ist. Falls da die allgemeine
Übertragungsfunktion F(jw) bestimmt werden soll, kann man das meiner
Meinung nach nicht machen.
Helmut S. schrieb: > Roland F. schrieb >> P.S.: Auf die Idee mit der Stern-Dreieck-Transformation wäre ich nie gekommen. > > Ich auch nicht. Wobei du den Stern R1, R2, R3 in ein Dreeick umgewandelt hast. Die ursprünglich Idee von Michael und anderen war wohl eher das Dreieck R2, R3, R4 in einen Stern umzuwandeln - dann bleibt nur noch eine simple Inverterschaltung übrig (mit einem weiteren Widerstand vor dem OPV-Eingang, der keine Rolle spielt).
Bitte melde dich an um einen Beitrag zu schreiben. Anmeldung ist kostenlos und dauert nur eine Minute.
Bestehender Account
Schon ein Account bei Google/GoogleMail? Keine Anmeldung erforderlich!
Mit Google-Account einloggen
Mit Google-Account einloggen
Noch kein Account? Hier anmelden.


