Ich möchte gerne eine 12V/1,5A und eine 5V/1A Spannung umschalten. Hierzu probierte ich einen analog Schalter CD4016 mit einer 5V Schaltspannung von einem Schieberegister 74HC595 aus. Funktionierte auch alles gut, jedoch gab der CD4016 -nun schon das 2.Mal- nach einiger Zeit den Geist auf. Worauf muß man genau bei den IC's achten ? Umschaltstrom (laut Datenblatt 10mA)müßte bei 20-30mA vom Schieberegister über 1K Ohm Widerstand gut gehen !?! Oder taugen die Schalter für diese Spannungen nicht ? Danke für Infos, Christoph.
Christoph Schulze schrieb: > Ich möchte gerne eine 12V/1,5A und eine 5V/1A Spannung umschalten. > Hierzu > probierte ich einen analog Schalter CD4016 mit einer 5V Schaltspannung > von > einem Schieberegister 74HC595 aus. Dann zeig mal die Schaltung. So verstehe ich nicht, was du genau machen willst. Denn mit Cdxxxx oder 74HCxxx kann man keine 1,5A oder 1A schalten...
> einem Schieberegister 74HC595 aus. Funktionierte auch alles gut, jedoch > gab der CD4016 -nun schon das 2.Mal- nach einiger Zeit den Geist auf. Ja, zapperlot. Wie kann das denn sein. :-) > 10mA)müßte bei 20-30mA vom Schieberegister über 1K Ohm Widerstand gut > gehen !?! Was denn nun? 20mA oder 1.5A? > Oder taugen die Schalter für diese Spannungen nicht ? Wie du dem Datenblatt entnehmen kannst muss die zu schaltende Spannung innerhalb der Betriebspannung liegen. Ist das bei dir der Fall? Ausserdem gibt es da sicherlich auch angaben zum Maximalstrom. Ansonsten such mal bei Google nach Load-switch. Damit findest du leistungsfaehigere Teile als den Grossvater aller Schalter den du jetzt einsetzt. Olaf
Christoph Schulze schrieb: > ch möchte gerne eine 12V/1,5A und eine 5V/1A Spannung umschalten. Hierzu > probierte ich einen analog Schalter CD4016 mit einer 5V Schaltspannung > von > einem Schieberegister 74HC595 aus Du möchtest 1.5A mit einem CD4016 schalten ? Hast du auch nur 1x in sein Datenblatt geschaut ? Der schaltet vielleicht 10mA (schon mit relevantem Spannungsverlust), aber niemals 1.5A. Ein PNP Transistor oder PMOSFET wäre geeignet, wenn man sich um rückfliessenden Strom keine Gedanken machen muss. Ob das so ist, sieht man aber erst wenn du deinen ganze Schaltung hier präsentierst. 1.5A (0.35 Ohm) Analogschalter gibt es, spontan kenne ich aber nur welche für 5V.
Christoph Schulze schrieb: > Ich möchte gerne eine 12V/1,5A und eine 5V/1A Spannung umschalten. Dafür kann ich von Omron die sogenannten MOSFET RELAY empfehlen, beispielsweise die Serie G3VM: http://components.omron.eu/Product-details/G3VM-series Die funktionieren gleich wie Optokoppler, sind aber für hohe Ausgangsströme und hohe Ausgangsspannungen gemacht. Die brauchen zur Ansteuerung aber 10mA, weiss jetzt nicht ob Dein 74HC595 das bringt.
Christoph Schulze schrieb: > Ich möchte gerne eine 12V/1,5A und eine 5V/1A Spannung umschalten. Was meinst du mit "umschalten"? Von wo nach wo? > Oder taugen die Schalter für diese Spannungen nicht ? Das kommt drauf an, mit welcher Spannung du sie betreibst. Für das Ableben könnt auch, wie schon oben gemutmaßt, der Strom verantwortlich sein. Ein SSR, z.B. ASSR-1611 wäre vermutlich zu einfach, oder?
Johnny B. schrieb: > Die brauchen zur Ansteuerung aber 10mA, weiss jetzt nicht ob Dein > 74HC595 das bringt. da scheint mir das AQV252g genügsamer mit 5mA If
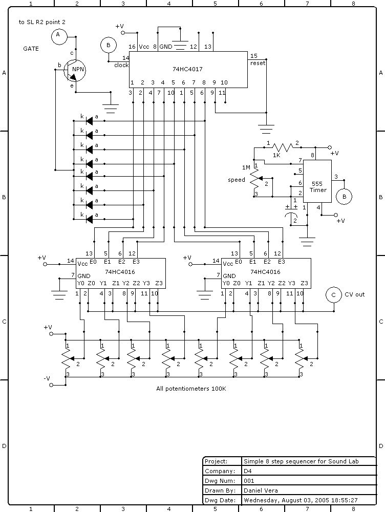
Schaltung ist prinzipiell wie diese hier nur statt 74HC4017 ein 74HC595 und statt der 74HC4016 eben ein CD4016. Die Spannung, die ich schalten will ist hier U+ = 12V. Die 100K Potis regeln die Spannnung nach dem Schalten runter. Da die Eingangsspannung direkt vom Busboard über einen Kondensator kommt dürfte die so ungefähr 1500 mA haben.
Christoph Schulze schrieb: > Schalt viel unnützer Text, du willst 1,5A schalten und das mit einem IC welches das NICHT kann! ich zitiere nochmal 12V/1,5A und 5V/1A schalten also was sollen die Christoph Schulze schrieb: > statt der 74HC4016 eben ein CD4016.
Christoph Schulze schrieb: > Schaltung ist prinzipiell wie diese hier nur statt 74HC4017 ein 74HC595 > und statt der 74HC4016 eben ein CD4016. Auch noch zu faul die reale Situation aufzuzeichnen, aber du erwartest, dass sich die Leute hier für dich ein Bein ausreissen. Obwohl es nicht unwichtig ist was an C hängt, ist beim 100k Poti klar dass es nicht um hohe Ströme geht, da geht der 4016. Und die Dioden sind sicher LEDs, doch denen fehlt ein Vorwiderstand. So verhindern sie die Funktion der Schaltung.
Christoph Schulze schrieb: > Schaltung ist prinzipiell Dein Gelaber ist nicht nur prinzipiell, sondern ganz konkret ziemlicher Unsinn. Also: klare Anforderungsbeschreibung und nicht nur eine Beschreibung des Ist-Zustandes Deines unsäglichen Pfusches.
Also gut, den Plan mit den Schaltern habe ich drangegeben und dafür auf eine Transistor(Emitter)Schaltung zurückgegriffen. Dabei sind alle Bedingungen an Funktion und Prinzip meiner Schaltung erfüllt. Trotzdem Danke für die Kommentare, Christoph.
Bitte melde dich an um einen Beitrag zu schreiben. Anmeldung ist kostenlos und dauert nur eine Minute.
Bestehender Account
Schon ein Account bei Google/GoogleMail? Keine Anmeldung erforderlich!
Mit Google-Account einloggen
Mit Google-Account einloggen
Noch kein Account? Hier anmelden.
