Hallo zusammen ich bin Elektronik-Greenhorn und tu mich mit einer einfachen Schaltung schwer. Vermutlich ist die Lösung für euch doch ziemlich einfach.. Also, Ausgangslage ist die Modellbahn. Ich habe da hauptsignale (CH) und Zwergsignale. Abhängig vom Hauptsignal kann man vereinfacht auch das Zwergsignal darstellen. Hauptsignal hat: gr(ün), ge(lb), ro(t) Zwergsignal: li(nks), re(chts), ob(en). Ziel: wenn nur rot --> li/re wenn nur grün --> li/ob wenn gelb/grün --> re/ob D.h. li brennt immer, ausser wenn gelb aktiv. ob brennt immer, wenn grün aktiv. Schaltung ist denn auch so aufgebaut, dass li bei grün oder rot aktiv leuchtet, solange ge nicht aktiv ist. wenn ge aktiv ist, ist folglich li immer off und re immer on. Alle Lampen sind mit gemeinsamen Plus, 12V. Birnen haben ungefähr Widerstand von 600 Ohm wenn heiss. Widerstände gemäss Schema. Transistor ist ein BC547 (max 45V), Dioden sind 1N4148 mit max 200mA und max 100V Ich habe das simuliert, funktioniert alles bestens. (https://www.falstad.com/circuit/) File zum Upload ist angehängt als Txt. Auch ein Abbild davon. Die Schalter sind sozusagen meine Ausgänge am Decoder der Modellbahn. Was in der Realität funktioniert: wenn nur grün --> ob wenn gelb/grün --> re/ob nur Li leuchtet nie! Egal, welche Ausgänge ich öffne. Wenn ich den NPN Transistor und die Diode zum Roten Ausgang kurzschliesse, leuchtet sie. Wenn ich Transistor E und C kurzschliesse, passiert nichts. (also sollte nicht der Transistor alleine Schuld sein) Wenn ich die Diode zwischen Transistor Emitter und Ausgang Rot kurzschliesse, leuchtet sie ganz schwach. also sicher mitschuldig, aber nicht alleinige Schuld. Mir ist bewusst, dass die Dioden einen inneren Widerstand haben, resp. besser einen Spannungsabfall von ca. 0.7V. Auch der NPN dürfte einige zehntel Volt Spannungsabfall bewirken (Uce), aber doch nicht so viel, dass es gar nicht mehr leuchtet... Wo liegt der Fehler? Habe ich irgendwo Ströme, die die Schaltung aushebeln und in der Simulation nicht auftreten? In der Simulation haben alle Lampen ca. 15mA Strom, wenn aktiv. Dass entspricht auch der Realtität (z.B. bei Grün/oben). Besten Dank für eure Inputs. Grüsse Guido
Es gibt tatsächlich viele verschiedene Möglichkeiten, einen Schaltplan zu zeichnen. Für sich allein ist das auch völlig legitim. Wenn andere das aber auch verstehen sollen, muss man sich einigen. So wirds schwierig.
Hallo, ich kann im Bild keine Lampen finden und das Gesamtschaltbild sehe ich auch nicht. MfG
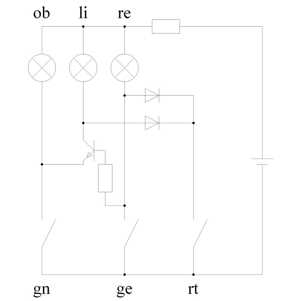
Hallo zusammen sorry, ist mir auch noch in den Sinn gekommen, dass die Bezeichnungen fehlen. Das habe ich noch nachgeholt und sowohl neuer Schaltplan wie auch Bild davon angehängt. (wie kann ich die alten löschen?) @crazyhorse: was meinst du damit? Müsste ich den Schaltplan in einer anderen, offiziellen Version publizieren? @Christian: die Widerstände unten mit 670 Ohm sind die Lampen simuliert. Mit richtigen Lampen hat's irgendwie nicht funktioniert, resp. ich wusste nicht, welche Daten da angeben...
Guido T. schrieb: > sorry, ist mir auch noch in den Sinn gekommen, dass die Bezeichnungen > fehlen. Werte und Typen wären normgerecht, aber das allein ist nur ein Punkt. > Das habe ich noch nachgeholt und sowohl neuer Schaltplan wie auch Bild > davon angehängt. > (wie kann ich die alten löschen?) Ja, wo ist er denn? Schaff das erst mal bevor du dich an einen Moderator wendest um deine Fehler unter den Tisch zu kehren. > @crazyhorse: was meinst du damit? Müsste ich den Schaltplan in einer > anderen, offiziellen Version publizieren? Na, normgerecht, wie üblich. Gibt im Netz genug Beispiele. > @Christian: die Widerstände unten mit 670 Ohm sind die Lampen simuliert. > Mit richtigen Lampen hat's irgendwie nicht funktioniert, resp. ich > wusste nicht, welche Daten da angeben... Lampen haben eine Kaltwiderstand im einstelligen Ohmbereich, aber das hat nur Einfluss auf den Einschaltstrom. Lerne erst mal die Grundschaltungen zu zeichnen und dann kannst du dich hier wieder melden, wenn du aus dem Kindergarten raus bist. ;) Ir können ja hier nicht noch ne Kita aufmachen.
Nicht offiziell, aber lesbar. Farben braucht es i.a. nicht (deine sind nahe am Augenkrebs). Die vielen Punkte sagen nichts aus, aber stören kräftig und verhindern sogar Verbindungen von schnöden Kreuzungen zu unterscheiden. Allgemeiner Konsens (von speziellen Fällen abgesehen): Masse unten, Vcc oben. Logisch macht das keine Unterschied, aber es geht um gemeinsame Sprache. Und da versteht man sich nur wenn man die gleiche Sprache spricht.
Guido T. schrieb: > @crazyhorse: was meinst du damit? Müsste ich den Schaltplan in einer > anderen, offiziellen Version publizieren? Dein Schaltplan ist ein Durcheinander und nich gut zu lesen Bei 12V fallen an den 10k ca. 10V ab, das macht dann ca. 1mA Basisstrom. Dadurch hast du maximal 200mA Strom durch den Kollektor. Je nachdem was der kalte Widerstand der Lampen ist, reicht das nicht damit die anfangen zu glühen. Die 1N4148 sind auch etwas unterdimensioniert, sollte aber noch gehen. Die 40Ohm bzw. 50Ohm könnten auch komische Effekte erzeugen, denn die sind durchaus in derselben Größenoprdnung wie eine kalte Lampe. Was ist denn der gemessene Widerstand einer kalten Lampe hast du ein Multimeter? kannst du damit mal die Spannungen über den Lampen messen, und zwar wenn sie An/Aus sein sollten?
In einem Stromkreis alle Teilspannungen addiert = Gesamtspannung. Nimm ein Voltmeter und messe die Spannungen, dann findest du den Fehler. >Auch ein Abbild davon. Die Schalter sind sozusagen meine Ausgänge am >Decoder der Modellbahn. Vielleicht schaffen diese Schalter den Strom nicht, messe mal die Spannung über diese Schalter, oder schließe sie mal Kurz. Wenn das der Fall ist, must du Schaltverstärker bauen.
Hallo zusammen vorab besten Dank für die zahlreichen und schnellen Feedback. Hier zu den einzelnen Kommentaren @;) (Gast): besten Dank für deine überaus hilfreichen Zeilen und Enthusiasmus. Aber ich denke, es reicht vorerst. Bleib doch der Diskussion fern. Danke. @Joachim: ok, verstehe. Ich werde gleich ein besseres Bild posten. Das andere Bild kam aus der Simulationssoftware und die war für mich sehr hilfreich. 200mA durch den Kollektor müsste aus meiner Sicht ausreichen, da ein Lampe ca. 17m resp. das ganze System nicht mehr als 2*17mA brauchen wird (gemäss Labornetzteil). Die Widerstände habe ich auch schon kurzgeschlossen, keine Veränderung. Transistor habe ich von E zu C auch kurzgeschlossen, keine Veränderung. Einzig Kurzschluss von E(Transistor) zum Schalter Rot führt zu einem leichten glühen, wenn Schalter rot geschlossen ist. Spannungsabfall über diese Diode ist dann auch sonderbar hoch bei 1.4V! Spannungsabfall über Lampe on: ca 11V off: 0V und über die Lampe "Li", die eigentlich brennen sollte, aber nicht tut: 0V. solange eine andere brennt (z.B. "re", wenn schalter Rot geschlossen. Wenn ich diese zweite Lampe "re" entferne, und der Strom nur noch über die Lampe "li" gehen kann, sehe ich einen Spannungsabfall von 0.9V langsam zunehmend. Wenn ich nur den Schalter "Grün" öffne, bei dem die Lampe "li" auch brennen sollte, habe ich über dem Transistor eine Art Wechselspannung, auf jeden Fall zeigt das Voltmeter ständig wechselnde Spannungen an und ein Ablesen ist nicht möglich. Fängt da was an zu oszillieren, wegen falscher Schaltung? @Günter: Zu den Schaltern: das sind eigentlich keine, sondern ich schliesse die Kabel kurz mit der Spannungsquelle. Ich hoffe, diese Angaben helfen weiter.. Besten Dank wiederum Grüsse, Guido
So ist es gut, dass versteht jeder, damit kann man arbeiten. Wie gesagt - muss keiner DIN-Norm entsprechen, aber lesbar. Wenn er auch korrekt ist: sehr gut.
Guido T. schrieb: > Spannungsabfall über > diese Diode ist dann auch sonderbar hoch bei 1.4V! das hat eine 1N4148 bei ca. 500mA, ist halt nicht für so viel gebaut. Entweder zieht deine Lampe wesentlich merh als 17mA, oder du hast nen Kurzen irgendwo. > Spannungsabfall über Lampe on: ca 11V > off: 0V > und über die Lampe "Li", die eigentlich brennen sollte, aber nicht tut: > 0V. solange eine andere brennt (z.B. "re", wenn schalter Rot > geschlossen. > Wenn ich diese zweite Lampe "re" entferne, und der Strom nur noch über > die Lampe "li" gehen kann, sehe ich einen Spannungsabfall von 0.9V > langsam zunehmend. deine Lampe hat einen sehr geringen kalten Widerstand. Dadurch beginnt diese nie zu leuchten. Miss mal mit dem Multimeter den Widerstand der ausgebauten Lampe. Wenn der Widerstand der Lampe klein ist relativ zu den anderen Widerständen in Reihe bekommt sie zu wenig Leistung ab um zu leuchten zu beginnen. > Wenn ich nur den Schalter "Grün" öffne, bei dem die Lampe "li" auch > brennen sollte, habe ich über dem Transistor eine Art Wechselspannung, > auf jeden Fall zeigt das Voltmeter ständig wechselnde Spannungen an und > ein Ablesen ist nicht möglich. Fängt da was an zu oszillieren, wegen > falscher Schaltung? wegen falschem Aufbau vllt., die Schaltung selber kann so nicht oszillieren. Mach mal nen Bild davon. Was soll der R1/50 Ohm da, der stört nur. Wo kommen die 12V her und sind die stabil? wenn die zusammenbrechen könnte das auch die Messungen erklären.
Hi, der neue Schaltplan ist nicht der selbe wie oben. Sind die Taster nun NO oder NC ? Im neuen jedenfalls NC, vermutlich aber falsch. >wenn nur rot --> li/re >wenn nur grün --> li/ob >wenn gelb/grün --> re/ob Was ist denn eigentlich bei nur gelb? Viel Erfolg, Uwe
Guido T. schrieb: > und hier noch der neu gezeichnete Schaltplan :-) He sag mal, kannst Du nicht lesen? + ist oben Und - ist unten Oder umgekehrt!
Hallo zusammen wiederum danke für die Feedbacks. K. S. schrieb: > Miss mal mit dem Multimeter den Widerstand der > ausgebauten Lampe. dieser beträgt 90 Ohm K. S. schrieb: > Was soll der R1/50 Ohm da, der stört nur. Der soll dafür sorgen, dass die Lampen nicht so hell leuchten. Aber ich werde den mal ausbauen. K. S. schrieb: > Mach mal nen Bild davon. wird als nächstes hier eingesetllt. Die Platine ist aber furchtbar klein, da wird man nicht viel sehen können. Auf dem Bild sind links mit schwarzen Litzen die Lampen (alle gemeinsames Plus) und rechts die Eingänge, theoretisch die Schalter. Braun/Weiss ist Plus, die restlichen Drähte sind die Minus Pole zum Decoder, respektive hier im Versuchsaufbau zum Schaltnetzteil. Uwe schrieb: > Sind die Taster nun NO oder NC ? > Im neuen jedenfalls NC, vermutlich aber falsch. Richtig, NO wäre richtig, habe ich aber nicht als Zeichen gefunden und ich dachte spielt normalerweise nicht so ne Rolle. Wenn grün alleine: nur "oben" brennt --> falsch, "li" müsste auch brennen wenn gelb alleine: nur gelb brennt --> OK wenn rot alleine: nur "re" brennt --> falsch, "li" müsste auch brennen wenn grün/gelb aktiv: "ob" und "re" brennen, OK. K. S. schrieb: > Wo kommen die 12V her und sind die stabil? wenn die zusammenbrechen > könnte das auch die Messungen erklären. Das Schaltnetzteil sollte stabil sein, habs neulich gekauft und eigentlich nie Probleme gehabt. Bei den anderen Lampen klappts ja auch und es zeigt stabilen Strom an von eben rund 17mA pro Lampe, die brennt...
ach, von wegen falschem Aufbau: ich habe mir in Excel noch einen groben Aufbauplan zurechtgelegt, der 1:1 die Schaltung abbilden müsste. Ich stelle den hier auch noch rein:
Guido T. schrieb: > K. S. schrieb: >> Miss mal mit dem Multimeter den Widerstand der >> ausgebauten Lampe. > > dieser beträgt 90 Ohm > > K. S. schrieb: >> Was soll der R1/50 Ohm da, der stört nur. > Der soll dafür sorgen, dass die Lampen nicht so hell leuchten. Aber ich > werde den mal ausbauen. dein Problem scheint zu sein dass Li nie leuchtet. An der 1N4148 fällt ca. >1V ab, am Transistor noch mal einige 100mV. Sagen wir mal die Lampe und die 50Ohm haben ca. 10V zur Verfügung. Das macht dann 10V*90/140 = 6.5V für die Lampe (und 3.5V am 50 Ohm Widerstand). Das könnte einfach nicht reichen um die 12V Lampe zum leuchten zu bekommen. Der Anlaufstrom ist dann ca. 70mA. Heiß sollte die Lampe mit 12V und 17mA ca. 700Ohm haben. Da immer eine andere Lampe Gleichzeitig brennt kann man eher mit 80Ohm rechnen (durch die 700Ohm parallel), das macht dann eher 6V an der Lampe und 4 am Widerstand. Ist der Transistor sicher richtig herum drin, Wenn du Emitter und Kollektor vertauscht ist der Current Gain nur noch einstellig? hast du den BC547A (oder ohne A)? der A ist schon sehr knapp dran mit 1mA Base current, änder den 10k mal auf 1-2k. Schalte mal 2 Lampen in Reihe an 12V. Wenn die nicht Leuchten liegt dein Problem darin, dass die Linke Lampe zu Wenig Spannung bekommt
Guido T. schrieb: > falstad_Schaltung_Zwerg_mit_Lampen_ausgeglichen.PNG Bei dem Wort Schaltplan steht das Wort "Plan" im Vordergrund, d.h. man sollte die Bauelemente planvoll anordnen. Grundsätzlich sollten die Spannungen von oben nach unten abnehmen, also oben positive Versorgungsspannung, unten negative. Die Signalverarbeitung sollte wie die Schreibrichtung von links nach rechts erfolgen. Wenn nicht alles kreuz und quer geht, vereinfacht das die Orientierung im Plan und das Verständnis ganz gewaltig.
Der liegende Widerstand soll welcher sein? Deiner Excel Zeichnung nach der 50 Ohm, allerdings sieht das eher nach Braun - Schwarz/Blau - Grün/Schwarz - Gold - Braun aus. Das sind dann entweder 16 Ohm oder 1 Meg, aber irgendwie nicht 50 Ohm Grün-Braun-Schwarz(-Gold-Braun) oder 10k Braun-Schwarz-Orange(-Gold-Braun) aus. Miss den mal bitte nach, und die beiden stehenden Widerstände auch.
Hi,
>Wie wärs damit?
nicht ganz, weil bei rot und grün "oben" anbleibt-
Sollte der Fall rot + grün ausgeschlosen sein, OK
Viel Erfolg, Uwe
Hallo zusammen der liegende Widerstand ist tatsächlich nur 16 Ohm, danke für den Hinweis. Da war wohl was falsch abgepackt? Die anderen sind korrekt. Wenn ich zwei Birnchen in Serie schalte, leuchten sie leicht. D.h. es reicht, um deutlich was zu sehen. Ich habe den BC547A. Einbaurichtung vom Transistor: selbst wenn ich diesen Kurzschliesse zwischen C und E leuchtet NICHTS! D.h. den kann man auschliessen als Verhinderungsfaktor, denke ich. D.h. Lampe und Diode zusammen sind schon zu viel, damit sie leuchtet. Wenn ich die Diode D3 auf meinem Schaltplan überbrücke, d.h. Kurzschliesse, dann leuchtet's ganz schwach. Wenn ich beides zusammen überbrücke, leuchtet "Links". Ich werde nun mal den letzten Schaltplan auf dem Breadboard nachbauen, vielen Dank für den Vorschlag... uuuund: es hat geklappt! Perfekt :-) Ich habe für den Versuch mal andere Dioden verwendet, 1N4001. Jetzt noch nachbauen auf Lochrasterplatine - Top. Ich meld mich wieder, wenn die finale Lösung auch funzt. Genau kapiert jetzt, was an meiner falsch war, habe ich noch nicht... Gibt's eine einfache Erklärung? Grüsse Guido
Übrigens: habe die gleiche Schaltung noch mit den kleineren Dioden 1N4148 eingerichtet, funktioniert analog. @Uwe und alle anderen konstruktiven Teilnehmer: Besten Dank für die Hilfe und Hinweise!
Hallo zusammen die Schaltung funktioniert also perfekt, auch wenn auf kleiner Platine zusammengelötet. Cool, dass es geklappt hat. Nun habe ich festgestellt, dass ich auch Decoder habe, die mit gemeinsamen Minus arbeiten. Deshalb habe ich probiert, die Schaltung umzubauen. Komme aber wieder nicht weiter, weil sich alles neu verhält: die Basen für die Transistoren können nicht einfach auf Ground gesetzt werden, um zu schliessen, da ich ja kein Ground/Minus habe, das auf-/ und zu geht. Wäre es möglich, das mir hier nochmals jemand hilft? Also: alles im Prinzip gleich, nur schalten die Schalter nun + Pol frei statt minus, und die Lampen hängen am anderen Ende auf Minus statt auf gemeinsamen Plus. Dürfte für einen Profi-Elektroniker ein Klacks sein, nun da alle Vorgaben sonst gegeben sind, oder? :-) Grüsse Guido
... oder liegt die einfache Lösung in der Vewendung von PNP Transistoren statt NPN?
Bitte melde dich an um einen Beitrag zu schreiben. Anmeldung ist kostenlos und dauert nur eine Minute.
Bestehender Account
Schon ein Account bei Google/GoogleMail? Keine Anmeldung erforderlich!
Mit Google-Account einloggen
Mit Google-Account einloggen
Noch kein Account? Hier anmelden.






