Gesucht wird eine Vorrichtung bzw. Baustein, mit dem man Spannungsspitzen über 50-54 V Gleichstrom leistungsstark abbauen kann. Hintergrund: Ein schweres elektromotorisches Rollfahrwerk (Jung Hebetechnik JLe15/30) wird mit einem MeanWell Netzteilmodul RSP-2400-48 mit 48V DC spannungsversorgt und angetrieben. Problem: Im Stopmoment erzeugt induktive Rückspannung über 60V das durch Überspannung ungewollte Abschalten des Netzteilmodul. Lösungsziel: Diese stromreichen Spannungsspitzen von Sekundenbruchteilen sollen mittels einer Vorrichtung unterbunden werden und den Spannungsverlauf zwischen 48 und 52 V halten. Weder ein Schutzwiderstand, welcher um 3A ableitet noch eine Diode kann die Spannung im Testbetrieb abbauen. Kann mir jemand einen guten und kostengünstigen Tip geben?
Nun, ja, wenn du das Rollwerk abbremst wirkt der Motor generatorisch. Was du also benoetigst ist ein 2 Quadranten Steller, welcher Strom liefern wie auch aufnehmen kann. Strom aufnehmen bedeutet in dem Fall hochtransformieren bis die Spannung abgebaut wird, ab einer gewissen Spannung wird ein widerstand per Mosfet Stufe zugeschaltet.
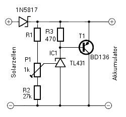
Du brauchst einen Shunt-Regler. Die Spannung kannst du mit einem TL-431 erkennen. An dessen Ausgang hängst du einen ausreichend belastbaren Transistor, der den Strom aufnimmt. Auf http://www.netzmafia.de/skripten/hardware/TL431/index.html wird eine Schaltung gezeigt, die prinzipiell geeignet sein sollte. Lass die Diode am Eingang weg, dimensioniere die Widerstände passend und verwende einen stärkeren Transistor.
>Im Stopmoment erzeugt induktive Rückspannung über 60V das durch >Überspannung ungewollte Abschalten des Netzteilmodul. >Lösungsziel: >Diese stromreichen Spannungsspitzen von Sekundenbruchteilen sollen >mittels einer Vorrichtung unterbunden werden und den Spannungsverlauf >zwischen 48 und 52 V halten. Wie wird der Motor denn abgeschaltet? Durch Abschalten des Netzteils auf Primärseite? Aber dann wäre das automatische Abschalten des Netzteils gar kein Problem, da es ja ohnehin abgeschaltet wird. Bei Abschalten durch einen Schalter auf Sekundärseite dagegen müsste die Überspannung ja vollkommen egal sein, Kann wohl also nur ein Abschalten via Schalteingang sein des Nettzteils sein? Wie hast Du denn diese Spannungsspitzen ermittelt? Mit dem Oszi? Oder nur irgendwie mit einem Multimeter. Wenn es um induktive Spannungsspitzen geht, dann sind genau genau dafür die Freilaufdioden gedacht. In Sperrichtung parallel zur Induktivität (Motor). Die Diode muß natürlich für den Strom geeignet sein, auch wenn Schwächere das auch für den kurzzeitigen Moment aushalten. Aber Schwächere haben dann eine ziemlich hohe Uf, die möglicherweise auch schon fürs Abschalten reichen, wenn die extrem "überstromt" werden. Aber diese Art von Überspannung dürfte wohl nicht auftreten, wenn das Ausschalten auf der Primärseite des Netzteils geschieht (wiel Schaltvorgang für den Motor viel zu langsam). Wenn Du dagegen die Generatorspannung meinst, die beim Austrudeln noch vom Motor erzeugt wird, dann wirds komplizierter. Man könnte theoretisch mit einem kräftigen Mosfet (der den Motorstrom mehrfach aushält) einfach den Motor kurzschließen. Der schließt dann aber auch die Ausgangs-Elkos des Netteils kurz, und dessen Timing müsste dann auch zum Abschalttiming passen. Oder man muß eben über einen kräftigen Mosfet seriell in der Motorleitung den Motor abschalten. Ist aber auch nicht einfach so mal auf die Schnelle gemacht, >Weder ein Schutzwiderstand, welcher um 3A ableitet noch eine Diode kann >die Spannung im Testbetrieb abbauen. Was war denn das für eine Diode, und wie angeschlossen?
Stefan ⛄ F. (stefanus) schrieb: >Lass die Diode am Eingang weg, dimensioniere die Widerstände passend und >verwende einen stärkeren Transistor. Genau - der T muß ja nur ein paar kW aushalten ...
Vermutlich hat er da eine Motorsteuerung missbraucht, die für Betrieb an Akkus vorgesehen war. Da macht es ja Sinn, die Bremsenergie zurück in den Akku zu leiten - außerdem ist es einfacher, als in gut gekühlten Dioden zu verheizen.
Burkhard H. schrieb: > Kann mir jemand einen guten und kostengünstigen Tip geben? Der übliche Weg ist ein Bremschopper. Ein Lastwiderstand, geeignet die Bremenergie zu vernichten, wird von einem MOSFET zugeschaltet wenn die Spanung über 52V steigt und abgeschaltet wenn sie unter 50V sinkt. Man braucht also nur einen Komparator mit Hysterese der den MOSFET treibt.
Stefan ⛄ F. schrieb: > Du brauchst einen Shunt-Regler. > > Die Spannung kannst du mit einem TL-431 erkennen. Zusätzlich zu dem von Jens genannten Problem mit der Leistung kommt noch, daß der TL431 max. 36V aushält. Beim TO geht es aber um mehr.
Joggel E. schrieb: > Nun, ja, wenn du das Rollwerk abbremst wirkt der Motor generatorisch. Wenn ich das richtig verstanden habe, haben Joggel und die Folgenden das falsch verstanden: Burkhard H. schrieb: > Im Stopmoment erzeugt induktive Rückspannung über 60V... > Diese stromreichen Spannungsspitzen von Sekundenbruchteilen Beim Bremsen oder Rollen wird keine höhere Spannung erzeugt als beim Fahren! Das Netzteil würde nicht abschalten! Es muss induktiv gemeint sein. Also im Prinzip eine Zenerdiode, die nicht mehr Energie aufnehmen können muss, als in der Motorinduktivität gespeichert ist. Energie - nicht Leistung(!). Für 60 A ist das Netzteil spezifiziert. Das ist nix für eine kleine ZD, aber eine größere Transzorb könnte das schaffen und auch einen genügend scharfen Kennlinienknick haben. Andernfalls dürfte zumindest ein dicker MOS-FET mit ZD in der Lage sein, diesen Energie-Impuls zu schlucken. Du schreibst "Sekundenbruchteile", aber es werden wohl eher sehr kleine Sekundenbruchteile sein. Das wäre zu klären, abschätzen kann ich es schlecht.
Gerd E. schrieb: > Stefan ⛄ F. schrieb: >> Du brauchst einen Shunt-Regler. >> Die Spannung kannst du mit einem TL-431 erkennen. > > Zusätzlich zu dem von Jens genannten Problem mit der Leistung kommt > noch, daß der TL431 max. 36V aushält. Beim TO geht es aber um mehr. Dafür ist es Spannungsteiler und Spannungsregler.
Der Zahn der Zeit schrieb: > Beim Bremsen oder Rollen wird keine höhere Spannung erzeugt als beim > Fahren! Das Netzteil würde nicht abschalten! Es muss induktiv gemeint > sein. > Also im Prinzip eine Zenerdiode, die nicht mehr Energie aufnehmen können > muss, als in der Motorinduktivität gespeichert ist. Energie - nicht > Leistung(!). Für 60 A ist das Netzteil spezifiziert. Das ist nix für > eine kleine ZD, aber eine größere Transzorb könnte das schaffen und auch > einen genügend scharfen Kennlinienknick haben. Andernfalls dürfte > zumindest ein dicker MOS-FET mit ZD in der Lage sein, diesen > Energie-Impuls zu schlucken. Du schreibst "Sekundenbruchteile", aber es > werden wohl eher sehr kleine Sekundenbruchteile sein. Das wäre zu > klären, abschätzen kann ich es schlecht. Selbst wenn es Induktiv ist könnte es sein das er keine Freilauf Diode nutzen kann wenn der Motor auch rückwärts drehen muss. Die Spannung könnte dennoch höher ansteigen wenn die Leistung nicht abgeführt werden kann da das Netzteil die Leistung ja nicht aufnehmen wird.
Der Zahn der Zeit (Gast) schrieb: >Beim Bremsen oder Rollen wird keine höhere Spannung erzeugt als beim >Fahren! Das Netzteil würde nicht abschalten! Es muss induktiv gemeint >sein. Ja, so ein bißchen wundert es mich auch ein bißchen, wo da überhaupt eine höhere Spannung herkommen soll. Wenn es eine Generatorspannung sein soll, dann sollte die generell niedriger sein als die bisherige Speisespannung. Und induktive Abschaltspannungen sollten eigentlich entgegengesetzt Richtung negativer Spannungen gehen, und sollten sicherlich auch von den Ausgangs-Elkos es Netzteils geschluckt werden können (zumal durch die Elkos der Abschaltvorgang des Motors eher weich ist). Vielleicht ist das aber auch einfach nur ein Überschwingen des Netzteils, wenn es per Schaltsignal abschalten soll ...
Peter (Gast) schrieb: >> Zusätzlich zu dem von Jens genannten Problem mit der Leistung kommt >> noch, daß der TL431 max. 36V aushält. Beim TO geht es aber um mehr. >Dafür ist es Spannungsteiler und Spannungsregler. Hää? Der TL431 hängt über die BE-Stecke des Transistors fast vollständig an der Ausgangsspannung. >Selbst wenn es Induktiv ist könnte es sein das er keine Freilauf Diode >nutzen kann wenn der Motor auch rückwärts drehen muss. Da nicht das Netzteil die Polarität wechselt, sondern wohl irgendwie über eine Umpolvorrichtung vor dem Motor, kann man die Freilaufdiode ja irgendwo zw. Netzteil um Umpolvorrichtung platzieren. Wo ist da das Problem? >Die Spannung könnte dennoch höher ansteigen wenn die Leistung nicht >abgeführt werden kann da das Netzteil die Leistung ja nicht aufnehmen >wird. Nöö. Die EM-Spannung ist proportional zur Motordrehzahl, und die ist ja wohl nicht höher als vorher. Egal, welche Leistung der Motor hat ....
Jens G. schrieb: >>> Zusätzlich zu dem von Jens genannten Problem mit der Leistung kommt >>> noch, daß der TL431 max. 36V aushält. Beim TO geht es aber um mehr. > >> Dafür ist es Spannungsteiler und Spannungsregler. > > Hää? > Der TL431 hängt über die BE-Stecke des Transistors fast vollständig an > der Ausgangsspannung. Dann nimmst du einen N Kanal Fet mit Source an Masse Drain über den Widerstand an Versorgung und lässt das Gate vom Komparator schalten. Die Freilaufdioden gehören wenn direkt an die Quelle in dem Fall an den Motor. Er könnte höchstens Bidirektionale TVS Dioden nehmen. Aber wie gesagt das Problem wird ein anderes sein. Die Spannung könnte durch den Regler im Bremsvorgang höher als die Versorgungsspannung steigen wenn der Regler intelligent genug ist. Wenn der Motor mit kleiner Spannung / Geschwindigkeit läuft würde sonst nie eine Ruckgewinning statt finden. Daher wird die Motorspannung hoch gesetzt und dann der Akku geladen.
Jens G. schrieb: > Ja, so ein bißchen wundert es mich auch ein bißchen, wo da überhaupt > eine höhere Spannung herkommen soll. > Wenn es eine Generatorspannung sein soll, dann sollte die generell > niedriger sein als die bisherige Speisespannung. Eben! Es sei denn, das Rollfahrwerk steht auf einer schiefen Ebene, rollt abwärts und beschleunigt... Davon ist ja nun gar nicht die Rede. Jens G. schrieb: > Und induktive Abschaltspannungen sollten eigentlich entgegengesetzt > Richtung negativer Spannungen gehen, und sollten sicherlich auch von den > Ausgangs-Elkos es Netzteils geschluckt werden können (zumal durch die > Elkos der Abschaltvorgang des Motors eher weich ist). Auch das noch. Das hatte ich übersehen, du hast ja recht. Vielleicht ist ja gemeint, dass gebremst wird, also der Motor belastet, und dann die Bremse - also nicht Betriebsspannung - abgeschaltet wird. Das gäbe positive Spannungsspitzen. Aber ist denn in diesem Moment das Netzteil mit dem Motor überhaupt verbunden? Da stimmt doch was vorne und hinten nicht. Burkhard, kläre uns auf!
Danke an Alle, die sich mit hineindenken! Das Fahrwerk JLAe15/30 kann man sich auf der Seite von Jung Hebetechnik als Video ansehen. Es hat ursprünglich einen Li-Ion Akku und wird funkgesteuert gefahren. Wenn das BMS dieser Serie die Batterie störungsbedingt einmal abgeschaltet hat, fällt das Gerät komplett aus und ist auch durch elektr. Aufladung nicht zu aktivieren. Wenn man in Transport und Montage mit 15 Tonnen drauf unterwegs ist, entsteht eine unerträgliche Situation. Nach reichlich Reparaturen an der Batterie habe ich deswegen eine externe Stromeinspeisung mit dem MeanWell Gerät gebaut. Und jetzt stellt sich genau diese geschilderte Aufgabe. Die Überspannung beim Sofortstop konnte ich mittels Lampe (220V 500W) sowie Multimeter sichtbar machen, diese entsteht real. Ob die Abschaltung induktiv durch Kurznachlauf der beiden Servormotoren mit Planetenradgetriebe oder Nachregelvorgang des Netzmoduls entsteht, kann ich nicht mit Bestimmtheit sagen. Sie entsteht aber nur bei Sofortstop und nicht bei normalem Anhalten. Das Gerät hat eine Höchstgeschwindigkeit von ca. 10 cm pro sekunde, kann aber auch maßgenau langsam gefahren werden. Jedenfals nochmal danke für alle Beteiligung, ich will die Beiträge sorgfältig lesen! Ggf melde ich mich zu Detailfragen.
>Die Überspannung beim Sofortstop konnte ich mittels Lampe (220V 500W) >sowie Multimeter sichtbar machen, diese entsteht real. Ob die Und damit kannst Du Spitzen von Sekundenbruchteilen feststellen? >Abschaltung induktiv durch Kurznachlauf der beiden Servormotoren mit >Planetenradgetriebe oder Nachregelvorgang des Netzmoduls entsteht, kann >ich nicht mit Bestimmtheit sagen. Sie entsteht aber nur bei Sofortstop Ach - Servomotoren. Soll das heisen, da ist noch reichlich Elektronik mit verbaut, die die Servomotoren ansteuert? Dann würde ich sagen, vergiß es, denn diese Steuerung wird möglicherweise wirklich die Restenergie in den Motoren in die LiPos rückspeisen wollen, und deswegen die Spannungsüberhöhung. >und nicht bei normalem Anhalten. Das Gerät hat eine Und was ist der Unterschied zw. Sofortstop und normal? Vermutlich wird bei Sofortstop eben jene Rückspeisung in die Akkus gemacht, nur daß Du eben jetzt keinen Akku hast, sondern nur paar kleine Elkos im Netzteil, die damit wohl heillos überfordert sind.
@Burkhard Da war die Umstellung auf Lithium (Hintergedanke geplante Obsolenz nach 12J oder der Konkurrent hilft ueber den Zulieferer nach) von Bleiakkus ein Schuss in den Ofen von Seiten des Herstellers. Was stehen fuer Angaben auf dem Typenschild des Motors, wenn das sichtbar sein sollte? Daraus liesse sich in etwa der auftretende Bremsstrom ungefaehr ableiten. 15t 0.1m/s waeren kinetische Energie von 75kJ bzw. 75kWs, 11Wh. Vieviele Sekunden braucht der Bremsvorgang?
Das Gerät hat unter 1 Sekunde Anhalteweg und -dauer, da es nur sehr langsam fährt. Wenn mit der Funkbedienung der Joystick zurückgeführt wird, erfolgt keine Abschaltung des Netzmoduls. Wenn aber der Joystick zurückschnellt, dann erfolgt oft die störende Überspannungsabschaltung. Auf Wunsch könnte ich ein Demo-Video hochladen, weiß aber nicht ob es hier möglich bzw erwünscht ist.
6.5m/min sind ca. 10cm/min. Nein, solche Videos bitte nicht hochladen. Den Youtube Link angeben waere ok. Bremsen in 1s ist hart. Da duerfte schon ein Heizwiderstand in dem Teil sein, der das abbekommt. DVUG Zulassung ist so natuerlich weg. Bau als erste Massnahme eine Leistungsschottkydiode zwischen Netzteilausgang und Geraet. Eine kleine Mindestlast haenge noch an das Netzteil vor der Diode. Dann soellte das Netzteil nicht mehr abschalten.
Burkhard H. schrieb: > die Spannung im Testbetrieb abbauen. > Kann mir jemand einen guten und kostengünstigen Tip geben? Was hälst Du von einem Lastabwurfrelais mit einem Bremsshopper?
Der Zahn der Zeit schrieb: > dicker MOS-FET mit ZD in der Lage sein, ginge auch ein MES-FET oder muss es ein MOS-FET sein?
Und da einfach einen passenden Lipo/Bleiakku u.ä. einzubauen? Hauptsache Ri ist klein genug und der Akku induktionsarm nah am Motor. Zwischen Netzteil und Akku noch eine Drossel und wenn das nicht reicht für den Rest die oben angedeuteten Halbleiterlösungen? LG Scyte
Bitte melde dich an um einen Beitrag zu schreiben. Anmeldung ist kostenlos und dauert nur eine Minute.
Bestehender Account
Schon ein Account bei Google/GoogleMail? Keine Anmeldung erforderlich!
Mit Google-Account einloggen
Mit Google-Account einloggen
Noch kein Account? Hier anmelden.
