Servus, Wir möchten gerne die beiden Gleichrichterdioden am Ausgang eines Trafos mit Mittelanzapfung (SMPS Ladegerät) durch MOSFETs ersetzen um aktiv gleichzurichten. Der zweifel liegt in der Spannung. Maximale Ausgangsspannung an der Sekundärseite pro Wicklung ist ca. 180 V das heißt die Blockierspannung ist 360 V. Frage ist nun ob das praktikabel und was zu beachten gilt. Die body-Diode des MOSFET ist auch ziemlich träge, braucht es da einen Snubber? Könnte es Probleme mit dv/dt geben? Danke!
Oli. schrieb: > Wir möchten gerne die beiden Gleichrichterdioden am Ausgang eines Trafos > mit Mittelanzapfung durch MOSFETs ersetzen um aktiv gleichzurichten. > Der zweifel liegt in der Spannung. Maximale Ausgangsspannung an der > Sekundärseite pro Wicklung ist ca. 180 V das heißt die Blockierspannung > ist 360 V. ...und was für einen Sinn macht ein aktiver Gleichrichter bei einer derart hohen Spannung? Soll sich dadurch der Wirkungsgrad um einige Promille verbessern?
Der Strom beträgt ca. 10A dementsprechen könnte mit dem niedrigen Rds,on an Verlustleistung eingespart werden, statt eine doppel-Diode mit 1.5V zu verwenden. So zumindest der Gedankengang. Wieso macht aktive Gleichrichtung bei hohen Spannungen weniger Sinn? Außerdem wäre es möglich nur eine Sekundärwicklung zu nutzen und 4 MOSFET, aber Preißlich wirds eher teuerer... Danke,
hinz schrieb: > Du hast nichts zur Frequenz geschrieben. Weshalb spielt die Frequenz eine Rolle? Gruß,
Oli.. schrieb: > Wieso macht aktive Gleichrichtung bei hohen Spannungen weniger Sinn Weil spanungsfestere FETs schlechtere Rdson-Werte haben, und auch die Dioden-Vf im Vergleich zur Gesamtspannung weniger ausmacht. Milchmädchen: Wenn du unter 1V pro FET bleiben willst (Also etwa gleichgut wie 08/15 Diode) darf bei 10A der Rdson 0.1 Ohm sein. Hört sich nach "easy" an, aber wenn du dich mit den Anforderungen mal durch die paramtrischen Suchen klickst, merkst du dass die Luft da schon dünn wird. Und du willst ja nicht "gleichgut", sondern "deutlich besser", damit sich der Mehraufwand (Ansteuerung, Kühlung nicht vergessen, ...) auch rentiert.
Alex schrieb: > hinz schrieb: >> Du hast nichts zur Frequenz geschrieben. > > Weshalb spielt die Frequenz eine Rolle? Wegen der Sperrverzögerungszeit der Bodydioden.
Oli.. schrieb: > Frequenz ist 50kHz primär also 100kHz am Trafoausgang. Das ist ja ein toller Trafo! MOSFETs in der Klasse haben t_rr von etwa 250ns, da wird das mit dem einsparen von Verlustleistung nichts.
Εrnst B. (ernst) schrieb: >Und du willst ja nicht "gleichgut", sondern "deutlich besser", damit >sich der Mehraufwand (Ansteuerung, Kühlung nicht vergessen, ...) auch >rentiert. Naja, es gibt ja inzwischen tolle SiC und GaN-Transistoren, die tolle Verlustleistungswerte ermöglichen ;-). Man müsste allerdings deren spezifischen Eigenarten evaluieren, wie diese sich vor allem im Inversbetrieb so verhalten. Zumindest GaN sind schonmal in jeder Situation generell anders als normale Si-Mosfets.
Bei der hohen Spannung am Ausgang würde ich das Experiment lassen. Die Verbesserungen beim Wirkungsgrad sind bei 180V/10A bei weitem nicht so hoch wie bei 18V/100A. Nimm einfache ultra fast rectifiers und vergiss die Synchrongleichrichtung, das erspart eine Menge Probleme.
Oli.. schrieb: > Wieso macht aktive Gleichrichtung bei hohen Spannungen weniger Sinn? Mal eine vereinfachte Rechnung hierzu. Eine Diode hat bei 10A eine Verlustleistung von 1V x 10A = 10W Bei 180V: 180Vx10A = 1800W - 10W Diode = 1700W; Wirkungsgrad 99,5% Bei 18V: 18Vx10A = 180W - 10W Diode = 170W; Wirkungsgrad 94% Bei 6V: 6Vx10A = 60W - 10W Diode = 50W; Wirkungsgrad 83% Erst im letzen Fall (evtl. auch im vorletzten) macht es hinreichend Sinn, über eine aktive Gleichrichtung nachzudenken. Also wenn niedrige Spannung und hoher Strom vorliegen. Die Ansteuerung ist nicht trivial. Es gibt aber passende ICs hierfür: http://www.linear.com/docs/43273
Zumal es doch in der 600V-Klasse mit 10A sicherlich noch genug schnelle Schottky-Dioden geben sollte..
Ohne Probleme, wie Sand am Meer. Das von Bernd verlinkte IC eignet sich an der Stelle übrigens nicht, das ist für Netzgleichrichtung und kann nur ein paar hundert Hz.
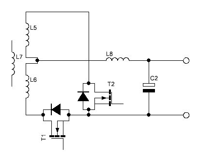
Oli. schrieb: > Wir möchten gerne die beiden Gleichrichterdioden am Ausgang eines Trafos > mit Mittelanzapfung (SMPS Ladegerät) durch MOSFETs ersetzen um aktiv > gleichzurichten...Frage ist nun ob das praktikabel und was zu beachten gilt. Das ist praktikabel, und die Ansteuerung der Mosfets ist sowas von simpel, wenn man will. Ich zeige Euch mal eine Netzteilschaltung, die ich mir ausgedacht habe. Die Frequenz beträgt ca. 100-120 KHz, je nach Temperatur des Tr2. Die kleine Drossel 2,5µH am Ausgang dämpft/verhindert einen Rückstrom beim Umschalten. Der Nachteil dieser simplen Ansteuerung ist eine höhere Leerlaufleistung. Sobald jedoch etwas Strom fließt, ist die 2,5µH Drossel magnetisiert, ein Rückstrom wird verhindert, und der Wirkungsgrad der Schaltung beträgt 95%. Dadurch geht das Netzteil bei 120 Watt Ausgangsleistung in ein kleines geschlossenes Gehäuse Die "Snubberschaltung" parallel zu den Synchrongleichrichtern ist für die primärseitige Schaltung von Vorteil. Bei den Mosfets hatte ich einige Typen getestet, die im Schaltplan angegebenen waren die einzigen, die sich wirklich eigneten. Bei der hohen Spannung, die Du verwendest, kommen SiC-Mosfets in Frage. Die von Dir angedachten Typen werden es nicht bringen. (Sollte jemand meine Schaltung nachbauen wollen, kann ich noch Dinge erklären, die aus dem Schaltplan nicht hervorgehen).
Sven S. schrieb: > Der Wirkungsgrad der Schaltung beträgt 95%. ...und mit Schottky-Dioden wären es "nur" 94,8% gewesen? Ich vermute mal nach nur 200 Jahren hat man den Mehrpreis des Synchrongleichrichters "bequem" durch die Stromerspar- nis wieder reingeholt.
Solche Schaltungen kenne ich und war am überlegen ob ich das empfehlen soll, habe mich dann dagegen entschieden. Bei ungeregelten Netzteilen mag das funktionieren, bei geregelten würde ich mir Sorgen mit Schwingungen machen, die in der Zeit entstehen wenn keiner der beiden Primärtransistoren eingeschaltet ist.
Harald W. schrieb: > ...und mit Schottky-Dioden wären es "nur" 94,8% gewesen? > Ich vermute mal nach nur 200 Jahren hat man den Mehrpreis > des Synchrongleichrichters "bequem" durch die Stromerspar- > nis wieder reingeholt. Ich hatte die Schaltung auch mit MBR20100 betrieben. Die Schottkydiode produzierte mehr Wärme als der Rest zusammen. Und Wärmemanagement kostet auch Geld. Da sind Synchrongleichrichter billiger! Ben B. schrieb: > Bei ungeregelten Netzteilen > mag das funktionieren, bei geregelten würde ich mir Sorgen mit > Schwingungen machen... Der TO will ein SMPS Ladegerät bauen, mehr Angaben hat er nicht gemacht. Ob er mit meiner Antwort etwas anfangen kann, sei dahingestellt. Aber ich bilde mir ein, nicht nur blödes Zeug geschrieben zu haben, wie manch Anderer hier.
Oli. schrieb: > ... Gleichrichterdioden am Ausgang ... durch MOSFETs ersetzen ... Wenn es um die Verlustleistung geht wird das mit dem ersetzen nicht so gut gehen. Du wirst weiterhin die Schottky-Dioden benötigen. Es soll aber vorteilhaft sein für die Verlustleistung die MOSFETs parallel zu diesen Dioden zu schalten. Somit würde eine recht aufwendige Steuerung vermieden (spannungs- und stromverlaufsabhängie vorauseilende Steuerung). Ein konstanter Betriebspunkt mit nur geringen Abweichungen wird vermutlich nicht beabsichtigt sein. Der Mehraufwand ergibt sich nur auf Grund der höheren Spannung. Die Spannung bei Sven befindet sich in einem Bereich, da geht das mit einer solchen einfachen Steuerung überraschend gut. Da war noch ein technischer Zusammenhang (stand in einem der vielen Fachhefte, man kann nicht alles aufheben...), der dazu führte, dass ein Problem etwas mehr zunehmen würde als um den Faktor 180V/24V wenn die beiden Vorhaben verglichen werden.
Bitte melde dich an um einen Beitrag zu schreiben. Anmeldung ist kostenlos und dauert nur eine Minute.
Bestehender Account
Schon ein Account bei Google/GoogleMail? Keine Anmeldung erforderlich!
Mit Google-Account einloggen
Mit Google-Account einloggen
Noch kein Account? Hier anmelden.

