Guten Tag, bin hier neu im Forum und hoffe , dass ich meine Frage an richtiger Stelle einsetze. Ich habe bei einem Bekannten einen Canton-LED-Tower gesehen (selbstgelöteter China-Bausatz von banggood). Die verwendeten 2-Pin-Rainbow-LEDs sind als Matrix verschaltet. Das Demo-Programm zeigt, dass diese Rainbow-LEDs mit konstanter Farbe leuchten können und in einer definierten Farbe eingeschaltet werden können. Ich finde leider keine Erklärung, wie ich diesen Effekt mit einer Rainbow-LED und einem Arduino erzeugen kann. Ich habe beim Suchen einige Lösungsmöglichkeiten mit 4-Draht-LEDs bzw. mit seriell ansteuerbaren LEDs gefunden, aber keinen Lösungsansatz für 2-Draht-Rainbow-LEDs. Mir ist klar, dass die LEDs in der Matrix kein Dauersignal zur Ansteuerung bekommen. Wenn ich eine Rainbow-LED ansteuere, startet der automatische Farbwechsel immer mit der gleichen Farbe, wie kann ich es erreichen, dass ich beim Einschalten sofort eine gewünschte Farbe aktiviere. Für ein wenig Hilfestellung zu meiner Bastelei wäre ich sehr dankbar. Viellecht hat sich ja schonmal jemand mit dieser Art Ansteuerung beschäftigt und kann ein paar Tips geben. Vielleicht gibt es schon Themen zu meiner Frage, ich habe diese aber mit meinen Suchbegriffen nicht finden können. Vielen Dank und Gruß von LuGube
LuGu B. schrieb: > Ich finde leider keine Erklärung, wie ich diesen Effekt mit einer > Rainbow-LED und einem Arduino erzeugen kann. Dazu wirst du erstmal einen Blick in das Datenblatt der Rainbow-LEDs werfen müssen.
Das SIND keine RBLeds. 2 draht bus & ws2812 quasi. Besorg das DaBla. Klaus.
Eine "Rainbow"-LED mit zwei Anschlüssen hat keine Steuermöglichkeit, denn sie wechselt die Farben selbstständig. Dazu ist ein Chip mit im Gehäuse, der das Ganze irgendwie durch Zählen eines RC-Oszi und per PWM steuert. Wenn man Glück hat und alle LEDs aus der gleichen Charge stammen, beginnen sie nach der Stromzuschaltung wahrscheinlich mit der gleichen Farbe. Bereits ein Gleichlauf wird aufgrund der einfachen Schaltungstechnik nach kurzer Zeit (Minuten) nicht mehr vorhanden sein. Dann hilft nur ein (ultra-) kuzes Unterbrechen der Versorgungsspannung.
Guten Tag, vielen Dank für euer Interesse. Datenblatt wäre gut, ich kenne aber die genaue Type der RGB-LEDs nicht. Auf Datenblättern beliebiger RGB-LEDs finde ich keine passenden Informationen, oder mein KnowHow ist nicht gut genug, passende Daten/Infos zu erkennen. Grundsätzlich sind Rainbow-LEDs sicher lich nicht für eine solche Nutzung konzipiert, also wird wohl auch kein entsprechender Abschnitt im Datenblatt vorhanden sein. Ich habe von meinem Bekannten einen ähnlichen Bausatz geschenkt bekommen, vom Schaltplan her gleich Art und Weise der Ansteuerung als Matrix, nur physikalisch anders aufgebaut: (Geekcreit® DIY Colorful LED Manual Version Ferris Wheel Flash Kit Music Spectrum Electronic Kit) Ist von banggood, den Link dazu darf ich vermutlich nich posten, ist ja für ebay auch nicht zulässig. Habe dieses Kit heute mal zusammengebaut und getestet, zum Einsatz kommen 2-Draht-LEDs in SMD und 5mm Größe, die sich an einem LED-Tester (Konstantstromquelle) wie normale Rainbow-LEDs verhalten, im Betrieb aber offensichtlich farblich gesteuert werden und reproduzierbare Farbeffekte erzeugen. Laut Schaltplan sind die LEDs als einfache Martix verschaltet. Ich habe mal universelle Rainbow-LEDs aus meiner Bastelkiste eingesetzt, die reagieren genauso. Allerdings scheinen die LEDs sehr fein verlesen zu sein - wenn sie in meinem 8-fach LED-Tester zeitlich nahezu gleichen Farbverlauf haben, dann verhalten sie sich auch in der Steuerung gleichfarbig. @Frank E.: Ja, genau das kann ich beobachten. Ich habe einen 8-fach-LED-Tester, an dem ich verschiedene konstante Ströme ab 1mA vorwählen kann. 1-2 Farbdurchläufe passieren fast synchron, dann wird es zum wilden geflacker. Mein 30€ Selbstbau-Oszi von amazon reicht nicht aus, um die Signale an den LEDs brauchbar darzustellen. Ich kann mir nur noch vorstellen, dass die LEDs sich entsprechend verhalten, wenn sie mit einer bestimmten Spannungshöhe eingeschaltet werden, jede LED-Farbe hat ja eine eigene höhe der Durchlassspannung. Oder es sind spezielle LEDs, die sich zufällig unter Dauerstrom wie eine Rainbow-LED verhalten? Vielen Dank und Gruß von LuGuBe
LuGu B. schrieb: > Ist von banggood, den Link dazu darf ich vermutlich nich posten, ist ja > für ebay auch nicht zulässig. seit wann darf man das denn nicht? Wenn du Hilfe zu dem Teil willst sollte das ok sein, du darfst halt keine Links im Markt posten wenn du das selber verkaufen willst. > Laut Schaltplan magst du den mit uns teilen? guck mal hier, hab nicht das ganze Video gesehen, scheint aber ähnlich zu dem zu sein was du da hast: https://www.youtube.com/watch?v=gxdgRHmOuIo
"Auf Datenblättern beliebiger RGB-LEDs finde ich keine passenden Informationen" -> Und gute Nacht...ich dachte erst noch, es gäbe wenigstens ein GEWISSES Grundwissen. Klaus.
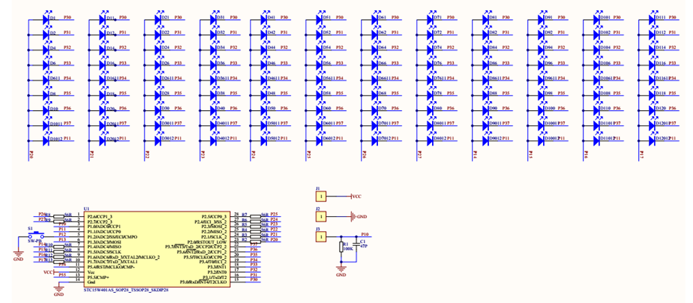
Guten Tag, @K.S.: Vielen Dank für Deine Tips. in einem anderen Forum habe ich es erlebt, dass ein Link auf einen Artikel in einem Shop als Schleichwerbung betitelt wurde. Da war hier wohl etwas zu vorsichtig. Hier der Link: https://www.banggood.com/Geekcreit-DIY-Colorful-LED-Manual-Version-Ferris-Wheel-Flash-Kit-Music-Spectrum-Electronic-Kit-p-1550378.html?rmmds=search&cur_warehouse=CN Den Schaltplan habe ich als .png angehängt. Die Auflösung ist nicht wirklich gut, aber das "assembly manual" aus China gibt nicht mehr her. (Das "assembly manual" wird auch im vorgenannten Link zum Download angeboten.) Als fertig programmierter Controller ist ein "STC15W401AS" eingesetzt. Das YouTube-Video hilft mit sehr viel weiter. Das im Video gezeigte Verhalten beim getakteten Einschalten bekomme ich mit meinen Rainbow-LEDs und einem alten arduino uno nicht nachgestellt. Aber ich werde es mal mit einem PIC versuchen, oder einem anderen schnelleren Controller. (Ich gebe zu, auf YouTube habe ich noch nie nach Technik-Lösungen gesucht.) Vielen Dank und Gruß von LuGuBe @Klaus R.: Danke für Deine weniger hilfreiche Antwort. Stimmt, mein Grundwissen in aktueller Elektronik ist noch nicht besonders hoch und offensichtlich in Deinen Augen äusserst unzureichend. Ich beschäftige mich erst seit ein paar Wochen wieder mit Elektronik, mein letztes Elektronikprojekt liegt ca. 44 Jahre zurück und war eine analoge 3-Kanal-Lichtorgel. Auch beziehst Du Dich auf eine falsche Formulierung von mir "... Auf Datenblättern beliebiger RGB-LEDs ..." - das hätte Rainbow-LEDs lauten sollen. Entschuldigung!!! SCHONE Deine Nerven und beachte dieses Thema bitte nicht weiter. Gute Nacht ;-)
LuGu B. schrieb: > Das im Video gezeigte > Verhalten beim getakteten Einschalten bekomme ich mit meinen > Rainbow-LEDs und einem alten arduino uno nicht nachgestellt. das liegt an der Arduino Umgebung. Mit DigitalWrite oder wie das heißt wird das u.U. nichts, wenn du direkt in die Register schreibst reicht das locker aus. 5µs sind bei 8MHz 40 Takte, 100µs sind 800 Takte, das sollte locker machbar sein. Es ist aber absolut nicht gesagt, dass das dieselben Leds sind. Wenn du ein Oszi oder Logic Analyser hast würde ich mal an einer eingebauten LED und/oder den Pins vom Controller messen. Allerdings glaube ich kaum, dass du diese LEDs einzeln zu kaufen bekommst. unter "pulse controlled led" o.Ä. gibts 2-3 youtube videos, mehr finde ich dazu nirgends
Nun, ich habe dir immerhin die grdstzl. zielführenden Suchbegriffe genannt. Zuckerbrot und Peitsche. Willkommen zurück im neuen Jahrtausend ;) Klaus.
LuGu B. schrieb: > Das YouTube-Video hilft mit sehr viel weiter. Das im Video gezeigte > Verhalten beim getakteten Einschalten bekomme ich mit meinen > Rainbow-LEDs und einem alten arduino uno nicht nachgestellt. Das Problem ist sicher nicht die Arduino-Hardware. Das Problem ist die unsäglich grottige Arduino-Software. > Aber ich > werde es mal mit einem PIC versuchen Unnützer Wechsel. 5µs ist mit einem UNO überhaupt kein Problem. Die Hardware ist in der Lage, Pulse mit einer Länge von 62,5ns (1/16E6) zu erzeugen.
Klaus R. schrieb: > Das SIND keine RBLeds. 2 draht bus & ws2812 quasi. Besorg das DaBla. > > Klaus. Hallo Klaus R., leider steht auf den Rainbow-LEDs keine Typenbezeichnung und auch der chinesische Verkäufer/Hersteller des Bausatzes macht keine Angaben. Ich habe entsprechend Deiner Angabe "... 2 draht bus & ws2812 ..." bei mehreren Elektronikhändlern nach farbigen LEDs mit der von Dir erklärten Spezifikation nachgefragt, 2 Händler haben mir bisher geantwortet, beide kennen keine 2-Draht-LEDs, die das können. ... Das SIND keine RBLeds. ... Dir scheinen solche LEDs bekannt zu sein, es wäre nett und hilfreich, wenn Du bitte eine entsprechnde 2-Draht-LED mit Typenbezeichnung nennst, dann kann ich mir ein passendes Datenblatt besorgen. Vielleicht kannst Du mir bitte ein wenig helfen, die Technik zu verstehen. Die WS2812 LEDs haben 4-6 Anschlüsse (1-2 VCC, 1-2 GND, Data in, Data out). Die Daten zur Lichtabgabe der jeweiligen LED werden wie bei einem Schieberegister bis zu letzten LED durchgetaktet. Dieses Funktionsprinzip habe ich verstanden und auch schon erfolgreich per arduino und einem Stripe mit 60 LEDs getestet. Wie aber soll das funktionieren, wenn die LEDs als Matrix verschaltet sind. Die Leucht-Daten müssten auf VCC aufmoduliert werden und in jeder LED beim Ausschalten bleibend gespeichert werden? Es wäre nett, wenn Du (als Wissender) mir (als Unwissenden) dieses "verständlich" erklären würdest, oder eine Quelle nennst, die dieses vertändlich erklärt. Vielen Dank und Gruß von LuGuBe
LuGu B. schrieb: > beide > kennen keine 2-Draht-LEDs, die das können. > > ... Das SIND keine RBLeds. ... Dir scheinen solche LEDs bekannt zu sein Ich habe nie gesagt, dass ich welche kenne. Ich weiß nur, dass es auf keinen Fall RB LEDs sind (so wie Lieschen Müller RB LEDs kennt). Ich vermute, es ist ein 2-draht bus mit Logik in der RGB led (daher "ähnlich" 2812). Aber wie das mit der Adresse läuft? Keine Ahnung. Vll wurde ich aber auch auf eine falsche Fährte gelockt, da ich mich momentan nur auf deine Infos verlasse. Klaus.
So. Ich behaupte, die LEDs haben alle unterschiedliche Farben aber es sind dumme LEDs. Vll sind einige auch flashing RB LEDs, dann aber nicht gesteuert. Die LEDs werden dann in gruppen angesteuert. Das ganze basiert darauf dass man bei einem ROTIERENDEN Rad dann meint, eine LED ändere die Farbe - ist aber nicht so, eine andere wird aktiv. qed :) Klaus.
Das Problem ist doch ganz einfach zu lösen: LEDs noch nicht in das Rad eingelötet: - nimm ne Handvoll, in beide Richtungen Spannung mit Widerstand -> alle leuchten gleich => RGB LED mit Bus -> unterschiedliche Farben (und Spannungen) => normale LEDs -> leuchten in beide Richtungen => 2 Farben LED LEDs schon eingelötet: - auslöten und oben weitermachen - Logic Analyser/Oszi dran und nachgucken was los ist Was immer geht ist mal etwas genauer von oben in die LED schauen, eventuell mit Lupe. Wenn da ein kleines schwarzes Körnchen mit Bonddrähten (oder auch nur mehrere Bonddrähte) sichtbar sind, ist das RGB mit Steuerung. Nur ein Bonddraht, stinknormale LED. Im anhang mal ein schlechtes Handybild wie so eine LED mit Steuerung (und hier nur einer Farbe) von oben aussieht.
Guten Tag, @Klaus R.: Du hattest geschrieben "Das SIND keine RBLeds. ..." und dabei "SIND" sehr bestimmend hervorgehoben, das habe ich als absolutes Wissen verstanden und nicht als schwache evenuelle Vermutung. Die Rainbow-LEDs verhalten sich bei Dauerbestromung wie handelsübliche Rainbow-LEDs wie man sie bei Conrad, Reichelt und Co. erwerben kann. Einzelne LEDs lassen sich in der Matrix nur durch LEDS aus der Über-/Resevelieferung zum Bausatz austauschen, weil sie vermutlich aus gleicher Fertigungscharge stammen. Du hast recht, es werden immer nur komplette Spalten oder Reihen beim Musterverlauf in der Farbe umgeschaltet. Tauscht mann ganze Reihen oder Spalten mit nachgekauften Rainbow-LEDs aus, dann verhält sich diese Spalte/Reihe konform (aber in der Farbe zum Gesamtbild abweichend). Daraus ziehe ich den Rückschluss, dass es wohl keine "Spezial-LEDs" sind und die Effekte nur durch geschickte Programmierung beim Ein-/Ausschalten zustande kommen. (Den Quellcode der Programmierung habe ich noch nicht finden können, da könnte man sicherlich gut draus abschreiben und lernen.) Habe hier nun gelernt, dass YouTube nicht nur für Musik-Videos gut ist, sondern auch viel Technik-Videos verbreitet :-) Hier habe ich ein Video gefunden, dass ein gleiches LED-Modell meines Bekannten zeigt: https://www.youtube.com/watch?v=4jUsAJUHzCE Der Schaltplan ist zumindest bei der Verschaltung der LED-Marix für mein Drehmodell und dem fest stehenden Canton-Tower gleich. Ich denke mal, das von "K. S." aufgezeigte Video (Youtube-Video "Update: Mystery Two Pin RGB LED - Pulse Controlled") zeigt den richtigen Lösungsansatz. Vielen Dank und Gruß von LuGuBe
Guten Tag, @K. S.: Es sind eindeutig LEDs, die einen eingebauten Chip und 3 Einzel-LEDs beinhalten. Mit Lupe klar und deutlich zu erkennen. Sie funktionieren auch nur in einer Richtung. Ich hoffe, dass ich mir übers Wochenende ein Oszi ausleihen kann und ich was sinnvolles messen kann. Habe gerade per Post ein paar zum Vergleichen bestellte LEDs bekommen. Auch hier die Erklärung, dass keine 2-Draht-RGB-LEDs mit Bussystem im Programm sind (gut ausgedrückt, er hat keine, das bedeutet nicht, dass es keine gibt!) und es haben sogar ein paar LEDs mit Bussystem als Muster dabei gelegen (mit 4 und 6 Anschlüssen). Werde mich nun erstmal mit dem Thema Signal-Timing am arduino beschäftigen, ich denke, da habe ich noch ein paar Lücken aufzuarbeiten. Vielen Dank und Gruß von LuGuBe
in diesem Video ist zu sehen, dass die Leds nur rot leuchten, indem sie regelmäßig resettet werden,und ansonsten durchlaufen.
LuGu B. schrieb: > das habe ich als absolutes Wissen > verstanden und nicht als schwache evenuelle Vermutung. Dabei habe ich mich auf deine Aussage verlassen, dass die Farbe zu steuern wäre - ist sie aber NICHT. Und meine Zweifel kamen dann, dass deine Aussage nicht stimmen kann. Thema erledigt. Klaus.
Flip B. schrieb: > in diesem Video ist zu sehen, dass die Leds nur rot leuchten, indem sie > regelmäßig resettet werden,und ansonsten durchlaufen. Das Entscheidende sieht man in den ersten paar zehn Sekunden des Videos. Das hast du ganz offensichtlich nicht verstanden... Bei dem Rest hat der Author dann im Wesentlichen einen Aspekt der Sache erforscht, nämlich wie lang dieser "reset" minimal und maximal sein darf, damit erstens überhaupt der Farbzähler-Modus aktiv wird und zweitens ein Zählschritt dieses Zählers ausgelöst wird. Mit dem Programm, womit er das getan hat, ist es dann so: Durchlaufen tut der volle Cycle, solange das Programm läuft, was sie regelmäßig "resettet". Hält man das Programm an, behalten sie den letzten Zustand. Was fehlt, ist die Erforschung der Mindestlänge des stabilen High-Status, um sauberes Zählen sicherzustellen. Dazu gibt es nur eine Oszilloskop-Aufnahme des Signals der Farbwechsel-Lichterkette. Die hat nämlich die Eigenschaft, dass sie einen der Zählschritte "überspringen" kann (nämlich: "alles aus"). Wenn man mit Oszilloskopbildern etwas anfangen kann, genügt das allerdings, um zumindest einen Startwert für die Suche nach Grenzen dieser Größe zu bekommen. Was wiederum mit dem gezeigten Programm möglich wäre. Das hat der Author schon nicht mehr kapiert oder (wahrscheinlicher) er wollte es den Dummen nur nicht verraten... Wie auch immer: Hat man das erledigt, kann man gezielt jeden beliebigen Zählerzustand herbeiführen. Sprich: pro Kanal (also nicht: pro LED) jede beliebige "Farbe" (aus den acht möglichen) einstellen. Das ist sehr viel weniger, als mit addressierbaren RGB-LEDs á la WS28xx möglich ist. Oder anders ausgedrückt: verschwendete Lebenszeit. So viel billiger sind die Rainbow-LEDs auch nicht, als dass sich das irgendwie lohnen würde.
c-hater schrieb: > Das ist sehr viel weniger, als mit addressierbaren RGB-LEDs á la WS28xx > möglich ist. DITO. Die sind sehr gut anzusteuern und auch sicher zu betreiben. Allerdings ist die Bandbreite begrenzt. Je länger der Strang, desto geringer die Echtzeitfähigkeit.
Guten Tag, die von mir hinterfrage Steuerung von Rainbow-LEDs ist sicherlich keine von der Herstellern geplante Funktion, sonst würde man sicherlich passende Informationen im Datenblatt finden. Die Ansteuerung ist offensichtlich sehr tricky und auch sehr sehr stark von Type und Charge abhängig. Ich habe es mit einer LED geschafft, diese mehrfach mit der Farbe blau einzuschalten, nach einigen Versuchen verweigert sie allerdings jegliche Funktion. Auf gleiche Ansteuerung reagieren meine anderen Rainbow-LEDs überhaupt nicht. Das wird wohl zufall gewesen sein, oder ...??? Natürlich sind WS2812-LEDs leichter zu steuern, beide Arten haben aber gewisse Vor- und Nachteile, die ich bisher nicht wertschätzend gegenüber gestellt habe. Habe vor ein paar Wochen einen 10m-Stripe WS2812 (mit 30 LEDs / Meter) bei mir installiert. Die 300 LEDs lassen sich per arduino ohne Probleme steuern, geht allerfeinst. Hauptproblem war die Stromversorgung, wenn alle LEDs hell und weiß leuchten sollen möchte der Stripe mit 18A bei 5V versorgt werden (ca. 60mA pro WS2812). Das war für die Kupferbahnen im Stripe nicht gut und führte zu zu viel Spannungsfall. Nun speise ich alle 2,5 Meter ein - Versorgung in einem 10mmx10mm Plastikkanal und der Stripe klebt auf dem Deckel, nur für das dicke Netzteil suche ich noch ein gutes Versteck. Für die WS2812 habe ich bisher nur SMDs mit 5mmx5mm gefunden, habe noch 2 Stück in normalem LED-Glas-Rundkörper mit 4 Drähten, dazu finde ich aber keinen Händler. Die Rainbow-LEDs habe ich mit 5mm und 3mm Glas-Rundkörper und als 2mmx2mm SMD. Mit den 3mm und den SMD Typen kann man schöne kleine Anzeigen bauen - siehe Bausatz von Banggood. Durch das Multiplexen ist immer nur eine LED eingeschaltet - der Bausatz von Banggood mit 12x9 LEDs saugt am 500mA-USB-Netzgerät maximal 160mA (per USB-Testgerät gemessen). Eine Helligkeitssteuerung wird wohl eher nicht möglich sein, PWM und Reset-Signale gleichzeitig auf der Versorgung wird sicherlich nicht funktionieren. Die Leuchtstärke ist bescheiden aber genau richtig, die Anzeige soll ja nicht blind machen. Ich finde beide Versionen haben ihren Charme. Ein 10m-Stripe wird als Martix sicherlich keine glückliche Wahl sein und der banggood-Bausatz (mit 15cm Durchmesser) per WS2812 dürfte mehr zum Suchscheinwerfer mutieren, als eine filigrane Anzeige zu schaffen. c-hater schreibt: "... Oder anders ausgedrückt: verschwendete Lebenszeit. So viel billiger sind die Rainbow-LEDs auch nicht, als dass sich das irgendwie lohnen würde." Weil die Rainbow-LEDs offensichtlich nicht genormt gefertigt werden und die Ansteuerung ganz offensichtlich chargenabhängig und NICHT übertragbar ist, stellt sich wirklich die Frage, ob sich der Aufwand lohnt. - Was die Kosten an geht, da kann schon ein erheblicher unterschied anfallen, der Canton-Tower hat eine Matrix von 16x16=256 LEDs. Preisunterschiede bei den LEDs, beim Netzteil und sonstiger Aufwand liegen da sicherlich bei einigen "zig-€". Analoger schreibt: "Allerdings ist die Bandbreite begrenzt. Je länger der Strang, desto geringer die Echtzeitfähigkeit." Das sehe ich genauso, aber das betrifft beide Versionen, entweder muss die Matrix abgerappelt werden, oder des müssen die Daten bis zur letzten LEDs durchgetaktet werden. Oszi-Messungen werde ich am Wochenende nicht machen können. Das edele Werkstattgerät darf die Werkstatt nicht verlassen und ich darf als Nicht-Betriebsangehöriger nicht alleine in die Werkstatt, schade aber OK. Vielen Dank und Gruß von LuGuBe
LuGu B. schrieb: > Habe vor ein paar Wochen einen 10m-Stripe WS2812 (mit 30 LEDs / Meter) > bei mir installiert. Die 300 LEDs lassen sich per arduino ohne Probleme > steuern, geht allerfeinst. Hauptproblem war die Stromversorgung, wenn > alle LEDs hell und weiß leuchten sollen möchte der Stripe mit 18A bei 5V > versorgt werden (ca. 60mA pro WS2812). Das war für die Kupferbahnen im > Stripe nicht gut und führte zu zu viel Spannungsfall. Nun speise ich > alle 2,5 Meter ein - Versorgung in einem 10mmx10mm Plastikkanal und der > Stripe klebt auf dem Deckel Wenn die LEDs lang halten sollen, musst du den Stripe auf eine Aluleiste kleben. Ansonsten werden die Dinger einfach zu warm. Betrifft auch die normalen Weiß u. RGB. Es sei denn man betreibt sie bei vielleicht <50%. Sascha
Guten Tag, @Sascha W.: Danke für den Hinweis, habe die Temperaturentwicklung nun ein paar Tage beobachtet. Wenn die Helligkeit voll aufgedreht wird, dann kommt Wärme zustande, die auch den Kabelkanal deutlich aber unbedenklich aufheizt. Es wird nichts so warm, dass man beim Anfassen zurück zuckt. Aber selbst beim Einsatz als indirekte Beleuchtung ist das Licht bei 100% zu hell für den Raum, wir gehen max. auf 60% der höchst möglichen Leuchtstärke. Ich werde aber zur Vorsicht diese 60% als max. einstellbar programmieren. Vielen Dank und Gruß von LuGuBe
Bitte melde dich an um einen Beitrag zu schreiben. Anmeldung ist kostenlos und dauert nur eine Minute.
Bestehender Account
Schon ein Account bei Google/GoogleMail? Keine Anmeldung erforderlich!
Mit Google-Account einloggen
Mit Google-Account einloggen
Noch kein Account? Hier anmelden.

