Hallo, für ein Projekt benötige ich recht viele Betriebsspannungen die auch noch galvanisch getrennt voneinander sein müssen: 4x 25V @ 100mA 1x 300V @ 50mA 1x 170V @ 80mA 1x 14V @ 400mA 1x 14V @ 1A 1x 9V @ 700mA Macht zusammen ~72W. Geplant war ein Ringkerntrafo in einem zweiten Gehäuse, eine fette Steuerleitung (18 Polig) die beides Verbindet. Nun ist bei der Verwirklichung aufgefallen das man in mein (kompaktes, deshalb 2) Gehäuse noch eine 60x170x25mm Platine einbauen könnte die aus einer gemeinsamen Betriebsspannung (48V) alle anderen Spannungen gewinnt. Die Spannungen müssen nicht stabilisiert sein, auf einer anderen Leiterplatte werden sie mit Linearreglern nachgeregelt. Wichtig ist nur das die Stufe wenig HF-Müll, sowohl über die Leitungen als auch Feldgebunden ausspuckt. Während man die Kleinspannungen mit fertigen Modulen gewinnen könnte macht die Hochspannung Probleme, ich frage mich ob es machbar ist selber einen Übertrager zu Wickeln aus dem die vielen Betriebsspannungen genommen werden können? Besondere Ansprüche an die Isolierung Primär - Sekundär werden natürlich nicht gestellt, die 48V werden einfach auf das Gehäuse bezogen. Die Sekundärspannungen (indirekt) auch. Ich könnte mir vorstellen den Übertrager auch wickeln zu lassen nur habe ich keine Ahnung welche Daten man an die Trafowicklerei geben muss. ich würde mir das Geld für ein zweites Gehäuse und den Ringkerntrafo sparen. Könnt Ihr mir Tipps zur Umsetzung geben, ich dachte an einen LT3748 als Controller. Kann man für sowas selber Übertrager bauen? Danke! Gruß
> Während man die Kleinspannungen mit fertigen Modulen gewinnen könnte > macht die Hochspannung Probleme, ich frage mich ob es machbar ist selber > einen Übertrager zu Wickeln aus dem die vielen Betriebsspannungen > genommen werden können? Klar ist das moeglich. Was glaubst du wie coole Ingenieure ihre Prototypen machen oder machen lassen bevor sie 100000Stk fertigen lassen? > Ich könnte mir vorstellen den Übertrager auch wickeln zu lassen nur habe > ich keine Ahnung welche Daten man an die Trafowicklerei geben muss. Das wird wohl nicht ganz so einfach. Der klassische Trafowickler macht wohl eher dicke 50Hz Klopper. Die Hersteller von so kleinen Hochfrequenztrafos machen sicher Prototypen, aber wenn da kein Auftrag folgt koennten sie keinen Bock haben oder viel Geld wollen. Du koenntest mal schauen wie weit du mit klassichen Kernen von Epcos kommst. Da muesstest du Bausaetze kaufen koennen. Und dann rechnest du das mal durch.... Olaf
Ja, kann man machen. Wobei 6 Wicklungen + Primärwicklung schon grenzwertig ist (vom Platz). Eventuell ist es geschickter, 2 kleinere Trafos zu verwenden. Primär eine Halbbrücke, oder eine H-Brücke, sekundär dann deine benötigten Spannungen mit Gleichrichter. Im Prinzip genauso wie ein 50Hz Ringkern, nur halt 50kHz. Alternativ ein Flyback Trafo mit 6 Ausgängen. Der hat den Vorteil, dass er regelt, und dass es eine Menge fertiger ICs dafür gibt, du kannst dann auch gleich von 230 Volt ausgehen. Wenn du eh Linearregler nachschaltest, dann versuche doch die 9 und 2x 14 Volt mit 3 LDOs aus einer Wicklung zu generieren. Die 360 Volt kannst du mit Spannungsvervielfacher aus 170 Volt machen. Das würde dein Leben einfacher machen. Oder du nimmt irgendwelche fertigen DC-DC Konverter, mit 15 Volt Eingang, und 2x 15 Volt Ausgang. Wozu braucht man im Jahre 2020 noch so viele Spannungen, kann man das nicht einfacher und besser mit einem Chip machen?
Keksstein schrieb: > Nun ist bei der Verwirklichung aufgefallen das man in mein (kompaktes, > deshalb 2) Gehäuse noch eine 60x170x25mm Platine einbauen könnte die aus > einer gemeinsamen Betriebsspannung (48V) alle anderen Spannungen > gewinnt. Naja, als Schaltnetzteil kriegt man das hin, ist aber nicht so ganz trivial. > Die Spannungen müssen nicht stabilisiert sein, auf einer anderen > Leiterplatte werden sie mit Linearreglern nachgeregelt. Wichtig ist nur > das die Stufe wenig HF-Müll, sowohl über die Leitungen als auch > Feldgebunden ausspuckt. Was ist wenig für dich? Der Klassiker für mehrere Ausgangsspannungen ist der Sperrwandler. Aber der macht als hart schaltende Topologie schon einiges an Störungen, die man erst mal in den Griff kriegen muss, vor allem Gleichtaktstörungen.
Klar kann man das. Die ETD Spulenkörper eignen sich für den Flyback recht gut. Damit der Wirkungsgrad gut wird, solltest du den Übertrager so wickeln, dass der Kopplungsfaktor zwischen den Wicklungen möglichst hoch ist. Üblicherweise macht man das wie bei einem Sandwich mit einer geteilten Primärwicklung: 1/2 Pri Isolation Sek Isolation 2/2 Pri Als Isolation zwischen den Lagen eignet sich Kaptonband. Weitere Infos gibt es in der AN1024 von Infineon.
udok schrieb: > Primär eine Halbbrücke, oder eine H-Brücke, > sekundär dann deine benötigten Spannungen mit Gleichrichter. > Im Prinzip genauso wie ein 50Hz Ringkern, nur halt 50kHz. Da er ja einen 50Hz Ringkern ersetzen will, ist das genau der richtige Ansatz.
Luca E. schrieb: > Als Isolation zwischen den Lagen eignet sich Kaptonband. Polyester reicht völlig.
Hallo zusammen, ein paar mehr Informationen zu dem ganzen: Es handelt sich dabei um einen Vorverstärker für den Plattenspieler, aus Faszination an historischer Technik ist es eine Mischung aus Halbleiter und Röhrenschaltung geworden. Die Halbleiter (die beiden gestapelten Platinen in "Oben" rechte Seite) machen den Hauptteil der Verstärkung und die Anpassung, der Röhrenteil ist die aktive Entzerrung. Funktioniert wunderbar, die Messwerte (analog) sind spitze und viel besser als die Quelle überhaupt kann mit Rauschen das einer OPV Lösung in nichts nachsteht. Ja, der Spaß an der Technik steht im Vordergrund und ich weiß das man es gleich komplett mit Halbleitern bzw. OPVs hätte lösen können. Das ist nicht das Ziel. :-) Die Spannungen sind: 4x 25V @ 100mA -> Versorgung Halbleiterstufen, Kanalgetrennt wegen Masseführung 1x 300V @ 50mA -> Entzerrung mit Röhren 1x 170V @ 80mA -> Ausgangsstufe mit Röhren 1x 14V @ 400mA -> Steuerung + Relais 1x 14V @ 1A -> Heizung 1x 9V @ 700mA -> Nochmal Heizung Es gibt noch 5V Standby für einen uC, der ist immer versorgt. Auf der Unterseite rechts ist Platz für die Platine, der war eigentlich dazu vorgesehen komfortabel die 18 Leitungen verdrahten zu können. Feld EMV ist von dem her kritisch das die Eingangsstufe, die Signale im uV Bereich bekommt, direkt über dem DC/DC Wandler sitzt, getrennt durch 3mm Alublech. Die Schaltfrequenz sollte also eher höher sein, 50kHz sind schon weit genug weg vom Hörbereich. Ich kann mir Vorstellen das ein PWM Controller nicht das richtige ist, der spuckt sicher Tieffrequente Störungen aus. >Klar ist das moeglich. Was glaubst du wie coole Ingenieure ihre >Prototypen machen oder machen lassen bevor sie 100000Stk fertigen >lassen? Macht mich zuversichtlich! >Ja, kann man machen. Wobei 6 Wicklungen + Primärwicklung schon >grenzwertig >ist (vom Platz). Eventuell ist es geschickter, 2 kleinere Trafos zu >verwenden. Im Prinzip könnte man alles mit intigrierten DC/DC Wandlern von der Stange machen, das Problem sind die 170V und 300V. Da braucht man einen Übertrager, die Idee liegt nahe statt teurer fertiger Module gleich auf diese Übertrager die restlichen Spannungen zu Wickeln. Es können also auch 3 oder 4 Übertrager werden, kein Problem. Oder lässt sich ein Hochsetzwandler nur mit Induktivität bei der benötigten Leistung noch machen? An 230V Würde ich mich bei einem Selbstgewickelten Übertrager nicht trauen. >Wenn du eh Linearregler nachschaltest, dann versuche doch >die 9 und 2x 14 Volt mit 3 LDOs aus einer Wicklung zu generieren. Problem ist wieder das für ein gute Massekonzept einige Spannungen getrennt sein müssen. (Die 25V sowie HV, beim Rest ist es egal) Man könnte wirklich eine einzelne Wicklung nehmen und mit Schaltregler + LDO nachregeln, zumindest da wo die Ströme höher sind. >Was ist wenig für dich? > >Der Klassiker für mehrere Ausgangsspannungen ist der Sperrwandler. Aber >der macht als hart schaltende Topologie schon einiges an Störungen, die >man erst mal in den Griff kriegen muss, vor allem Gleichtaktstörungen. Auf den Leitungen 0,0xmV Ripple, keine Spikes sondern Sinusförmig sodass die Linearregler die verbliebenen Störungen wegregeln können. Leitungsgebunden sollte man denke ich mit Pi-Filtern gut dämpfen können. Feldgebunden, keine Erfahrung. Ich würde den Schaltungsteil in ein Weißblechgehäuse packen, Problematisch ist wie gesagt das die Eingangsstufe direkt darüber liegt. >Weitere Infos gibt es in der AN1024 von Infineon. Danke für die Beschreibung und die AN, schaue ich mir an!
Keksstein schrieb: > Auf den Leitungen 0,0xmV Ripple, keine Spikes sondern Sinusförmig sodass > die Linearregler die verbliebenen Störungen wegregeln können. Das schaffst du bei der räumlichen Nähe mit Schaltreglern nicht. Dafür musst du eine sinusförmige Traofansteuerung verwenden, keine Mosfet Schalter, und auch dann wirds schwierig. Aber wenn du die Schaltfrequenz bei 50kHz hinlegst, dann hörst du den Ripple zumindest nicht.
>Das schaffst du bei der räumlichen Nähe mit Schaltreglern nicht. >Dafür musst du eine sinusförmige Traofansteuerung verwenden, >keine Mosfet Schalter, und auch dann wirds schwierig. Mit Pi-Filter dahinter auch nicht? >Aber wenn du die Schaltfrequenz bei 50kHz hinlegst, dann hörst >du den Ripple zumindest nicht. Ja, das ist aber unschön wenn sowas am Ausgang erscheint. Gruß
Keksstein schrieb: > Auf den Leitungen 0,0xmV Ripple, keine Spikes sondern Sinusförmig sodass > die Linearregler die verbliebenen Störungen wegregeln können. Das schaffst du bei der räumlichen Nähe mit Schaltreglern nicht. Für geringen Ripple musst du eine sinusförmige Trafoansteuerung verwenden, Die Ansteuerung sollte auch symetrisch sein (kleinere Gleichtaktstörungen), Die Wicklungen müssen elektrostatisch geschirmmt sein (Kapazitive Kopplung). Trotzdem hast du einiges an Gleichtaktstörungen, die auf die empfindlichen Eingänge koppeln. Am besten, du bist pragmatisch, und legst die Schaltfrequenz bei 50-200 kHz hin, und vertraust drauf, dass du den Ripple nicht hörst. Messen kannst du ihn mit einem Speki, wenn ich mir den Edelaufbau anschaue, dann glaube ich nicht, dass du damit zufrieden sein wirst.
Schau dir mal die x-Chapters von Horowitz Hill an, da zeigt er Messungen eines isolierten DC-DC Schaltreglers (9x.14 im Anhang). Da siehst du wie hoch der Aufwand sein kann, um das letze mV zu reduzieren. Von Analog Devices gibt es auch einige Application Notes (AN29 glaube ich), für den LT3999.
> Es handelt sich dabei um einen Vorverstärker für den Plattenspieler, aus > Faszination an historischer Technik ist es eine Mischung aus Halbleiter Hm...ich hab mir ja vor einigen Jahren auch mal einen Kopfhoererverstaerker mit Roehren gebaut. Ich nehme als Eingangsspannung 16-19V weil das die ueblichen Laptopnetzteile liefern die man immer irgendwo rumliegen hat. Die Heizspannung (12V) hab ich einfach mit einem Step-Down gemacht, die Anodenspannung (100V) hab ich mit einem Boost gemacht. Schaltfrequenz halt moeglichst hoch, darauf achten das es nie zum lueckenden Betrieb kommt und noch ein LC-Filter dahinter. Also du deine Schaltung gerechnet hast, konntest du die nicht beide auf 170V auslegen? Und wieso eigentlich so ein hoher Strom? Das waer doch sicher auch einfacher gegangen? Naja, machbar ist das was du brauchst sicher. Wird halt der Kern etwas groesser und du musst mehr wickeln. Olaf
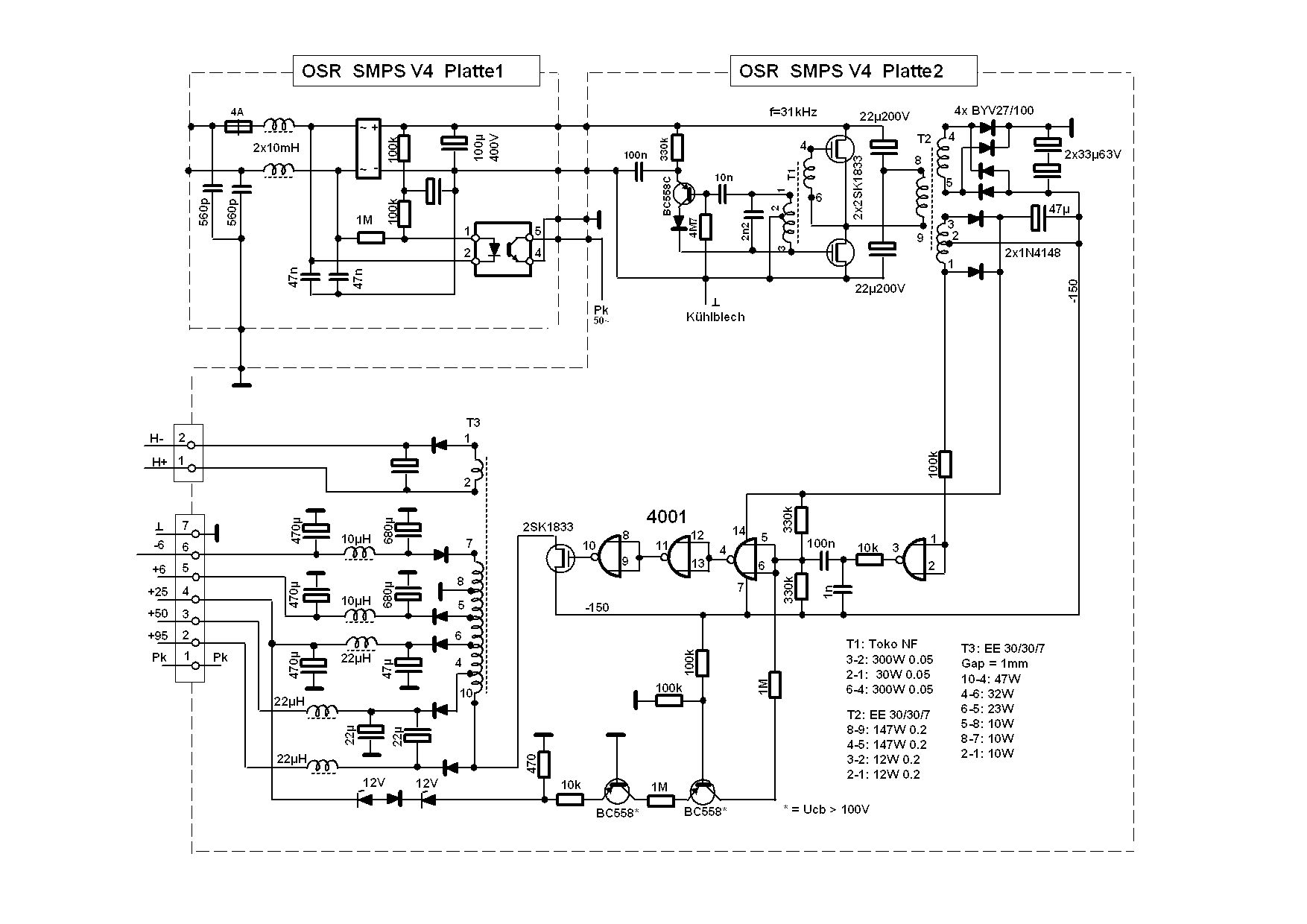
Ich hätte da ein Netzteil eines Oszillografen mit mehreren Ausgangsspannungen. Die Trafodaten sind dabei. Das wäre ein Anhaltspunkt für dich. Gruß!
>Schau dir mal die x-Chapters von Horowitz Hill an, da zeigt er >Messungen eines isolierten DC-DC Schaltreglers (9x.14 im Anhang). >Da siehst du wie hoch der Aufwand sein kann, um das letze mV zu >reduzieren. >Von Analog Devices gibt es auch einige Application Notes (AN29 glaube >ich), >für den LT3999. Danke für den Link, habe es überflogen und lese jetzt genauer nach. Sinusozillator mit Treiber zum Ansteuern des Übertragers, das klingt interessant. Das reizt mich es mal auszuprobieren, da braucht man nichtmal einen Controller. (Dafür aber eine Schaltung mit Strombegrenzung) Die Last Sekundär ist aber kritisch, kann mir vorstellen das die Wahl des OPVs nicht einfach ist in der Praxis. >Ich nehme als Eingangsspannung 16-19V weil das die ueblichen >Laptopnetzteile liefern die man immer irgendwo rumliegen hat. Die >Heizspannung (12V) hab ich einfach mit einem Step-Down gemacht, die >Anodenspannung (100V) hab ich mit einem Boost gemacht. Schaltfrequenz >halt moeglichst hoch, darauf achten das es nie zum lueckenden Betrieb >kommt und noch ein LC-Filter dahinter. Ein Boost Converter wird bei mir knapp wegen dem Strom, ich glaube nicht das das nur mit einer Induktivität zu machen ist? >Also du deine Schaltung gerechnet hast, konntest du die nicht beide auf >170V auslegen? Und wieso eigentlich so ein hoher Strom? Das waer doch >sicher auch einfacher gegangen? Nein, in dem Fall nicht wenn die Röhren in einem Optimalen Arbeitspunkt betrieben werden sollen. Die Eingangsstufe ist mit der ECC83 aufgebaut, das sind so ziemlich die Rauschärmsten noch neu erhältlichen Röhren. Die Ist aber recht hochohmig, mit 150V kommt die nicht aus. Die Ausgangsstufe musste eine Röhre sein die gut Strom treiben kann, (Kathodenfolger) Prinzipbedingt muss da schon ein hoher Ruhestrom fließen. (20mA) Die Verwendete ECC99 ist niederohmig, die maximale Verlustleistung auf 3,5W begrenzt. Das wäre an 300V (eigentlich 280V) nicht machbar gewesen. Es störte mich auch wenig, der Plan war ja einen Ringkerntrafo anfertigen zu lassen. Eine Wicklung mehr kostet nicht so viel Aufpreis, Siebung und Stabilisierung dahinter auch nicht. Hätte man die 150V aus den 280V gewonnen würden dauerhaft im Leerlauf 6W verbraten, das gefiel mir einfach nicht. Gruß
Keksstein schrieb: > Könnt Ihr mir Tipps zur Umsetzung geben Bleibt beim externen 50Hz Trafo. Ein 74VA DC/DC Wandler als erstes Projekt wirst du nicht hinbekommen. Und eine Sammlung kleinerer Netzteile und Vielzahl nachgeschalteter DC/DC Wandler macht die Sache nicht eleganter, selbst wenn PointOfLoad Wandler heute in Mode sind. Wenn du den 50Hz Netztrafo nicht bestellst, sondern selber wickelst, hast du ausreichend gelernt und gemacht. Ich würde statt Ringkern lieber einen alten EL Kern Trafo auseinanderbauen, abwickeln bis auf 230V, und neu bewickeln.
Ich würde es auch mit einem 50 Hz Trafo in einem externen Gehäuse machen. Alles andere artet in ein grösseres Projekt aus. Ringkern hat nur Vorteile, wenn es sehr kompakt und streuarm sein muss, bei einem externen Gehäuse kannst du einen Kern verwenden, der leichter wickelbar ist (ED, EI), und nicht so empfindlich auf Sättigung (Gleichstromanteile). https://www.multi-circuit-boards.eu/en/pricing/toroidal-transformers/open-style.html macht kundenspezifische Trafos. Würde mich interssieren, wie deine Erfahrungen damit sind, oder auch mit anderen Anbietern.
>Und eine Sammlung kleinerer Netzteile und Vielzahl nachgeschalteter >DC/DC Wandler macht die Sache nicht eleganter, selbst wenn PointOfLoad >Wandler heute in Mode sind. Zusammengefasst machbar aber kompliziert, gerade aus dem EMV Aspekt. OK, ich denke ich werde doch beim Externen Netzteil mit RKT bleiben. >Wenn du den 50Hz Netztrafo nicht bestellst, sondern selber wickelst, >hast du ausreichend gelernt und gemacht. Ich würde statt Ringkern lieber >einen alten EL Kern Trafo auseinanderbauen, abwickeln bis auf 230V, und >neu bewickeln. Bei Ringkerntrafos lohnt sowas eigentlich nicht. Ich habe bei einer deutschen Firma die sowas wickelt letzte Woche angefragt, (Müller Rondo) für einen 90VA Trafo (reserve für Gleichrichtung) mit entsprechenden Wicklungen in flacher Bauweise und sogar mit Schirmwicklung sind das 70€. Ich denke das Material zu besorgen um meinen eigenen Trafo zu wickeln ist bereits teurer, vermutlich wird er auch brummen da nicht Vakuumgetränkt. Werde nach diesem Projekt aber mit dem DCDC Wandler mit Sinusoszillator experimentieren, der Einschaltstrom hat mich bisher vom Royer Wandler abgehalten. Ich hoffe dann ein Gefühl dafür zu bekommen. Danke nochmals an alle Helfer!
>macht kundenspezifische Trafos. Würde mich interssieren, wie >deine Erfahrungen damit sind, oder auch mit anderen Anbietern. Ich habe mir gerade bei Müller Rondo schon öfter Trafos wickeln lassen, es gibt sonst wenige Firmen bei denen man Privat bestellen kann. (multi-cb auch nur Gewerblich) Die sind super, bisher nur gute Erfahrungen gemacht. Nein ich bin dort mit niemandem Verwand :-) EL-Kern gibt es hier, da genauso teuer habe ich bisher immer den "besseren" Ringkern gewählt. Das lohnt mehr wenn man einen alten Trafo mit EL-Kern ersetzen möchte. https://www.die-wuestens.de/dindex.htm Gruß
Danke für die Info, und melde dich mit Bildern (und Messungen), wenn du meinst, es ist jetzt fertig :-)
>Danke für die Info, und melde dich mit Bildern (und Messungen), >wenn du meinst, es ist jetzt fertig :-) Mache ich, dauert aber noch ein bisschen.
Alternativ eventuell LT1533 https://www.analog.com/media/en/technical-documentation/data-sheets/1533f.pdf Seite 8 mit 10W. Natürlich entsprechend aufwändig bei vielen notwendigen Sekundärspannungen, aber sehr wenig Rauschen im Verhältnis zu normalen Schaltreglern. Als Transistoren sollten z.B. BD202-204 verwendbar sein, da die original verwendeten Transistoren als auch die Beispieltrafos obsolet sind. Beim LT3999 sucht man nach der erzielbaren Rauschamplitude vergeblich, ebenso nach einer Slew Rate-Begrenzung und dementsprechend wird das Ergebnis vermute ich mager sein. Beim AoE3-DCDC beachten dass die Schirmfolien für korrekte Funktion an die jeweiligen Massen angeschlossen werden müssen und nicht wie dargestellt verbunden werden. Zumindest nach meinem Kenntnisstand. Aber für deine Anwendung wäre das wickeln lassen eines Trafos die pragmatischste und günstigste Lösung denke ich.
udok schrieb: > https://www.multi-circuit-boards.eu/en/pricing/toroidal-transformers/open-style.html > macht kundenspezifische Trafos. Würde mich interssieren, wie > deine Erfahrungen damit sind, oder auch mit anderen Anbietern. Also ich hatte mir mal einen Ringkerntrafo mit mehreren Spannungsabgängen hier anfertigen lassen. Das hat prima geklappt und die Kommunikation war vorbildlich. http://www.audioelektronik-shop.de/netztrafos.html Gruß, Engelbert
Keksstein schrieb: > reserve für Gleichrichtung Lies nochmal die Grundlagen, damit hinterher das Geld nicht umsonst war: https://dse-faq.elektronik-kompendium.de/dse-faq.htm#F.9 Bedenke aber auch, dass Audioschaltungen nicht für 100% Dauersinus ausgelegt werden. https://dse-faq.elektronik-kompendium.de/dse-faq.htm#F.30
Genau, nimmst den Trafokern, einen Schaltplan, wickelst den da rum und schon ist der DCDC-Wandler fertig.
> Ein Boost Converter wird bei mir knapp wegen dem Strom, ich glaube nicht > das das nur mit einer Induktivität zu machen ist? Tietze und Schenk sagt das die Grenze so bei 1:10 liegt. Aber du hast natuerlich recht, es haengt sicher auch vom Strom ab. Und vom angestrebten Wirkungsgrad und wie teuer es werden darf. Aber jemand der einen Trafo mit vielen Spulen wickeln will der kann doch auch eine angezapfte Induktivitaet wickeln. .-) Olaf
Viele verschiedene Spannungen aus EINEM Schaltnetzteil sind immer ein Kompromiss bei der Reglung. Ansonsten http://www.trifolium.de/netzteil/kap8.html
oszi40 schrieb: > Viele verschiedene Spannungen aus EINEM Schaltnetzteil sind immer ein > Kompromiss bei der Reglung. Der TE will doch gar keine Regelung durch das SNT.
Bitte melde dich an um einen Beitrag zu schreiben. Anmeldung ist kostenlos und dauert nur eine Minute.
Bestehender Account
Schon ein Account bei Google/GoogleMail? Keine Anmeldung erforderlich!
Mit Google-Account einloggen
Mit Google-Account einloggen
Noch kein Account? Hier anmelden.


