Hallo, ich möche ein fahrzeug mit solar und einem 6v Motor bauen, das beim aufprallen durch z.B mikroschalter (die vorne und hinten beim fahrzeug gebaut werden), die Motorrichtung gewechselt werden soll, kann mir jemanden helfen und sagen welche teile ich benötigen muss. Herzlichen Dank
Toggle-Flip Flop. Mit zwei Sensoren wird es vielleicht etwas komplizierter.
Das kannst du relativ einfach mit einem bistabilen Relais (2 Spulen) realisieren. Oder einen Schiebeschalter (2xUM), der wie am Akkuschrauber die Richtung wechselt, und mechanisch über die beiden Stoßstangen betätigt wird. Schaltungen dazu findest du schnell mit der Google Bildersuche unter den Stichwort "Polwender". Bedenke, dass das Ruckartige Umschalten der Drehrichtung eine hohe Belastung für das Getriebe darstellt. Es sollte entsprechend robust sein, oder du brauchst eine erheblich aufwändigere Schaltung mit Timern, die Pausenzeiten einfügen.
danke für deine Antwort, heisst das, ich benötige die zwei microschaltern und 2 Polwender, mehr nicht?
Du brauchst entweder 1 Schiebe-Schalter mit 2xUM Kontakten, der mechanisch betätigt wird oder 1 Bistabiles Relais mit 2xUM Kontakten und zwei Spulen, sowie zwei Taster (vorne und hinten) um damit die Spulen anzusteuern.
nochmal danke, einen Schiebe-Schalter, der mechanisch betätigt wird, geht leider nicht, denn das fahrzeug soll auf einen geraden Bahn fahren, und beim aufprallen in die gegenrichtung wieder fahren usw. deswegen hab gedacht vorne und hinten am fahrzeug die mikroschaltern einzubauen um signale zum Motor zu senden, aber wie du weiss ohne relaes oder was ähnliches geht das nicht. LG
Toni B. schrieb: > einen Schiebe-Schalter, der mechanisch betätigt wird, geht leider nicht, > denn das fahrzeug soll auf einen geraden Bahn fahren, und beim > aufprallen in die gegenrichtung wieder fahren So hatte ich das mal bei irgendeinem Kinderspielzeug gesehen:
1 | === === |
2 | | | |
3 | |----------o------------| |
4 | | | |
5 | === === |
Das ist das Auto von unten betrachtet. Links und rechts siehst du die vordere und hintere Strosstange. "===" sind die Räder. Die Stoßstangen sind durch eine Schubstange miteinander verbunden und betätigen in der Mitte einen Schalter. Wenn das Auto vorne anstößt, wird der Schalter nach hinten gedrückt. Wenn das Auto hinten anstößt, wird der Schalter wieder nach vorne gedrückt.
Guten Morgen Stefan, genau das habe ich vor. ist einen microschalter vone und hinten in diesem fall richtig oder hast einen besseren Vorschlag :)? was brauche ich noch außer? ; 1 Bistabiles Relais mit 2xUM Kontakten und zwei Spulen, sowie zwei Taster (vorne und hinten) um damit die Spulen anzusteuern. Liebe Grüsse
Wenn du Mikro-Taster* verwendest, müssen diese wie gesagt ein bistabiles Relais betätigen. Das ersetzt quasi den Schalter in der Mitte. *) Es müssen Taster sein, nicht Schalter. Denn wer würde die Schalter wieder aus schalten?
*) Es müssen Taster sein, nicht Schalter. Denn wer würde die Schalter wieder aus schalten? ja da hast du vollkommen recht :) hab der hier im netz gefunden, würde der funktionieren?
Toni B. schrieb: > denn das fahrzeug soll auf einen geraden Bahn fahren, und beim > aufprallen in die gegenrichtung wieder fahren usw. Genau dafür kann man den Schiebeschalter mit einer entsprechenden Mechanik zweckentfremden. Es gab früher mal im Fischertechnikbaukasten em3 einen Bauvorschlag davon.
Toni B. schrieb: > würde der funktionieren? Ja, das würde funktionieren. Ein Fahrzeug mit Speicherrelais gab es auch von Fischertechnik. Das benötigte aber in der einen Fahrtrichtung immer etwas mehr Strom für das Relais. Die Lösung von Stefan mit dem bistabilen Relais ist somit perfekt. Du benötigst dann keine Umschaltmechanik mehr. Stefan ⛄ F. schrieb: > Bistabiles Relais mit 2xUM Kontakten und zwei Spulen, sowie zwei Taster > (vorne und hinten) um damit die Spulen anzusteuern.
Toni B. schrieb: > würde der funktionieren? Wenn das Auto mit 12V versorgt wird und der Motor bei Blockierung weniger als 2A aufnimmt, dann ja.
Elektrofurz schrieb: > Toni B. schrieb: >> würde der funktionieren? > > Ja, das würde funktionieren. Aber Achtung! Das Relais ist für 12 Volt! Wenn du nur 6 Volt zur Verfügung hast, solltest du die 6 Volt Variante wählen.
Stefan ⛄ F. schrieb: > Toni B. schrieb: >> würde der funktionieren? > > Wenn das Auto mit 12V versorgt wird und der Motor bei Blockierung > weniger als 2A aufnimmt, dann ja. das auto wird mit 6v laufen :)
Elektrofurz schrieb: > Toni B. schrieb: >> würde der funktionieren? > > Ja, das würde funktionieren. > Ein Fahrzeug mit Speicherrelais gab es auch von Fischertechnik. Das > benötigte aber in der einen Fahrtrichtung immer etwas mehr Strom für das > Relais. Die Lösung von Stefan mit dem bistabilen Relais ist somit > perfekt. Du benötigst dann keine Umschaltmechanik mehr. > > Stefan ⛄ F. schrieb: >> Bistabiles Relais mit 2xUM Kontakten und zwei Spulen, sowie zwei Taster >> (vorne und hinten) um damit die Spulen anzusteuern. DANKE SEHR :)
Elektrofurz schrieb: > Toni B. schrieb: >> denn das fahrzeug soll auf einen geraden Bahn fahren, und beim >> aufprallen in die gegenrichtung wieder fahren usw. > > Genau dafür kann man den Schiebeschalter mit einer entsprechenden > Mechanik zweckentfremden. Es gab früher mal im Fischertechnikbaukasten > em3 einen Bauvorschlag davon. Voll lieb. DANKE SEHR!
Toni, du hattest per PM nach einer Skizze gefragt. Es ist die Polwende-Schaltung auch Polwechsler-Schaltung genannt. Findest du mit Google oder sogar bei Youtube. Oder auch dort: https://www.strippenstrolch.de/1-4-14-polwender-mit-fernbedienung.html Wobei in deinem Fall die beiden Relais in einem kombiniert sind.
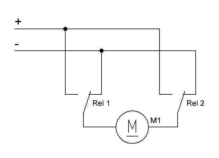
Toni B. schrieb: > vielen Dank Stefan, > habe diese Skizze jetzt. Dann schau dir das Bild von Stefan F. nochmal an: du hast die Relais-Kontakte falsch verschaltet! Bei dir läuft der Motor entweder in einer Richtung oder er ist ausgeschaltet.
hallo, hmm, soll ich statt in der mitte auf 12 und 22 die + und - anschliessen? Liebe grüsse
Toni B. schrieb: > hmm, soll ich statt in der mitte auf 12 und 22 die + und - anschliessen? Ich sehe gerade, Stefan F. hat 2 Relais mit je einen Umschaltkontakt gezeichnet: - In der Ruhelage beider Relais ist der Motor ausgeschaltet. - Schaltet man Rel_1 ein, läuft der Motor in die eine Richtung. - Schaltet man Rel_2 ein, läuft der Motor in die andere Richtung. - Wenn beide Relais eingeschaltet sind, ist der Motor auch ausgeschaltet. Wenn du das mit nur einem Relais mit 2 Umschaltkontakten machen willst, dann hast du keine "AUS"-Zustand, d.h. der Motor läuft immer. Willst du das? Wenn ja, müssten die Kontakte wie folgt verdrahtet werden:
1 | (+) --+--- 12-o |
2 | | \o-11-------+ |
3 | | +-14-o | |
4 | | | Motor |
5 | (-) --(--+-22-o | |
6 | | \o-21-------+ |
7 | +----24-o |
Dietrich L. schrieb: > Toni B. schrieb: >> hmm, soll ich statt in der mitte auf 12 und 22 die + und - anschliessen? > > Ich sehe gerade, Stefan F. hat 2 Relais mit je einen Umschaltkontakt > gezeichnet: > - In der Ruhelage beider Relais ist der Motor ausgeschaltet. > - Schaltet man Rel_1 ein, läuft der Motor in die eine Richtung. > - Schaltet man Rel_2 ein, läuft der Motor in die andere Richtung. > - Wenn beide Relais eingeschaltet sind, ist der Motor auch > ausgeschaltet. > > Wenn du das mit nur einem Relais mit 2 Umschaltkontakten machen willst, > dann hast du keine "AUS"-Zustand, d.h. der Motor läuft immer. > Willst du das? > Wenn ja, müssten die Kontakte wie folgt verdrahtet werden:(+) --+--- > 12-o > | \o-11-------+ > | +-14-o | > | | Motor > (-) --(--+-22-o | > | \o-21-------+ > +----24-o Hallo Dietrich, ja genau das was ich gerne hätee! Es sieht klasse aus, herzlichen Dank für die Bemühungen, ich habe die teile online bestellt und wenn ich so alles zusammenbauen werde, dann schicke ich ein foto von dem Auto ;) liebe Grüsse
Bitte melde dich an um einen Beitrag zu schreiben. Anmeldung ist kostenlos und dauert nur eine Minute.
Bestehender Account
Schon ein Account bei Google/GoogleMail? Keine Anmeldung erforderlich!
Mit Google-Account einloggen
Mit Google-Account einloggen
Noch kein Account? Hier anmelden.






