Hallo, als Imker muss ich Wachsplatten in die Rähmchen einschmelzen. Dazu wird der Haltedraht mit einem Strom von ca. 2A erhitzt, worauf er sich in die Wachs-Mittelwand einschmilzt und diese danach fixiert ist. Um den Feedback bei der Kontaktierung zu verbessern, bin ich auf der Suche nach einer Schaltung, welche akustisch die Stromstärke anzeigt - am besten mit Tonhöhe, Lautstärke ginge aber bestimmt auch. Meine Frage lautet nun, kennt jmd. einen einfachen Trick, oder muß ich nen kleinen Microkontroller bemühen? mfg Jost
Vielleicht nach dem Prinzip Geigerzähler? Ist eine einfache analoge Schaltung.
Technisch ist das einfach, VCO, geht sogar mit NE555, aber 'kleinen Trick' gibt es da nicht, zumal man den Strom messen muss und in eine Spannung verwandlen muss und ein Messwiderstand an dem für den NE555 bei 2A ca. 3V abfallen ist gross und kostet Energie, man braucht also Vorverstärkung (oder eine andere Schaltung). Dir also eine kleine Schaltung zu erklären, ist mühsamer, als wenn du dir einen uC programmierst der über den Analogeingang die Spannnug am shunt, unter 1V, misst.
Naja: Ein Shunt mit einem OPV, der die Spannung über dem Shunt verstärkt, dazu findet man genug Schaltungen im Netz. Selbst wenn er das mit einem µC macht, kommt er da nicht drum herum. Dann noch ein VOC, das gibt es als fertiges IC. Dumm nur daß die meistens Frequenzen liefern die weit außerhalb des akustisch Wahrnehmbaren liegen - also noch ein (oder mehrere) schnöder Zähler an den Ausgang gelegt. Und direkt an dessen Ausgang ein Piezotongenerator. Dafür jemanden zum Programmieren zu nötigen ist lächerlich.
Wühlhase schrieb: > Dumm nur daß die > meistens Frequenzen liefern die weit außerhalb des akustisch > Wahrnehmbaren liegen Der CD4046 kann bis tief in den Hörbereich arbeiten. Im Datenblatt wird ab 1 Hz geplottet.
Moin, Vielleicht waer's auch interessant zu wissen: Gleich- oder Wechselstrom? Bei was fuer Spannungen spielt sich die Schmelzerei denn ab - wo kommen die her? Gruss WK
Dergute W. schrieb: > Gleich- oder Wechselstrom? immer diese Detailfragen, beantworte doch einfach nur die Frage, mehr will der TO doch nicht :)
0,1R Widerstand und lautsprecher in reihe schalten. Ac Trafo verwenden.
Hallo, vielen Dank für die vielen Vorschläge, ich guck mir das über's WE mal im Detail an. PS: aktuell habe ich ein schnödes 100W 24V DC Tischnetzteil. Der Strom bewegt sich im Bereich 1,5-3A. Bienenwachs schmilzt irgendwo knapp über 50°C. Wechselstrom ginge natürlich auch. Gruss, Jost
Joachim B. schrieb: > Dergute W. schrieb: >> Gleich- oder Wechselstrom? > > immer diese Detailfragen, beantworte doch einfach nur die Frage, mehr > will der TO doch nicht :) Was ist die Frage aller Fragen. Und wer wird mir die Antwort sagen... :-)
Wenn man sich anschaut wie der Herr das in dem Video macht sieht das eigentlich ganz einfach aus: https://www.youtube.com/watch?v=dArw2g1uQIg#t=1m20s Ich kann mir vorstellen dass die 24V die du verwendest vielleicht einfach zu viel sind und das Wachs zu schnell schmilzt und man garnicht schnell genug reagieren kann wann man aufhören muss mit der Stromzufuhr.
Wenn man das Video weiter denkt, kommt man auf einen Zeitschalter wie beim Punktschweissen. Die Leistung natürlich entsprechend der Anwendung.
@TO Für solche Geschichten (vgl. Styropor schneiden etc) verwendet man Konstantstrom Netzteile. Im einfachsten Fall ein 0815 Labornetzteil. Damit kannst du die Leistung einigermaßen gut kontrollieren. Ich vermute mal dass dein Problem vor allem dadrin besteht dass es viel zunschnell schmilzt sobald der Kontakt da ist ? Die einfache Lösung ist ein OPV und ein Mikrocontroller sowie Piezo. Evtl. gibt es da irgendein Arduino Shield zur Strommessung...dann brauchst du „nur“ noch ein wenig Software. P.s. Schonmal mit einer Glühbirne (oder 2) in Reihe probiert ?. Das begrenzt den Strom und sobald der Kontakt da ist leuchtet das Ding...
Und die Verwendung eines Bleiakkuladers als Energiequelle wie im Video ist denke ich mal auch von Vorteil, da eine Konstantstromquelle Kontaktschwierigkeiten einfach ausgleicht.
Als einfachsten Zeitschalter habe ich sicher noch irgendwo so einen Bimetall Schalter herumliegen.
Oder einen alten Modellbahn Trafo nehmen, der hat den Schalter schon drin. Muss man nur richtig einstellen.
Moin, OK, Damit waeren die Spannungs- und Stromverhaeltnisse soweit klarer. Wenn ich mir aber die letzen Posts so anschau, keimt in mir aber der Verdacht eines XY Problems. Also: Was ist das eigentliche Problem bei deinem Aufbau zum Draht-in-Wachs schmelzen? Gruss WK
Hallo, wie war nochmal die Frage? "Um den Feedback bei der Kontaktierung zu verbessern, bin ich auf der Suche nach einer Schaltung, welche akustisch die Stromstärke anzeigt - am besten mit Tonhöhe, Lautstärke ginge aber bestimmt auch." Es geht nicht um Vorschläge für bestes Netzteil, Zeitkonstanten, usw. Das ist soweit schon in Ordnung und kann als gelöst angesehen werden. Die Verbesserung zielt auf akustischen Stromfeedback, weil man beim Einlöten nur auf die Mittelwand schaut und wartet, bis sich der Draht weit genug einschmilzt - zuviel ist auch nichts, man will ja die Wachsplatte nicht schneiden. Bei dem Vorgang hat man kein Auge für die Kontaktierung oder ein Amperemeter (was ich schon dran hab)! Es kommt halt immer wieder vor, dass man die Elektroden auf den Draht hält und man denkt sich, wann fängt der Draht endlich an sich in das Wachs einzuschmelzen? Und genau das ist die Stelle, an der man sich den akustischen Stromfeedback wünscht. Wer schon mal Gleitschirm/Drachen geflogen ist, weiss um den Wert der akustischen Ausgabe des Varios. Das war mir bei der Eingangsfrage im Hinterkopf. mfg Jost
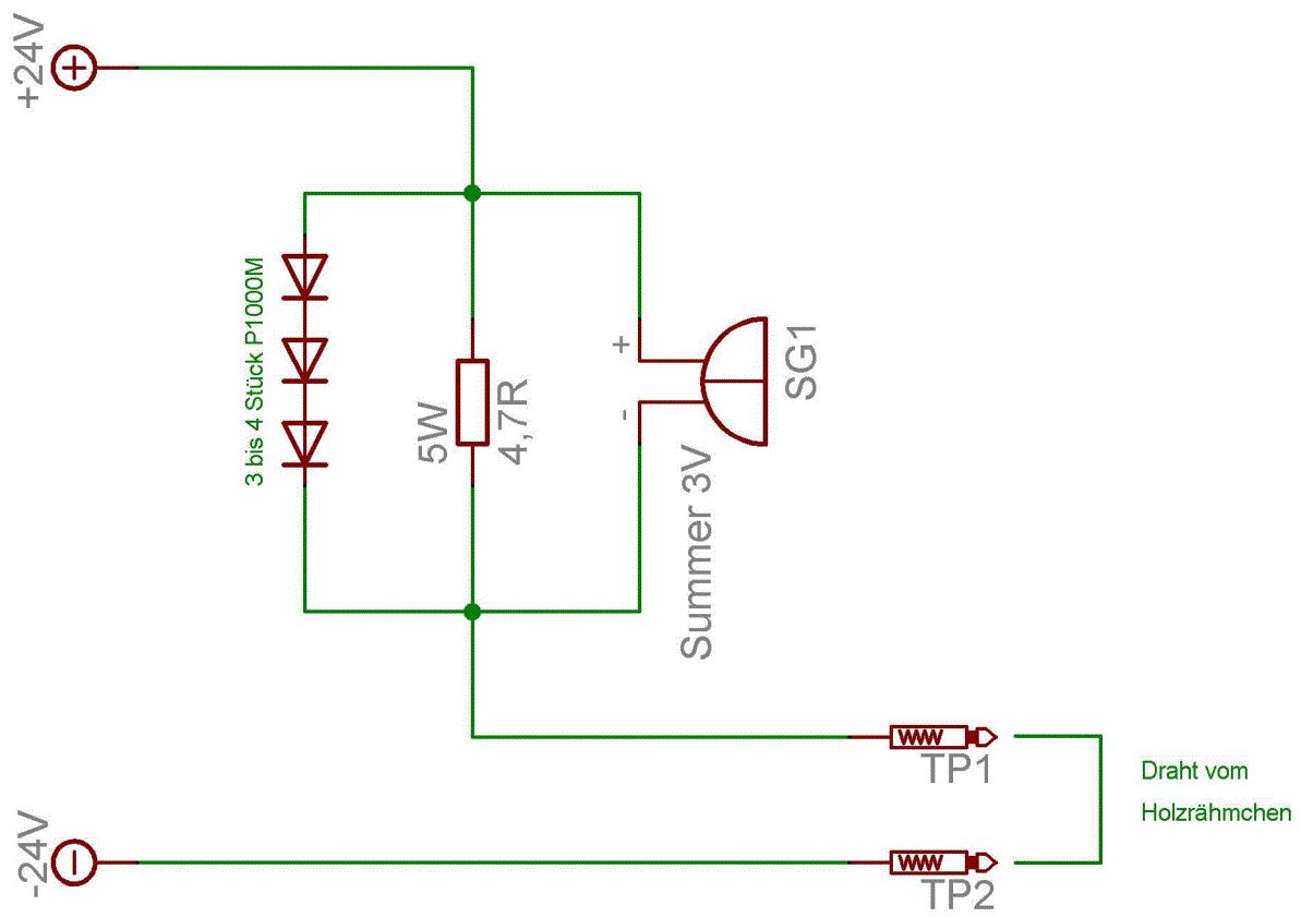
Man könnte es vielleicht so probieren. Nachteil bei der Schaltung ist aber man verliert pro Diode etwa 0,8 bis 1V von den 24V. Die Teile gibt es alle bei reichelt elektronik. Wenn man aber von woanders einen 1,5V Summer herbekommt kann man sogar noch eine Diode weglassen dann wären es nur 2V Verlust. Von den 4,7 Ohm Widerständen eventuell mehrere parallel schalten bis es passt. Da muß man ein bißchen rumprobieren.
:
Bearbeitet durch User
Moin, Damit mal nicht nur dumme Fragen von mir kommen: Hier mal so ne erste Idee, wie man mit althergebrachter Analogtechnik evtl. den Spannungsabfall des 24V Trafos in Gequitsche umwandeln koennte. Ist aber nur reines Trockenschwimmen, die Bauteilwerte sind nur mal so Anhaltspunkte. Vielleicht springt ja einer der Schbeiss-Fetischisten drauf an... Gruss WK
Bitte melde dich an um einen Beitrag zu schreiben. Anmeldung ist kostenlos und dauert nur eine Minute.
Bestehender Account
Schon ein Account bei Google/GoogleMail? Keine Anmeldung erforderlich!
Mit Google-Account einloggen
Mit Google-Account einloggen
Noch kein Account? Hier anmelden.

