Hallo, möchte eine simple, stromsparende Einschaltverzögerung für 12VDC basteln. Möglichst mit CD4011 anstatt NE555, denn damit habe ich es schon erfolglos versucht. Simpel erscheint mir diese: http://www.circuitdiagram.org/simple-time-delay-switch-using-cd4011.html Jedoch fände ich es besser wenn ein P-Kanal Moset verwendet werden würde. Wie würde die Schaltung dann aussehen? Möchte 2 oder 8 Sekunden (bin noch nicht sicher) verzögert 12VDC durchschalten (LOW 0V, HIGH 12V).
Jörg R. schrieb: > Warum? Wahrscheinlich weil der MOS (fast) keine Leistung im eingeschalteten Zustand frisst. Um die Frage zu beantworten: Die Schaltung sähe ganz genau so aus, du musst nur darauf achten, dass die Gatespannung reicht, um den P-Mos durchzuschalten
Ich halte die Schaltung ja für Murks. Wenn der Taster offen ist, ist der Eingang quasi undefiniert und somit auch der Ausgang. Und selbst wenn das aufgrund des Kondensators doch funktioniert, hast Du auch eine Auscchalt-Verzögerung, da es einige Zeit dauert, bis sich der Kondensator entladen hat. Außerdem wird bei einer nur kurzen Pause bis zum neuen Einschalten die Verzögerung wesentlich kürzer sein, da noch eine Restladung im Kondensator ist.
Markus M. schrieb: > Ich halte die Schaltung ja für Murks. ACK, völliger Murks. Der TE sollte mal erzählen was er da verzögert einschalten will.
hinz schrieb: > Markus M. schrieb: >> Ich halte die Schaltung ja für Murks. > > ACK, völliger Murks. > > Der TE sollte mal erzählen was er da verzögert einschalten will. Und weshalb es mit dem 555 nicht funktionieren soll? Es geht natürlich auch mit einem 4000er Chip. Nur würde ich dann den CD4093 nehmen...anstatt dem 4011.
Jörg R. schrieb: > Es geht natürlich auch mit einem 4000er Chip. Nur würde ich dann den > CD4093 nehmen...anstatt dem 4011. Ja, das war auch mein erster Reflex (Schmitt-Trigger), aber die anderen Unlänglichkeiten der Schaltung werden damit auch nicht behoben.
Markus M. schrieb: > Jörg R. schrieb: > >> Es geht natürlich auch mit einem 4000er Chip. Nur würde ich dann den >> CD4093 nehmen...anstatt dem 4011. > > Ja, das war auch mein erster Reflex (Schmitt-Trigger), Das war auch mein erster Gedanke. > aber die anderen Unlänglichkeiten der Schaltung werden damit auch > nicht behoben. Das ist richtig, die Schaltung muss geändert werden. Der offene Eingang geht überhaupt nicht.
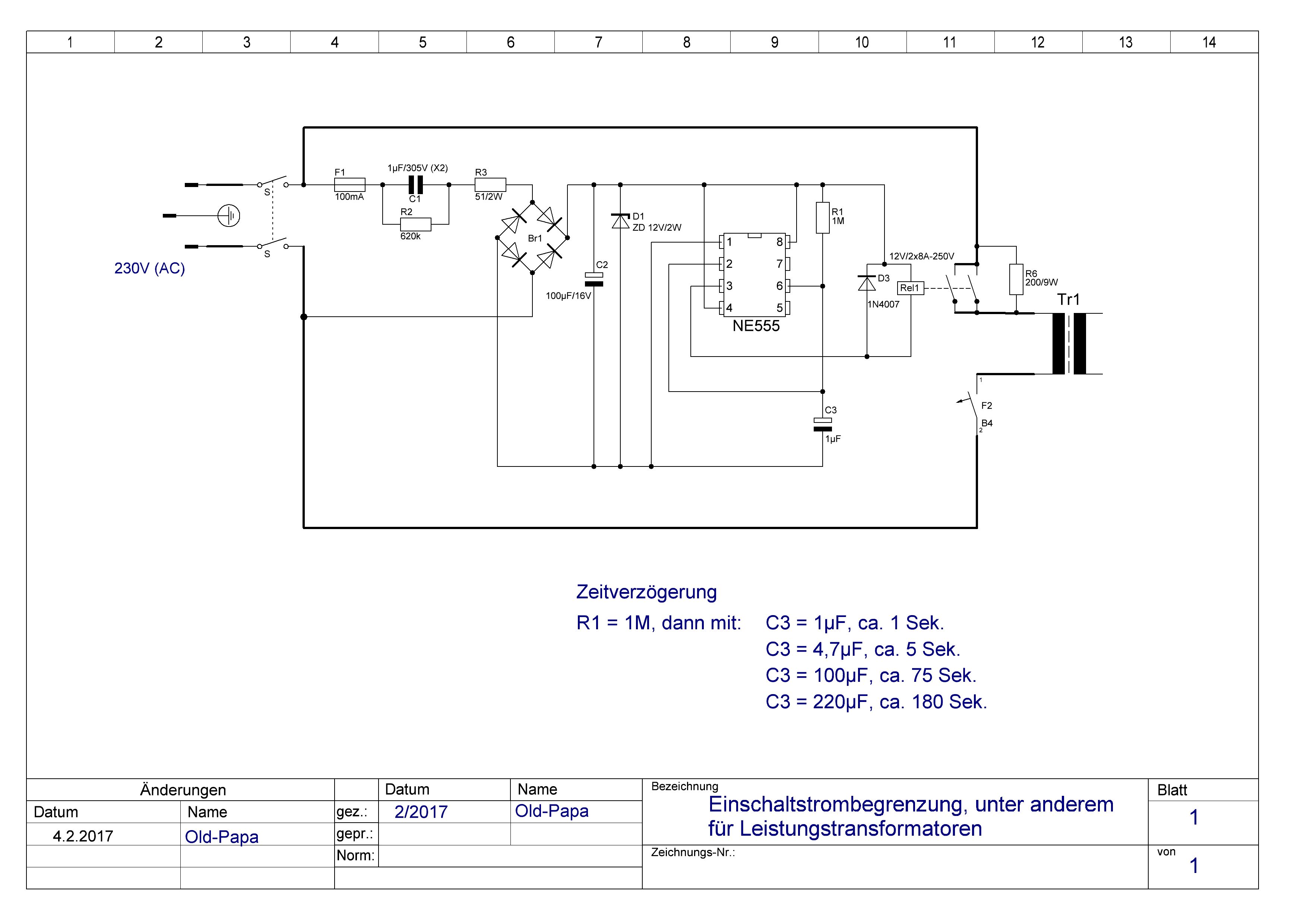
Siggi schrieb: > Hallo, möchte eine simple, stromsparende Einschaltverzögerung für 12VDC > basteln. Möglichst mit CD4011 anstatt NE555, denn damit habe ich es > schon erfolglos versucht. Warum dieses? das Ding ist doch extra für solche Aufgaben gemacht. Siehe Foto, das Ding habe ich inzwischen in einigen Geräten verbaut. Sieht mit der kompletten Schaltung (Stromversorgung und geschaltetes Gerät) komplizierter aus, als mit 4011, ist es aber auch nicht und tut gut seinen Dienst. Den "F2" musst Du Dir wegdenken, das ist der LSS von meinem Trennstelltrafo. Old-Papa
Jörg R. schrieb: > CD4093 nehmen...anstatt dem 4011. Ja, den V4093 hatte ich zu DDR-Zeiten auch für verschiedenste Zeitschaltungen genommen. Mit 4 AND-Schmitt-Triggern ist man sehr flexibel. Heutzutage nehme ich MCs, z.B. ATtiny25. Keine externe Komponenten nötig, definiertes Power-On-Reset, beliebig komplexe Abläufe, beliebig lange Zeiten möglich, einfach zu ändern.
Siggi schrieb: > Hallo, möchte eine simple, stromsparende Einschaltverzögerung für 12VDC > basteln. Möglichst mit CD4011 Warum nicht gleich mit einem Monoflop-IC wie z.b. dem 4047? > anstatt NE555, denn damit habe ich es > schon erfolglos versucht. Beim Bau eines Monoflops mit dem 555 kann man eigentlich kaum etwas falsch machen, wenn man sich an die Schaltung im Datenblatt hält. Da eine Einschaltverzögerung sozusagen umgekehrt ist, wie ein Mono- flop braucht man noch etwas Glue-Logik. Soll es stromsparend sein, nimmt man die CMOS-Versionen des 555. > Jedoch fände ich es besser wenn ein P-Kanal Moset verwendet werden > würde. P-MosFets haben immer schlechtere Daten, wie die entsprechenden N-Mos-Versionen. Deshalb nimmt man die nur, wenn es sich nicht vermeiden lässt.
Peter D. schrieb: > Ja, den V4093 hatte ich zu DDR-Zeiten auch für verschiedenste > Zeitschaltungen genommen. Mit 4 AND-Schmitt-Triggern ist man sehr > flexibel. Kleine Korrektur...CD4093 und CD4011 sind Nand-Gatter;-)
Jörg R. schrieb: > Kleine Korrektur...CD4093 und CD4011 sind Nand-Gatter;-) Ja, aber im Gegensatz zum 4011 darf man am 4093 langsame Signale anklemmen. In einem Serienprodukt hatte der Kollege ein RC-Glied an einem 4011, das hat viele Jahre funktioniert. Als er dann in Rente war, gab es auf einmal Ausfälle bei der Erstinbetriebnahme, der 4011 schwang kurzzeitig undefiniert. Das ist nicht unerwartet, wenn man Logikanschlüsse mit unzulässigen Pegeln beaufschlagt, aber Zufall, manche ICs sind eben toleranter oder langsamer als andere. Glück gehabt, die Schaltungsecke war nicht sonderlich schnell und der 4093 ist Pinkompatibel. Markus M. schrieb: > aber die anderen Unlänglichkeiten der Schaltung. Generell beschert das Aufladen eines Kondenstors sehr hohe Zeittoleranzen, wenn das Gerät selten genutzt wird. Wenn ich Zeitglieder mit RC (Elko) baue, schaue ich, den C dauerhaft zu bestromen und dessen Entladung zu nutzen. Wenn es auf nichts ankommt, 200% Zeittoleranz, kann man sowas auch mit einem Elko und evtl. Z-Diode direkt an der Basis eines Transistors machen.
Manfred schrieb: > Ja, aber im Gegensatz zum 4011 darf man am 4093 langsame Signale > anklemmen. Zur Erinnerung;-) Jörg R. schrieb: > Nur würde ich dann den CD4093 nehmen...anstatt dem 4011.
Jörg R. schrieb: > Es geht natürlich auch mit einem 4000er Chip. Nur würde ich dann den > CD4093 nehmen...anstatt dem 4011. Warum nicht den 4538?
Mein Senf schrieb: > Jörg R. schrieb: >> Es geht natürlich auch mit einem 4000er Chip. Nur würde ich dann den >> CD4093 nehmen...anstatt dem 4011. > > Warum nicht den 4538? Zeige mal eine Schaltung für eine Einschaltverzögerung mit dem 4538.
Jörg R. schrieb: > Zeige mal eine Schaltung für eine Einschaltverzögerung mit dem 4538. Ist ein Monoflop. Wenns mit einem 4011 geht, wieso dann nicht mit dem?
Mein Senf schrieb: > Jörg R. schrieb: > Zeige mal eine Schaltung für eine Einschaltverzögerung mit dem 4538. > > Ist ein Monoflop. Wenns mit einem 4011 geht, wieso dann nicht mit dem? Dann zeige doch mal Deine Schaltung. Der 4011 ist übrigens kein Monoflop. Davon abgesehen macht ein Monoflop das Gegenteil von dem was der TO möchte.
Siggi schrieb: > Wie würde die Schaltung dann aussehen? Batterie, Schalter (braucht ausgeschaltet also schon mal 0.00A) dann an geschaltetes plus statt dem CD4011 ein CD4093, Schaltung wie du sie hast aber ohne S1, den hast du ja nun direkt nach der Batterie, dann R1 und C1 berechnet auf 8 Sekunden also 1MOhm und 8uF, dann statt T1 halt ein P-MOSFET jr nach Leistung, IRD4905 geht an 12V, ebenfalls ohne Widerstand vor dem Gate. Die circuitsdiagram Leute haben den Widerstand beim Bipolartransistor fälschlicherweise weggelassen. Alle IC-Anschlüsse wie bei denen verdrahtet.
Jörg R. schrieb: > Mein Senf schrieb: > Jörg R. schrieb: > Zeige mal eine Schaltung für eine Einschaltverzögerung mit dem 4538. > Ist ein Monoflop. Wenns mit einem 4011 geht, wieso dann nicht mit dem? > > Dann zeige doch mal Deine Schaltung. > > Der 4011 ist übrigens kein Monoflop. Davon abgesehen macht ein Monoflop > das Gegenteil von dem was der TO möchte. Den Triggerimpuls mit einem R und einem C zu bekommen, ist bekannt?
Mein Senf schrieb: > Jörg R. schrieb: >> Mein Senf schrieb: >> Jörg R. schrieb: >> Zeige mal eine Schaltung für eine Einschaltverzögerung mit dem 4538. >> Ist ein Monoflop. Wenns mit einem 4011 geht, wieso dann nicht mit dem? >> >> Dann zeige doch mal Deine Schaltung. >> >> Der 4011 ist übrigens kein Monoflop. Davon abgesehen macht ein Monoflop >> das Gegenteil von dem was der TO möchte. > > Den Triggerimpuls mit einem R und einem C zu bekommen, ist bekannt? Klugscheißer, oder was soll die Frage? Du lieferst einen Auszug aus dem DB und eine Frage. Das Bild zeigt ein nicht retriggerbares Monoflop. Wenn Deine Frage sich darauf bezieht wie das Teil funktioniert...Ja, weiß ich. Nur sucht der TO das nicht. Noch mal für Dich...der TO sucht eine Einschaltverzögerung;-)
Jörg R. schrieb: > Noch mal für Dich...der TO sucht eine Einschaltverzögerung;-) Mit einem P-Kanal-Fet. Dann ist es eine Einschaltverzögerung.
Mein Senf schrieb: > Jörg R. schrieb: >> Noch mal für Dich...der TO sucht eine Einschaltverzögerung;-) > > Mit einem P-Kanal-Fet. Dann ist es eine Einschaltverzögerung. Kommen noch mehr Salamischeiben? Zeige mal eine komplette Schaltung und nicht dauern Fragmente, bevorzugt in Prosa;-( Vor allem kommen jetzt noch Bauteile dazu. Deine Frage war eigentlich... Mein Senf schrieb: > Warum nicht den 4538?
Jörg R. schrieb: > Deine Frage war eigentlich... > > Mein Senf schrieb: >> Warum nicht den 4538? Die Frage steht noch immer im Raum. Soll ich die Schaltung aus dem Datenblatt etwa 1:1 abzeichenen? Was soll das bringen? Wie man einen P-Kanal-FET (High Side) anklemmt, weißt du.
Mein Senf schrieb: > Soll ich die Schaltung aus dem Datenblatt etwa 1:1 abzeichenen? Was soll > das bringen? Wie man einen P-Kanal-FET (High Side) anklemmt, weißt du. Und weiter geht die Fragerei;-( Und ja, zeige mal deine komplette Schaltung. Und bitte nicht wieder mit einer Frage antworten.
Jörg R. schrieb: > Und weiter geht die Fragerei;-( > > Und ja, zeige mal deine komplette Schaltung. Und bitte nicht wieder mit > einer Frage antworten. Du nervst. Für wen hältst du dich? Du hast überhaupt nichts zu verlangen! Wegen dir erstelle ich keinen Schaltplan, nur weil du nicht in der Lage bist, einen P-MMOSFET an einen CMOS-Ausgang ranzuzeichnen. Gehts noch? Du blubberst nur rum. Fang endlich mal an, selbst zu denken. EOT
Siggi schrieb: > Möchte 2 oder 8 Sekunden (bin noch nicht sicher) verzögert 12VDC > durchschalten (LOW 0V, HIGH 12V). Hi, die Monoflops der 4000-er Serie sind eigentlich nicht für die langen Zeiten gedacht. Eher für Millisekunden. Dafür aber sehr präzise. Dann hat man die Erholzeit zu berücksichtigen, die umso größer wird, je länger die Verzögerungszeit. Das heißt, man kann nicht direkt hinterher nochmal triggern, ohne diese Zeit abzuwarten. Zur Entladung sollte noch eine Diode vorgesehen werden. Vorschlag: Nimm was anderes. ciao gustav
Karl B. schrieb: > > Vorschlag: > Nimm was anderes. Eben! Z. B. den oben gezeigten 555 mit seinen 4 weiteren Bauteilen (plus Stromversorgung, wenn die nicht sowieso vorhanden ist. Old-Papa
Mein Senf (Gast) schrieb: >Jörg R. schrieb: >> Noch mal für Dich...der TO sucht eine Einschaltverzögerung;-) >Mit einem P-Kanal-Fet. Dann ist es eine Einschaltverzögerung. Nein. Das Ding springt immer wieder in seinen Ausgangszustand zurück - das will der TO offensichtlich nicht.
Mein Senf schrieb: > Jörg R. schrieb: >> Und weiter geht die Fragerei;-( >> >> Und ja, zeige mal deine komplette Schaltung. Und bitte nicht wieder mit >> einer Frage antworten. > > Du nervst. Für wen hältst du dich? Du hast überhaupt nichts zu > verlangen! > Wegen dir erstelle ich keinen Schaltplan, nur weil du nicht in der Lage > bist, einen P-MMOSFET an einen CMOS-Ausgang ranzuzeichnen. > Gehts noch? > Du blubberst nur rum. Fang endlich mal an, selbst zu denken. a) Du bist genervt weil Du nach 2 Nachfragen schon überfordert bist b) Der Schaltplan wäre eher für den TO, ich benötige keinen c) Du blubberst rum anstatt dass Du dir 3 Minuten nimmst um deine Idee zu zeigen d) Dein Nickname passt schon, Du machst ihm alle Ehre;-) Jens G. schrieb: > Mein Senf (Gast) schrieb: > >>Jörg R. schrieb: >>> Noch mal für Dich...der TO sucht eine Einschaltverzögerung;-) > >>Mit einem P-Kanal-Fet. Dann ist es eine Einschaltverzögerung. > > Nein. Das Ding springt immer wieder in seinen Ausgangszustand zurück - > das will der TO offensichtlich nicht. Richtig;-)
Ich erinnere mich an ein Gerät, das mit einer Verzögerung einstellbar bis 10 Jahre auf Störung ging, wenn keine Wartung erfolgte. Sehr einfacher Aufbau mit 2 CD4060 und 100% wirksam.
Bitte melde dich an um einen Beitrag zu schreiben. Anmeldung ist kostenlos und dauert nur eine Minute.
Bestehender Account
Schon ein Account bei Google/GoogleMail? Keine Anmeldung erforderlich!
Mit Google-Account einloggen
Mit Google-Account einloggen
Noch kein Account? Hier anmelden.


