Hallo zusammen, die Batterie des Autos war einige Wochen abgeklemmt. Nach dem Anklemmen funktioniert zwar das Auto, nicht aber das Radio. Es ist komplett tot und lässt sich nicht mehr einschalten. Nur ein Motörchen des CD-Laufwerks summt für eine Sekunde. Das Display zeigt nichts. Der Einschaltknopf ist ohne Funktion. Einen Schaltplan habe ich hier gefunden: https://www.hobbielektronika.hu/forum/getfile.php?id=356579 Habe das Radio aufgeschraubt und keine sichtbaren Defekte gefunden. Mit dem Netzteil an Dauerplus und Zündung (13V) habe ich versucht, ein paar Spannungen zu messen. Was seltsam ist: Wenn ich das Netzteil einschalte, zieht das Radio ca. 360mA Strom. Nach aus- und wieder einschalten ist das meist genauso. Manchmal erwischt man es aber, dass es nach dem neuen Einschalten nur ca. 90mA zieht. Habe meine Messergebniss mal angehängt. Was für eine Konstruktion ist das mit und um V2022? Wird der irgendwie als Spannungsregler benutzt? Jedenfalls sollte der knapp 9V liefern, es sind aber nur 5 bzw. knapp 4V. Heißt das, dieser Transistor hat ein Problem? Oder wird danach zuviel Strom gezogen? Bei einer gesamten Aufnahme von 90mA dürfte das ja nicht der Fall sein. Es wäre schön, wenn ihr mir bei der Fehlersuche helfen würdet. Ich will das Radio nur ungern aufgeben und entsorgen. Danke und Grüße Markus
Mark U. schrieb: > die Batterie des Autos war einige Wochen abgeklemmt. https://www.noz.de/deutschland-welt/gut-zu-wissen/artikel/701846/wo-finde-ich-den-freigabe-code-fur-mein-autoradio Grüßle Volker
Hallo Volker, was soll der Rat mit dem Code, wenn das Radio nicht angeht, kann man auch keinen Code eingeben. Bernd
Der Transistor scheint hier Bestandteil eines Spannungsregler zu sein. Das da hinten zu wenig raus kommt, könnte daran liegen, dass der CD Player zu viel Strom aufnimmt oder dass er zu schwach angesteuert wird.
Danke für den Hinweis. Das hatte ich vergessen zu erwähnen: In der Bedienungsanleitung steht nichts von einem Code, der eingegeben werden müsste. Das war zuvor auch nie nötig, z.B. als es von meinem vorigen Auto in das aktuelle eingebaut wurde. Als Diebstahlschutz hat dieses Radio ein abnehmbares Bedienteil. Deshalb muss ein technischer Defekt vorliegen.
Bau das Radio mal aus und nimm ein Labornetzgeraet zum austesten.
Mark U. schrieb: > Deshalb muss ein technischer Defekt vorliegen. Das abnehmbare Bedienteil richtig einsetzen Die Kontakte des abnehmbaren Bedienteils überprüfen, reinigen ...
Bernd N. schrieb: > was soll der Rat mit dem Code, wenn das Radio nicht angeht, kann man > auch keinen Code eingeben. Sorry, meine Glaskugel ist leider kaputt... Kannst Du Dir eigentlich vorstellen, dass nicht jeder Hellsehen kann oder Lust hat, nachzuforschen, ob Dein Radio einen Sicherheitscode benötigt. Dann noch viel Spaß! Grüßle Volker.
> Sorry, meine Glaskugel ist leider kaputt... > > Kannst Du Dir eigentlich vorstellen, dass nicht jeder Hellsehen kann > oder Lust hat, nachzuforschen, ob Dein Radio einen Sicherheitscode > benötigt. Tut mir leid, ich, also der Ersteller der Frage, habe das nicht geschrieben. Derjenige hat aber grundsätzlich Recht, würde ich meinen: Wenn das Radio nicht angeht, also auch nichts auf dem Display steht, ist die Eingabe eines Codes schwierig. Man hätte das vielleicht auch höflicher formulieren können.
Ich wuerde die Bruecke R2033 hochhaengen und nachpruefen, wie die Spannung an MP2022 danach aussieht.
Bei meinem Gerät war es so, das der Code nicht per Hand eingegeben werden kann, sondern nur per Datenkabel in der Werkstatt. Der Code-Speicher ist mit einem Elko gepuffert der den Code für ein paar Stunden halten kann, dann braucht das Radio bei Batteriewechsel, leerer Batterie nicht sofort neu programmiert werden. Ist der Elko aber einmal leer, dann muss das Radio per CAN-Bus neu programmiert werden, sonst geht gar nichts an.
Mark U. schrieb: > Wird der irgendwie als Spannungsregler benutzt? Über Umwege ja. Aber es sollte klar sein, das ohne U33 die gesamte Schaltung nicht startet. Die solltest du mal messen. V2022 ist der 'Hauptschalter', der das Radio erst befeuert, wenn U33 anliegt. Gunther schrieb: > Ist der Elko aber einmal > leer, dann muss das Radio per CAN-Bus neu programmiert werden, sonst > geht gar nichts an. Natürlich nicht. Dann wäre ein Umbau des Radios von einem Wagen in den anderen so gar nicht möglich gewesen. Dieses Radio hat auch keinen CAN Bus sondern nur eine einfache externe Kommunikation, vermutlich für einen CD Wechsler (CDC Option).
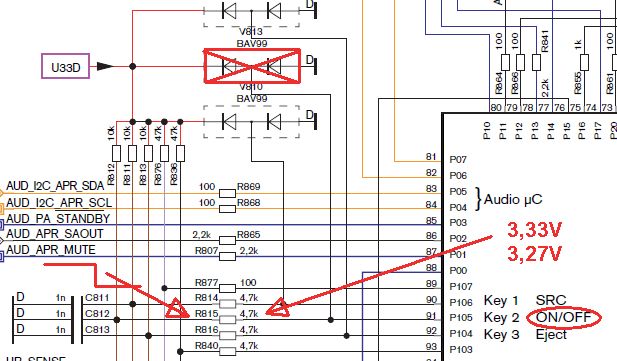
So, habe jetzt ein paar Sachen probiert und noch einiges raus finden können: CD-Player abgeklemmt, die Stromaufnahme sinkt auf 300mA. Radio geht aber nicht an. Diverse Spannungen untersucht, die oben genannte (mit dem Auszug aus dem Schaltplan) ist es wohl nicht. Die wird erst durch den Prozessor eingeschaltet, das Signal dafür ist 0. Aktiv wäre es laut Schaltplan High. Der Prozessor bekommt 3,3V und sollte laufen. Jetzt aber: Der ON/OFF Taster geht an eine Schutzschaltung, wo sein Pegel gut gemessen werden kann. Dort messe ich in Ruhe 3,33V, wenn der Taster gedrückt wird, geht die Spannung auf 3,27V runter. Das reicht wohl kaum, um den Tastendruck zu erkennen. An der Stelle werde ich morgen weiter suchen.
Na da hast du ja einen guten Anhaltspunkt gefunden. Vielleicht hat doch das Bedienfeld Kontaktprobleme.
Habe jetzt doch noch schnell nachgesehen: Der Taster wird über einen Widerstand R815 eingelesen. Auf Seite des Tasters geht die Spannung bei Betätigung des Tasters von 3,2V auf 0,1V, das sieht also gut aus. Auf der andern Seite (Prozessor und Schutzschaltung) bleibt die Spannung fast unverändert. Was ist jetzt wohl das Problem? Ist die Schutzschaltung hinüber? Oder der Prozessor hat den Pin nicht als Eingang geschaltet? Wie kann ich das möglichst einfach und zerstörungsfrei prüfen? Danke & schönen Feierabend. Bis morgen!
Matthias S. schrieb: > Gunther schrieb: >> Ist der Elko aber einmal >> leer, dann muss das Radio per CAN-Bus neu programmiert werden, sonst >> geht gar nichts an. > > Natürlich nicht. Dann wäre ein Umbau des Radios von einem Wagen in den > anderen so gar nicht möglich gewesen. Dieses Radio hat auch keinen CAN > Bus sondern nur eine einfache externe Kommunikation, vermutlich für > einen CD Wechsler (CDC Option). Das Radio wird auch nicht umgebaut, sondern direkt vom Radiohersteller an den Autohersteller geliefert, der baut es dann in seine Neuwagen ein. Soll das Radio in ein anderes Auto und bleibt das Radio länger ohne Strom, muss der Hersteller direkt den Code für diese Geräte (jede Seriennummer/Fahrgestellnummer hat einen anderen Code) über den CAN Bus eingespielt werden. Das Radio bekommt über den CAN Bus auch Infos über Reifendruck, Geschwindigkeit, Neigung des Fahrzeugs und schlag mich tot.
Mark U. schrieb: > Was ist jetzt wohl das Problem? Ist die Schutzschaltung hinüber? Gut möglich. Oder der Mikrocontroller ist defekt und zieht den Pin hoch.
Gunther schrieb: > Das Radio wird auch nicht umgebaut, sondern direkt vom Radiohersteller > an den Autohersteller geliefert, der baut es dann in seine Neuwagen ein. Hey, der TE hat sein Radio aber ohne Probleme damals von einem ins andere Auto umgebaut (warum liest du nicht einfach die Postings?) > Das Radio bekommt über den CAN Bus auch Infos über > Reifendruck, Geschwindigkeit, Neigung des Fahrzeugs und schlag mich tot. Und noch einmal: Dieses Radio hat keinen CAN Bus, das ist ein Blaupunkt München. Es hat einen einfachen seriellen Bus, der aber nur für den Anschluss des CD Wechslers vorgesehen ist. Lies den Schaltplan - ist doch oben verlinkt. Stefan ⛄ F. schrieb: > Oder der Mikrocontroller ist defekt und zieht den Pin hoch. Das wollen wir mal nicht hoffen. Es wäre sicher sinnvoll, erstmal die Doppeldiode auszulöten.
Matthias S. schrieb: > Das wollen wir mal nicht hoffen. Es wäre sicher sinnvoll, erstmal die > Doppeldiode auszulöten. Wobei das schon seltsam ist. Batterie war abgeklemmt und wird nach einigen Wochen wieder angeklemmt und dann soll die Diode durchlegiert sein. Dann hätte an U33 ein ordentlicher Impuls sein müssen.
Udo S. schrieb: > Wobei das schon seltsam ist. Wer in der Elektronik noch nichts Seltsames erlebt hat, der werfe mit dem ersten Schütz! :)
Lustiger Spruch! Aber jetzt will ich berichten: Die Schutzdioden wurden ausgelötet, sie messen jeweils ca. 0,7V und scheinen damit in Ordnung zu sein. Das Messergebnis an R815 ändert sich dadurch nicht, also scheint der Pin des Controllers das Signal dauerhaft auf high zu ziehen. Läuft der Controller, ein , überhaupt? Der Reset-Eingang ist dauerhaft high, also kein Reset. An den Pins, an denen der Quarz angeschlossen ist, messe ich 26Hz bzw. 4Hz, ist etwas seltsam. Wahrscheinlich aber ist diese Takterzeugung ausgeschaltet und der interne Oszillator wird benutzt. Und schließlich kann nach dem Einschalten gesehen werden, dass das EEPROM gelesen wird, jedenfalls findet da Kommunikation statt. Und nein, da wird kein Code ausgelesen, dieses Radio hat keinen. Grundsätzlich scheint der Controller also zu arbeiten. Vielleicht durchläuft er einen Selbsttest, während dem die Taster-Eingänge gesperrt sind, indem sie auf high gezogen werden. Wenn der Selbsttest an einer Stelle hängen bleibt, werden die Eingänge nie aktiv, das Gerät kann nicht eingeschaltet werden. Trotzdem würde ich bei einem fehlerhaften Selbsttest die Ausgabe eines Fehlercodes erwarten. Jetzt weiß ich nicht mehr weiter und bin kurz davor hinzuschmeißen. Oder habt ihr noch Tips, wonach ich weiter schauen kann? Gruß Markus
Mark U. schrieb: > Oder habt ihr noch Tips, wonach ich weiter schauen kann? Du kannst mit dem Ohmmeter mal vergleichende Messungen zwischen dem Anschluss für den On/Off Taster und den anderen Taster am Prozessor machen, gegen Masse und gegen U33D. Es ist höchst unwahrscheinlich, das der Prozessor während eines Selbsttests die Pins hart auf Plus zieht, denn da sind ja bereits Pullups. Ich würde hier den Komponententester meines Oszis einsetzen, der steht dir vermutlich aber nicht zur Verfügung. Alles in allem solltest du nicht allzuviel Zeit in das kleine Radio mehr investieren, dazu sind Ersatzgeräte einfach nicht teuer genug.
Steuere den Eingang doch mal niederohmig an, mit 100 Ohm Widerstand kurz antippen.
prüfe ob R815 hochohmig ist, bzw ob da Verbindung zum Schaltkontakt ist.
Danke für die Hinweise. Also: - R815 ist OK (Widerstandswert passt), auch die Verbindungen zum Controller und zum Taster - Komponententester habe ich nicht, nur Diodentester Damit messe ich ca. 0,9V vom Controller-Pin nach Masse bzw. 3,3V. Scheint also OK zu sein. Habe die 100 Ohm kurz zwischen Masse und den Controller-Pin gehalten, da passiert leider nichts. Dann habe ich das Radio mal nur mit Dauerplus betrieben: 90 mA Dann zusätzlich die Spannung an die Zündung angeschlossen: 300 mA Zündspannung wieder getrennt: Strom bleibt bei 300 mA. Irgendwie werde ich nicht schlau. Und es stimmt schon, dass sich der ganze Aufwand nicht lohnt. Werde das Radio wohl aufgeben müssen, auch wenn es weh tut...
Mark U. schrieb: > Damit messe ich ca. 0,9V vom Controller-Pin nach Masse bzw. 3,3V. > Scheint also OK zu sein. Hast du nicht mal einen Vergleich mit den anderen Pins daneben gemacht?
Oh, sorry, hatte ich vergessen zu sagen: Die benachbarten Pins sehen gleich aus.
Key1, key2 und key3 sind ANALOGE Sammelschienen, die über verschiedene, einprozentige Widerstandsketten je nach Tastendruck belastet werden. Gespeist vom Prozessor, die drei Eingänge dort gehen auf A/D-Wandler mit wenigen Bit Auflösung. Daraus wird dann der jeweilige Befehl vom Bedienteil erkannt. Spart das Scannen und die Anordnung der Taster in einer Matrix und damit jede Menge Leitungen für "Zeile" und "Spalte" der sonst üblichen Tastaturmatrix. Key 1,2,3 sind Stromeingänge, die je nach Taste unterschiedlich belastet werden, auch "keine Taste" wird erkannt. Siehe S.21 im pdf. Diese leitungssparende Technik wurde schon vor weit über 30 Jahren für Kabelfernbedienungen von Videorecordern benutzt. Ist kein Taster gedrückt, ist die volle Widerstandskette eingeschaltet. Die ESD Schutzdioden gehen gerne kaputt (Feinschluss, nichtlinear) mit Baumarkt Multimeter nicht zu messen, mit Komponententester bedingt. Oft haben die Kontaktpins für das abnehmbare Bedienteil zusätzliche ESD-Schutzdioden, die im Ur-Schaltplan "vergessen" wurden. Diese sitzen dann direkt an den Kontakten (Radio oder Bedienteil), einfach mal ablöten. Hatte das mehrfach in der Werkstatt.
Nichtverzweifelter schrieb: > einfach mal > ablöten. Hat der TE doch schon gemacht - kein Unterschied. Mark U. schrieb: > Dann habe ich das Radio mal nur mit Dauerplus betrieben: 90 mA Schon das ist allerdings auffällig viel. Ohne Zündung sollte das Radio eigentlich nahe 0mA ziehen, das orgelt einem ja sonst die Batterie leer. Ich befürchte ja, das tatsächlich der Ablaufprozessor putt ist.
Nichtverzweifelter schrieb: > Key1, key2 und key3 sind ANALOGE Sammelschienen, die über verschiedene, > einprozentige Widerstandsketten je nach Tastendruck belastet werden. > Gespeist vom Prozessor, die drei Eingänge dort gehen auf A/D-Wandler mit > wenigen Bit Auflösung. Daraus wird dann der jeweilige Befehl vom > Bedienteil erkannt. Spart das Scannen und die Anordnung der Taster in > einer Matrix und damit jede Menge Leitungen für "Zeile" und "Spalte" der > sonst üblichen Tastaturmatrix. Key 1,2,3 sind Stromeingänge, die je nach > Taste unterschiedlich belastet werden, auch "keine Taste" wird erkannt. > Siehe S.21 im pdf. Ja, so ein Problem hatte ich auch schon mal. Da stellte sich heraus, dass einer der Taster in der Kette im nicht gedrückten Zustand nicht richtig "offen" war, sondern noch ein paar kOhm hatte. Dadurch war die gesamte Kette lahmgelegt. Da hilft nur, alle Taster in der Kette auszulöten und zu prüfen und alle Widerstände genau nachzumessen. Es reicht ja schon, wenn einer etwas "gealtert" ist - schon geht nix mehr.
Die Key2 Schiene kann nicht runtergezogen werden, wer den Thread liest, hat das doch mitverfolgt. Der Prozessor gibt da beinharte 3,3V raus, die sich nicht mal mit 100Ohm gegen Masse runterziehen lassen. Das hat der TE doch alles schon probiert. Es hat also mit den Tasten nichts zu tun, sondern ist ein Problem des MC.
Mark U. schrieb: > Dann habe ich das Radio mal nur mit Dauerplus betrieben: 90 mA > Dann zusätzlich die Spannung an die Zündung angeschlossen: 300 mA > Zündspannung wieder getrennt: Strom bleibt bei 300 mA. > > Irgendwie werde ich nicht schlau. ich werde aus deinen Worten nicht schlau, ich vermute falsch angeschlossen oder Defekt Das Radio darf mehr ziehen, aber nicht auf Dauerplus ausser bei Defekten oder bei falsch angeschlossen...... siehe als Beispiel https://www.youtube.com/watch?v=vdLfeszExKM einmal falsch angeschlossen und zuviel Strom leert die Batterie ab Minute 10:10
Matthias S. schrieb: > Die Key2 Schiene kann nicht runtergezogen werden, wer den Thread > liest, > hat das doch mitverfolgt. Der Prozessor gibt da beinharte 3,3V raus, die > sich nicht mal mit 100Ohm gegen Masse runterziehen lassen. > Das hat der TE doch alles schon probiert. Es hat also mit den Tasten > nichts zu tun, sondern ist ein Problem des MC. Richtig, wer mitliest und mit-vesteht, hat auch mitbekommen, dass das gerade kein digitales Signal ist, das man "gegen Masse herunterziehen" kann/können soll. Außerdem nutzt eine Messung mit einem Multimeter da rein gar nichts, weil der Prozessor im Aus-Zustand des Radios (der Stromersparnis wegen) kaum dauerhaft seinen A/D in Betrieb halten wird. Allensfalls alle paar ms wird der mal kurz an der Tasteneingängen etwas machen.
Der TO hat die Ableitdioden "gemessen", ausgelötet wohl kaum (Doppel SMD). Gemessen hat er richtig am Längswiderstand in den Prozessor hinein, dort hat er tasterseitig 0,1 Volt, sein müssen es aber ganz harte 0,0 Volt. Der Taster "On" schliesst direkt nach Masse, ohne Teilwiderstand. Nachprüfen! Die Chancen stehen allerdings schlecht. Die drei wesentlichen Buttons "On", "Source" und "Eject" sind diejenigen welche jeweils direkt auf Masse schalten, benutzt auch als Unterbrechungsoption (Schaltplan), dort nochmals Dioden, als "wired or" auch "wired and". 3 von 4 Dioden werden benutzt um diese 3 Leitungen gleichzeitig zu tasten. Der Schaltplan ist die Version für alle verschiedenen "Blaupunkt"- Modelle, auch OEM, mit/ohne Kabelfernbedienung(Lenkrad), mit/ohne IR-Fernbedienung, usw. Er soll mal vergleichsweise die beiden anderen "Key"-Leitungen mittels Milliamperemeter nach Masse belasten, dann noch die bisherige. Kaputt machen kann er da nichts.
Schmarre, es war umgekehrt, jeder der drei genannten Taster kann über die wired-or -Dioden und den 0,1 Mikrofarad-Kondensator einen Interrupt am Portpin auslösen. So herum... Die Hitze heute, bitte um Verzeihung für den Irrweg in meinem vorangegangenem post.
Andreas B. schrieb: > dass das > gerade kein digitales Signal ist, das man "gegen Masse herunterziehen" > kann/können soll. Es mag kein digitales Signal sein, aber wer die KEY2 Schiene verfolgt, sieht, das der ON Taster direkt auf Masse zieht, ohne Spannungsteiler. Guckt euch doch bitte den Schaltplan an. Wenn der Prozessor auf einen 100 Ohm Widerstand gegen Masse direkt am KEY2 Pin nicht reagiert, sondern weiter 3,3V ausgibt, deutet das auf einen Prozessorfehler hin. Auch das er an Dauerplus ohne Zündungsplus schon 90mA zieht, ist unnormal. Nichtverzweifelter schrieb: > Der TO hat die Ableitdioden "gemessen", ausgelötet wohl kaum (Doppel > SMD). Doch, hat er: Mark U. schrieb: > Die Schutzdioden wurden ausgelötet, sie messen jeweils ca. 0,7V und > scheinen damit in Ordnung zu sein.
Matthias S. schrieb: > Auch das er an Dauerplus ohne Zündungsplus schon 90mA zieht, ist > unnormal. denke ich auch! Joachim B. schrieb: > ich werde aus deinen Worten nicht schlau, ich vermute falsch > angeschlossen oder Defekt > > Das Radio darf mehr ziehen, aber nicht auf Dauerplus ausser bei Defekten > oder bei falsch angeschlossen......
Mark U. schrieb: > Habe jetzt doch noch schnell nachgesehen: > Der Taster wird über einen Widerstand R815 eingelesen. > Auf Seite des Tasters geht die Spannung bei Betätigung des Tasters von > 3,2V auf 0,1V, das sieht also gut aus. > Auf der andern Seite (Prozessor und Schutzschaltung) bleibt die Spannung > fast unverändert. > > Was ist jetzt wohl das Problem? Ist die Schutzschaltung hinüber? > Oder der Prozessor hat den Pin nicht als Eingang geschaltet? > Wie kann ich das möglichst einfach und zerstörungsfrei prüfen? Du solltest den Taster mal freilöten und dann mit dem Messgerät nachkontrollieren, ob der Taster selbst nur das ganze Problem ist! Das Messgerät mit Piepser muss beim Kontaktschließen 0,00 zeigen sowie ein hörbares Signal ausgeben. Alles > 0,xx zeugt davon, dass der Taster intern korrodiert ist und dadurch nicht einwandfrei sicher schließt!! Das ist häufigste Ursache bei nicht mehr neuesten Geräten!! Verharzte Tasten geben dem Controller falsche Befehlswerte, worauf der vielleicht noch irgendetwas 'erkennt', oder aber auch garnichts mit dem 'Falschen Widerstandswert' anfangen kann!!Dieses Alterungsphänomän von Tasterkontakten kommt nämlich viel häufiger vor, als man zunächst vermutet! und genau an dieses Symptom denkt!! Dein Radio muss hier gar nicht defekt sein, meist reicht ein Ersetzen aller Tasten am Gerät, die über Widerstandsketten dem Controller durch bestimmte Wertefolgen bei unterschiedlichen Tasten 'Befehle' erteilen. (genannt Tastaturabfrage-Fehlinterpretation wegen falscher Werte)
GanzWichtig_Tastenkontrollhinweis! schrieb: > Du solltest den Taster mal freilöten und dann mit dem Messgerät > nachkontrollieren, ob der Taster selbst nur das ganze Problem ist! Das > Messgerät mit Piepser muss beim Kontaktschließen 0,00 zeigen sowie ein > hörbares Signal ausgeben. Alles > 0,xx zeugt davon, dass der Taster > intern korrodiert ist und dadurch nicht einwandfrei sicher schließt!! Wieder so einer. Ums nochmal zu sagen, der TE hat schon mal einen 100 Ohm Widerstand direkt am KEY2 Pin des Prozessors gegen Masse geschaltet und auch da ist die Spannung am Pin nicht nennenswert gesunken. Das muss sie aber, denn da ist ein 4k7 Widerstand Richtung Tasten und der Pin sollte als ADC Eingang konfiguriert sein. Der Prozessor hat also beinharte 3,3V am KEY2 Pin und lässt sich davon nicht abbringen. Da ist es völlig wurscht, ob da eine Taste oder was korridiert ist. Die letzte mögliche Rettung wäre ein fehlender Taktoszillator am MC, wobei selbst das nicht erklären würde, warum KEY2 nicht als Eingang konfiguriert ist, sondern satte 3,3V belastbar liefert. Alles spricht (leider) dafür, das der Ablaufprozessor putt ist.
Andreas B. schrieb: > Da hilft nur, alle Taster in der Kette auszulöten und zu prüfen und > alle Widerstände genau nachzumessen. Es reicht ja schon, wenn einer > etwas "gealtert" ist - schon geht nix mehr. Hihi. Diese Art der Schalter-Kette habe ich neulich in einen Arduino Video bei Youtube gesehen. 3 Taster an einen analogen Port. Fand ich cool. Aber mit ist der Pcf8574 lieber. ;) Bevor ich den Lötkolben auspacke, wird erst einmal die Luftspritzdüse meinen Airbrush-Kompressors benutzt. Danach kommt Kontaktspray ran. Wenn das nicht bringt (in ca. 5-10 % der Fälle) geht es richtig zu Sache. Bei Geräten die zu viel Außenluft geschnuppert haben, ist Korrosion ein Thema. Und nun erzählt mir nicht das wäre bei den billigen Schaltern nicht der Fall.
Mark U. schrieb: > Komponententester habe ich nicht, nur Diodentester > Damit messe ich ca. 0,9V vom Controller-Pin nach Masse bzw. 3,3V. > Scheint also OK zu sein. Mark U. schrieb: > Die Schutzdioden wurden ausgelötet, sie messen jeweils ca. 0,7V und > scheinen damit in Ordnung zu sein. Und wieso haben die eingelöteten Schutzdioden auf einmal höhere Werte der "Schwellenspannung" als dieselben ausgelötet, am selben "Diodentester"?
Matthias S. schrieb: > GanzWichtig_Tastenkontrollhinweis! schrieb: >> Du solltest den Taster mal freilöten und dann mit dem Messgerät >> nachkontrollieren, ob der Taster selbst nur das ganze Problem ist! Das >> Messgerät mit Piepser muss beim Kontaktschließen 0,00 zeigen sowie ein >> hörbares Signal ausgeben. Alles > 0,xx zeugt davon, dass der Taster >> intern korrodiert ist und dadurch nicht einwandfrei sicher schließt!! > > Wieder so einer. Ums nochmal zu sagen, der TE hat schon mal einen 100 > Ohm Widerstand direkt am KEY2 Pin des Prozessors gegen Masse geschaltet > und auch da ist die Spannung am Pin nicht nennenswert gesunken. Das muss > sie aber, denn da ist ein 4k7 Widerstand Richtung Tasten und der Pin > sollte als ADC Eingang konfiguriert sein. Der Prozessor hat also > beinharte 3,3V am KEY2 Pin und lässt sich davon nicht abbringen. > Da ist es völlig wurscht, ob da eine Taste oder was korridiert ist. Was erzählst du hier für einen Bullshit? Wenn die Tasten mit der Zeit korrodiert sind, werden fehlerhafte Widerstände am Prozessor als Fehlerbefehle erkannt! Das hat nichts mit der anstehenden Spannung am Port zu tun, die wirst auch messen können wenn irgendein Widerstand dazwischen hängt!! Weil diese von dir gemessene Spannung vom MCU-Port-PullUp-Widerstand kommt. Aber der Wert bei unsauber schließenden Tasten nicht der ist, der bei sauber schlißenden Tasten an dem Knoten anstehen muss! Die Abweichungen können hier nur, 0,03 mV sein, schon stimmt das Protokoll des Controllers nicht mehr und gibt etwas anderes aus, als er soll!! Die Tastensind immer ein ERSTES MASSNAHME-Fehlersuch-Kriterium!! Immer!!! Aber wenn du schlauer bist als jemand, der täglich dutzende Geräte repariert, ok, dann lass dich bicht ablenken, denn das wäre ein Ablehnungsgrund, wenn solche Besserwisser wie du in unsere Werkstatt Geräte bringen, die auch solche Fehler zu 90 Prozent meist IMMER haben!! Solchen Vollschlaumeier wie du würden wir nur eine Rechnung ausstellen ohne Reperatur für nur Centbeträge!! An solchen Vollschlaumeiern verdienen unsere Mitarbeiter kräftig!! Dabei ist die Reperatur so simpel wie einfachst schnell ausgeführt, und die Rechnung betrüge incl Leistungssatz vielleicht keine 2€!! Aber dank dir Blödvolli können wir weitterhin überall noch richtig kassieren! Jedem, wie es genehm ist. Uns freuts! > Die letzte mögliche Rettung wäre ein fehlender Taktoszillator am MC, > wobei selbst das nicht erklären würde, warum KEY2 nicht als Eingang > konfiguriert ist, sondern satte 3,3V belastbar liefert. Alles spricht > (leider) dafür, das der Ablaufprozessor putt ist.
MA FHT Geissler mbh NS schrieb: > Was erzählst du hier für einen Bullshit? > Vollschlaumeier wie du > Blödvolli > Schreien Ich würde dir empfehlen, alle Beiträge des TO nochmal zu lesen, nachdem du gut ausgeschlafen bist. An den gemessenen Werten erkennt man deutlich, dass der Mikrocontroller die "Eingänge" knallhart auf VCC zieht. Ob da jetzt die Kontakte und Widerstände im Bedienfeld stimmen, spielt momentan überhaupt keine Rolle, weil sie so oder so ihren Zweck nicht erfüllen können. Selbst wenn du Recht hättest, steht es Dir nicht zu, den Matthias so anzugehen. Er hat Dir nichts böses getan. Ich werde mir euren Firmennamen jedenfalls merken, um mich von euch fern zu halten, denn ich möchte nicht so behandelt werden.
MA FHT Geissler mbh NS schrieb: > Wenn die Tasten mit der Zeit > korrodiert sind, werden fehlerhafte Widerstände am Prozessor als > Fehlerbefehle erkannt! Aha, und du glaubst, das ich das nicht weiss? Es werden aber gar keine Befehle erkannt. Der Prozessor hält belastbare 3,3V am Analogeingang und geht davon auch nicht ab, wenn man den Pin mit 100 Ohm direkt gegen Masse zieht, du Schlaumeier. Wenn du Schaltpläne lesen könntest, würdest du erkennen, das eine solche Belastung normalerweise als ON/OFF Taste erkannt werden müsste, weil diese die KEY2 Schiene direkt auf Masse zieht. Das passiert aber nicht. So, und jetzt beruhige dich mal wieder, lese dir in Ruhe durch, was der TE alles schon probiert hat und komme dann zu dem richtigen Schluss, anstatt 'Bullshit' zu brüllen und nichts zu kapieren. Offensichtlich bist du hier völlig überfordert.
Hallo nochmal, am Wochendne bin ich nochmal alle eure Tips durchgegangen, insbesondere was die Tasten angeht. Leider konnte ich nichts erreichen, der Prozessorpin wird durch Drücken des Tasters oder auch über einen Widerstand nicht beeinflusst. Das Radio lässt sich nicht einschalten. So werde ich dieses Gerät leider zum Schrottplatz bringen müssen. Danke für alle Tips!
Mark U. schrieb: > So werde ich dieses Gerät leider zum Schrottplatz bringen müssen. Das ist schon schade, zumal die Frontplatte mit I²C und LCD ein schönes Bastelobjekt ist. Würde mich schon reizen, das als Bedienelement für irgendeinen Controller zu benutzen.
Hatte darüber auch schon nachgedacht und das Bedienteil zur Seite gelegt. Man weiß ja nie... Aber wenn jemand schon ein konkretes Projekt hat, und dafür das Bedienteil benutzen möchte, gebe ich es gerne gegen aufgerundetes Porto ab. Da hier nicht regelmäßig hier rein schaue, bitte PN.
Bitte melde dich an um einen Beitrag zu schreiben. Anmeldung ist kostenlos und dauert nur eine Minute.
  
  Bestehender Account
  
  
  
  Schon ein Account bei Google/GoogleMail? Keine Anmeldung erforderlich!
Mit Google-Account einloggen
Mit Google-Account einloggen
  Noch kein Account? Hier anmelden.




