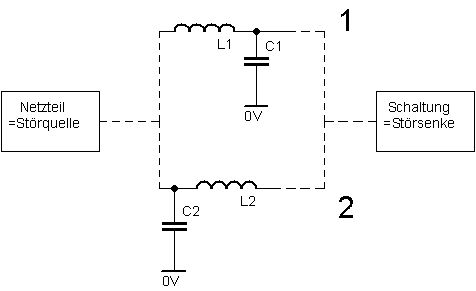
Hallo, ich bin schon ganz wirr - im Netz schwirren beide Varianten rum. Kann mich wer erleuchten?
Hallo, das es sich im weitesten Sinn um "EMV" handelt, würde ich sagen: "Es kommt darauf an" und "Wer entstört hat recht". ==> Beides Testen und das bessere Ergebnis behalten. Aus Erfahrung würde ich Lösung 1 für die meisten Anwendungen als passender empfinden. Jedoch sind meist im Netzteil als auch in der Schaltung Ausgangs- und Eingangskapazitäten vorhanden, was das ganze schon wieder relativieren, d.h. bei ausreichend kurzen Leitungen sollten sich beide Schaltungen ähnlich verhalten. Gruß
Zeichne dazu mal noch folgendes ein, dann kannst du es selber erraten: - Ausgangsschaltung (letztes oder letzte zwei Bauteile) der Quelle - Kabel oder lange Leitung als L - Eingangsschaltung (erstes oder erste zwei Bauteile) der Senke. Wo hat nun die Ferritperle den grössten Nutzen?
EMV handelt sowohl von Einstreuungen in das Gerät als auch von Störungen, die aus dem Gerät ins Netz eingestreut werden - daher kommt an beide Seiten ein Kondensator und die Frage wird gegenstandslos. Georg
Das ist wie beim RC Glied. Hier die Ferritperle ist quasi das R, also sie ist natürlich kein ohmscher Widerstand, aber du kannst die Ferritperle als Widerstand sehen, dessen Wert von der Frequenz abhängt. Oben in deiner Zeichnung hast du zuerst die Ferritperle und dann den Kondensator und die Schaltung. Du siehst also, dass das eine Reihenschaltung ist. Aber Kondensator und Schaltung sind eine Parallelschaltung. Das ist also eine Reihenschaltung aus Ferritperle und der Parallelschaltung aus Kondensator und Schaltung. Jeder Strom muss also durch die Ferritperle. Für hohe Frequenzen hat die einen hohen Widerstand, also werden hochfrequente Ströme gering sein. Und in der Parallelschaltung teilt sich der Strom umgekehr zu den Widerständen auf. Der Kondensator hat einen geringen Widerstand für hohe Frequenzen, also wird der Großteil des Stromd durch ihn fließen und nur ein kleiner Teil durch die Schaltung. Unten in deinen Zeichnung hast du zuerst den Kondensator und dann den Widerstand. Das iat also eine Parallelschaltung aus Kondensator und der Reihenschaltung aus Ferritperle und Schaltung. Der Strom teilt sich also gleich auf und der hochfrequente Teil geht durch den Kondensator nach Masse. Aber der Teil der nicht durch den Kondensator geht, auch hochfrequente Anteile, gehen dann durch den Ferrit und die Schaltung. Hier bewirkt der Ferrit also nur, dass der eine Zweig der Parallelschaltung für hohe Frequenzen hochohmiger aussieht. Nachteil: Die Quelle wird stärker belastet weil du für hohe Frequenzen einen Kurzschluss eingebaut hast.
Robert schrieb: > Hallo, ich bin schon ganz wirr - im Netz schwirren beide Varianten rum. > Kann mich wer erleuchten? Beide sind so geschaltet (parallel) auch nicht falsch, aber u.U. nicht optimal. Ein T - Filter würde hier meist genügen.
1 | ---- L1 ------ L2 ----- |
2 | |
|
3 | Cx
|
4 | |
|
5 | ----------------------- 0V |
Der Teufel liegt aber mal wieder im Detail. Beide Störquellen sollten dabei ein ähnliches Frequenzspektrum haben. Sonst muß man ein Eingangsfilter und ein Ausgangsfilter jeweils auf die speziellen Spektren anpassen. Dann sind reale Bauteile so gemein, daß ein Kondensator oder eine Induktivität auch eine Resonanzfrequenz haben. Z.B. hat ein 100 nF Kerko 1206 eine Resonanz bei ungefähr 10 MHz. Genaueres kann man bei den Herstellern wie Kemet oder Murata einsehen. Es gibt dafür Diagramme. Vor der Resonanz ist der KerKo eine Kapazität, nach der Resonanz benimmt er sich wie eine Induktivität. Bei den Induktivitäten ist es analog dazu. Wenn man sicher gehen möchte nimmt man LTspice und besorgt sich Modelle von den Herstellern. Z.B. Würth bietet für jeden Bead ein Modell an. Würth hat auch Applikations - Berichte zu Filter. mfg Klaus
Gustl B. schrieb: 1: > Jeder Strom muss also durch die Ferritperle. Für hohe Frequenzen hat die > einen hohen Widerstand, also werden hochfrequente Ströme gering sein. > Und in der Parallelschaltung teilt sich der Strom umgekehr zu den > Widerständen auf. Der Kondensator hat einen geringen Widerstand für hohe > Frequenzen, also wird der Großteil des Stromd durch ihn fließen und nur > ein kleiner Teil durch die Schaltung. 2: > Der Strom teilt sich also gleich auf und der hochfrequente Teil geht > durch den Kondensator nach Masse. Aber der Teil der nicht durch den > Kondensator geht, auch hochfrequente Anteile, gehen dann durch den > Ferrit und die Schaltung. Hier bewirkt der Ferrit also nur, dass der > eine Zweig der Parallelschaltung für hohe Frequenzen hochohmiger > aussieht. > Nachteil: > Die Quelle wird stärker belastet weil du für hohe Frequenzen einen > Kurzschluss eingebaut hast. Hallo Gustl, ich bin nicht nur wirr sondern scheinbar auch doof. Ich kann Deiner Ausführung folgen und nachvollziehen aber nicht den Schluss ziehen welche Variante nun vorzuziehen ist.
Solche Parallelschaltungen macht man auch nicht. Entweder jedes Filter für sich einzeln. Oder beide hintereinander. mfg Klaus
Besser ist zuerst Ferrit und dann Kondensator weil das die Quelle weniger belastet und sonst vermutlich ähnliche Eigenschaften hat. Aber genau kann man das nicht sagen wenn man die Quelle nicht kennt. Wenn das eine ideale Stromquelle wäre mit Innenwiderstand 0, dann würde der Ferrit nix bewirken wenn er in Reihe vor dem Rest ist wie oben gezeichnet. Aber er würde in der Parallelschaltung was bewirken und zwar, dass ein größerer Anteil des Stroms durch den Zweig vom Kondensator nach Masse fließt. Also bei idealer Stromquelle würde ich das unten in der Zeichnungen bevorzugen. Wie das in der Realität aussieht weiß ich nicht. Kann man aber simulieren.
Ob das alles stimmt weiß ich aber nicht. Da wäre es schön wenn sich mal ein Profi zu äußert.
Gustl B. schrieb: > Besser ist zuerst Ferrit und dann Kondensator weil das die Quelle > weniger belastet und sonst vermutlich ähnliche Eigenschaften hat. Aber > genau kann man das nicht sagen wenn man die Quelle nicht kennt. > Vom Störer soll es zuerst auf den Ferrit gehen. Der Ferrit stellt für höhere Frequenzen einen höheren Widerstand da. Der Kondensator hat für höhere Frequenzen einen kleineren Widerstand. Also der Ferrit sperrt und der Kondensator stellt im Extremfall für die störenden Frequenzen ein Kurzschluß da. Das ist die optimale Filterwirkung. Wenn die Spannungsquelle stört und auch der Verbraucher stört, dann gilt es auch: "Vom Störer soll es zuerst auf den Ferrit gehen". Also in beiden Richtungen in Reihenschaltung. Keine Parallelschaltung!
1 | Netzteil ---- L1 ------ L2 ----- Verbraucher |
2 | |
|
3 | Cx
|
4 | |
|
5 | -------------------------------- 0V |
mfg Klaus
Klaus R. schrieb: > Vom Störer soll es zuerst auf den Ferrit gehen. Der Ferrit stellt für > höhere Frequenzen einen höheren Widerstand da. Der Kondensator hat für > höhere Frequenzen einen kleineren Widerstand. Jo, aber warum ist das besser als zuerst den Kondensator und dann den Ferrit? Zuerst der Kondensator ist dann der Kurzschluss nach Masse und das hat zur Folge, dass nur wenig HF Ströme durch den Ferrit fließen. Das ist dann eben der Spannungsteiler. Der eine Pfad ist der über Ferrit und Last. Der hat einen hohen HF Widerstand. Der andere Pfad ist der Kondensator mit geringem Widerstand. Klaus R. schrieb: > Keine Parallelschaltung! Doch klar ist da auch eine Parallelschaltung enthalten und zwar Cx || (L2 & Verbraucher).
Robert schrieb: > Kann mich wer erleuchten? Ich versuche es: Annahme: Netzteil soll Gleichspannung liefern, hochfrequente Anteile sollen nicht in der Störsenke ankommen. Innenwiderstand der Quelle und Senke wie eingezeichnet. In der gezeigten Schaltung mit fest definierter Störquelle und Störsenke ist 1 effektiver. Da Bilder mehr sagen als Worte, siehe Bild. Da aber, wie oben erwähnt, in der Realität eher jedes Gerät stört ist ein T-Filter sinnvoller: Klaus R. schrieb: > Wenn die Spannungsquelle stört und auch der Verbraucher stört, dann gilt > es auch: "Vom Störer soll es zuerst auf den Ferrit gehen". Also in > beiden Richtungen in Reihenschaltung.
Gustl B. schrieb: > Jo, aber warum ist das besser als zuerst den Kondensator und dann den > Ferrit? Stell Dir das vor wie einen Spannungsteiler (für HF verhalten sich Spule und Kondensator wie Widerstände). Mit steigender Frequenz (also vom Nutzsignal weg zur Störung hin) steigt der Widerstand des Ferrites und sinkt der des Kondensators. https://de.wikipedia.org/wiki/Tiefpass#Tiefpass_1._Ordnung
Dirk K. schrieb: > In der gezeigten Schaltung mit fest definierter Störquelle und Störsenke > ist 1 effektiver. Da Bilder mehr sagen als Worte, siehe Bild. Da fehlt mir aber auch die Begründung. Du hast da unten verschieden dicke rote Linien gezeichnet, aber wie du zu der Linienstärke kommst bleibt unklar. Ich kann auch so Bildchen mit anderen Linienstärken zeichnen. Soul E. schrieb: > Stell Dir das vor wie einen Spannungsteiler Das ist mir klar, hatte ich oben schon geschrieben. Sollten wir das nicht mal simulieren? Habe ich gemacht und es stimmt, zuerst L dann C ist besser, bei Spannungsquellen. Wenn man aber Stromquellen nimmt und keine Spannungsquellen, dann sieht es genau umgekehrt aus. Gustl B. schrieb: > Aber genau kann man das nicht sagen wenn man die Quelle nicht kennt.
In der Praxis brauchst Du meist beide Richtungen: leitungsgebundene Störaussendung des Gerätes drinnen halten, und von aussen kommende Störungen (Surge/Burst bei Industrie, BCI bei Automotive) draussen halten. Da haben dann symmetrische Filter die Nase vorn.
Dirk K. schrieb: > Da aber, wie oben erwähnt, in der Realität eher jedes Gerät stört ist > ein T-Filter sinnvoller: Irgendwann viel viel früher hat man gelernt, dass sich eine T-Schaltung in eine gleichwertige Pi-Schaltung überführen lässt - was bei gleicher Wirkung den Vorteil hat, dass man bloss eine Induktivität braucht (allerdings 2 Kondensatoren). Heute lernt man sowas nicht mehr. Die professionellen Netzfilter, die ich verwende, sind alle so geschaltet. Georg
Gustl B. schrieb: > Klaus R. schrieb: >> Vom Störer soll es zuerst auf den Ferrit gehen. Der Ferrit stellt für >> höhere Frequenzen einen höheren Widerstand da. Der Kondensator hat für >> höhere Frequenzen einen kleineren Widerstand. > > Jo, aber warum ist das besser als zuerst den Kondensator und dann den > Ferrit? Der Ferrit blockt den Störer sofort und läßt ihn nicht weiter. Dann macht der Kondensator den Rest. > Zuerst der Kondensator ist dann der Kurzschluss nach Masse und > das hat zur Folge, dass nur wenig HF Ströme durch den Ferrit fließen. Jau, aber es fließen u.U. irre hohe Störströme durch den Kondensator. Das allein ist schon ein schöner Störsender. So etwas gilt es zu vermeiden. > Das ist dann eben der Spannungsteiler. Der eine Pfad ist der über Ferrit > und Last. Der hat einen hohen HF Widerstand. Der andere Pfad ist der > Kondensator mit geringem Widerstand. Ja, das sieht wohl vernünftiger aus. > > Klaus R. schrieb: >> Keine Parallelschaltung! > > Doch klar ist da auch eine Parallelschaltung enthalten und zwar Cx || > (L2 & Verbraucher). Cx leitet nur den Störstrom gegen 0 V, bzw. Masse ab. Das ganze nennt sich auch T - Filter und sollte ja bidirektionell wirken. Eine Parallelschaltung von zwei Filter war dies hier und so etwas macht man nicht. https://www.mikrocontroller.net/attachment/470299/1.gif mfg Klaus
Klaus R. schrieb: > Eine Parallelschaltung von zwei Filter war dies hier und so etwas macht > man nicht. Nein! Das sind zwei Varianten zur Diskussion, deswegen die gestrichelten Linien.
Robert schrieb: > Klaus R. schrieb: >> Eine Parallelschaltung von zwei Filter war dies hier und so etwas macht >> man nicht. > > Nein! Das sind zwei Varianten zur Diskussion, deswegen die gestrichelten > Linien. Ja dann ist es ja gut. Nur die Schaltskizze ist dann mißverständlich und sorgt ggf. für Verwirrung. Und bei einigen anderen klangen die Lösungsansätze auch so als ob man zwei Störquellen hätte die mit Filter in einer Schaltung bedämpft werden sollten. Dann genügt für jeden der beiden Fälle der nachstehende Auszug. Klaus R. schrieb: > Vom Störer soll es zuerst auf den Ferrit gehen. Der Ferrit stellt für > höhere Frequenzen einen höheren Widerstand da. Der Kondensator hat für > höhere Frequenzen einen kleineren Widerstand. > > Also der Ferrit sperrt und der Kondensator stellt im Extremfall für die > störenden Frequenzen ein Kurzschluß da. Das ist die optimale > Filterwirkung. Fertig! mfg Klaus
georg schrieb: > Heute lernt man sowas nicht mehr. Doch, tut man, E-Technik Bachelor, FH, 3. Semester
Gustl B. schrieb: > Da fehlt mir aber auch die Begründung. Du hast da unten verschieden > dicke rote Linien gezeichnet, aber wie du zu der Linienstärke kommst > bleibt unklar. Ich kann auch so Bildchen mit anderen Linienstärken > zeichnen. Wie ich dazu komme? Durch Herrn Ohm! :) Schaltung -> Stromfluss eingezeichnet. Dicke der Linie = Stromstärke. Gustl B. schrieb: > Sollten wir das nicht mal simulieren? > > Habe ich gemacht und es stimmt, zuerst L dann C ist besser, bei > Spannungsquellen. Also ist meine Aussage durch eine Simulation gestützt :) Gustl B. schrieb: > Wenn man aber Stromquellen nimmt und keine Spannungsquellen, dann sieht > es genau umgekehrt aus. Wie gesagt: meine Annahme ist, dass das Netzteil eine Gleichspannung liefert. Aber dein Ergebnis ist natürlich eine nützliche Randinformation. georg schrieb: > Irgendwann viel viel früher hat man gelernt, dass sich eine T-Schaltung > in eine gleichwertige Pi-Schaltung überführen lässt - was bei gleicher > Wirkung den Vorteil hat, dass man bloss eine Induktivität braucht > (allerdings 2 Kondensatoren). Auch eine nützliche Randinformation. georg schrieb: > Heute lernt man sowas nicht mehr. Eine unnütze und falsche Behauptung. Man möge mir verzeihen, dass ich in meiner Mittagspause nicht die Zeit hatte einen ausführlichen Roman zu schreiben ;)
Goran E. schrieb: > aus EMC - Richtlinien und deren Umsetzung, Elektor-Verlag Was der Elektor sagt stimmt zwar manchmal nicht so genau, aber dies gibt Sinn. Wenn die Quelle eine hohe Impedanz hat, dann besser mit einer kleinen Impedanz enstören. Das ist dann ein Kondensator. Eine hohe Impedanz mit einer noch höheren Impedanz zu dämpfen, einer Induktivität, ist dann im Verhältnis nicht besonders effektiv. Aber, es gibt für fast alles Ausnahmen. Man muß immer auf die speziellen Gegebenheiten hinsehen. Aber Stromquellen als Störer sind selten. Hintergrund: Stromquellen haben ein hohen Innenwiderstand. Spannungsquellen haben einen niedrigen Innenwiderstand. mfg klaus
Für Stromquellen sieht auch ein RC-Tiefpass etwas anders aus als für eine Spannungsquelle :-) Das Prinzip bleibt gleich: Ferrit (R) und Kondensator (C) bilden einen Tiefpass, der das Nutzsignal durchlässt und die Störung nach Masse ableitet.
Dirk K. schrieb: > Durch Herrn Ohm! :) > Schaltung -> Stromfluss eingezeichnet. Dicke der Linie = Stromstärke. Das ist mir ohne Rechnung/Simulation zu ungenau denn Beides, also LC und CL führt zu kleineren Störungen. Die Dicke einer Linie ist leider wertlos ohne Rechnung oder Messung, sie zeigt dann nämlich nicht zwingend die Realität, sondern das wie du dir die Realität denkst. Hier hattest du Recht, die Simulation zeigt nämlich das Gleiche.
Gustl B. schrieb: > Das ist mir ohne Rechnung/Simulation zu ungenau denn Beides, also LC und > CL führt zu kleineren Störungen. Ja, aber: Robert schrieb: > aber nicht den Schluss ziehen welche Variante nun vorzuziehen ist Dies war die Aussage vom TO. Dirk K. schrieb: > In der gezeigten Schaltung mit fest definierter Störquelle und Störsenke > ist 1 effektiver. Frage beantwortet. Dir fehlt das WARUM. Da ist doch gut, dass du simuliert hast. Das ergänzt meine Skizze :) Gustl B. schrieb: > Habe ich gemacht und es stimmt, zuerst L dann C ist besser, bei > Spannungsquellen. Frage beantwortet und das Ergebnis noch durch unabhängige Person bestätigt. So funktioniert ein Forum. Gustl B. schrieb: > Die Dicke einer Linie ist leider wertlos ohne Rechnung oder Messung, sie > zeigt dann nämlich nicht zwingend die Realität, sondern das wie du dir > die Realität denkst. > > Hier hattest du Recht, die Simulation zeigt nämlich das Gleiche. Wie ich mir die Realität unter den Annahmen gedacht habe, korrekt. Und, welche Wunder, meine Gedanken sind sogar durch deine Simulation bestätigt. Na dann ist doch alles gut! Mahlzeit!
Alles schön und gut, aber wenn man den Kontakt berühren kann, wird er im EMV-Test mit einer Entladepistole und ein paar kV geprüft. In dem Fall ist es nicht verkehrt, einen Kondensator 1 n/100 V Ker vom Kontakt zum PE zu haben. Dann überlebt auch der Ferrit. Wenn noch leitungsgebundene Störungen dazukommen (Surge) muss man weitere Massnahmen ergreifen. Varistoren etc. kommen hinzu. Insgesamt ein Kapitel für sich. Versuch macht kluch.
Klaus R. schrieb: > Robert schrieb: >> Hallo, ich bin schon ganz wirr - im Netz schwirren beide Varianten rum. >> Kann mich wer erleuchten? > > Beide sind so geschaltet (parallel) auch nicht falsch, aber u.U. nicht > optimal. Ein T - Filter würde ...... > > Der Teufel liegt aber mal wieder im Detail. Beide Störquellen sollten > dabei ein ähnliches Frequenzspektrum haben. Sonst muß man ein > Eingangsfilter und ein Ausgangsfilter jeweils auf die speziellen > Spektren anpassen. Klar doch, nur wie soll jemand ein von dir benanntes Spektrumbild bekommen, wenn derjenige solche Geräte dafür nicht besitzt? Geht deine ach so kluge Aussage auch umständlicher zu beschreiben, dass auch jemand etwas damit anfsngen, der nicht gleich eine tausende Dollar teure Werkstatt mit passendem Äquiqument für solche Schwellbegriffe wie Spectrum blabla usw. besitzt???????? Diese deine abgehobene Klugscheißerei ist schon echt unterste Schublade, so kommts nämlich rüber! Geh nicht davon aus, dass nicht alle so 'neunmal klug' daherfaseln, wie du hier . > Dann sind reale Bauteile so gemein, daß ein Kondensator oder eine > Induktivität auch eine Resonanzfrequenz haben. Z.B. hat ein 100 nF Kerko > > Vor der Resonanz ist der KerKo eine Kapazität, nach der Resonanz benimmt > er sich wie eine Induktivität. Bei den Induktivitäten ist es analog > dazu. Gehts noch umständlicher? Greif dir mal an die Stirn! O > Wenn man sicher gehen möchte nimmt man LTspice und besorgt sich Modelle aja... noch so n Klugscheißersatz...
Wenn nichts weiteres bekannt ist würde ich auf jeden Fall den Ferrit (bzw. das hochimpedanz-Bauteil) auf der Seite der Störquelle positionieren. Der Grund ist folgender: Störungen nach "nach Masse ableiten" finde ich im allgemeinen recht heikel, sofern der Aufbau nicht sehr kompakt und geschlossen ist. Ein Kondensator am Ausgang einer unsauberen Spannungsquelle kann zwar zu einer starken Reduktion allfälliger Spannungsrippel führen. Dies wird aber durch umso stärkere Ausgleichströme zwischen Quelle und Kondensator erkauft. EMV-technisch sind hochfrequente Ströme über nicht abgeschirmte Leitungen jedoch unbedingt zu vermeiden, da diese wiederum Magnetfelder erzeugen. durch Magnetfelder erzeugte EMI ist in der Praxis um einiges mühsamer zu bekämpfen als E-Felder. deshalb: lieber die bösen Ströme präventiv verhindern und allfällige verbleibende Restwelligkeiten danach mit einem Kondensator abfangen.
Bitte melde dich an um einen Beitrag zu schreiben. Anmeldung ist kostenlos und dauert nur eine Minute.
Bestehender Account
Schon ein Account bei Google/GoogleMail? Keine Anmeldung erforderlich!
Mit Google-Account einloggen
Mit Google-Account einloggen
Noch kein Account? Hier anmelden.





