Wie kann das sein, dass die Drehzahl 4500 UpM ist? Ich habe mal gelernt, dass es beim 4 poligen Motor so 1470 UpM sind und beim 2 poligen Motor das Doppelte. Oder ist das ein Motor mit Nebenschluss oder Hauptschluss?
Beitrag #6526034 wurde von einem Moderator gelöscht.
Arthur Fleck schrieb: > Oder ist das ein Motor mit Nebenschluss oder Hauptschluss? Wird ein Nebenschlussmotor sein. Dort ist die Leerlaufdrehzahl konstruktiv festgelegt und kaum von der Spannung abhängig. Auch ändert die Drehzahl sich bei Belastung nur relativ wenig. Hauptschlussmotoren (=Universalmotoren) hingegen zeigen eine sehr starke Abhängigkeit der Drehzahl von der Belastung, und deshalb kann die Drehzahl im Leerlauf gefährlich ansteigen.
Hp M. schrieb: > Wird ein Nebenschlussmotor sein. Ist aber ein Hauptschlussmotor. > Hauptschlussmotoren (=Universalmotoren) hingegen zeigen eine sehr starke > Abhängigkeit der Drehzahl von der Belastung, und deshalb kann die > Drehzahl im Leerlauf gefährlich ansteigen. Das Kühlgebläse verhindert letzteres.
Hp M. schrieb: > Wird ein Nebenschlussmotor sein. > Dort ist die Leerlaufdrehzahl konstruktiv festgelegt und kaum von der > Spannung abhängig. Stimmt, die sind aber eben nicht fuer Wechselspannung tauglich. wendelsberg
Bitte die ganze Maschine zeigen. Der Schwager hat eine Elektra mit Kondensatormotor und Riemenübertrieb zum Blatt. Da bist Du in der Drehzahl frei.
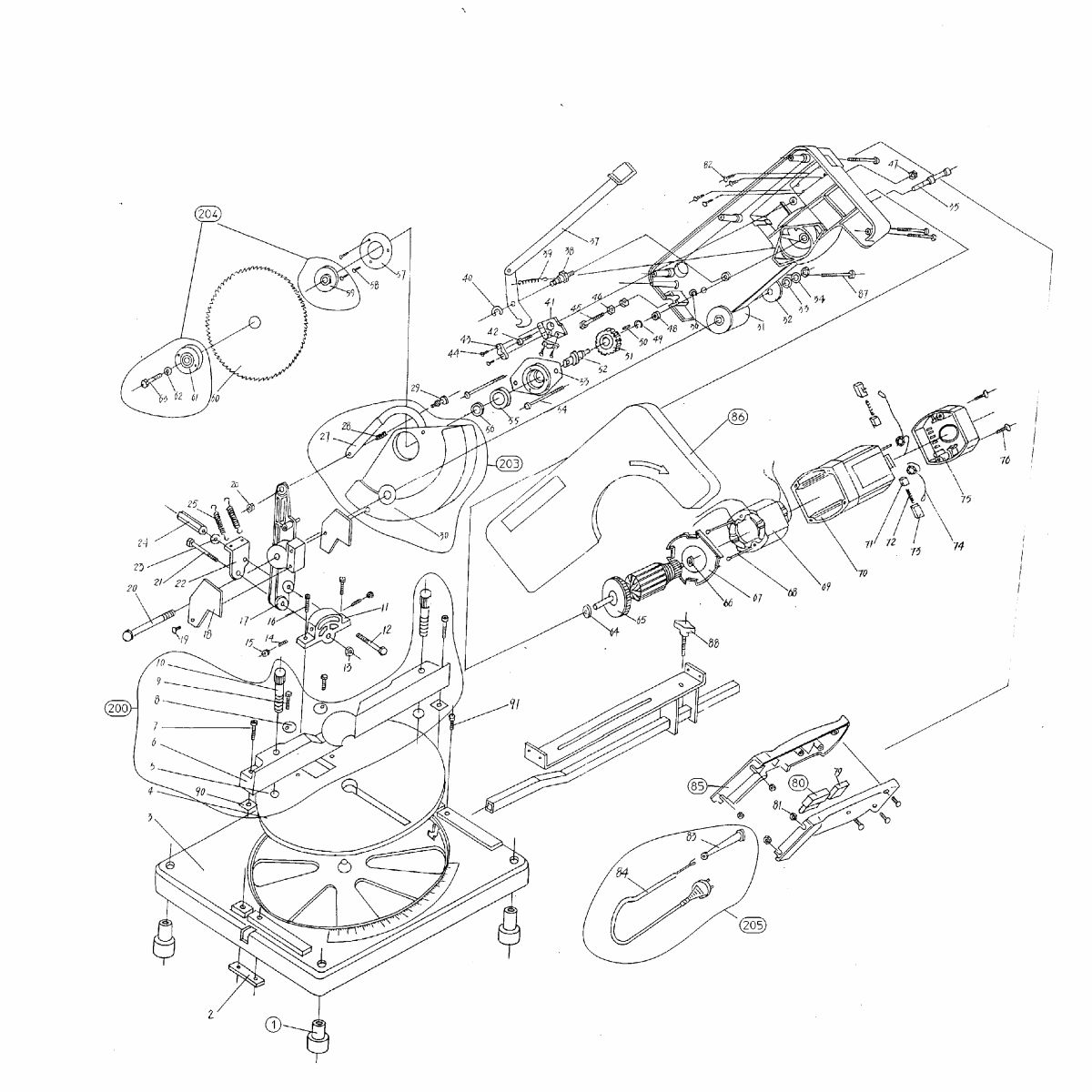
Abend! In der Zeichung erkennt man unter Nr. 65 den Rotor (inkl. Kühlgebläse und Kommutator) und unter Nr. 71-75 die Kohlebürsten +Anschlusslitzen. Es handelt sich also um keinen Induktionsmotor (bei dem die Drehzahl entsprechend f_elektr/n_pol ist), sondern um einen Universalmotor (Reihen oder Nebenschluss). mfG Thomas
thomas_at schrieb: > Universalmotor (Reihen oder Nebenschluss). Reihenschluss - Nebenschlussmaschinen sind fuer Wechselstrom nicht geeignet. wendelsberg
wendelsberg schrieb: > thomas_at schrieb: > Universalmotor (Reihen oder Nebenschluss). > > Reihenschluss - Nebenschlussmaschinen sind fuer Wechselstrom nicht > geeignet. > > wendelsberg Danke für die Aufklärung ;-) Das haben die von Elektra Bekum, Vati und ich nicht gewusst, also müssen wir, jetzt nach 21 Jahren Nutzungsdauer, die Kappsäge in den Elektroschrottcontainer werfen ;-)
Der Mythos der Hummel Die Hummel wiegt 4.8 Gramm, hat eine Flügelbreite von 1,45 cm² bei einem Flächenwinkel von 6 Grad. Nach den Gesetzen der Aerodynamik kann die Hummel daher gar nicht fliegen, weil die Flügel der Hummel im Verhältnis zu ihrem pummeligen Körper viel zu klein sind. Und was macht die Hummel? Ihr ist das egal. Sie weiß das nicht und fliegt trotzdem. wendelsberg schrieb: > Reihenschluss - Nebenschlussmaschinen sind fuer Wechselstrom nicht > geeignet. Elektra Bekum weiß das nicht, die bauen Maschinen mit Reihenschluss - Nebenschluss und die Maschinen laufen trotzdem!
Arthur Fleck schrieb: > Elektra Bekum weiß das nicht, die bauen Maschinen mit Reihenschluss Richtig. wendelsberg
von wendelsberg schrieb: >thomas_at schrieb: >> Universalmotor (Reihen oder Nebenschluss). >Reihenschluss - Nebenschlussmaschinen sind fuer Wechselstrom nicht >geeignet. Mein Staubsauger ist eine Reihenschlußmaschine und ich habe in mein Haus 230V Wechselspannung 50Hz und der Staubsauger funktioniert wunderbar. Bei solchen Maschinen gibt es keine abhängigkeit von der Frequenz, die können in jeder Drehzahl laufen. So wie "von thomas_at" schon schrieb. >Es handelt sich also um keinen Induktionsmotor (bei dem die Drehzahl >entsprechend f_elektr/n_pol ist), sondern um einen Universalmotor >(Reihen oder Nebenschluss). Kurzschlußläufer oder Synchronmaschinen haben eine Abhängigkeit von der Frequenz und der Polzahl.
wendelsberg schrieb: > Reihenschluss - Nebenschlussmaschinen sind fuer Wechselstrom nicht > geeignet. Solange die Motoren das nicht wissen, laufen die mit Wechselstrom genau so gut wie mit Gleichstrom. Da bei jedem durch den Wechselstrom bedingten Flusswechsel im Rotor sich auch der Fluss im Stator umkehrt, bleibt die Kraftwirkung und -Richtung gleich.
Günter Lenz schrieb: >>Reihenschluss - Nebenschlussmaschinen sind fuer Wechselstrom nicht >>geeignet. > > Mein Staubsauger ist eine Reihenschlußmaschine und ich habe > in mein Haus 230V Wechselspannung 50Hz und der Staubsauger > funktioniert wunderbar. Ja klar, da fliesst ja auch zu jedem Zeitpunkt der gleiche Strom und damit passen die Magnetfelder zueinander. Das
1 | >>Reihenschluss - Nebenschlussmaschinen sind... |
war nicht ganz eindeutig. So wird es eindeutig: Reihenschluss.(PUNKT) Nebenschlussmaschinen sind fuer Wechselstrom nicht geeignet.(PUNKT) wendelsberg
thomas_at schrieb: > sondern um einen Universalmotor (Reihen oder > Nebenschluss). Nein. Das "oder Nebenschluss" ist falsch. Universalmotoren (=Allstrommotoren) sind stets Reihenschlussmaschinen.
Günni schrieb: > Solange die Motoren das nicht wissen, laufen die mit Wechselstrom genau > so gut wie mit Gleichstrom. Nö, die kennen die Naturgesetze. > Da bei jedem durch den Wechselstrom > bedingten Flusswechsel im Rotor sich auch der Fluss im Stator umkehrt, > bleibt die Kraftwirkung und -Richtung gleich. Dummerweise passiert das bei der Nebenschlussmaschine nicht zur gleichen Zeit.
hinz schrieb: > Günni schrieb: > Solange die Motoren das nicht wissen, laufen die mit Wechselstrom genau > so gut wie mit Gleichstrom. > > Nö, die kennen die Naturgesetze. > > Da bei jedem durch den Wechselstrom > bedingten Flusswechsel im Rotor sich auch der Fluss im Stator umkehrt, > bleibt die Kraftwirkung und -Richtung gleich. > > Dummerweise passiert das bei der Nebenschlussmaschine nicht zur gleichen > Zeit. Ich frag mal in die Runde: Nebenschluss ist wenn Statorwicklung und Rotorwicklung parallel an Netz hängen?! Reihenschluss ist wenn die Statorwicklung und die Rotorwicklung in Reihe geschaltet sind?! (Ich könnte natürlich auch Wikipedia oder ein altes Lehrbuch bemühen, aber dann wär die Diskussion schnell zu Ende)
Arthur Fleck schrieb: > Nebenschluss ist wenn Statorwicklung und Rotorwicklung > parallel an Netz hängen?! Ja. > Reihenschluss ist wenn die Statorwicklung und die > Rotorwicklung in Reihe geschaltet sind?! Ja.
Arthur Fleck schrieb: > Da bei jedem durch den Wechselstrom > bedingten Flusswechsel im Rotor sich auch der Fluss im Stator umkehrt, > bleibt die Kraftwirkung und -Richtung gleich. > Dummerweise passiert das bei der Nebenschlussmaschine nicht zur gleichen > Zeit. Warum passiert das nicht zur gleichen Zeit? Was kann man dagegen tun?
Abend! Egon D. schrieb: > thomas_at schrieb: > >> sondern um einen Universalmotor (Reihen oder >> Nebenschluss). > > Nein. > Das "oder Nebenschluss" ist falsch. Zu schnell und zu spät geschrieben. Ja, Nebenschluss funktioniert bei AC nicht. Warum? Der Statorstrom wäre um 90° gegenüber der Spannung verschoben (theoretisch ohne Verluste eine reine Induktivität), der Rotorstrom ist fast in Phase mit der Spannung (muss Wirkleistung erzeugen, also Widerstandsverhalten). Damit würden felderzeugender (Stator) und drehmomenderzeugender Strom (Rotor) in der Amplitude nie aufeinander treffen, der cos phi und damit die Leistung geht gegen Null. Die Erkläung stimmt hoffentlich einigermassen... mfG Thomas
Arthur Fleck schrieb: > Warum passiert das nicht zur gleichen Zeit? Induktivität. > Was kann man dagegen tun? Reihenschluss nutzen.
Arthur Fleck schrieb: > Der Mythos der Hummel > Die Hummel wiegt 4.8 Gramm, hat eine Flügelbreite von 1,45 cm² > bei einem Flächenwinkel von 6 Grad. > Nach den Gesetzen der Aerodynamik kann die Hummel daher gar nicht > fliegen, weil die Flügel der Hummel im Verhältnis zu ihrem pummeligen > Körper viel zu klein sind. > Und was macht die Hummel? Ihr ist das egal. Sie weiß das nicht und > fliegt trotzdem. > Das "Hummelparadoxon" wurde in den 90ern befriedigend aerodynamisch erklärt. >(Ich könnte natürlich auch Wikipedia oder ein altes Lehrbuch bemühen, aber dann wär die Diskussion schnell zu Ende) wäre hier ganz nützlich gewesen. Arno
MaWin O. schrieb: > Arthur Fleck schrieb: > Warum passiert das nicht zur gleichen Zeit? > > Induktivität. > > Was kann man dagegen tun? > > Reihenschluss nutzen. Kann ich nicht einfach einen Kondensator in Reihe mit der Erregerwicklung schalten?
Arthur Fleck schrieb: > MaWin O. schrieb: >> Arthur Fleck schrieb: >> Warum passiert das nicht zur gleichen Zeit? >> >> Induktivität. >> >> Was kann man dagegen tun? >> >> Reihenschluss nutzen. > > Kann ich nicht einfach einen Kondensator in Reihe mit der > Erregerwicklung schalten? Die Phasenverschiebung ist lastabhängig.
hinz schrieb: >> Kann ich nicht einfach einen Kondensator in Reihe mit der >> Erregerwicklung schalten? > > Die Phasenverschiebung ist lastabhängig. Wenn ich den Kondensator ausreichend klein dimensioniere, so das dieser der Erregerwicklung den Strom aufzwingt?! Könnte es so gehen?
Arthur Fleck schrieb: > hinz schrieb: >>> Kann ich nicht einfach einen Kondensator in Reihe mit der >>> Erregerwicklung schalten? >> >> Die Phasenverschiebung ist lastabhängig. > > Wenn ich den Kondensator ausreichend klein dimensioniere, so das dieser > der Erregerwicklung den Strom aufzwingt?! Könnte es so gehen? Hörst du die Hühner?
hinz schrieb: > Hörst du die Hühner? Was willst du mir damit sagen? Wenn das ein Wink mit dem Zaunpfahl sein soll? Verstehe ich nicht!
Jelly Belly schrieb: > hinz schrieb: >> Hörst du die Hühner? > > Was willst du mir damit sagen? Wenn das ein Wink mit dem Zaunpfahl sein > soll? Verstehe ich nicht! Was hast Du denn damit zu tun? Oder bist ein typischer Schwachkopf, der sich alle naslang mit unterschiedlichen/neuen Nicks anmeldet, bzw. darunter schreibt?
Oh, was ist hier denn passiert? Da geht man nur mal ne Stunde offline und dann sowas. Können wir nochmal auf die Idee zurückkommen, mit einem geeigneten Kondensator, in Reihe mit der Erregerwicklung, ob es dann möglich ist, so einen Motor als Nebenschlussmotor zu betreiben? Dank euch allen! :-)
Arthur Fleck schrieb: > Können wir nochmal auf die Idee zurückkommen, mit einem geeigneten > Kondensator, in Reihe mit der Erregerwicklung, ob es dann möglich ist, > so einen Motor als Nebenschlussmotor mit Wechselstrom zu betreiben!
Arthur Fleck schrieb: > Können wir nochmal auf die Idee zurückkommen, mit einem geeigneten > Kondensator, in Reihe mit der Erregerwicklung, Willst Herrn Siemens, der vor hundert Jahren gestorben ist, Konkurrenz machen?
thomas_at schrieb: > Damit würden felderzeugender (Stator) und drehmomenderzeugender Strom > (Rotor) in der Amplitude nie aufeinander treffen, der cos phi und damit > die Leistung geht gegen Null. Sehe ich ein. Danke für die Erklärung! Mit ein paar billigen Dioden wäre dieser Mangel zwar zu beheben, aber die Elektroindustrie ist ja sehr zögerlich beim Einsatz elektronischer Bauteile.
Hp M. schrieb: > Mit ein paar billigen Dioden wäre dieser Mangel zwar zu beheben Selbst so in einem Pürierstab gesehen - Stator mit Permanentmagneten und den Anker über Gleichrichter und kleinem Entstörkondensator betrieben. Lustigerweise stand auf dem Motörchen "230VADC". Mit "alternating direct current" sind wohl gleichgerichtete Halbwellen gemeint :D mfg mf
Bitte melde dich an um einen Beitrag zu schreiben. Anmeldung ist kostenlos und dauert nur eine Minute.
Bestehender Account
Schon ein Account bei Google/GoogleMail? Keine Anmeldung erforderlich!
Mit Google-Account einloggen
Mit Google-Account einloggen
Noch kein Account? Hier anmelden.


