Hallo Zusammen und ein frohes neues Jahr, ich musste an einem Oszilloskop der Firma Pico die USB Buchse erneuern und habe diese gegen eine neue ausgetauscht. Doch beim Einspannen der Platine habe ich durch unachtsamkeit ein Bauteil mechanisch kaputt gemacht. Es scheint sie um die Eingangsbeschaltung eines kanals zu handeln, jedoch habe ich leider keine Ahnung, um welches Bauteil es sich handeln könnte.Die Bezeichnung zu googlen hat kein Erfolg gebracht. Habt ihr eine Ahnung/Idee was das für ein Bauteil sein könnte bzw. wo ich das her bekomme? Ich habe das entsprechende Bauteil auf dem Bild markiert. Vielen Dank und schöne Grüße
hinz schrieb: > Der letzte Buchstabe ist dabei nur die VPE. Ist mit VPE ganz normal die Verpackungseinheit gemeint, oder ist damit das Kunststoffmaterial des SOT23 Gehäuses gemeint?
Jens schrieb: > hinz schrieb: >> Der letzte Buchstabe ist dabei nur die VPE. > > Ist mit VPE ganz normal die Verpackungseinheit gemeint, oder ist damit > das Kunststoffmaterial des SOT23 Gehäuses gemeint? Ersteres.
Ihr seid klasse. Vielen Dank. Aber was genau ist der unterschied zwischen xxxDBVT und xxxDBVR? ich habe bei Mouser mal die Daten verglichen und auf anhieb keinen Unterschied erkennen können.
Andreas B. schrieb: > Ihr seid klasse. Vielen Dank. Aber was genau ist der unterschied > zwischen xxxDBVT und xxxDBVR? ich habe bei Mouser mal die Daten > verglichen und auf anhieb keinen Unterschied erkennen können. Beitrag "Re: Bauteil Identifikation"
Andreas B. schrieb: > Aber was genau ist der unterschied zwischen xxxDBVT und xxxDBVR? Da habe ich auch erst gestutzt. Aber laut Hinz ist es angeblich nur die Verpackungseinheit und somit zweitrangig.
Jens schrieb: > Andreas B. schrieb: >> Aber was genau ist der unterschied zwischen xxxDBVT und xxxDBVR? > > Da habe ich auch erst gestutzt. Aber laut Hinz ist es angeblich nur die > Verpackungseinheit und somit zweitrangig. Ja wer lesen kann ist klar im Vorteil :-) Dann weiß ich ja wo ich da bestellen kann. Vielen Dank Euch allen für Eure Hilfe.
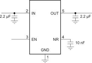
Sebastian schrieb: > T für Tape und R für Reel. Ok, dann packe ich noch das Bild zu dem rauscharmen Eingangsverstärker dazu, dann weiß jetzt jeder worum es hier geht.
Jens schrieb: > Sebastian schrieb: >> T für Tape und R für Reel. > > Ok, dann packe ich noch das Bild zu dem rauscharmen Eingangsverstärker > dazu, dann weiß jetzt jeder worum es hier geht. ??? TPS72325DBVT , ob der das nun wirklich ist hat mich jetzt nicht interressiert https://www.ti.com/lit/ds/symlink/tps723.pdf die befinden sich beide auf Tape und reel, zu unterschiedlichen Stückzahlen ;)
Bitte melde dich an um einen Beitrag zu schreiben. Anmeldung ist kostenlos und dauert nur eine Minute.
Bestehender Account
Schon ein Account bei Google/GoogleMail? Keine Anmeldung erforderlich!
Mit Google-Account einloggen
Mit Google-Account einloggen
Noch kein Account? Hier anmelden.


