Halli-Hallo! Ich versuche gerade Schieberegister zu verstehen.. Dabei läuft alles auf eine Frage hinaus: Wann reagiert der erste Ausgang auf den Eingang? Also sofort beim Takt nach einer kleinen Latenz, oder einen halben Takt später bei der fallenden Flanke, oder einen ganzen Takt später bei der nächsten steigenden Flanke? MfG Flyffi
Flyffi schrieb: > Ich versuche gerade Schieberegister zu verstehen.. > Dabei läuft alles auf eine Frage hinaus: > Wann reagiert der erste Ausgang auf den Eingang? Also sofort beim Takt > nach einer kleinen Latenz, oder einen halben Takt später bei der > fallenden Flanke, oder einen ganzen Takt später bei der nächsten > steigenden Flanke? Da musst du ins Datenblatt des verwendeten Schieberegisters schauen. Dort ist das beschrieben.
> Wann reagiert der erste Ausgang auf den Eingang?
Das kann man nicht pauschal beantworten, weil es tatsächlich beide
Varianten gibt.
Stefan ⛄ F. schrieb: > Das kann man nicht pauschal beantworten, weil es tatsächlich beide > Varianten gibt. Nein, denn es gibt ja nur eine einzige Variante von Schieberegistern auf dieser Welt!
Flyffi schrieb: > Wann reagiert der erste Ausgang auf den Eingang? Also sofort beim Takt > nach einer kleinen Latenz, ... Eine kleine Latenz gibt es immer. Gleichzeitigkeit ist reine Theorie und dazu auch noch eine falsche.
Danke schon mal. Also ich muss sagen, es wird mir nicht ganz klar.. Nehmen wir mal das einfache Schieberegister hier: https://www.ti.com/lit/ds/symlink/cd4015b.pdf Dort ist die Rede von Master-Slave-DFlops. Sprich Einlesen und Ausgeben sollte gegenphasig geschehen. Die Ersatzschaltung sieht auch danach aus. Aber irgendwie scheint das der angegebenen Wahrheitstabelle zu widersprechen.. Kann mir das jemand erklären. Vielleicht habe ich die Ersatzschaltung oder die Wahrheitstabelle falsch verstanden?!
Wolfgang schrieb: > Eine kleine Latenz gibt es immer. Nein! Du mußt zwischen synchronen und asynchronischen unterscheiden.
Flyffi schrieb: > Dort ist die Rede von Master-Slave-DFlops. Bei D-Flip-Flop ja. Bei synchronen wird der Ausgang gleichzeitig mit dem Eingang freigeschalten. Gut, ist auch etwas verzögert. Aber komplizierter und teurer.
Flyffi schrieb: > Also ich muss sagen, es wird mir nicht ganz klar.. > Nehmen wir mal das einfache Schieberegister hier: > https://www.ti.com/lit/ds/symlink/cd4015b.pdf Nimm mal das etwas neuere Exemplar davon: https://www.ti.com/lit/ds/symlink/cd74hc4015.pdf?HQS=dis-mous-null-mousermode-dsf-pf-null-wwe&ts=1610240035018 Da ist auf Seite 4 und 5 das Timingdiagram etwas besser dargestellt. Die Frage ist was du denn überhaupt genau haben willst? Nur mal so als Beispiele was es da so (alleine von TI) alles gibt: https://www.ti.com/logic-circuit/flip-flop-latch-register/shift-register/products.html https://www.ti.com/lit/sg/sdyu001ab/sdyu001ab.pdf?ts=1610240528803
Irgend W. schrieb: > Die Frage ist was du denn überhaupt genau haben willst? Sicher ist er mit der Frage übefordert. Aber lernen macht Spaß!
michael_ schrieb: > Aber lernen macht Spaß! Kann aber auch frustrierend sein, wenn man nicht genau weiß was man da jetzt eigentlich verstanden hat. Flyffi schrieb: > Dort ist die Rede von Master-Slave-DFlops.
Flyffi schrieb: > Ich versuche gerade Schieberegister zu verstehen.. An die Thematik kann man nur methodisch herangeführt werden. Alles andere macht Dich zum laullenden Idioten.
michael_ schrieb: > Wolfgang schrieb: >> Eine kleine Latenz gibt es immer. > > Nein! > Du mußt zwischen synchronen und asynchronischen unterscheiden. Gatterlaufzeiten zwischen Eingangsflanke und Änderung des Ausgangszustandes wirst du nicht weg diskutieren können. Mit synchroner und asynchronischer Logik hat das nichts zu tun. Das ist eine andere Baustelle.
Flyffi schrieb: > Dort ist die Rede von Master-Slave-DFlops. Sprich Einlesen und Ausgeben > sollte gegenphasig geschehen. Die Ersatzschaltung sieht auch danach aus. > Aber irgendwie scheint das der angegebenen Wahrheitstabelle zu > widersprechen.. Ich sehe da keinen Widerspruch. Die jeweils erste Stufe übernimmt das Eingangssignal bei Clock=LOW, die zweite Stufe übernimmt das Signal von der ersten Stufe bei Clock=HIGH. Die Ausgänge des IC entsprechen den Ausgämgen der zweiten Stufe.
Flyffi schrieb: > Kann mir das jemand erklären. Vielleicht habe ich die Ersatzschaltung > oder die Wahrheitstabelle falsch verstanden?! Wenn du auf den 4015 abzielst, dann ist es so, dass eine positive Flanke des Taktes nach einer kurzen Laufzeit den D an den Q-Ausgang übergibt. Wie du sagtest: sofort, nach einer kleinen Latenz, der 'propagation delay time'. Die ist zwar bei der in die Jahre gekommenen Serie relativ hoch (bei kleiner Versorgungsspannung über 200-300ns), aber es ist nur ein Delay auf Grund der Gatterlaufzeiten. Und ein gewisses Delay ist auch notwenig, denn das nächste FF braucht eine Hold-Zeit. Der 4015 ist ein synchroner Baustein, das geht bei einem Schieberegister auch nicht anders: es sollten mit der aktiven Taktflanke ja alle Ausgänge sich gleichzeitig ändern! Und das tun sie auch, wenn man von den Deltas der Gatterlaufzeiten innerhalb des Bausteins mal absieht. Man sieht es auch daran, dass alle FF mit dem Takteingang parallel verbunden sind. Ein besseres Bild ist im NXP-Datenblatt zum HEF4015 zu finden. https://assets.nexperia.com/documents/data-sheet/HEF4015B.pdf
Einige Kommentare sind bestimmt der späten Stunde geschuldet gewesen.. @stefanus: So habe ich mir das auch vorgestellt. Aber es scheint ja so zu sein, dass es nur einer kleinen Latenz, unabhängig von der Taktrate, bedarf, wie hier einige und das Datenblatt selbst anmerken. Und das passt irgendwie nicht zu Master-Slave.. In der Wahrheitstabelle ist auch die Rede davon, dass der Eingang keine Rolle spielt bei fallender Flanke und es wird nur von (den relativ langen) konstanten Gatterlaufzeiten geredet. Das Eingangssignal muss, wie es aussieht (t_SU), nicht einen halben Takt vorher anliegen, sondern nur ein paar ns. Aber sogar die angegebene Ersatzschaltung sieht nach Master-Slave aus, da die Gates anscheinend sogar gegenphasig vom Clock angesteuert werden.
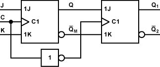
Flyffi schrieb: > Aber es scheint ja so zu sein, dass es nur einer kleinen Latenz, > unabhängig von der Taktrate, bedarf, wie hier einige und das Datenblatt > selbst anmerken. > Und das passt irgendwie nicht zu Master-Slave.. Da stimme ich dir zu. Ich halte diese Aussage auch für falsch. Master-Slave Flipflops würden noch funktionieren, wenn die Signale ohne Zeitverlust durch ihre Gatter laufen würden. > In der Wahrheitstabelle ist auch die Rede davon, > dass der Eingang keine Rolle spielt bei fallender Flanke Das ist auch richtig so. Master und Slave reagieren nicht auf Flanken, sondern auf Pegel. Erst die Verkettung der beiden Stufen bewirkt, dass das Gnaze von außen betrachtet Flankengesteuert wirkt. Der Master übernimmt die Eingangsdaten die ganze Zeit während Clock=LOW ist. Der Slave übernimmt die Daten vom Master die ganze Zeit, während Clock=HIGH ist. Damit das sauber funktioniert, muss der Eingang eine Gewisse Zeit (tsu) vor der steigenden Taktflanke stabil sein. Vergleiche das mit dem angehängten Schaltplan, dass die Innenschaltung eines Master-Slave Flipflops zeigt. Im Vergleich zu deinem IC ist dort der Clock Eingang invertiert. Der Master übernimmt bei Clock=HIGH und der Slave bei Clock=LOW. Das Funtkionsprinzip ist ansonsten gleich. Siehe https://www.elektronik-kompendium.de/sites/dig/0210221.htm
Flyffi schrieb: > Sprich Einlesen und Ausgeben > sollte gegenphasig geschehen. Nein, es erfolgt mit der gleichen Flanke, sonst wäre ja ein Kaskadieren nicht möglich. Die Datenhaltezeit ist oft 0, d.h. die Daten dürfen gleichzeitig mit der übernehmenden Taktflanke ungültig werden. Der Ausgang wechselt aber erst nach der Flanke, d.h. alles in Butter.
Bitte melde dich an um einen Beitrag zu schreiben. Anmeldung ist kostenlos und dauert nur eine Minute.
Bestehender Account
Schon ein Account bei Google/GoogleMail? Keine Anmeldung erforderlich!
Mit Google-Account einloggen
Mit Google-Account einloggen
Noch kein Account? Hier anmelden.

