Hallo, für die Umschaltung mehrerer 2 Farb LEDs, die Herstellerseitig antiparallel geschaltet sind, benötige ich eine -/+ 2,5V Versorgung. Mir stehen 5V Ausgansspannung zur Verfügung. Nach einigem suchen bin ich auf den BUF634 gestoßen und hatte damit das Thema schon fast abgehakt. Nach einem Blick ins Datenblatt sehen ich, dass der von mir benötigten Strom von ca. 150 bis 230mA einen hohen Spannungsabfall im BUF verursacht. Somit ist der Puffer IC für mein Vorhaben nicht zu verwenden. Welche Alternativen gibt es noch? Das Einstellen der Symmetrie über Widerstände währe auch noch hilfreich, denn ich benötige eine leicht verschobene Mitte (grün und rot haben verschieden Spannungen). Vielen Dank und viele Grüße!
Robert schrieb: > Welche Alternativen gibt es noch? Digitaltechnik.
1 | +--|<|--+ LED ror |
2 | | | |
3 | +--|>|--+ LED grün |
4 | | | |
5 | | R passend zur LED an 5V |
6 | | | |
7 | --+--|>o--+ |
8 | 74HC1G04 |
Und wenn man noch unterschiedliche Ströme braucht, dann hilt eine Diode:
1 | .--|<|--. LED rot |
2 | | | |
3 | o--|>|--o LED grün |
4 | | | |
5 | | o----. |
6 | | | | |
7 | | R2 R2 |
8 | | | | |
9 | | | V |
10 | | | - |
11 | | o----' |
12 | | | |
13 | --o--|>o--' |
14 | Inverter |
Damit wird der Strom durch die grüne LED höher, weil R2 "parallel" zu R1 geschaltet wird.
Die Dioden sind doch im vorigen Vorschlag schon drin. Eine dritte brauchts nicht. Je ein R vor seine Diode. Aber der '04 wird sich mit 230mA schwer tun.
(prx) A. K. schrieb: > Aber der '04 wird sich mit 230mA schwer tun. Diesen durch einen geeigneten N-Kanal plus P-Kanal Mosfet ersetzen.
(prx) A. K. schrieb: > Die Dioden sind doch im vorigen Vorschlag schon drin. >> die Herstellerseitig antiparallel geschaltet Das verstehe ich so daß man da nicht einzeln ran kommt. > Aber der '04 wird sich mit 230mA schwer tun. Das verstehe ich ehrlich gesagt sowieso nicht. Wofür 230mA? Antiparallel geschaltete LED kenne ich nur als Anzeige-LED. Da reichen dann 10mA vollkommen aus.
Bassist schrieb: > Diesen durch einen geeigneten N-Kanal plus P-Kanal Mosfet ersetzen. Je nach Gatecharakteristik geht dann während des Umschaltvorgangs die Post ab. Eine MOS H-Brücke mit Totzeit wäre vielleicht sinnvoller.
(prx) A. K. schrieb: > Die Dioden sind doch im vorigen Vorschlag schon drin. Eine dritte > brauchts nicht. Je ein R vor seine Diode. Eine übliche antiparallele RG-LED hat aber nur 2 Anschlüsse... ;-)
Lothar M. schrieb: > Eine übliche antiparallele RG-LED hat aber ... keine 230mA. Jedenfalls leuchtet sie dann bald nicht mehr.
Robert schrieb: > grün und rot Apropos: Wär besser, wenn das Produkt hauptsächlich die weibliche Hälfte der Bevölkerung adressiert. Denn rund 10% der anderen Hälfte fällt als Kundschaft aus. Akku-Ladegeräte mit so einer LED sind nichts für mich - Rot/Grünschwäche.
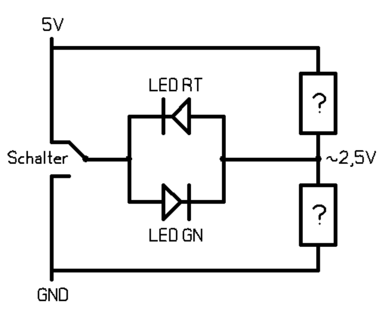
Das geht ja echt flott hier! Ich hab vergessen zu erwähnen, dass das Schalten über einen Wechselschalter geschieht. Eine Seite auf Masse und die Andere auf 5V. Daher benötige ich den "Spannungsteiler".
Wenn Du >>100mA mit der Betriebsspannung hin und herschalten möchtest, dann ist "Vollbrücke" vermutlich dass, was Du suchst. So wie man es mit Motoren macht.
Robert schrieb: > benötige ich eine -/+ 2,5V Versorgung. Mir > stehen 5V Ausgansspannung zur Verfügung. > ... > dass der von mir benötigten Strom von ca. 150 bis 230mA Cuk (z.B. LT1614 oder LT1372) und SEPIC (Z.B. LT1372). Man kann beides auch mit 1x IC machen, da Cuk und SEPIC ähnliche Abhängigkeit Vout/D haben.
Robert schrieb: > So ist der Aufbau. Irgendwie mag ich das nicht so recht glauben, da du schon im ersten Beitrag von der "Umschaltung mehrerer 2 Farb LEDs" schriebst. Hinzu kommt der Einwand, den ich auch so sehe: Axel S. schrieb: > Das verstehe ich ehrlich gesagt sowieso nicht. Wofür 230mA? > Antiparallel geschaltete LED kenne ich nur als Anzeige-LED. > Da reichen dann 10mA vollkommen aus. Wenn das mehrere Duo-Led sind, kann man die sowieso nicht einfach parallel betreiben - man kann dann aber problemlos die Schaltung aus Lothar M. schrieb:
1 | .--|<|--. LED rot |
2 | | | |
3 | o--|>|--o LED grün |
4 | | | |
5 | | o----. |
6 | 5V--o \ | | | |
7 | o--o R2 R2 |
8 | GND--o | | | |
9 | | | V |
10 | | | - |
11 | | o----' |
12 | | | |
13 | o--|>o--' |
14 | Inverter |
n-mal aufbauen (mit mehrfach Invertern). Verlink doch mal ein Datenblatt der LED.
Hier ist das Dateblatt der LED: https://asset.conrad.com/media10/add/160267/c1/-/gl/000182172DS02/datenblatt-182172-osa-opto-ols-159-srg-xd-t-smd-led-mehrfarbig-1206-rot-gruen-12-mcd-2-mcd-140-2-ma-18-v-19-v-tape-cut.pdf Unterm Strich sollen zu 12 Schaltern je eine LED umgeschalten werden. Die Dioden sind in den Schaltern verbaut mit einem noch unbekannten Vorwiderstand. Wie hell die leuchten sollen und der damit fließende Strom ist noch unbekannt. Daher der max. Strom vom bis. Ich hätte gern eine Lösung für alle Scahlter/Dioden parallel und nicht unbeding für jeden Schalter einzeln.
Der Schalter hat 4 Aus/Eingänge. Der Erste geht an eine Seite der LED (mit Vorwiderstand). Die andere Seite der LED ist mit der Wippe verbunden und ist auch nach außen geführt. Also Anschluß zwei. Und dann gibt es noch die beiden Kontakte auf die geschalten wird.
Beitrag #6571826 wurde von einem Moderator gelöscht.
Robert schrieb: > Hier ist das Dateblatt der LED: > > https://asset.conrad.com/media10/add/160267/c1/-/gl/000182172DS02/datenblatt-182172-osa-opto-ols-159-srg-xd-t-smd-led-mehrfarbig-1206-rot-gruen-12-mcd-2-mcd-140-2-ma-18-v-19-v-tape-cut.pdf Das ist ein tolles Datenblatt. Der maximale erlaubte Durchlaßstrom ist nur für Pulsbetrieb gegeben. Aber sei es drum: 50mA bei 1:10 entspricht 5mA Dauerstrich. Nicht 20mA. > Unterm Strich sollen zu 12 Schaltern je eine LED umgeschalten werden. Na also. Man braucht 12 Inverter. > Die Dioden sind in den Schaltern verbaut mit einem noch unbekannten > Vorwiderstand. Wie hell die leuchten sollen und der damit fließende > Strom ist noch unbekannt. Toll. Wie wäre es dann mal damit, das herauszufinden? > Ich hätte gern > eine Lösung für alle Scahlter/Dioden parallel und nicht unbeding für > jeden Schalter einzeln. Warum? Können die Schalter nicht einzeln betätigt werden? Robert schrieb: > Der Schalter hat 4 Aus/Eingänge. Der Erste geht an eine Seite der LED > (mit Vorwiderstand). Die andere Seite der LED ist mit der Wippe > verbunden und ist auch nach außen geführt. Also Anschluß zwei. Und dann > gibt es noch die beiden Kontakte auf die geschalten wird. Das verstehe ich nicht. Schaltbild?
Robert schrieb: > Hier ist das Dateblatt der LED: Wie erwartet eine stinknormale 20mA LED, die sich problemlos aus einen 74HC1G04 steuern lässt. 1.6[W] steht nicht für 1.6 Watt sondern 1.6mm Breite. Robert schrieb: > je eine LED Also 12 Inverter in 2x74HC04.
Robert schrieb: > Ich hab vergessen zu erwähnen Das ist das Hauptproblem: dass der Rest der Welt anhand halbgarer Informationen wild drauflosraten muss. Robert schrieb: > So ist der Aufbau. An dem Schalter und den LEDs kann ich nichts ändern. Auf dem Plan hat der Schalter ganz klar 3 Anschlüsse. Robert schrieb: > Der Schalter hat 4 Aus/Eingänge. Was denn jetzt? 3 oder 4 oder wie oder was? Axel S. schrieb: > Das verstehe ich nicht. Schaltbild? Und ein paar brauchbare Fotos, damit man kontrollieren kann, ob der Plan ansatzweise zu dem passen könnte, was da verbaut ist.
Axel S. schrieb: > Robert schrieb: >> Der Schalter hat 4 Aus/Eingänge. Der Erste geht an eine Seite der LED >> (mit Vorwiderstand). Die andere Seite der LED ist mit der Wippe >> verbunden und ist auch nach außen geführt. Also Anschluß zwei. Und dann >> gibt es noch die beiden Kontakte auf die geschalten wird. > > Das verstehe ich nicht. Schaltbild? Vermutlich hat er einen DPST-Schalter - einen Schliesser für die LED und einen für die Last. Dann muß man eben noch einen Inverter spendieren. z.B SN74LVC2G14 Dual Schmitt-Trigger Inverter https://www.ti.com/lit/ds/symlink/sn74lvc2g14.pdf
1 | 5V--. .--|<|--. LED rot |
2 | | | | |
3 | | o--|>|--o LED grün |
4 | R3 | | |
5 | | | o----. |
6 | \ | | | | |
7 | GND--o o--o-|>o--o R2 R2 |
8 | Inv A | | | |
9 | | | V |
10 | | | - |
11 | | o----' |
12 | | | |
13 | o--|>o--' |
14 | Inverter B |
sokaf schrieb: > Axel S. schrieb: >> Robert schrieb: [Schnipp] >> Das verstehe ich nicht. Schaltbild? > > Vermutlich hat er einen DPST-Schalter - einen Schliesser > für die LED und einen für die Last. Ich würde ja vermuten, daß einfach die Anschlüsse der LED herausgeführt sind. Das ist am einfachsten und universell.
Axel S. schrieb: > Ich würde ja vermuten, daß einfach die Anschlüsse der LED herausgeführt > sind. Das ist am einfachsten und universell. Kann natürlich auch sein. @Robert DB des Schalters?
Zu dem Schalter konnte ich kein Datenblatt finden. Der Hersteller soll Remco sein und die EAN: 4250830823430. Im original Zustand ist nur eine grüne LED verbaut und nach dem Umbau soll eine Dual LED integriert sein die je nach Schalterstellung die Farbe ändert.
Du hast da ja nicht einmal separate Anschlüsse für die LED. Die Schaltung mit dem Inverter wird funktionieren, wenn du das mechanische Problem des Einbaus löst. Auch deine ursprüngliche Idee der 2.5V, die man z.B. mit einem Operationsvestärker(*) als Spannungsfolger und Spannungsteiler realisieren könnte, hat die selben Anforderungen an die Mechanik. (*) z.B. 2 * 200mA https://www.ti.com/lit/ds/symlink/lme49726.pdf
Bevor du da einen Aufriss machst: kannst du wirklich nicht andere Schalter mit 2 Wechsler-Kontakten verwenden? Die Frage wurde schon gestellt, aber nicht beantwortet.
Robert schrieb: > Im original Zustand ist nur eine grüne LED verbaut und nach dem Umbau > soll eine Dual LED integriert sein die je nach Schalterstellung die > Farbe ändert. Bist du sicher, dass du den Schalter wie gewünscht umgebaut kriegst? Das ist sicher nicht trivial. Eine Fotodoku wäre echt schön. Ich lass mich überraschen! Gruß Rainer
Robert schrieb: > Im original Zustand ist nur eine grüne LED verbaut > und nach dem Umbau soll eine Dual LED integriert sein So. Eine weitere Scheibe Salami. Robert schrieb: > die Herstellerseitig antiparallel geschaltet sind Hier sah das noch ganz anders aus. Nimm einfach zwei LEDs. Oder welche, wo drei Anschlüsse herausgeführt sind. Und dann verdrahtest du das so:
1 | 5V o---*--|>|--. |
2 | | R1 |
3 | | | |
4 | \------*---o zum µC |
5 | | | |
6 | | R2 |
7 | GND o--*--|<|--´ |
Und schon geht das ohne eine Mittenspannung. Und mit getrennt einstellbaren Helligkeiten. Man, man, man. Kunden schickt das Arbeitsamt
Man, man, man. Wenn ich die Verbindungen im Schalter so ändern könnte, hätte ich es auch getan und wäre damit keinem auf die Nerven gegangen!
Beitrag #6574000 wurde von einem Moderator gelöscht.
Beitrag #6574015 wurde von einem Moderator gelöscht.
Beitrag #6574018 wurde von einem Moderator gelöscht.
Beitrag #6574031 wurde von einem Moderator gelöscht.
Robert schrieb: > Wenn ich die Verbindungen im Schalter so ändern könnte also hast du ihn schon geöffnet (zerstört?)...zeig doch mal. Rainer
Beitrag #6574038 wurde von einem Moderator gelöscht.
Im Datenblatt steht für die max. Durchlassspannung der grünen Led 2,6V. typisch 2,25V. Insofern ist die Idee mit den 2,5V ein bischen optimistisch.
Dieter D. schrieb: > Ganz einfach diskret zu lösen. Kann man nicht gleich einen OPV dafür nehmen? Für eine Versorgungsspannung von nur 5 Volt müsste man den TDA2030 durch einen R2R Typ ersetzen!
Elektrofurz schrieb: > R2R Typ ersetzen! R2R ist gar nicht notwendig, da bis zu 2V Offset nach oben und nach unten am Ausgang kein Problem darstellen. Nebenbei sei noch angemerkt, das die Funktion mit den LED auch über einen NE555 möglich wäre.
Robert schrieb: > Hat etwas gedauert, aber hier sind die gewünschten Bilder. Also äußerst grobmotorisch aufgebaut. Ich werfe nochmal in den Ring: Beitrag "Re: 5v zu +- 2,5V"
Kann man einen LM386 zur Erzeugung der virtuellen Mitte nehmen? Oder mögen die Audionschaltkreise keinen DC oder driften mit der Zeit am Ausgang? Der liefert genügend Strom.
Robert schrieb: > Kann man einen LM386 zur Erzeugung der virtuellen Mitte nehmen? Oder > mögen die Audionschaltkreise keinen DC oder driften mit der Zeit am > Ausgang? Der liefert genügend Strom. Du begreifst es einfach nicht, oder? Deine "Lösung", die 5V zu splitten, ist keine. Zuzüglich Exemplarstreuung liegt die Summe der Flußspannungen der roten und der grünen LED zu knapp an deinen 5V. Etwas Spannung muß schließlich noch am Vorwiderstand abfallen. Je weniger Spannung am Vorwiderstand bleibt, desto größer der Einfluß vom Exemplarstreuungen. Wenn es um ein Paar LEDs gehen würde, könnte man darüber hinweg sehen und sagen du gleichst die Spannung halt ab. Aber du willst ja alle 12 so versorgen. Und das geht nicht!
Robert schrieb: > Kann man einen LM386 zur Erzeugung der virtuellen Mitte nehmen? Anstelle eines NE555 geht das schon. Die Rückkopplung mußt Du nur so machen, das der LM386 ein Rechtecksignal von 100-200Hz am Ausgang liefert. Der kann dann genug liefern für den linken Teil des Prinzips: https://www.mikrocontroller.net/attachment/492940/LED_Dual_512223_2021-02-11.png Das würde dann auch besser funktionieren als der Teil rechts im Schaltbild.
Axel S. schrieb: > Du begreifst es einfach nicht, oder? Deine "Lösung", die 5V zu splitten, > ist keine. Zuzüglich Exemplarstreuung liegt die Summe der Flußspannungen > der roten und der grünen LED zu knapp an deinen 5V. Etwas Spannung muß > schließlich noch am Vorwiderstand abfallen. Je weniger Spannung am > Vorwiderstand bleibt, desto größer der Einfluß vom Exemplarstreuungen. > > Wenn es um ein Paar LEDs gehen würde, könnte man darüber hinweg sehen > und sagen du gleichst die Spannung halt ab. Aber du willst ja alle 12 so > versorgen. Und das geht nicht! Mit deiner Begründung kann ich was anfangen und verstehe deine Bedenken. Die Seriensteung habe ich komplett außer Acht gelassen. Aber an deinem Umgangston muss noch etwas gearbeitet werden.
Robert schrieb: > Aber an deinem Umgangston muss noch etwas gearbeitet werden. Nein. Es haben dir jetzt mehrfach verschiedene Leute gesagt, daß du auf dem Holzweg bist. Aber du hörst nur, was du hören willst und gehst auf Argumente überhaupt nicht ein. Das ist kein Diskussionsstil der irgendwohin führt. Du kannst froh sein, daß ich dir überhaupt geantwortet habe und dich nicht einfach ignoriere.
Aus dem Schalter kann ich nur eine Leitung zusätzlich herausführen. Und somit ist deine Schaltung nicht umsetzbar. Daher hab ich mich für die Inverter Variante entschieden. Die LED wird durch eine Duale (ohne interne Brücken) ersetzt damit rt/gn jeweils einen eigenen Vorwiderstand erhalten kann.
Da sowieso nie beide LEDs gleichzeitig leuchten können, genügt auch ein einziger Widerstand. Wie sieht denn jetzt deine Schaltung mittlerweile aus? Wo führt die offene Leitung hin?
Robert schrieb: > Daher hab ich mich für die > Inverter Variante entschieden. Es geht auch mit nur einem gemeinsamen Widerstand, da die LED nur sichtbar leuchten sollen. https://www.elektronik-kompendium.de/public/schaerer/pwm555.htm https://www.elektronik-kompendium.de/public/schaerer/bilder/pw555_01.gif Du nimmst die Schaltung von Bild 1, siehe dort 1.2 (rechts oben). Über unterschiedliche Widerstände RT1 und RT2 stellst Du eine unterschiedliche Pulsdauer für High oder Low am Ausgang ein. Darüber kannst Du steuern ob alle roten oder grünen LED unterschiedlich hell oder gleich hell sein sollen. Und das funktioniert dann mit einem gemeinsamen Vorwiderstand, wie Du es ursprünglich machen wolltest. Die Streuung stört Dich dann übrigens auch nicht mehr. Wenn Du nicht verstehst, wie das funktionieren soll, dann baue rechts von Deiner Schaltung https://www.mikrocontroller.net/attachment/493741/Schalter_LED_V2.png Einen zweiten Wechselkippschalter, den ein Kumpel permanent so schnell er schalten kann, hin und her schaltet. Du wirst dann sehen, das nur die LED blinkt, die Deiner Schalterstellung enstpricht, die mit der LED-Farbe signalisiert werden soll.
Hier ist die aktuelle Schaltung. Ich hab zur optische Trennung einen Rahmen um den Schalter gelegt. Wie die 555 Timer Schaltung funktioniert habe ich verstanden und finde den Ansatz sehr interessant. Aber die Ausführung mit dem Invertierer gefällt mir auf Grund der wenigen Bauteile besser. Denn die Schaltung wird 12x benötigt und nimmt somit mehr Platz ein. Verwenden möchte ich diesen: SN74AHC1G04DBVR
Robert schrieb: > Hab die falsche Datei angehängt. Falls die grüne oder die rote LED zu dunkel sein sollte, dann kannst Du richtungsabhängig einen weiteren Widerstand in Reihe mit einer Diode parallel zu dem Widerstand hängen.
Bitte melde dich an um einen Beitrag zu schreiben. Anmeldung ist kostenlos und dauert nur eine Minute.
Bestehender Account
Schon ein Account bei Google/GoogleMail? Keine Anmeldung erforderlich!
Mit Google-Account einloggen
Mit Google-Account einloggen
Noch kein Account? Hier anmelden.











