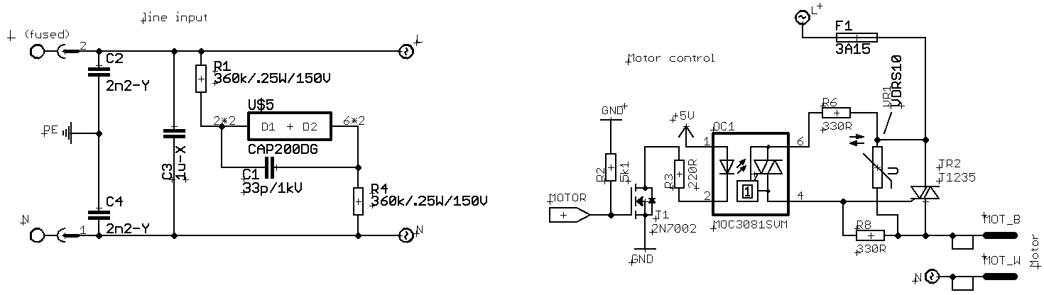
Hallo allerseits, Bei der angehängten Schaltung gibts ein Problem: Beim Einstecken läuft der Motor ganz kurz an. Das Signal "Motor" ist dabei ständig auf 0V. Der verwendete Triac ist ein "snubberless" Typ. Wo liegt wohl das Problem, was geschieht genau und was lässt sich dagegen tun? Danke für die Hilfe! ps.: Das Teil "CAP200DG" ist ein "capzero" zum entladen von C1 beim Ausstecken. Dies ist hier wohl irrelevant.
Tobias Z. schrieb: > Der verwendete Triac ist ein "snubberless" Typ. In deinem Fall ist wohl doch noch ein Snubber nötig.
Tobias Z. schrieb: > Beim Einstecken läuft der Motor ganz kurz an. dU/dt des TRIACs überschritten, ein VDR hilft dagegen nicht, es muss ein Snubber parallel zum TRIAC. Wenn er nicht mehr beim Einschalten im Scheitelpunkt der Wechselspannung einschaltet, ist der Snubber 'ausreichend' dimensioniert.
Danke! Das hab' ich mir fast gedacht. Um genau das zu erschlagen, verwendete ich ein "snubberless" Triac. Weshalb wohl funktioniert dieses hier nicht?
Tobias Z. schrieb: > Danke! Das hab' ich mir fast gedacht. Um genau das zu erschlagen, > verwendete ich ein "snubberless" Triac. Weshalb wohl funktioniert dieses > hier nicht? Weil auch bei denen dU/dt begrenzt werden muss. Der Motor alleine reicht dazu offensichtlich nicht.
Tobias Z. schrieb: > Um genau das zu erschlagen, verwendete ich ein "snubberless" Triac. > Weshalb wohl funktioniert dieses hier nicht? Weil auch der MOC3081 ein maximales dU/dt hat.
> Weil auch der MOC3081 ein maximales dU/dt hat. Ah ja, hat er wohl. Dann müsste also ein Snubber über die Triac-Anoden von TR2 und / oder einer über die Triac-Anoden des Optotriacs - nur wo mit welchen Bauteil-Werten? Hier: https://www.mikrocontroller.net/articles/TRIAC habe ich gerade gelesen: "Bei Vorschaltung eines Optotriacs muss auch jener „snubberless“ sein, um auf den Snubber komplett verzichten zu können!". Der MOC3081 ist nicht snubberless, das ist wohl der Fehler. Ich schaue mich mal nach einem snubberless Treiber um und versuchs damit. Danke!
Tobias Z. schrieb: > Der MOC3081 ist nicht snubberless, das ist wohl der Fehler. > Ich schaue mich mal nach einem snubberless Treiber um Viel Spaß, den gibt es nicht. Muss man aus jedem Kinderkram eine ewige Diskussion machen? Packe einen Snubber über Dein Triac und gucke, was passiert, die MOC308x sind bewährte Treiber. Gucken, was die Bastelkiste hergibt, um 27..39 Ohm und 0,2..0,47µ und fertig. Es ist Netzspannung, also muß der C ein X2-Typ sein! Für einen kurzzeitig beaufsichtigten Versuch tut es auch ein Folienkondensator mit 600V-DC.
Bitte melde dich an um einen Beitrag zu schreiben. Anmeldung ist kostenlos und dauert nur eine Minute.
Bestehender Account
Schon ein Account bei Google/GoogleMail? Keine Anmeldung erforderlich!
Mit Google-Account einloggen
Mit Google-Account einloggen
Noch kein Account? Hier anmelden.
