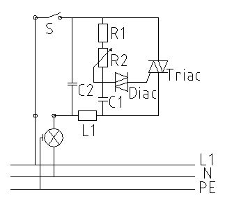
Hallo Forum:-) Im Anhang sieht man eine extrem primitive Dimmerschaltung... Könnte man die Irgendwie mit einem mC ansteuern? (habe Digital, 0-5V analog,Frequenz und PWM-Ausgänge) Wenn ich irgendwie mit dem mC das Poti simulieren könnte wäre das Problem schon gelöst... Oder habt ihr irgend eine schlaue Schaltung auf lager?
das einzige, was mir direkt einfällt, wäre ein Eigenbau-Optokoppler mit Fotowiderstand. Fertig gibts die Teile glaube ich nicht mehr (in Bühnen-Röhren-Verstärkern wurde sowas verwendet, wozu genau, weiss ich auch nicht). Einfacher wäre es, wenn der MC direkt den Zündimpuls erzeugen würde, setzt aber Synchronisation mit der Netzfrequenz voraus. Ansonsten: das ist zwar die einfachste Dimmerschaltung, hat aber einige Nachteile, begrenzter Stellbereich und Hystereseeffekte. Besser sind die mit zweistufigem RC-Glied.
Vielen Dank für deine Antwort! Via PWM die Helligkeit der Led einstellen und so den Widerstand des Fotowiderstandes einstellen? Triac direkt zünden wäre schon das beste, jedoch habe ich respekt vor der Programmierung und Nulldurchgangserkennung...denn mein uC hat nur 10ms-Timer und mit delays verliere ich wertvolle Rechenzeit... Poti simulieren mit einer Parallelkombination von Transistor an PWM und Kondensator...wäre das Denkbar? oder ev. so etwas?: http://www.hoelscher-hi.de/hendrik/light/analogdimmer.htm
hab das schon mal in nem andren Beitrag geschriebeb ( Werte sind frei
gewählt....
>>
widerstände nehmen und die mit optokopplern in reihe
schalten....bei verscheiden werten kannst du teoretich auch die 8 bit
aufbauen...
1Ohm
2Ohm
4Ohm
8ohm
16Ohm
32ohm
64ohm
128ohm
<<
funktioniert das???
@gorak: geht nicht, da über dem Widerstand erhebliche Spannungen liegen. Das schaffen die Digitalpotis nichts. ausserdem musst du zwingend die Ansteuerleitungen optisch isolieren, dann brauchst du wieder eine 5V-Versorgung auf der Netzseite usw... @Yvo: was hast du denn da für einen MC??? Irgendwas fertiges wie C-Control oder so? Der Ansatz bei der von dir angegebenen Seite ist schon ganz gut. Leistungsteil könntest du komplett übernehmen. Dann nimmst du dir einen Tiny12 oder 13 zur Hand, das Nulldurchgangssignal an den Analogkomperator, einen Ausgang an den MOC. Sollwert kannst du jetzt via serieller Verbindung von deiner Platine senden, oder auch (falls Tiny13) als 0..5V-Spannungssignal.
Jop denke das dürfte problemlos klappen,einfach invertiert... du musst ein Opptokoppler ABschalten damit der Widerstand, über den entsprechender Oppto hängt, zählt. Aber ich möchte ihn nicht mit 8bit ansteuern...sondern analog oder per Frequenz oder PWM... Aber danke trotzdem!
willst du damit auf die polung der OK raus??? die giebt es doch für beide richtungen !?!?!
mir fallen da nur Foto-MOS-Relais ein (AQXX). An welche hattest du denn so gedacht? Übliche Optokoppler können das NICHT. Sag mir mal ein oder 2, die du dafür einsetzen würdest.
Jop hab n Komplettsystem. CuTouch (www.cubloc.com) mit Touchscreen:-) Tiny13...ist das nich n PIC? dann müsste ich zuerst noch n Programmer haben...
glaub MOC3022 müsste gehen ?!?!?! aber hab damit eigendlich noch nicht so viel zu tun... ist zb in nem dimmer drin .. und der TIC wird positiv und negativ angesteuert
Der Tiny13 ist ein AVR. Der Programmer ist mit nur wenigen Bauteilen ganz schnell gebaut. Schau dir mal das AVR-Tutorial dieser Seite an (Link ist oben Links).
Hab jetzt nach einem Umzug und laaanger Pause wieder begonnen... Wen's interessiert: [[Beitrag "Projekt SmartHome auf I2C-Basis"]]
Bitte melde dich an um einen Beitrag zu schreiben. Anmeldung ist kostenlos und dauert nur eine Minute.
Bestehender Account
Schon ein Account bei Google/GoogleMail? Keine Anmeldung erforderlich!
Mit Google-Account einloggen
Mit Google-Account einloggen
Noch kein Account? Hier anmelden.
