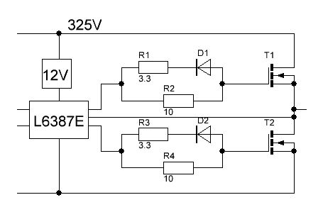
Servus, Wir nutzen für einen DC/DC offline-230V converter eine MOSFET-Halbbrücke mit zwei STW20N65M5. Als Treiber verwenden wir einen L6387E mit 12V Versorgung bei 50kHz Schaltfrequenz. Wie im Bild gezeigt sind zwei Pfade für Laden und Entladen der Gates vorgesehen. Beim Temperaturtest von 45°C Umgebungstemperatur hat sich D1, R1 und der Treiber verabschiedet. Im Datenblatt ist ein maximaler Treiberstrom von 400mA source und 650mA sink angegeben, in Theorie zieht der Treiber jedoch bei Abschaltung circa 12V/3ohm, also um die 4A peak-Strom. Ist die Belastung für den Treiber hier zu hoch?
Servus, Hat einer eine Idee ob die Auslegung korrekt ist? Danke!
Und wo ist der Bootstrap-Kondensator? Wie schon immer: ordentlichen Schaltplan, und möglichst auch Bild vom realen Aufbau (PCB von oben und unten) bräuchte man ... Aber so wie ich das DB deute, ist der Treiber so hochohmig, daß er bei 15V ohnehin nur die angegebenen 400/650mA schafft. Da macht auch die Gatebeschaltung keinen großen Unterschied mehr. Und wenn es auch die Diode zerlegt hat, und Du fragst uns, warum die D und der R durchgebrannt sind, dann solltest Du auch mal mit angeben, was für eine Diode, und was für Rs (Bauform, Ptot) da verbaut worden sind. Und der Transistor ist noch heile?
Jens G. schrieb: > Aber so wie ich das DB deute, ist der Treiber so hochohmig, daß er bei > 15V ohnehin nur die angegebenen 400/650mA schafft Danke für die Info, komme gerade nicht an Bilder des PCB, der Pfad zu T1 liegt jedoch auf der Unterseite, hätte somit etwas mehr Induktivität. Der Transistor war heile, Diode ist eine BAT754, Widerstand ist 0805 1/8W. Der mittlere Strom sollte theoretisch so um die 5mA liegen, peaks setzen jedoch mehr Leistung um.
Könnte es vom FET irgendwelche Rückwirkungen auf das Gate geben (Spannungsdurchschläge) die die Treiberstufe lahmlegen?
Bitte melde dich an um einen Beitrag zu schreiben. Anmeldung ist kostenlos und dauert nur eine Minute.
Bestehender Account
Schon ein Account bei Google/GoogleMail? Keine Anmeldung erforderlich!
Mit Google-Account einloggen
Mit Google-Account einloggen
Noch kein Account? Hier anmelden.
