Hallo zum Schutz eines SSR das einen Kondensatormotor (Pumpe) 230VAC 800W schaltet möchte ich ein VDR nutzen. Die induzierte Spannung bei Abschaltung würde sonst sicher das SSR zerstören und habe derzeit an einen Epcos S20K275 gedacht. VDRs unterliegen gemäß Theorie einem Verschleiß mit jedem Niederohmigen Zustand. Irgendwann sollte dies kritisch werden aber ab wann? Gibt es hier grobe Richtwerte für anzunehmende Alterung bzw sowas wie Alterungskurven? Die Pumpe wird ca. einmal in der Woche im Durchschnitt betrieben, somit ca. 52 Abschaltungen/Niederohmige Zustände im Jahr für den VDR.
:
Bearbeitet durch User
Siehe https://dse-faq.elektronik-kompendium.de/dse-faq.htm#F.9.4.1 Es hängt also vom Modell ab, allgemein sind VDR keine gute Wahl, nimm lieber einen Snubber (RC Kombination). Der VDR sollte nur den Halbleiter vor seltenen unerwarteten surges aus dem Netz schützen.
Beitrag #6671656 wurde vom Autor gelöscht.
Danke, die Seite studiere ich direkt gerne. Ein RC-Glied ist per Standard im SSR schon verbaut. Vor Überspannung durch induktive Lasten schützt der Snubber aber weniger. Dies ist doch mehr eine Störungsminimierung von Kontakten und beim SSR schützt es vor ungewollten Zünden (Über-Kopf-Zündung) des Triacs...glaube ich so verstanden zu haben..
:
Bearbeitet durch User
Für betriebsmässige Nutzung keine ZnO-Typen nutzen, sondern SiC. Dir ist klar, wie hoch die zul. Spannung des SSR bei einem Kondensatormotor sein sollte?
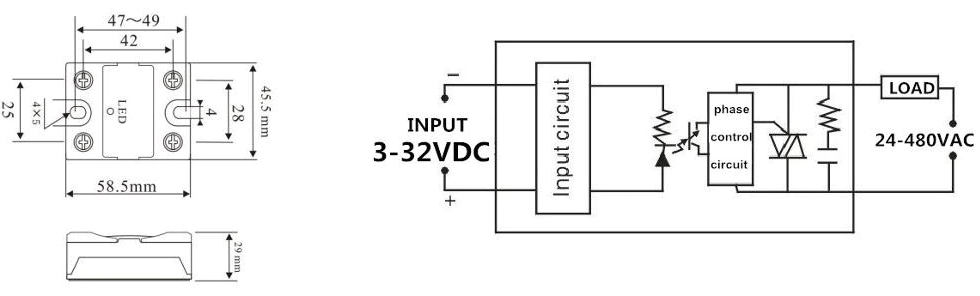
H.Joachim S. schrieb: > Für betriebsmässige Nutzung keine ZnO-Typen nutzen, sondern SiC. Wäre dann mit dem S20K275 als SIOV erfüllt? Wenn ich oben dem Link referenziere ist der Einbau eines "einfachen" Varistors ohne Temperatursicherung gar nicht mehr zulässig. Somit war das wohl nix mit meinem S20K275... > Dir ist klar, wie hoch die zul. Spannung des SSR bei einem > Kondensatormotor sein sollte? Nein, habe eben mal versucht dies grob zu evalurieren was dort für eine induzierte Spannung zu erwarten ist und mir ein Beispielrechnung angesehen für "Kleinstelektronik" wo ca. das 5fache der Nennspannung rauskam. Um dies Berechnen zu können bräuchte ich aber die genauen Werte der Wicklung. Beim 5fachen der Nennspannung kann ich mit dem SSR aber sofort aufhören.
:
Bearbeitet durch User
H.Joachim S. schrieb: > Ne. > Geh mal in Richtung 1000V. Jetzt hast Du mich verwirrt. Die 1000V kämen ja mit ganz dicken Daumen für das 5fache von 230 hin. Ich sollte aber nach einen konventionellen SiC Varistor ausschau halten nicht SIOV oder ich sollte den Varistor anders Dimensionieren? Letzteres stehe ich auf der Leitung warum, da der 275 Typ doch oberhalb von 275V(RMS) alles ableitet.
Peter W. schrieb: > da der > 275 Typ doch oberhalb von 275V(RMS) alles ableitet. nö. 275VAC ist die max. Dauer-Betriebsspannung, bei der er sicher nicht anfängt zu leiten. Bei etwa 430VAC fängt er ein bischen an abzuleiten (=1 mA), darüber steigt dann der Ableitstrom an.
Gerd E. schrieb: > > 275VAC ist die max. Dauer-Betriebsspannung, bei der er sicher nicht > anfängt zu leiten. Von mir aus auch das und ist genau der Wunscheffekt warum er dort eingebaut werden soll.Wenn es kritisch für das SSR wird sollte er mehr Strom leiten. Einen Unterschied um transiente Spannungen durch die Abschaltung des Motors abzuleiten ist zwar ersichtlich, sagt mir aber leider noch wenig im Ergebnis ob ich die Dimensionierung des VDRs ändern sollte oder wo hier der gesunde Punkt für eine Schutzbeschaltung liegt. Entsprechend dankbar für einen Hinweis zum Ziel, was die Authoren mir sagen wollten.
:
Bearbeitet durch User
Allgemein für Interessierte finde ich die Dokumente/Newsletter von Crydom sehr passend zu dem Thema: http://www.crydom.com/en/tech/newsletters.shtml Hier insbesondere: http://www.crydom.com/en/tech/newsletters/Solid%20Statements%20-%20Protecting%20AC%20Output%20SSRs%20against%20voltage%20transient%20phenomena.pdf Daraus entnehme ich, dass ich durch Snubber und TVS im SSR schon Schutzvorkehrungen für gewisse transiente Spannungen habe. Ein MOV ist zu empfehlen, aber eher für nichtwiederholende Störungen im Netz und nicht für einen Standardvorgang wie Ein/Auschalten. Auf die Alterung der MOVs wird hingewiesen...also stelle ich mir die Frage ob der MOV überhaupt das richtige Mittel ist. Der Einsatz eines SSRs mit Snubber und TVS aber mit höherer Spannungsfestigkeit zB 1200V und als Non-Zero-Crossing Typ scheint die bessere Wahl.... Ist das so korrekt verstanden?
Peter W. schrieb: > Ist das so korrekt verstanden Ich befürchte, ohne VDR überlebt er die surges nach Norm aus dem Netz nicht Aber wenn du es schaffst, die motz deinem Snubber und der geschalteten Last klein genug zu kriegen, warum nicht.
Womit ich fast wieder bei der Ausgangsfrage wäre. Von welcher Alterungskurve kann ich bei einem MOV ausgehen? Nicht ausgelöst vom Ein/Ausschalten aber ggf von Spitzen aus dem Netz. Norm ist Norm keine Frage, aber spontan wäre mir ein defektes SSR (<10€) fast lieber als ein MOV der mir dauerhaft den Leitungsschutzschalter schmeißt und ich aktiv eingreifen muß um einen ganzen Stromkreis wieder in Betrieb zu setzen. Ein defektes SSR würde erstmal "nur" diese Schaltung außer Funktion setzen. Sollte aber ein MOV >100 Niederohmige Zustände unproblematisch überstehn und man geht von 10-20 im Jahr aus wobei wir nicht in der Nähe von Industrieanlagen etc. wohnen, wäre die Frage eindeutig für mich.
:
Bearbeitet durch User
Bitte melde dich an um einen Beitrag zu schreiben. Anmeldung ist kostenlos und dauert nur eine Minute.
Bestehender Account
Schon ein Account bei Google/GoogleMail? Keine Anmeldung erforderlich!
Mit Google-Account einloggen
Mit Google-Account einloggen
Noch kein Account? Hier anmelden.
