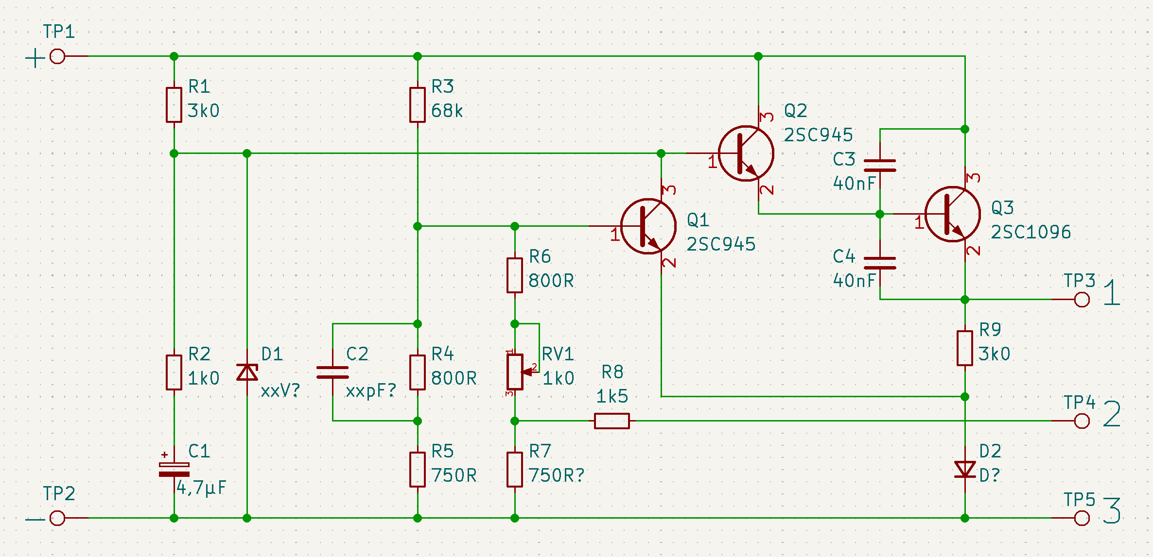
Hallo, ich bräuchte mal das geballte Forenwissen für eine Reparatur. Ein Bekannter mit einer ausgewachsenen Sammelleidenschaft für alte HIFI-Technik(exoten) hat ein Kassettendeck Beltek C1600. Das besondere daran ist, das dieses Gerät mit Endloskassetten läuft. Leider ist aus der Motorsteuerung der magische Rauch entwichen. Ich habe mal ein paar Bilder angehängt. Informationen zu dem Gerät habe ich mit der normalen Google-Suche nicht gefunden. Die Schaltung habe ich schon mal aufgenommen. Dabei kamen noch ein paar Unklarheiten zutage. Das eingekreiste Bauteil in Bild "Beltek c1600e_06.jpg, ist das eine Diode? Ich habe sie mal als solche in den Plan eingezeichnet (D2). Den schwarzen Widerstand (R7, "Beltek c1600e_08.jpg") habe ich ausgelötet und mit 750 Ohm ausgemessen. Kann dieser Wert Sinn machen? Ich vermute, der ist nicht defekt sondern nur von seinem Nachbarn geschwärzt worden. Das D1 eine Z-Diode ist, ist auch eine Vermutung von mir, diese stützt sich auf die Polung der Diode in der Schaltung. Genaue Werte kann ich auch noch ausmessen. Ich bin jetzt nicht so der Analogexperte, könnte die Schaltung so passen? Wenn jemand noch Infos zu dem Gerät hat oder weiß wo man diese her bekommen kann, wäre ich dankbar. Reinhard
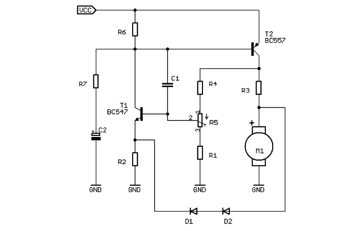
Du solltest als erstes prüfen, ob der Motor einen Kurzschluss hat. Das der Längstransistor so explodiert, ist nämlich nicht normal. Reinhard R. schrieb: > ist das eine > Diode? Vermutlich ja. Das kann allerdings eine Zenerdiode (5,2V ?) sein. Reinhard R. schrieb: > Kann dieser Wert Sinn machen? Kann schon sein. Alles hängt davon ab, wie der Motor an die drei Ausgangskabel angeschlossen ist. Ich hänge dir mal zwei Beispiele für solch einfache Back EMF Motor Regler an zum Vergleichen.
Reinhard R. schrieb: > Wenn jemand noch Infos zu dem Gerät hat oder weiß wo man diese her > bekommen kann, wäre ich dankbar. Relativ irrelevant, würde ich mal sagen. Das Ganze sieht so aus wie die Folge einer kalten Lötstelle, ggf. in Zusammenarbeit mit einem defekten Motor. Also: zuerst mal den Motor checken. Dreht der, wenn man einfach nur eine ungeregelte Spannung anlegt? Falls ja, dürfte als Reparatur reichen, den beschädigten Leistungstransistor zu tauschen und die beschädigten Leiterbahnen mit Draht zu flicken.
c-hater schrieb: > Falls ja, dürfte als Reparatur reichen, den beschädigten > Leistungstransistor zu tauschen und die beschädigten Leiterbahnen mit > Draht zu flicken. Vergessen: natürlich muss das verkohlte PCB-Trägermaterial zuvor großzügig weggefräst werden.
Danke schonmal für die ersten Hinweise. Das mit dem Motor muss ich erst noch checken, leider habe ich das Gerät nicht hier, mein Bekannter hat nur das Steuerteil ausgebaut und mir gegeben. Leiterplatte hatte ich fast vor neu zu machen, verkohltes FR2 leitet manchmal recht gut ;-( Reinhard
Reinhard R. schrieb: > Das besondere daran ist, das dieses Gerät mit Endloskassetten läuft. Besondere ? War zufällig eine Endloskassette drin ? Diese unterscheidet sich in nichts von einer C60/90, außer daß das Band in einer Endlosschleife läuft. Die sind übrigens -sehr empfindlich- auf Störungen. Man kann jede Kassette mit jedem Rekorder/Abspieler abspielen, nicht nur Endlosbänder. Solltest beim Testen darauf achten.... Kann ja auch ein mechanischer --Transportdefekt-- vorgelegen sein, der das Faß zum Überlaufen gebracht hat. Ist der Motor hin, kannst es wegwerfen. Die Mechanik von Kassettengeräten ist äußerst komplex und UNGLAUBLICH schwierig zu reparieren, meist quasi unmöglich. Selbst das bloße Zerlegen in seine Einzelteile verlangt einem das Letzte ab. Also erst mal eine Spannung an den Motor. Vorspulen-Zurückspulen-Abspielen. C90 rein und dasselbe nochmal. Und dann kanst immer noch deine Platine reparieren .
Vielleicht solltest vorab auch gleich den Tonkopf mitüberprüfen, Autoreverse? , ob er überhaupt noch was registriert. "Entmagnetisierungskassette" nicht vergessen. Aber 'dein Bekannter' ist ja Sammler, der hat sowas. Und noch viel mehr ...
Hab ich leider in den falschen Thread geschrieben : Wie ich gerade sehe, ist das ein Acht-Spur-Rekorder , und kein 'Endlos-Rekorder' also viel Spaß noch beim Überprüfen , muß man dir wirklich wünschen ! Sind glaub ich noch die alten großen amerikanischen Cassetten?
Ist das Teil für normale Kassetten? Da gabs ja im Laufe der Jahrzehnte etliches an Spezialkassetten. Eine gute Quelle für derartige Exoten war vor 40 Jahren Völkner. So ein Endlosteil hatte ich auch mal gekauft, da war eine Kassette dabei, die den damaligen doppelstöckigen VCR ähnlich sah. Da hatte ich nur den Verstärker verwendet.
Rudi Ratlos schrieb: > Wie ich gerade sehe, ist das ein Acht-Spur-Rekorder , und kein > 'Endlos-Rekorder' also viel Spaß noch beim Überprüfen , muß man dir > wirklich wünschen ! 8-Spur impliziert Endlos-Mechanik, genau das ist ja der Trick, immer an der Klebestelle des Endlos-Bands wird auf eine andere Spur (bzw. ein anderes Spurpaar) gewechselt. > Sind glaub ich noch die alten großen amerikanischen Cassetten? Ja. Schon Al Bundy hatte in den 80ern ein Problem damit, dass er im Familien-Dodge noch ein 8-Spur-Gerät hatte... Wie auch immer, 8-Spur unterscheidet sich, bezogen auf die Motor-Bandvortrieb-Mechanik, nicht allzu sehr von der CompactCassette. OK, die Andruckrolle liegt hier in der Cassette und nicht im Gerät, ansonsten ist es aber ziemlich dieselbe Soße. Nur Spulen ist nicht, bzw. bestenfalls FFWD.
c-hater schrieb: > 8-Spur impliziert Endlos-Mechanik, genau das ist ja der Trick, immer an > der Klebestelle des Endlos-Bands wird auf eine andere Spur (bzw. ein > anderes Spurpaar) gewechselt. Also bitte, was haben 8 Spuren mit Endlos? 'Klebestellen' zu tun. ? Hab selbst noch einen 4-Spur-Rekorder (mit Mixer) für Compact-Cassetten. Auf dem TON-/LöschKOPF sind 4 Spuren oder 8 Spuren --nebeneinander-- angeordnet. Sonst kannst ja die -einzelnen- Spuren weder aufnehmen noch abspielen. Konkret benutzt man also die 2 Stereo-Spuren als 4 Mono-Spuren. Diese alten Ami-Cassetten, (kaufte mal einen Oldsmobile da war auch so ein Cassettenradio drin), waren ja eigentlich --Tonband.Maschinen-- bei denen das Ton-Band eben in einer Cassette montiert war. Die hatten übrigens überragende Tonqualität! wegen des deutlich breiteren Ton-Bandes. Daher hatten hier auch 8 Mono-Spuren Platz Bis diese 'unhandlichen' Dinger von der Compact-Cassette verdrängt wurden. Is wie mit Beta und VHS gelaufen. Das Schlechte verdrängt das Gute .
Welche Tonband-Breite da genau drin war, weiß ich nicht, auch nicht mit welcher Band-Geschwindigkeit dieses gefahren wurde. Dieses Band-System war ja bereits in den Achtzigern eher 'exotisch' . Alternativ gabs ja schon 'REVOX' zum annehmbaren Preis. Wens interessiert, der kann ja heutzutage alles noch werbegockeln .
Rudi Ratlos schrieb: > Also bitte, was haben 8 Spuren mit Endlos? 'Klebestellen' zu tun. ? Wenn man keine Ahnung hat was 8-Track ist, einfach mal die Klappe halten oder Google befragen, bevor man sich zum Gespött macht
MaWin schrieb: > Wenn man keine Ahnung hat was 8-Track ist, Die Hitze schlägt dir heute wohl aufs Gehirn.. ? ebenso wie 'c-hater' .
Ich halte deine Diode eher für einen älteren NTC https://www.amphenol-sensors.com/en/thermometrics/ntc-thermistors/glass/3336-type-b http://www.variohm.com/images/datasheets/Miniature_Axial_Glass_Thermistor_Series.pdf und den Schaltplan, obwohl nicht aufwändig für nicht ganz korrekt.
MaWin schrieb: > Ich halte deine Diode eher für einen älteren NTC > https://www.amphenol-sensors.com/en/thermometrics/ntc-thermistors/glass/3336-type-b > http://www.variohm.com/images/datasheets/Miniature_Axial_Glass_Thermistor_Series.pdf OK, guter Hinweis, werde ich auch prüfen. > und den Schaltplan, obwohl nicht aufwändig für nicht ganz korrekt. Beim Abnehmen einer Schaltung können immer Fehler passieren, wobei die PCB einseitig ist und ich beim mehrmaligen Überprüfen immer wieder zum gleichen Ergebnis komme. Siehe auch Bild "Beltek c1600e_04.jpg" im Eröffnungspost, da habe ich die BE eingezeichnet. Zur Technik, die ja schon ausgiebig diskutiert wurde. Die Kassetten enthalten 1/4" = 6,35mm Bänder, die zu einer Endlosschleife verbunden sind. Hier ganz gut beschrieben: https://de.wikipedia.org/wiki/8-Spur-Kassette Ist eben Technik aus den 60er und 70er Jahren des vorigen Jahrhunderts und bei Sammlern noch sehr gefragt. Zur Überprüfung des Motors bekomme ich das Gerät auch noch ins Haus, aber erst übernächste Woche. Ich werde berichten. Reinhard
Reinhard R. schrieb: > und bei Sammlern noch sehr gefragt. Die Welt ist ein Gerümpelhaufen.. mit lebenden Tieren dazwischen.
Beitrag #6733717 wurde von einem Moderator gelöscht.
major fredman schrieb im Beitrag #6733717: > Was für Spinnerhaufen ist das hier, sag mal. Ein ganz normaler. Im Gegensatz zu den Amerikanern ! Auf der ganzen Welt mißt man in Metern, Kilogramm und Litern, dieser Spinnerhaufen mißtz HEUTE NOCH in Fußlängen, Steinen und Kübeln . "8-Track-Recorder" ist ein typisches Beispiel : dort hat eine Schallplatte nicht nur 1 Rille, wie sonst überall, sondern TAUSENDE Rillen . Und ein Endlosband damit nicht 1 unendlich lange Spur, sondern gleich hunderte, weil dort in Amerika gibts leider keine Mücken, nur Elefanten. Fremdschämen brauchen wir Europäer uns also NICHT! > Wer ist der Psychater? DU ? Weil wir brauchen sowas nicht .
Bitte melde dich an um einen Beitrag zu schreiben. Anmeldung ist kostenlos und dauert nur eine Minute.
Bestehender Account
Schon ein Account bei Google/GoogleMail? Keine Anmeldung erforderlich!
Mit Google-Account einloggen
Mit Google-Account einloggen
Noch kein Account? Hier anmelden.











