Hallo, ich habe aus einem Philips Videorecorder VR560 einen Capstan Motor ausgebaut. Könnte mir jemand helfen, den Motor zum laufen zu bringen ? Nach meinen bisherigen Recherchen handelt es sich um einen 3 Phasen Motor, der mit 3 Hallsensoren an einen Controller BA6878EFV angeschlossen ist. Wie wäre es möglich, diesen Motor anzuschließen, mit der vorhandenen Platine ? Oder wäre es besser, einen anderen, fertigen Controller zu verwenden ? z.B. 400W 6-60V BLDC 3 phase DC Brushless Motor Controller PWM Hall motor Control Beste Grüße Paul
Paul M. schrieb: > Wie wäre es möglich, diesen Motor anzuschließen, mit der vorhandenen > Platine ? Klar, wenn er im VR noch funktioniert hat, warum nicht? Eine neue Platine lohnt aber nicht, nimm ruhig die vorhandene. Du benötigst die Motorspeisung und kannst erstmal alle Anschlüsse mit 'D' (Drum) ignorieren, da du die Kopftrommel ja nicht benutzt. Der Motor bekommt zwei Steuerspannungen: C-Cont ist eine variable Spannung zur Geschwindigkeitsregelung und C-F/R ist für die Drehrichtung. Der Motor wird vermutlich auch zum Spulen benutzt. C-FG liefert eine Wechselspannung, die in der Frequenz proportional zur Drehzahl des Motors ist - ist also ein Ausgang. Welche der vielen Versorgungsanschlüsse benutzt werden, musst du ausprobieren, das ist ohne Detailschaltung nicht zu sagen. Loading Motor wird ignoriert.
Hallo Matthias, Danke für deine Infos. Wenn ich das nach dem Schematic Bild aufschlüssle, dann heist das : 1 + 11 und 10 + 6 mit Spannung 12V 12 mit 15V - da hab ich im Moment nix passendes, und wo die masse anschließen ? 3+7+8+9 freilassen 5 mal mit verschiedenen Spannungen ausprobieren 4 Spannung anlegen oder eben nicht, jenachdem, welche Drehrichtung ich will, aber welche Höhe der Spannung ?
Paul M. schrieb: > 1 + 11 und 10 + 6 mit Spannung 12V Wobei 6 und 10 ja die Masse ist - gemeinsam für alle Spannungen. Paul M. schrieb: > 12 mit 15V Da kannst du auch erstmal die 12V nehmen. Ich vermute, das das die Spannung für die Motorwicklungen ist. Paul M. schrieb: > 5 mal mit verschiedenen Spannungen ausprobieren > 4 Spannung anlegen oder eben nicht, jenachdem, welche Drehrichtung ich > will, > aber welche Höhe der Spannung ? Ich denke, das werden 0-5V sein. Das Modell des VR hast du ja nicht gesagt, aber solche Steuerspannungen kommen meistens direkt aus der Ablaufsteuerung. Im Feldversuch kannst du an C-CONT erstmal den Schleifer eines Potis anschliessen, das zwischen 0 und 5V ausgibt.
Matthias S. schrieb: > Das Modell des VR hast du ja nicht > gesagt, Doch, Philips Videorecorder VR560 steht oben. Allerdings sagt mir diese Type nichts. Bilder vom Laufwerk und Gerät, würden ev. auch helfen. Turbo Drive dürfte es keines sein. Wohl ein neueres von irgendwo zugekauft und es steht nur mehr Philips drauf.
Andi B. schrieb: > Doch, Philips Videorecorder VR560 steht oben. Ach, entschuldige - mal wieder zu flüchtig gelesen. Aber VR560 sagt mir (und anscheinend dem Internet) auch nichts. Da gabs mal den VR6560 und es gibt einen VR650. Aber das spielt auch keine Rolle in dem Fall.
Es gibt ja ein Service Manual, von da habe ich das Blockschaltbild, leider ist die Platine nicht extra aufgeführt. Das wäre noch ein Foto davon. Ist jetzt im Schrott.
Es steht zwar TurboDrive drauf, aber ich vermute noch immer, da ist keins drinnen. Auch der Auszug vom Blockschaltbild kommt mir nicht bekannt vor. Aber vielleicht hab ich ja schon alles vergessen.....
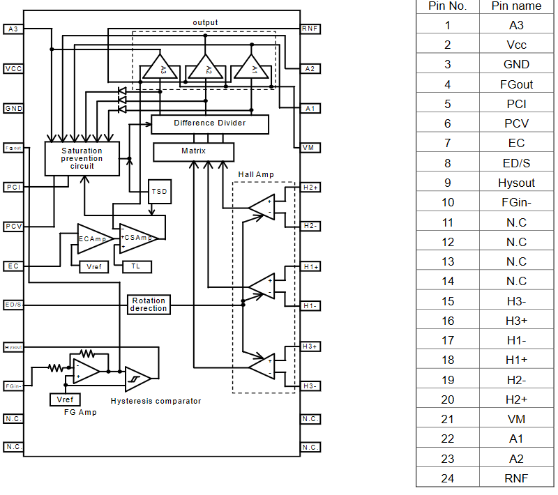
meine Fragerei geht weiter, ich komme noch nicht klar bis jetzt. Das mit dem Blockschaltbild ist soweit klar, nur kann ich das nicht anwenden. Die Schaltung auf der Platine hat irgendwie nix damit zu tun. Das 12er Kabelband habe ich jetzt mal bissel freigelegt, das ist ja der einzige Anschluß an die Platine. direkt angeschlossen vom BA6878 sind : Pin 7 ( EC ), Pin 8 ( ED-S ) und Pin 9 ( Hys out ). Pin 5 ( PCI ) über C3 und Pin 6 ( PCV ) über C2 Pin 4 ( FG out ) über den R3 Pin 3 ( GND ) zusammen mit C2 und C3 Pin 2 ( Vss ) geht nach links Pin 1 ist Spule W Pin 21 ( VM ) ist auch direkt angeschlossen, der erste oben am Kabelband. Der zweite von oben ist über R1 an den Hallsensoren dran. Ich müsste mich also auf das Schaltbild des BA 6878 konzentrieren. Was bedeutet : Pin 2 - Vcc ( ist auf dem Schaltbild nicht angeschlossen ) ? Pin 21 - VM ? Da es nur dieses Kabelband als Zuleitung gibt, was bleibt denn da noch übrig, um eine Spannung anzulegen ? noch ein Foto vom BA6878 Datenblatt
Bitte melde dich an um einen Beitrag zu schreiben. Anmeldung ist kostenlos und dauert nur eine Minute.
Bestehender Account
Schon ein Account bei Google/GoogleMail? Keine Anmeldung erforderlich!
Mit Google-Account einloggen
Mit Google-Account einloggen
Noch kein Account? Hier anmelden.







