Hallo zusammen, ich würde gerne den Ausgang eines 12-Bit-DAC, aus dem 0V bis 4V herauskommen auf die für Eurorack übliche control voltage verstärken, diese geht von -10V bis +10V bei einer Versorgungsspannung von +12V und -12V. Da kommen hauptsächlich sich relativ langsam änderne Gleichspannungen raus, ein Hochpassfilter wäre also schlecht. Auch sollte die Verstärkung möglichst linear sein. Leider habe ich von Verstärkern keine Ahnung. Ich denke, man wird eine Schaltung mit mehreren OP-Amps benötigen, oder vielleicht gibt es sowas (wäre mir am liebsten) als fertigen IC? Kann mir jemand einen Tip geben in was ich mich einlesen sollte, oder hat etwas Ähnliches gemacht und eine Schaltung für mich? Bin dankbar für jeden Tip, und sei es nur um zu entscheiden daß die Sache doch ne Nummer zu groß für mich ist^^ Danke im Voraus, Heiko
Da reicht ein einziger Operationsverstärker. Die Schaltung nennt sich Differenzenverstärker.
Im Prinzip reicht ein Operationsverstärker. Besser wird es mit drei Operationsverstärker als Instrumentenverstärker verschaltet. Nur Dein Nullpunkt, also 2 Volt, die werden kritisch, dass da nichts weg driftet und dass der Offset klein ist. Dafür ist eine gute Referenzspannung notwendig.
Heiko K. schrieb: > ein Hochpassfilter wäre also schlecht. Vermutlich wäre ein Tiefpassfilter noch hilfreicher.
Mit einem OPV in Addierschaltung zwei Volt subtrahieren und mit 5 multiplizieren (Faktor 5 verstärken)
Nimm einen R2R OpAmp der 24V verträgt wie CA3140, OP184 oder besonders passend ADR821 mikt eingebauter Referenz und schliesse deren Versorgung an +12V und -12V an. Baue folgende Schaltung https://www.mikrocontroller.net/articles/Operationsverst%C3%A4rker-Grundschaltungen#Nichtinvertierender_Verst.C3.A4rker_mit_Offset Widerstandswerte wenn VCC 5V ist: R1=R2=10k, R3=20k. Widerstandswerte wenn VCC gleich den 2.5V des ADR821 ist: R1=10k, R2=weglassen, R3=40k.
Instrumentenverstärker? Leute, er will einen Bereich von 4V abdecken und auf einem Bereich von 20V abbilden, das ist Faktor 5. Nicht 4nV oder so...
MaWin schrieb: Baue folgende Schaltung https://www.mikrocontroller.net/articles/Operationsverst%C3%A4rker-Grundschaltungen#Nichtinvertierender_Verst.C3.A4rker_mit_Offset Um nur eine gleichspannung auszugeben, ist kein besonderer OPV notwendig.
Wühlhase schrieb: > Instrumentenverstärker? Leute, er will einen Bereich von 4V abdecken und > auf einem Bereich von 20V abbilden, das ist Faktor 5. Nicht 4nV oder > so... "Leider habe ich von Verstärkern keine Ahnung. Ich denke, man wird eine Schaltung mit mehreren OP-Amps benötigen, oder vielleicht gibt es sowas (wäre mir am liebsten) als fertigen IC?" war eine der Vorgaben des TO. Arno
Heiko K. schrieb: > Da kommen hauptsächlich sich relativ langsam änderne Gleichspannungen > raus, (Folgendes ist einfach nur mal ein Schuß ins Blaue:) Ok, "hauptsächlich"... und was kommt "nebensächlich"? ;-)
MaWin schrieb: > Nimm einen R2R OpAmp der 24V verträgt wie CA3140, OP184 oder besonders > passend ADR821 mikt eingebauter Referenz und schliesse deren Versorgung > an +12V und -12V an. Klasse, vielen Dank. Ich stand gestern vor deinem Beitrag schon vor der Frage "Und welchen OpAmp nehme ich jetzt?" und hab mir - weil sie billig waren - eine Handvoll LM358 zum Testen bestellt. Wäre aber natürlich sehr interessiert an einer guten Lösung, die auch gerne etwas teurer sein darf. Der ADR821 klingt wegen Referenz sehr interessant, scheint aber nicht mehr verkäuflich zu sein. Fällt dir einer ein der noch erhältlich ist?
Butro schrieb: > Ok, "hauptsächlich"... und was kommt "nebensächlich"? ;-) Primär wollte ich da Tonhöhenänderungen in V/Oct ausgeben und LFO Signale, also weit unter Audiobereich. Eventuell, je nachdem wie es klingt und ob ich es programmiert bekomme auch Hüllkurven. Die wären schon etwas schneller, aber die muß ich erstmal aus dem Microcontroller rausbekommen ohne daß der aus dem Tritt kommt wenn er 16 gleichzeitig berechnen muß...
Du wolltest +-10V bestellst aber single supply op? Schau mal Op 07 oder so z.B..
MAHWE schrieb: > Du wolltest +-10V bestellst aber single supply op? Hab ich erwähnt daß ich keinen Plan habe?^^ Ich hab bei Amazon "OpAmp" eingegeben :-) >Schau mal Op 07 oder so z.B.. Dankeschön!
Heiko K. schrieb: > Dankeschön Vergiss den. Ein typischer Forentroll. Der OP07 kann, wenn er mit +/-12V versorgt wird, keine +/-10V am Ausgang erreichen.
Heiko K. schrieb: > Hab ich erwähnt daß ich keinen Plan habe?^^ Ich hab bei Amazon "OpAmp" > eingegeben :-) Jeminee...wenn es nicht so abgrundtief lächerlich wäre, hätte ich doch glatt "Lidl" empfohlen...
MAHWE schrieb: > Du wolltest +-10V bestellst aber single supply op? > Schau mal Op 07 oder so z.B.. Man kann jeden OPA mit single oder dual Supply versorgen! Dass immer mal wieder im Datenblatt von 'single Supply' die Rede ist, liegt nur daran, dass es R2R-Typen sind, die mit relativ kleiner Versorgungsspannung auskommen.
Experte schrieb: > Dafür ist eine gute Referenzspannung notwendig. Die wird der DAC doch hoffentlich besitzen und die genau sollte man dann auch für den Offset verwenden.
Experte schrieb: > Dafür ist eine gute Referenzspannung notwendig. p.s. Es ist egal, wie gut die ist. Es muss nur die selbe sein, die auch der DAC verwendet.
Hat hier jemand inzwischen eine OPV-Schaltung mit Widerstandswerten entwickelt, die ich mal sehen kann?
Michael M. schrieb: > Hat hier jemand inzwischen eine OPV-Schaltung mit Widerstandswerten > entwickelt, die ich mal sehen kann? Sogar die Formel wurde schon aufgestellt, so dass du selber gucken kannst. Wühlhase schrieb: > https://www.elektronik-kompendium.de/sites/slt/0210153.htm
Von welchem DAC sprecht ihr da? Wolfgang schrieb: > Experte schrieb: > >> Dafür ist eine gute Referenzspannung notwendig. > > p.s. > Es ist egal, wie gut die ist. Es muss nur die selbe sein, die auch der > DAC verwendet.
Von welchem DAC sprecht ihr da? Wolfgang schrieb: > Experte schrieb: > > > p.s. > Es ist egal, wie gut die ist. Es muss nur die selbe sein, die auch der > DAC verwendet.
Wolfgang schrieb: > Sogar die Formel wurde schon aufgestellt, so dass du selber gucken > kannst. Ach soo. Tatsächlich! Aber ich dachte eigentlich, ich könnte mir hier in diesem Thread die fertige Schaltung mal ansehen, ohne dass ich selber rechnen bräuchte. Das Thema ist nämlich doch ganz interessant und die Schaltung wird so, oder so ähnlich öfter mal gebraucht.
Not_a_simple_question schrieb: > Von welchem DAC sprecht ihr da? von dem: Heiko K. schrieb: > ... eines 12-Bit-DAC ...
MaWin schrieb: > Der OP07 kann, wenn er mit +/-12V versorgt wird, keine +/-10V am Ausgang > erreichen. Sehr wahrscheinlich falsch... Bei +/-15V garantiert ist Vout,min +/-13,7V. Sogar bei einige mA Ausgang und kompletten Temp-Bereich Ta -40°C...125°C Bei +/-12V soll Vout +/-10V machen können, oder?
Heiko K. schrieb: > Fällt dir > einer ein der noch erhältlich ist? LT1635 als ähnliche anscheinend... Links oben die Alternative... https://www.analog.com/en/products/adr821.html
ElektroFH schrieb: > Sehr wahrscheinlich falsch... > Bei +/-15V garantiert ist Vout,min +/-13,7V. htps://www.analog.com/media/en/technical-documentation/data-sheets/OP07. pdf Output Voltage Swing VO RL ≥ 10 kΩ ±12.0 ±13.0 V RL ≥ 2 kΩ ±11.5 ±12.8 V RL ≥ 1 kΩ ±12.0 V −40°C ≤ TA ≤ +85°C Output Voltage Swing VO RL ≥ 2 kΩ ±12 ±12.6 V Nirgends steht da was von 13.7V, du verbreitest fake news.
MaWin schrieb: > ElektroFH schrieb: >> Sehr wahrscheinlich falsch... >> Bei +/-15V garantiert ist Vout,min +/-13,7V. > > htps://www.analog.com/media/en/technical-documentation/data-sheets/OP07. > pdf > > Output Voltage Swing VO RL ≥ 10 kΩ ±12.0 ±13.0 V > RL ≥ 2 kΩ ±11.5 ±12.8 V > RL ≥ 1 kΩ ±12.0 V > −40°C ≤ TA ≤ +85°C > Output Voltage Swing VO RL ≥ 2 kΩ ±12 ±12.6 V > > Nirgends steht da was von 13.7V, du verbreitest fake news. OK, du schaust an dem alten OP07 :-) Es gibt auch ein OP07D als neuere Version... Seite 4.. Min Vout Werte mit 13,7V. https://www.analog.com/en/products/op07d.html Auch CMRR, PSRR us höher als alten OP07.
Michael M. schrieb: > Wolfgang schrieb: >> Sogar die Formel wurde schon aufgestellt, so dass du selber gucken >> kannst. > > Ach soo. Tatsächlich! Aber ich dachte eigentlich, ich könnte mir hier in > diesem Thread die fertige Schaltung mal ansehen, ohne dass ich selber > rechnen bräuchte. Das Thema ist nämlich doch ganz interessant und die > Schaltung wird so, oder so ähnlich öfter mal gebraucht. Ja, aber dann kommt der Nächste an, der mal wieder nicht ein paar einfache Formeln anwenden kann oder eher will. Ein Differenzverstärker mit normalem OPV + 4 Widerständen oder ein fertiger Differenzverstärker sind das Mittel der Wahl. Aus der aller Wahrscheinlichkeit vorhandenen 4V Referenzspannung des DAC erzeugt man per Spannungsteiler exakte 2V = U_ref/2. Dann bildet man die Differenz auf U_DAC und U_ref/2 und verstärkt um Faktor 5. Ua = (U_DAC-U_ref/2)*5 https://www.elektronik-kompendium.de/sites/slt/0210153.htm D.h. R1=R3=10k und R2=R4=49,9k Für U_ref/2 nimmt man 2x10k und einen OPV als Puffer. Denn Puffer kann man sich sparen, wenn man einen echten Differenzverstärker nimmt, der hat 2 sehr hochohmige Eingänge. Beitrag "Re: 0..4V verstärken auf +10..-10V" Wobei man keine -10V Referenzspannung braucht, U_ref/2 ist deutlich einfacher machbar. Wenn die Kennlinie auf grund der Toleranzen nicht genau genug ist, muss man per Software kalibrieren.
Falk B. schrieb: > Für U_ref/2 nimmt man 2x10k und einen OPV als Puffer. Denn Puffer kann > man sich sparen, wenn man einen echten Differenzverstärker nimmt, der > hat 2 sehr hochohmige Eingänge. Den Puffer braucht man auch nicht, wenn man den Teiler für U_ref/2 mit in die Widerstandsberechnung einbringt. (In meinem Bild bei V_ref=4V: R6 ≙ R1 || R6).
MaWin schrieb: > Nirgends steht da was von 13.7V, du verbreitest fake news. Nein, OP07D hat min 13,7V. Du kannst es selber checken :-) https://www.analog.com/media/en/technical-documentation/data-sheets/OP07D.pdf
HildeK schrieb: > Den Puffer braucht man auch nicht, wenn man den Teiler für U_ref/2 mit > in die Widerstandsberechnung einbringt. Oder eben mit 1 Opamp und 3 Widerständen, wie von MaWin vorgeschlagen. Ist die Referenzspannung 4V, wählt man R1=12kΩ, R2=20kΩ und R3=30kΩ. Zu beachten wäre aber noch, dass die Referenzspannung des MCP4822 nicht 4V, sondern 2,048V ist. Des Weiteren ist gar sie nicht herausgeführt, so dass man sowieso eine eigene Referenzspannungsquelle braucht. Deren Wert ist ziemlich egal, solange er mindestens 2,5V (für 0-4V) bzw. 2,6V (für 0-4,096V) beträgt.
HildeK schrieb: > Falk B. schrieb: > >> Für U_ref/2 nimmt man 2x10k und einen OPV als Puffer. Denn Puffer kann >> man sich sparen, wenn man einen echten Differenzverstärker nimmt, der >> hat 2 sehr hochohmige Eingänge. > > Den Puffer braucht man auch nicht, wenn man den Teiler für U_ref/2 mit > in die Widerstandsberechnung einbringt. > (In meinem Bild bei V_ref=4V: R6 ≙ R1 || R6). Jetzt muss ich da mal kurz nachfragen: Du hast jetzt 2 OPV schaltungen einmal mit out1 und einmal mit out2. Wenn ich das versuche nachzurechnen mit dem 4V Puls, erhalte ich beim linken OPV 3.333V am +Eingang über den Spannungsteiler R4 R2 und 2V an - Eingang über R1 R3. Die Verstärkung mit 1+R5/R3 =4.33. Das kann doch aber irgendwie nicht sein. Ich komme so auf keine 10V am Ausgang. Ud kann ja nicht 3.33V-2V sein oder?? Der OP macht doch 0V eigentlich. Was ist falsch an meiner Rechnung
Matzhias schrieb: >> Den Puffer braucht man auch nicht, wenn man den Teiler für U_ref/2 mit >> in die Widerstandsberechnung einbringt. >> (In meinem Bild bei V_ref=4V: R6 ≙ R1 || R6). > > Jetzt muss ich da mal kurz nachfragen: > Du hast jetzt 2 OPV schaltungen einmal mit out1 und einmal mit out2. Die sind äquivalent. Einmal eine 5V Referenz mit 20k/20k Spannungsteiler und einmal mit 2V Referenz und 10K Ausgangswiderstand. Aus Sicht des OPV -Eingangs liegen R1 und R3 PARALLEL! Damit wirkt die 4V V_REF1 wie eine 2V VRef2 mit 10k Ausgangswiderstand. > Wenn ich das versuche nachzurechnen mit dem 4V Puls, erhalte ich beim > linken OPV 3.333V am +Eingang über den Spannungsteiler R4 R2 Ja. > und 2V an - > Eingang über R1 R3. Nein. Man muss da auch R5 berücksichtigen. > Die Verstärkung mit 1+R5/R3 =4.33. Nein. Es ist 1+R5/(R3//R1). > Das kann doch aber irgendwie nicht sein. Ich komme so auf keine 10V am > Ausgang. Ud kann ja nicht 3.33V-2V sein oder?? Ist sie auch nicht. > eigentlich. Was ist falsch an meiner Rechnung Siehe oben. Am einfachsten geht die Betrachtung mit dem Superpositionsprinzip. D. h., man setzt alle Spannungsquellen auf 0V und rechnet die Ausgangsspannung aus, wenn jeweils ein Quelle ihren Nennwert hat. Die Gesamtspannung ist dann die Summe der Teilspannungen. Klingt komisch, ist aber so. V_ref1 = 0V; V1=4V -> V = (1 + R5/(R1//R3)) * (R2/(R2+R4)) = 6 * 0,8333 = 5 D.h. Aus Sicht von V1 hat die Schaltung die Verstärkung 5 V_ref1 = 4V; V1=0V -> V = -R5/R1 = -5 Aus Sicht von V_ref hat die Schaltung die Verstärkung -5. Der Spannungsteiler R2/R4 hat hier keine Bedeutung, denn durch den liegt der +Eingang auf 0V. R3 ist hier auch unwirksam, da beide Ende auf 0V liegen, unten direkt, oben am -Eingang des OPVs, welcher eine virtuelle Masse erzeugt.
Matzhias schrieb: > Jetzt muss ich da mal kurz nachfragen: > Du hast jetzt 2 OPV schaltungen einmal mit out1 und einmal mit out2. > > Wenn ich das versuche nachzurechnen mit dem 4V Puls, erhalte ich beim > linken OPV 3.333V am +Eingang über den Spannungsteiler R4 R2 und 2V an - > Eingang über R1 R3. Die Verstärkung mit 1+R5/R3 =4.33. > Das kann doch aber irgendwie nicht sein. Ich komme so auf keine 10V am > Ausgang. Ud kann ja nicht 3.33V-2V sein oder?? Der OP macht doch 0V > eigentlich. Was ist falsch an meiner Rechnung Die beiden sind im Verhalten gleich. Rechts die klassische Differenzverstärkerschaltung mit 2V Referenz; du musst ja 2V abziehen. Links die Variante mit 4V Referenz (@Falk: 4V, nicht 5V -Tippfehler?) Die linke Variante verwendet für die Referenz eine Ersatzspannungsquelle: 4V mit Teiler 20k/20k entspricht einer Quelle mit 2V und Serienwiderstand von 20k/2 = 10k. Das ist genau das, was rechts zu sehen ist. Als erstes gefunden und die Ersatzspannungsquelle ganz gut erklärt: https://www.youtube.com/watch?v=LoFk2-W5Qvw
Wenn die +/- 12V Dualversorgungsspannung stabil ist, kommt man auch ohne Referenzspannungsquelle aus. 4 Widerstände aus der E24 Reihe genügen.
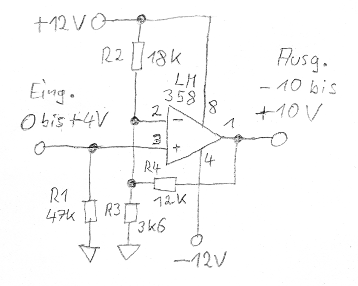
Michael M. schrieb: > Wenn die +/- 12V Dualversorgungsspannung stabil ist, kommt man auch ohne > Referenzspannungsquelle aus. 4 Widerstände aus der E24 Reihe genügen. Die Dimensionierung stimmt aber nicht ganz. Wenn R2=18kΩ, sollten R3=4,7kΩ und R4=15kΩ sein (ist nicht ganz exakt, aber mit das Beste, was man mit E24 hinbekommen kann). Wozu ist R1 da? Wenn er der Bias-Strom-Kompensation dienen soll, sollte er R2||R3||R4 sein.
Michael M. schrieb: > 20210622_115840.jpg Auch ein LM358 schafft es bei 12:V Versorgung nicht 10V zu liefern, sondern bleibt bei 2k bis 4V und bei 10k Last 3V drunter Output Voltage Swing VOH V + = +30V RL = 2k 26 V , RL = 10kΩ 27V https://www.ti.com/lit/ds/symlink/lm158-n.pdf
Yalu X. schrieb: > Die Dimensionierung stimmt aber nicht ganz. Mit Deinen Werten komme ich auf 5,02. Das ist sehr gut. Mit meinen Werten komme ich aber exakt auf 5,0. Yalu X. schrieb: > Wozu ist R1 da? Wenn er der Bias-Strom-Kompensation dienen soll, sollte > er R2||R3||R4 sein. Daran habe ich zugegeben nicht gedacht. Bei offenem Eingang soll der 47k nur als Pull Down Widerstand dienen.
MaWin schrieb: > Auch ein LM358 schafft es bei 12:V Versorgung nicht 10V zu liefern Komisch, bei meinen Versuchen mit 12V kam ich immerhin bis auf 10,5V. Also nur 1,5V drunter.
Michael M. schrieb: > Yalu X. schrieb: >> Die Dimensionierung stimmt aber nicht ganz. > > Mit Deinen Werten komme ich auf 5,02. Das ist sehr gut. Mit meinen > Werten komme ich aber exakt auf 5,0. Ja, die Verstärkung stimmt bei deiner Dimensionierung, aber der Offset liegt 2V daneben. > > Yalu X. schrieb: >> Wozu ist R1 da? Wenn er der Bias-Strom-Kompensation dienen soll, sollte >> er R2||R3||R4 sein. > > Daran habe ich zugegeben nicht gedacht. Bei offenem Eingang soll der 47k > nur als Pull Down Widerstand dienen. Ah, ok, das ist ein Argument.
Yalu X. schrieb: > aber der Offset liegt > 2V daneben. Stimmt. Daran habe ich auch nicht gedacht. Ja, dann sind 4k7 und 15k die beste Wahl. Soll ich für R1 besser 18k nehmen?
HildeK schrieb: > Matzhias schrieb: > >> Jetzt muss ich > > Die beiden sind im Verhalten gleich. Rechts die klassische > Differenzverstärkerschaltung mit 2V Referenz; du musst ja 2V abziehen. > Links die Variante mit 4V Referenz (@Falk: 4V, nicht 5V -Tippfehler?) > Die linke Variante verwendet für die Referenz eine > Ersatzspannungsquelle: 4V mit Teiler 20k/20k entspricht einer Quelle mit > 2V und Serienwiderstand von 20k/2 = 10k. Das ist genau das, was rechts > zu sehen ist. > Als erstes gefunden und die Ersatzspannungsquelle ganz gut erklärt: > https://www.youtube.com/watch?v=LoFk2-W5Qvw Vielen Dank dir und Falk B. für die super Erklärungen. Mir ist jetzt alles klar.
Michael M. schrieb: > MaWin schrieb: >> Auch ein LM358 schafft es bei 12:V Versorgung nicht 10V zu liefern > > Komisch, bei meinen Versuchen mit 12V kam ich immerhin bis auf 10,5V. > Also nur 1,5V drunter. Klar, 90% der Bauelemente sind nahe an ihren typischen Werten bei Raumtemperatur. So seine Schaltung auszulegen kann man mit einem ausgemessenen Einzelbauteil im Hobbybereich machen. Die 1.5V aber generell zu postulieren ist trotzdem falsch: niemand garantiert dir diese Werte über den Temperaturbereich und für alle neu beschafften LM358. Vielleicht hattest du auch einen LM358B? Dort sind w.c. 1.6V Abstand von der oberen Rail bei 5mA spezifiziert. Für den 'Normalen' sind je nach Versorgungsspannung und Laststrom 1.5V ... 4V genannt.
Michael M. schrieb: > Yalu X. schrieb: > >> aber der Offset liegt >> 2V daneben. > > Stimmt. Daran habe ich auch nicht gedacht. Ja, dann sind 4k7 und 15k die > beste Wahl. Soll ich für R1 besser 18k nehmen? Ich bins nochmals! 😉 Nur für mwin Verständnis. Der Offset ist doch der, welcher abgezogen werden sollte oder? Also die 2 Volt an deinem Spannungsteiler 18k und 3k6. Das ergibt doch bei 12V genau 2V und Seriewiderstand 18k//3k6 Ohm, also 3k, was doch mit den 12k auch wieder V=5 ergibt oder?
Michael M. schrieb: > Yalu X. schrieb: > >> aber der Offset liegt >> 2V daneben. > Ich bins nochmals! 😉 Nur für mwin Verständnis. Der Offset ist doch der, welcher abgezogen werden sollte oder? Also die 2 Volt an deinem Spannungsteiler 18k und 3k6. Das ergibt doch bei 12V genau 2V und Seriewiderstand 18k//3k6 Ohm, also 3k, was doch mit den 12k auch wieder V=5 ergibt oder?
Michael M. schrieb: > MaWin schrieb: > >> Auch ein LM358 schafft es bei 12:V Versorgung nicht 10V zu liefern > > Komisch, bei meinen Versuchen mit 12V kam ich immerhin bis auf 10,5V. > Also nur 1,5V drunter. Ja, manche Leute basteln Schaltungen durch Ausprobieren. Das ist wie Strassenverkehraregeln durch Ausprobieren erfahren zu wollen, heute mal bei Rot über die Ampel, morgen auf der Überholspur parken, mittwochs entgegen der Einbahnstrasse fahren Geht meistens Andere gucken ins Datenblatt. Geht immer.
Matthias schrieb: > Das ergibt doch bei 12V genau 2V und Seriewiderstand 18k//3k6 Ohm, also > 3k, was doch mit den 12k auch wieder V=5 ergibt oder? Alles richtig, aber der 12k belastet die 2V, weil der Ausgang des OP Null Volt hat. Deswegen muss das auch noch durch 4k7 und 15k mit berücksichtigt werden. Daran habe ich selbst auch erst nicht gedacht. Natürlich kann man auch stumpfsinnig die vorgeschlagenen Formeln aus dem Kompendium zu Hilfe nehmen, aber ich bin da normalerweise auch kein Freund von. Aber in diesem Fall wäre es doch besser gewesen.
MaWin schrieb: > Andere gucken ins Datenblatt. Geht immer. Ja, vielleicht habe ich gerade einen gut gelungenen LM358 erwischt. Wer auf Nummer Sicher gehen will, nimmt einfach einen passenderen OPV.
Michael M. schrieb: > Matthias schrieb: > >> Das ergibt doch bei 12V genau 2V und Seriewiderstand 18k//3k6 Ohm, also >> 3k, was doch mit den 12k auch wieder V=5 ergibt oder? > > Alles richtig, aber der 12k belastet die 2V, weil der Ausgang des OP > Null Volt hat. Deswegen muss das auch noch durch 4k7 und 15k mit > berücksichtigt werden. Daran habe ich selbst auch erst nicht gedacht. > Natürlich kann man auch stumpfsinnig die vorgeschlagenen Formeln aus dem > Kompendium zu Hilfe nehmen, aber ich bin da normalerweise auch kein > Freund von. Aber in diesem Fall wäre es doch besser gewesen. Sorry das verstehe ich jetzt nicht. Auch mit den Werten 18k, 4k7 und 15k werden doch die 2.5V am Spannungsteiler durch die 15k belastet. Das Gleiche passiert doch auch bei HildeKs Schaltung weiter oben, nur seine ist halt eine Referenz, die auch für 2V sorgt, auch wenn man sie belastet
Hier wird immer von Datenblättern der OPVs geredet, aber den verwendeten MCP4822 betrachtet wohl niemand. Er liefert am Ausgang ca. 4,09 V FS und somit sind alle feinen Berechnungen der Widerstandswerte, die sich auf 2 V beziehen, für die Katz. Obige Schaltung, die diese Offsetspannung noch aus 12 V generiert, ist sogar für die Tonne: wenn schon Spannungsteiler, dann bitte ratiometrisch. Selber würde ich den LM358 verwenden. Ein Widerstand nach +12 V stellt eine max. Ausgangsspannung von 10 V sicher, falls es überhaupt darauf ankommt.
Matthias schrieb: > ...werden doch die 2.5V am Spannungsteiler durch die 15k belastet. Und genau in dem Moment werden daraus die geforderten 2V. Matthias schrieb: > Das Gleiche passiert doch auch bei HildeKs Schaltung weiter oben, nur > seine ist halt eine Referenz, die auch für 2V sorgt, auch wenn man sie > belastet Ja aber die Referenzspannungsquelle ist von Hause aus bereits niederohmig. m.n. schrieb: > Selber würde ich den LM358 verwenden. Ein Widerstand nach +12 V stellt > eine max. Ausgangsspannung von 10 V sicher, falls es überhaupt darauf > ankommt. Perfekt!
m.n. schrieb: > Hier wird immer von Datenblättern der OPVs geredet, aber den verwendeten > MCP4822 betrachtet wohl niemand Ja, sorry, hätte das gleich angeben sollen. Dachte die 96mV machen keinen Unterschied bzw. erzeugen dann einfach ein halbes Volt mehr bzw. weniger. Der DAC ist auch noch nicht Stein gemeißelt, wenn jemand einen weiß mit dem das Vorhaben einfacher oder genauer wird, nur raus damit.
Ich werfe mal einen DAC7760 für 6,- € in den Ring. Alles andere ist reines Rumgehampel mit der Konvertiererei. Die Software lässt sich doch sicher anpassen, oder?
Michael M. schrieb: > Matthias schrieb: > >> ...werden doch die 2.5V am Spannungsteiler durch die 15k belastet. > > Und genau in dem Moment werden daraus die geforderten 2V. > Matthias schrieb: > Ich komme iwie nicht drauf, warum dass es genau 0.5V sind.
dfIas schrieb: > Die Software lässt sich doch > sicher anpassen, oder? Die Software existiert noch nicht, also ja. Ich beschreib mal kurz was ich vorhabe: Ich will aus einem Teensy 4.1 CV-Signale (via DAC) und Gate-Signale (vermutlich direkt an den PWM Pins) ausgeben, mindestens jeweils 16 davon, gerne mehr. Also SPI und 4+ Pins zum adressieren. Brauche ansonsten nur noch einen Pin für einen Start/Stop-Taster. Das Ganze soll ein Sequencer für Eurorack werden, der über den PC bedient wird. Ich werde die Ausgabe der CVs sowieso irgendwie kalibrieren müssen, also sowas wie Wert 500 = 3V = Note C3, etc. Es wäre ziemlich cool wenn ich das nicht für jeden Kanal einzeln machen müsste, aber wenns nicht anders geht, auch gut.
dfIas schrieb: > für 6,- € Achja, und: Die Kosten für die Hardware sind nicht sooo wichtig. Das ist mindestens ein halbes Jahr Programierarbeit, ob die Hardware jetzt 50 oder 100 Euro teurer oder billiger ist, fällt da nicht großartig ins Gewicht.
Matthias schrieb: > Ich komme iwie nicht drauf, warum dass es genau 0.5V sind. 18k//4k7 sind 3k72. Daran würden dann 2,5V abfallen. Nun wird aber effektiv noch ein 15k parallel zu dem 3k72 geschaltet, das ergibt dann 2k98. Jetzt kann man das im Prinzip schon mit einem Dreisatz lösen: 2,98k x 2,5V / 3,72k = 2,002V
Michael M. schrieb: > Matthias schrieb: > >> Ich komme iwie nicht drauf, warum dass es genau 0.5V sind. > > 18k//4k7 sind 3k72. Daran würden dann 2,5V abfallen. Nun wird aber > effektiv noch ein 15k parallel zu dem 3k72 geschaltet, das ergibt dann > 2k98. Jetzt kann man das im Prinzip schon mit einem Dreisatz lösen: > 2,98k x 2,5V / 3,72k = 2,002V Achso, danke. Ich habe das nicht als Parallelwiderstand gesehen die 15k. Eine letzte Frage hab ich noch: Warum ist dieser Widerstand 15k genau parallel? Der ist ja mit dem OPV Ausgang verbunden und der hat ja intern doch einen Bezug zu - 12V und nicht GND. Oder sehe ich das falsch.
m.n. schrieb: > Hier wird immer von Datenblättern der OPVs geredet, aber den verwendeten > MCP4822 betrachtet wohl niemand. Er liefert am Ausgang ca. 4,09 V FS und > somit sind alle feinen Berechnungen der Widerstandswerte, die sich auf 2 > V beziehen, für die Katz. > Obige Schaltung, die diese Offsetspannung noch aus 12 V generiert, ist > sogar für die Tonne: wenn schon Spannungsteiler, dann bitte > ratiometrisch. Mit dem MCP4822 sind die Diskussionen zur Erzeugung der Offsetspannung für die Nullpunktverschiebung sowieso müßig, weil man nicht an die Referenzspannung des Chips ran kommt. Einzige Möglichkeit wäre, den zweiten Kanal mit festem Eingangswert dafür zu benutzen. Sonst ist man auf eine zweite, in der Genauigkeit passende Referenzspannungsquelle angewiesen.
Wolfgang schrieb: > Einzige Möglichkeit wäre, den > zweiten Kanal mit festem Eingangswert dafür zu benutzen. Warum nicht? Gute Idee! Will zwar keiner haben, aber ich hätte noch ein paar AD667 zu verschenken. Oder werden die jetzt schon mit >= 50 Euro/Stk. gehandelt? ;-)
Matthias schrieb: > Warum ist dieser Widerstand 15k genau parallel? Der ist ja mit dem OPV > Ausgang verbunden und der hat ja intern doch einen Bezug zu - 12V und > nicht GND. Oder sehe ich das falsch. In dem Moment bei dem der DAC 2V liefert, ist der Ausgang vom OPV auf Null Volt (das gleiche Potential wie GND) und der 15k liegt dann quasi parallel zum 3k72 (der hängt ja auch einseitig an GND).
Michael M. schrieb: > Matthias schrieb: > >> Warum ist dieser Widerstand 15k genau parallel? Der ist ja mit dem OPV >> Ausgang verbunden und der hat ja intern doch einen Bezug zu - 12V und >> nicht GND. Oder sehe ich das falsch. > > In dem Moment bei dem der DAC 2V liefert, ist der Ausgang vom OPV auf > Null Volt (das gleiche Potential wie GND) und der 15k liegt dann quasi > parallel zum 3k72 (der hängt ja auch einseitig an GND). Morgen Michael Ok, verstehe. Aber weisst du das durch Simulation, dass es so ist oder ist das aus der Theorie irgendwo bekannt? Ich sehe einfach nicht, warum der OPV gerade dann 0V liefert. Ich weiss nicht ob es irgendwo an meinen Grundlagen fehlt es zu sehen, ist das rechnerisch iwie zu zeigen? Das würde sehr helfen.
Matthias schrieb: > Michael M. schrieb: > >> >> In dem Moment bei dem der DAC 2V liefert, ist der Ausgang vom OPV auf >> Null Volt (das gleiche Potential wie GND) und der 15k liegt dann quasi >> parallel zum 3k72 (der hängt ja auch einseitig an GND). > > Morgen Michael > Ok, verstehe. Aber weisst du das durch Simulation, dass es so ist oder > ist das aus der Theorie irgendwo bekannt? Ich sehe einfach nicht, warum > der OPV gerade dann 0V liefert. Ich weiss nicht ob es irgendwo an meinen > Grundlagen fehlt es zu sehen, ist das rechnerisch iwie zu zeigen? Das > würde sehr helfen. Also was ich meine ist, dass eigentlich die 2 V immer am - Eingang anliegen sollten, denn wir wollen ja, dass stets 2V abgezogen werden, egal welches Eigangssignal am +Eingang anliegt, ob 0 oder 4V oder irgendwas dazwischen. Wenn immer genau dann, wenn 2V anliegen der Ausgang des OPV 0V liefert, kann ja die Forderung +-10V nie gegeben sein. Einen DAC sehe ich in deiner Schaltung nicht. Die Referenz erzeugst du ja in deiner Schaltung mit der Quellenspannung 12V.
Heiko K. schrieb: > Hallo zusammen, > ich würde gerne den Ausgang eines 12-Bit-DAC, aus dem 0V bis 4V > herauskommen auf die für Eurorack übliche control voltage verstärken, > diese geht von -10V bis +10V Der TE möchte aber einen DAC einbauen und damit das so funktioniert wie der TE das haben will, muss bei einer Eingangsspannung von 2V am Ausgang 0V rauskommen. Das ist ja gerade das Dingen.
Bitte melde dich an um einen Beitrag zu schreiben. Anmeldung ist kostenlos und dauert nur eine Minute.
Bestehender Account
Schon ein Account bei Google/GoogleMail? Keine Anmeldung erforderlich!
Mit Google-Account einloggen
Mit Google-Account einloggen
Noch kein Account? Hier anmelden.


