Hallo Forum, ich möchte hier einen Lüfter per GPIO von einem Raspbery aus steuern und habe Probleme mit dem Transistor: Der schaltet aus irgendwelchen Gründen einfach nicht durch! Ich benutze einen ordinären BC 547B, mit 7 KOhm-Widerstand an der Basis, der mit dem 3V-Output-Pin vom Raspberry verbunden ist. Der Lüfter ist ein 40mm 12V-Lüfter, den ich aber mit 5V betreiben will. Habe das auch schon ausprobiert: Ohne Transistor läuft er bei 5V problemlos an. Mit vorgeschaltetem Transistor aber leider nicht: Nur mit 5V am Widerstand der Basis schaltet der Transistor durch. Der Raspberry hat aber leider nur 3V an den GPIO-Pins. Hab's auch schon ohne Basis-Vorwiderstand probiert - leider ohne Erfolg. Ich versteh' das nicht: Laut Datenblatt liegt die nötige BE-Spannungsdifferenz irgendwo zwischen 700-900 mV. Basis-Vorwiderstandsberechnung hab ich so gemacht: I_B = (I_CE / hfe) x 3 und dann: R_B = (U_B - U_BE) / I_B = (3V-0,7V) / I_B I_CE sollten 35 mA sein, denn das habe ich am Lüfter bei 5V ohne Transistor gemessen. Die "x 3" sind zur Sicherheit, damit auch ganz bestimmt Sättigung erreicht wird.Es kommt bei einem gemessenen hfe-Wert von 380-400 ein Vorwiderstand von 8,3 KOhm raus. Den hatte ich gerade nicht da, deshalb sinds 7 KOhm geworden. Warum schaltet der Transistor nicht durch?
Peter K. schrieb: > Warum schaltet der Transistor nicht durch Weil er jetzt durch den Betrieb ohne Basisvorwiderstand kaputt ist! Wenn du einen neuen Transistor (BC337 oder BD135) einbaust, dann probier mal einen 1k oder 470R Widerstand aus. Der Lüfter hat übrigens einen höheren Anlaufstrom als nur 35mA!
Die Schaltung ist vermutlich 5V - Lüfter - Transistor - 0V?
Michael M. schrieb: > Weil er jetzt durch den Betrieb ohne Basisvorwiderstand kaputt ist! Er hatte doch einen drin. Und ca. 7,0 K sind auch okay. Ein BC547 ist ein NPN. Wie schaut Deine Schaltung aus? Wo ist der Transistor verbaut?
Firlefanz schrieb: > Er hatte doch einen drin. Peter K. schrieb: > Hab's auch schon ohne Basis-Vorwiderstand probiert - leider ohne Erfolg.
erste Möglichkeit: Du verwendest den BC 547 in Emitterschaltung: C an 5V Motor an E. Dann bekommst Du mit Ub =3V nur 2,3..2,1V am Motor. Also bitte Schaltbild! zweite: Du rechnest mit dem Nennstrom des Motors, aber zum Anlaufen braucht der Motor wesentlich mehr Strom. Bei Nennstrom läuft der Motor nicht an, auch wenn er das fünf-oder mehrfache des Nennstroms hätte. dritte: der Motor ist ein BDLC, der bei bei Unterspannung garnicht erst anläuft.
Michael M. schrieb: > Sieht deine Schaltung so aus? Und je nachdem, was das für ein Lüfter ist, sollte man noch eine Freilaufdiode parallel zum Motor spendieren. Auch möglich: der Transistor ist deswegen schon gestorben...
Dietrich L. schrieb: > eine Freilaufdiode parallel zum Motor Könnte man die Freilaufdiode nicht auch parallel zum Transistor schalten? Dann würde die gefährliche Spannung quasi am Transistor vorbeigeführt und vom Netzteilelko aufgefangen. Dadurch wird die Induktionsenergie nicht einfach nutzlos in der Diode verheizt, sondern in Form von recycelter Versorgungsspannung wiederverwertet.
Michael M. schrieb: > Könnte man die Freilaufdiode nicht auch parallel zum Transistor > schalten? Nein. > Dadurch wird die Induktionsenergie nicht einfach nutzlos in der Diode > verheizt, Wird ja nicht in der Diode verheizt.
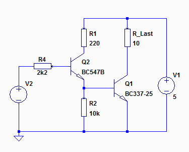
Michael M. schrieb: > Sieht deine Schaltung so aus? Nein...aber das sollte sie vielleicht! Der Motor hängt am Emitter und die 5V am Kollektor. Das heißt dann ja, dass... ...die BE-Spannung negativ ist?! Das könnte es sein...**aua** Danke für das Bild! Kaputt ist der Transistor sicher nicht, sonst würde er bei 5V an der Basis ja nicht schalten. Melde mich später nochmal...
Peter K. schrieb: > Nein...aber das sollte sie vielleicht! Aber ganz sicher! > Der Motor hängt am Emitter und > die 5V am Kollektor. Das heißt dann ja, dass... ... dein Lüfter höchstens 3.3V-0.7V = 2.5V abbekommt und damit läuft er eben nicht. Warum eigentlich konntest du keinen Schaltplan posten, sondern einer der Helfer musste es tun?
Nachtrag: Peter K. schrieb: > Das heißt dann ja, dass... > > ...die BE-Spannung negativ ist?! Das könnte es sein...**aua** Nein, es heißt glücklicherweise auch, dass du bei dem Versuch ohne Basiswiderstand nichts kaputt gemacht hast. Versuche mal dir die Unterschiede zwischen Emitterschaltung und Kollektorschaltung anzueignen.
eine vollständiger Ltspice Schaltplan könnte die diskussion vereinfachen :-) https://www.elektronik-kompendium.de/public/schaerer/powsw3.htm
Michael M. schrieb: > Weil er jetzt durch den Betrieb ohne Basisvorwiderstand kaputt ist! Nein. Das schafft ein rPi-Ausgang nicht. Michael M. schrieb: > Könnte man die Freilaufdiode nicht auch parallel zum Transistor schalten Nur wenn es eine Z-Diode mit über 5V6 ist. Peter K. schrieb: > Der Motor hängt am Emitter und die 5V am Kollektor Oje, wie kommt man auf die Idee und zudem auf die Idee, die kuriose Schaltung nicht zu zeigen ?
Michael M. schrieb: > Sieht deine Schaltung so aus? Schöner Schaltplan und das meine ich nicht ironisch: der Motor mit angeflanschtem Lüfter :-) Carlo schrieb: > Ltspice Schaltplan könnte die diskussion vereinfachen :-) Ich finde eine gute Handzkizze nicht schlechter als eine elektronisch gezeichnete. Ich bin ein Fan von LTSpice, würde aber auch wenig nützen, wenn jemand den Unterschied zwischen Kollektor- und Emitterschaltung nicht kennt. Das Problem selbst ist ja wohl gelöst: muß natürlich in Emitterschaltung sein, wie im Schaltplan.
Peter K. schrieb: > Basis-Vorwiderstandsberechnung hab ich so gemacht: I_B = (I_CE / hfe) x > 3 > und dann: R_B = (U_B - U_BE) / I_B > = (3V-0,7V) / I_B Die Rechnung stimmt (für Emitterschaltung). Weil aber: Michael M. schrieb: > Der Lüfter hat übrigens einen höheren Anlaufstrom als nur 35mA! ... sollte der Basiswiderstand ca. Faktor 10 kleiner sein.
Noch ne möglichkeit: Vielleicht bricht beim Anlaufversuch des Motors auch die Spannung zusammen, sodass die 5V oder gar die 3V garnicht vorhanden sind. Vernünftig wäre auch, eineml die Spannung am Motor, UCE und UBE im eingeschalteten Zustand zu messen.
Peter K. schrieb: >> Sieht deine Schaltung so aus? > > Nein...aber das sollte sie vielleicht! Der Motor hängt am Emitter und > die 5V am Kollektor. Das heißt dann ja, dass... > > ...die BE-Spannung negativ ist?! Das könnte es sein...**aua** Elektronik kann so böse sein :-) Du weißt es, aber gerade mit dem Lötkolben in der Hand hat sich das Wissen versteckt. Ja, BE ist negativ, um den aufzumachen, müssten 5,7V gegenüber GND her. Mohandes H. schrieb: > Die Rechnung stimmt (für Emitterschaltung). Ja, aber, wieder mal, eine unrealistische Verstärkung zugrunde gelegt. Ich würde hier mit 20 kalkulieren, 2mA Basisstrom her. Ich will jetzt nicht um 200 Ohm streiten, das passt besser: H. H. schrieb: > Viel zu viel! 470 Ohm wären passend.
Das Vertauschen des Lüfters von Emitter nach Collektor hat geholfen. Danke nochmal. Manchmal sieht man so einfache Sachen selbst einfach nicht. Jetzt probier ich noch mit dem Vorwiderstand rum: Das Anlaufen ist tatsächlich ein Problem: Hab immer wieder niedrigere Widerstände benutzt und bin inzwischen bei 180 Ohm angekommen. Jetzt läuft der Lüfter zwar mit höherer Wahrscheinlichkeit an. Jedoch ist der Strom zu hoch: 26mA ist will ich dem Raspi nicht zumuten. Vielleicht pack' ich doch noch einen Step-Up an die Stromzufuhr vom Lüfter. Der ist halt nicht für 5V gedacht...
Peter K. schrieb: > Jedoch ist der Strom zu > hoch: 26mA ist will ich dem Raspi nicht zumuten. Vieleicht solltest Du dann noch eine Transistorstufe davor schalten. Rasphi schaltet einen NPN-Transistor, und dieser wiederum schaltet einen PNP, und hier hängt Dein Motor dran. Vorteil: Du schützt Deinen Raspi, .. sollte der Transistor mal kaputt gehen.
Firlefanz schrieb: > Vieleicht solltest Du dann noch eine Transistorstufe davor schalten. Oder ein Darlington.
Peter K. schrieb: > Das Vertauschen des Lüfters von Emitter nach Collektor hat geholfen. > Danke nochmal. Manchmal sieht man so einfache Sachen selbst einfach > nicht. Das ist der Grund weshalb am besten schon im Eröffnungsthread Schaltplan und Fotos vom Aufbau gezeigt werden sollten. Dann wäre den ernsthaften Helfern hier nach 10 Sekunden aufgefallen wo der Fehler liegt. Eine wichtige Information wäre auch wieviel Strom der Lüfter bei 5V aufnimmt. Wobei, es ist Murks ihn so zu betreiben. Einen 12V Lüfter an 5V zu betreiben ist keine gute Idee. Weshalb keinen 5V Lüfter? An dem BC.. bleibt auch noch Spannung hängen..Uce. > Jetzt probier ich noch mit dem Vorwiderstand rum: Das Anlaufen > ist tatsächlich ein Problem: Hab immer wieder niedrigere Widerstände > benutzt und bin inzwischen bei 180 Ohm angekommen. Jetzt läuft der > Lüfter zwar mit höherer Wahrscheinlichkeit an. Jedoch ist der Strom zu > hoch: 26mA ist will ich dem Raspi nicht zumuten. Nimm einen LL-Mosfet. Ein IRF3708 ist zwar vollkommen überdimensioniert, aber THT. Und ihm reichen 2.8V Ugs um sicher zu schalten. > Vielleicht pack' ich doch noch einen Step-Up an die Stromzufuhr vom > Lüfter. Der ist halt nicht für 5V gedacht... Ja, oder einen 5V Lüfter;-)
Peter K. schrieb: > hoch: 26mA ist will ich dem Raspi nicht zumuten. Dann schalt noch einen T zum Darlington davor.
Mohandes H. schrieb: > Oder ein Darlington. batman schrieb: > Dann schalt noch einen T zum Darlington davor. Achtung! Am Darlington fallen 0,7 Volt ab! Dann bleiben für den 12V Lüfter (an 5V betrieben) nur noch 4,3 Volt übrig.
Firlefanz schrieb: > Vieleicht solltest Du dann noch eine Transistorstufe davor schalten. > Rasphi schaltet einen NPN-Transistor, und dieser wiederum schaltet einen > PNP, und hier hängt Dein Motor dran. Das kann durchaus sinnvoll sein. Im Forum wurde diese Grundschaltung mehrfach vom selben User gezeigt, kannst Du die finden und hier einbinden? Mohandes H. schrieb: > Oder ein Darlington. batman schrieb: > Dann schalt noch einen T zum Darlington davor. Eine schlechte Idee: Der 12V-Lüfter ist mit 5V eh schon knapp, da mag man sich den hohen Spannungsabfall am Darlington nicht antun - den bekommst' kaum unter 1 Volt U(CE). Jörg R. schrieb: > Nimm einen LL-Mosfet. Ein IRF3708 ist zwar vollkommen überdimensioniert, > aber THT. Das gefällt mir besser als Darlington und sollte man als µC-Bastler einlagern. Wenn es fummelig klein sein soll: IRLML6344.
Manfred schrieb: > Jörg R. schrieb: >> Nimm einen LL-Mosfet. Ein IRF3708 ist zwar vollkommen überdimensioniert, >> aber THT. > > Das gefällt mir besser als Darlington und sollte man als µC-Bastler > einlagern. Wenn es fummelig klein sein soll: IRLML6344. Oder IRLML2502 Geeignete LL im TO92 Gehäuse fallen mir keine ein. https://www.infineon.com/dgdl/irlml2502pbf.pdf?fileId=5546d462533600a401535668048e2606 Ich halte es aber für Murks den 12V Lüfter an 5V zu betreiben. Unter Umständen läuft er mal an, oder eben nicht.
Dann schalte ich mit dem Transistor ein Relais. Dieses Relais schaltet dann den Lüfter. Dann hat der die 'volle' Spannung.
Jörg R. schrieb: > Geeignete LL im TO92 Gehäuse fallen mir keine ein. Mir auch nicht, hätte ich sonst schon längst in der Schublade. Firlefanz schrieb: > Dann schalte ich mit dem Transistor ein Relais. Dieses Relais schaltet > dann den Lüfter. Noch dümmere Vorschläge?
H. H. schrieb: > 470 Ohm wären passend. Michael M. schrieb: > Sieht deine Schaltung so aus? Hoffentlich.... Drösle das so zusammen und Du hast 4,7-4,8V am Lüfter. Mein 12V Lüfter läuft damit wie andere bei voller Spannung.... (Jörg R. schrieb: > Ich halte es aber für Murks den 12V Lüfter an 5V zu betreiben. Unter > Umständen läuft er mal an, oder eben nicht.)
Die sichere Anlaufspannung rauszubekommen, ist aber nun auch keine Raketenwissenschaft. 5V sind evt. auch nicht ausreichend.
H. H. schrieb: > Jörg R. schrieb: >> Geeignete LL im TO92 Gehäuse fallen mir keine ein. > > TN0702 Danke;-) Kleiner Wermutstropfen..Rds(on) um die 1R. http://ww1.microchip.com/downloads/en/DeviceDoc/TN0702%20C080813.pdf
Jörg R. schrieb: > Danke;-) Kleiner Wermutstropfen..Rds(on) um die 1R. Kann du rechnen? Bei 100mA sind das 0,1V. Aber das Problem ist doch gelöst. 12V Lüfter an 5V - falsch. Kollektorschaltung - falsch. Warum schaut man nicht, wie es andere machen?
Hallo, michael_ schrieb: > Warum schaut man nicht, wie es andere machen? Wäre viel zu einfach. Wo bleibt da der Nervenkitzel? rhf
michael_ schrieb: > Jörg R. schrieb: >> Danke;-) Kleiner Wermutstropfen..Rds(on) um die 1R. > > Kann du rechnen? > Bei 100mA sind das 0,1V. Ja, ich kann rechnen. Rds(on) max. sind 1R3, Imax(cont) 530mA, Imax(Pulse) 1A. Uce eines BJT ist nicht höher. Jetzt rechne Du nochmal;-) Vergiss die Verlustleistung nicht. Und wie kommst Du auf 100mA? Der TO hat keine Angaben zur Stromaufnahme gemacht.
60 Jahre Erfahrung! Bauchgefühl. Der TO wollte einen BC547 nehmen. Und ein 12V Lüfter an 5V, da sind es eher noch weniger. Er hat doch eh nur einen PC-NT Lüfter.
michael_ schrieb: > Der TO wollte einen BC547 nehmen. Weil er es nicht besser weiß. Er nimmt sogar nur den B-Typ, anstatt zumindest den C-Typ. michael_ schrieb: > 60 Jahre Erfahrung! Merkt man nix von;-) michael_ schrieb: > Er hat doch eh nur einen PC-NT Lüfter. Problem wieder einmal ist das Komponenten danach gewählt werden was in der Bastelkiste liegt, nicht danach was für die Anwendung sinnvoll ist.
michael_ schrieb: > Kann du rechnen? > Bei 100mA sind das 0,1V. Oder eher 0,25V. Jörg R. schrieb: > Ja, ich kann rechnen. Rds(on) max. sind 1R3, Imax(cont) 530mA, > Imax(Pulse) 1A. Wir reden hier über ein 3V-System, schaue nochmal genau hin: Bei V(GS) 3,0 V sehe ich typ. 1.9 / max. 2.5 Ohm. In meinen Bastelvorrat wird der nicht einziehen, dann fummele ich eher ein SOT ins Lochraster oder nehme eine Adapterplatine. michael_ schrieb: > 60 Jahre Erfahrung! Bauchgefühl. Oh weh, der Bauch hängt täglich mehr ... > Der TO wollte einen BC547 nehmen. Ja, bei seinen genannten 35mA würde er mit dem TN0702 besser aussehen, weil es am Steuerstrom für den bipolaren mangelt. Jörg R. schrieb: > Problem wieder einmal ist das Komponenten danach gewählt werden was in > der Bastelkiste liegt, nicht danach was für die Anwendung sinnvoll ist. Problem ist, dass man nicht für jedes Einzelstück die jeweils optimalen Bauelemente bestellen kann.
Manfred schrieb: > Jörg R. schrieb: >> Ja, ich kann rechnen. Rds(on) max. sind 1R3, Imax(cont) 530mA, >> Imax(Pulse) 1A. > > Wir reden hier über ein 3V-System, schaue nochmal genau hin: > Bei V(GS) 3,0 V sehe ich typ. 1.9 / max. 2.5 Ohm. Stimmt;-) Manfred schrieb: > Jörg R. schrieb: >> Problem wieder einmal ist das Komponenten danach gewählt werden was in >> der Bastelkiste liegt, nicht danach was für die Anwendung sinnvoll ist. > > Problem ist, dass man nicht für jedes Einzelstück die jeweils optimalen > Bauelemente bestellen kann. Stimmt auch, aber der TO hat Alternativen, bis hin zum passenden Lüfter. Von der abgebildeten Adapterplatine habe ich ähnliche, sehr praktisch.
Manfred schrieb: > michael_ schrieb: >> 60 Jahre Erfahrung! Bauchgefühl. > > Oh weh, der Bauch hängt täglich mehr ... Nö, nicht wie bei dir. Glatt, nur Muskeln und S....e :-)
Jörg R. schrieb: > Danke;-) Kleiner Wermutstropfen..Rds(on) um die 1R. Nochmal, du selbst hast hier diesen Wert genannt! Jörg R. schrieb: > michael_ schrieb: >> Der TO wollte einen BC547 nehmen. > > Weil er es nicht besser weiß. Er nimmt sogar nur den B-Typ, anstatt > zumindest den C-Typ. Hat nichts mit B oder C zu tun. Oberhalb 100mA nimmt man den Transistor nicht. Und auch keine Last, die größer ist.
Danke für die vielen Antworten! Ihr seid wohl echt in Schreiblaune. Zur Frage "warum kein 5V-Lüfter?": Weil ich gerade keinen hier habe! Das sind dann schon wieder mal eben 6 Euro, wo ich mindestens vier von den 12V-PC-Dingern rumfliegen habe. Ich will einfach nur ein bißchen Luft FALLS der Raspi mal was wärmer wird. Grundsätzlich reichen ja auch die Kühlkörper. Der TN0702 ist ein N-MOSFET und im Datenblatt lese ich bei "On-state drain current", mindestens 0.5 A bei 5V. Das wären 500 mA, mein Lüfter zieht bei 5V aber nur 35 mA. Ich nutze selten MOSFETS. Heißt das, das dieses Modell falsch gewählt wäre? Warum überhaupt MOSFET statt Transistor? In meinem Fall ist der Strom doch recht gering.
michael_ schrieb: > Jörg R. schrieb: >> Danke;-) Kleiner Wermutstropfen..Rds(on) um die 1R. > > Nochmal, du selbst hast hier diesen Wert genannt! Ja, nur bezieht sich mein Kommentar auf den Hinweis von H. H. zum TN0702. Das solltest Du schon erkennen. Da gehe ich überhaupt nicht auf das Problem des TO ein, sondern mache nur eine Bewerkung zum TN0702. Es ist immer schlecht wenn Zitate aus dem Zuammenhang gerissen werden und damit aus dem Kontext. Jörg R. schrieb: > H. H. schrieb: >> Jörg R. schrieb: >>> Geeignete LL im TO92 Gehäuse fallen mir keine ein. >> >> TN0702 > > Danke;-) Kleiner Wermutstropfen..Rds(on) um die 1R. michael_ schrieb: > Jörg R. schrieb: >> michael_ schrieb: >>> Der TO wollte einen BC547 nehmen. >> >> Weil er es nicht besser weiß. Er nimmt sogar nur den B-Typ, anstatt >> zumindest den C-Typ. > > Hat nichts mit B oder C zu tun. Doch, hat es. Höherer hfe, geringerer Basisstrom. > Oberhalb 100mA nimmt man den Transistor nicht. > Und auch keine Last, die größer ist. Weil der TO es nicht besser wusste. Deshalb der Tipp mit dem IRF3708, auch wenn der total überdimensioniert ist. Dafür fällt das Problem weg dass hier auch noch wertvolle Spannung verloren geht, jedenfalls im Falle des TO. Davon abgesehen gibt es BJT Alternativen zum BC547x die deutlich mehr schalten können. Peter K. schrieb: > Zur Frage "warum kein 5V-Lüfter?": Weil ich gerade keinen hier habe! Läuft der Lüfter direkt an 5V angeschlossen immer los? Wenn ja ist es ja kein Problem, vor allem mit dem richtigen MOSFET. Nimm so eine kleine Platine wie Manfred sie gepostet hat, und dazu einen der empfohlenen IRLML... Peter K. schrieb: > Warum überhaupt MOSFET statt Transistor? Ein MOSFET ist auch ein Transistor. Vorteil 1: Quasi kein Strom aus dem GPIO-PIN des Raspi nötig Vorteil 2) Quasi kein Spannungsverlust über den Transistor, wenn er richtige gewählt wird. Das ist bei Deiner Konstellation wichtig. Bei einem BJT, BC547x o.ä., hast Du immer Spannungsabfall über den Transistor (Uce).
Eigentlich schon alles relevante zur Problemlösung im Faden zu finden, aber einen setze ich noch drauf: Peter K. schrieb: > Es kommt bei einem gemessenen hfe-Wert von 380-400 ein > Vorwiderstand von 8,3 KOhm raus Dein gemessener Wert in Ehren, ist für eine Klassifizierung der Stromverstärkung Typ "B" am oberen Ende, ein guter Transistor :D Aber: normalerweise rennt eine solche (deine?) "Messung" bei Kleinsignaltransistoren mit einem Kollektorstrom von typischerweise einem (oder auch zwei) mA. Und ausserdem Uce noch lange nicht in satten Bereich, sondern eher bei einer Hausnummer von Uce=5V. Augenscheinliches Problem: Dein Transistor soll voll gesättigt "schalten", also Uce<<1V, und der hier im Betrieb nötige Kollektorstron ist deutlich höher (35mA); die wirkliche Stromverstärkung in einer solchen Anwendung wird aus beiden Gründen [deutlich] niedrieger ausfallen. HTH
nimm doch nen 50mm 12V Lüfter die sind so leise die kannst du dauerhaft laufen lassen. Da brauchst du nichts schalten einfach zw. 3,3/5V und GND anschließen. Dir stehen so also 2 Leistungsstufen zur Verfügung.
Peter K. schrieb: > Der TN0702 ist ein N-MOSFET und im Datenblatt lese ich bei "On-state > drain current", mindestens 0.5 A bei 5V. Das wären 500 mA, mein Lüfter > zieht bei 5V aber nur 35 mA. Ich nutze selten MOSFETS. Heißt das, das > dieses Modell falsch gewählt wäre? Das Ding reist einen zwar nich vom Hocker aber der passt schon. Hier alle mal besser als der BC5?? den Du nehmen wolltest (obwohl der genauso gut funzen würde). > Warum überhaupt MOSFET statt > Transistor? Noch weniger Spannungsverlust für den Lüfter. Selbst bei deinem Ollen, den Du verwenden willst, wären das nur ~0,07V. Mit nem geeigneten BJT kommt man da nur auf ca. 0,2V.
Peter K. schrieb: > Der TN0702 ist ein N-MOSFET und im Datenblatt lese ich bei "On-state > drain current", mindestens 0.5 A bei 5V. Das wären 500 mA, mein Lüfter > zieht bei 5V aber nur 35 mA. Ich nutze selten MOSFETS. Heißt das, das > dieses Modell falsch gewählt wäre? Nein! Das "mindestens 0.5A" bedeutet hier: der Strom, der mindestens fließen kann bei den angegebenen Werten von Vgs=5V und Vds=5V. In dem Fall würde der Transistor auch nicht durchschalten: Vds=5V. Weniger Strom geht immer und Vds wäre dann auch kleiner. Interessanter sind für dich die Werte bei Rds(on). Damit kannst du Vds ausrechnen, abhängig davon, welchen Strom du schalten willst.
Manfred schrieb: > Firlefanz schrieb: > >> Dann schalte ich mit dem Transistor ein Relais. Dieses Relais schaltet >> dann den Lüfter. > > Noch dümmere Vorschläge Was ist daran dumm? Am Relaykontakt fällt keine Spannung ab. Somit hat der Lüfter die volle Spannung. @Manfred Deine Komentare könnten dümmlich sein.
Peter K. schrieb: > bin inzwischen bei 180 Ohm angekommen. Jetzt läuft der > Lüfter zwar mit höherer Wahrscheinlichkeit an. Jedoch ist der Strom zu > hoch: 26mA ist will ich dem Raspi nicht zumuten. Korrektur: (3,3V - 0,7V) / 180Ω = 14mA Auch das ist schon zu viel. Du kannst 2 Transistoren verwenden, z.B. einen NPN und einen PNP. Die obigen Ansätze mit MOSFET sind auch gut.
Da ein Darlington-Transistor einen UCE von 0,7V hat, könnte man hier eine Quasi-Darlingtonschaltung einsetzen. Die hat auch eine hohe Verstärkung, aber keinen nennenswerten Spannungsfall zwischen C und E. BJTs hat man schließlich zu Hauf in der Bastelkiste rumfliegen, aber LL-Mosfets eher weniger.
Stefan ⛄ F. schrieb: > 2 Transistoren verwenden, z.B. einen NPN und einen PNP. https://de.wikipedia.org/wiki/Sziklai-Paar Hat den Vorteil eines Darlington-Transistors bei einer BE-Spg. von nur 0.7V statt 1,4V. Also in so einem Fall (3,3V-Ansteuerung) ideal.
Pc-Freak schrieb: > Manfred schrieb: >> Firlefanz schrieb: >> >>> Dann schalte ich mit dem Transistor ein Relais. Dieses Relais schaltet >>> dann den Lüfter. >> >> Noch dümmere Vorschläge > > Was ist daran dumm? > Am Relaykontakt fällt keine Spannung ab. Somit hat der Lüfter die volle > Spannung. > > @Manfred > Deine Komentare könnten dümmlich sein. "Manfred kommentiert(e) gar dümmlich" - allg. NICHT. Siehe Fakten: >>> Relais haben auch einen "Einschaltwiderstand", ganz wie Mosfets. (Das steht in Relais-Datenblättern übrigens auch drin... nur Du weißt so etwas nicht, willst aber nicht nur mitreden sondern gar andere kritisieren. Eieiei...) Da deren galvanische Trennung zw. Spulen- und Schaltkontakt hier kein Mensch brauchen zu können scheint, kann man vorteilhaft einen passenden Mosfet nutzen (und spart Geld wie Platz vs. Relais). Da Du das jetzt weißt (und leicht an Relais-Datenblättern prüfen kannst, so Du es mir denn nicht glauben solltest), ... (...)
Stefan ⛄ F. schrieb: > Auch das ist schon zu viel. Du kannst 2 Transistoren verwenden, z.B. > einen NPN und einen PNP. Oder auch zwei NPN, eben nicht als Darlington verschaltet.
Jörg R. schrieb: >> Oberhalb 100mA nimmt man den Transistor nicht. Wo kommt diese überflüssige Diskussion her? Ach ja, die Forumskonifere war es: michael_ schrieb: > Oberhalb 100mA nimmt man den Transistor nicht. Im Eröffnungspost, nix mit zu viel Strom: Peter K. schrieb: > I_CE sollten 35 mA sein, denn das habe ich am Lüfter bei 5V ohne > Transistor gemessen. > Weil der TO es nicht besser wusste. Deshalb der Tipp mit dem IRF3708, > auch wenn der total überdimensioniert ist. Dafür fällt das Problem weg > dass hier auch noch wertvolle Spannung verloren geht, jedenfalls im > Falle des TO. Vor allem wird er das Problem mit dem Basisstrom los, sein µC kann für den BC547 nicht genug liefern. > Läuft der Lüfter direkt an 5V angeschlossen immer los? Wenn ja ist es ja > kein Problem, vor allem mit dem richtigen MOSFET. Nimm so eine kleine > Platine wie Manfred sie gepostet hat, und dazu einen der empfohlenen > IRLML... Kann er auch, wobei diese beim deutschen Versender vermutlich mehr als der FET kosten. Viel Platz gewinnt man damit gegenüber einem TO-220 auch nicht. crash test dummy schrieb: > "Manfred kommentiert(e) gar dümmlich" - allg. NICHT. Siehe Fakten: >>>> Relais haben auch einen "Einschaltwiderstand", ganz wie Mosfets. Der wird geringer als bei einem bipolaren Transistor sein. > Da deren galvanische Trennung zw. Spulen- und Schaltkontakt hier > kein Mensch brauchen zu können scheint, kann man vorteilhaft einen > passenden Mosfet nutzen (und spart Geld wie Platz vs. Relais). Hier ist leider niemand in der Lage, die Gesamtsituation zu begreifen: Peter hat einen Lüfter mit 35mA und das Problem, dem Schalttransistor genug Basisstrom zu bieten. Sein µC kann ein Relais nicht direkt treiben, also braucht er dafür einen Transistor. Da er nur 5V hat, ein 5V-Relais, und das wird kaum unter 40mA Spulenstrom (200mW) zu bekommen sein. Und nun: Für den 35mA-Lüfter reicht es nicht, aber für ein Relais mit 40mA? Das kann man drehen wie man will, Jörgs Empfehlung IRF3708 ist die simpelste aller Lösungen, Punkt und aus. Ganz grundsätzlich rate ich dazu, sich für µC-Basteleien ein paar LL-FETs in die Schublade zu legen. Wegen eines fehlenden, simplen Bauelementes Pause machen zu müssen bereitet Frust.
Manfred schrieb: > Und nun: Für den 35mA-Lüfter reicht es nicht, aber für ein Relais mit > 40mA? Doch für den Lüfter würde es reichen, wenn der Anlaufstrom nicht viel höher wäre. Für ein normales Relais reicht der Transistor auf jeden Fall.
Manfred schrieb: > Sein µC kann ein Relais nicht direkt treiben, also braucht er dafür > einen Transistor. Da er nur 5V hat, ein 5V-Relais, und das wird kaum > unter 40mA Spulenstrom (200mW) zu bekommen sein. Gibts auch mit 50mW. Aber ein Relais wäre hier wirklich fehl am Platze.
Manfred schrieb: > Da er nur 5V hat, ein 5V-Relais, und das wird kaum > unter 40mA Spulenstrom (200mW) zu bekommen sein. Doch, gibt es mit 10mA. Aber das ist nicht das Problem. Das Gehechel, ob nun 1V, 0,1V oder 0,05V Restspannung am Transistor sind, ist doch Nebensache. Ein 12V Ventilator an 5V ist Murks. Er läuft nicht zuverlässig an. Schon wenn er altert oder verdreckt, dreht er sich nicht mehr. Ich habe mal gerade rumliegende 50mm, 60mm und 80mm Lüfter an 5V getestet. Nur der 80mm lief an. Das ganze Ansinnen ist sinnlos.
michael_ schrieb: > Ein 12V Ventilator an 5V ist Murks. Wenn der TO schreibt, seiner liefe mit 5V. Wie so zu Hölle, sollte ich Ihm das in Abrede stellen!?
H. H. schrieb: > Platze. Nein ist es nicht. Wenn es im 0,6 Volt Uce geht. Ist ein Relais besser, da hier keine Spannung am Arbeitskontakt abfällt. Und das Relais über einen NPn anzusteuern ist wohl ein Kinderspiel. Damit kommt der raspi klar. Garantiert.
'Die Kuh auf's Dach tragen' sagen die Russen ... und am Ende kommt eine Schaltung mit 2 Transistoren plus Relais heraus statt einfach einen 5V-Lüfter zu nehmen.
Teo D. schrieb: > michael_ schrieb: >> Ein 12V Ventilator an 5V ist Murks. > > Wenn der TO schreibt, seiner liefe mit 5V. Wie so zu Hölle, sollte ich > Ihm das in Abrede stellen!? Weil er das nicht zuverlässig über Monate/Jahre tun wird. Das weiß man, wenn man schon mal mit Lüftern zu tun hatte. Wenn allerdings die langfristige Funktion egal ist, dann bräuchte man den TO darauf nicht hinzuweisen. Nur wissen wir halt nichts über des TOs Erwartungshaltung diesbezüglich. Und darum ist dieser spezielle Hinweis nicht so schlecht.
Andi B. schrieb: > Weil er das nicht zuverlässig über Monate/Jahre tun wird. Das weiß man, > wenn man schon mal mit Lüftern zu tun hatte. > .... Ja, genau diese Erfahrung habe ich und schreibe deswegen...... Ja sicher... aber auch dein 5V Lüfter, wird irgendwann ausfallen. Aber was noch wichtiger ist, DAS IST KEIN SERIENPRODUKT und ich traue dem TO durchaus zu, das er weiß wo der Bartel dem Frosch die Locken zupft. Er hat den Mist schließlich selbst verbrochen. .... Ääää es geht übrigens um nen (sry) verschi......, völlig unnötigen Lüfter, für nen Pi4(3?)!
Pc-Freak schrieb: > H. H. schrieb: >> Platze. > > Nein ist es nicht. > Wenn es im 0,6 Volt Uce geht. Ist ein Relais besser, da hier keine > Spannung am Arbeitskontakt abfällt. > Und das Relais über einen NPn anzusteuern ist wohl ein Kinderspiel. > Damit kommt der raspi klar. Garantiert. michael_ schrieb: > Manfred schrieb: >> Da er nur 5V hat, ein 5V-Relais, und das wird kaum >> unter 40mA Spulenstrom (200mW) zu bekommen sein. > > Doch, gibt es mit 10mA. Ach nee, Du kannst also (einfache Rechnungen) rechnen. > Aber das ist nicht das Problem. > Das Gehechel, ob nun 1V, 0,1V oder 0,05V Restspannung am Transistor > sind, ist doch Nebensache. Wenn man das machen will, ist es das nicht. > Ein 12V Ventilator an 5V ist Murks. Ja mei, er will es halt machen. Und er "darf", wenn er will. > Er läuft nicht zuverlässig an. Hat er getestet. Allerdings je nach Spannungsfall des Schalters kann dieser Test (und auch die Langzeit-Gängigkeit) unterschiedlich ausfallen, daher widersprachst Du Dir eigentlich selbst. > Schon wenn er altert oder verdreckt, dreht er sich nicht mehr. Ja, das kann gut und gern passieren. > Ich habe mal gerade rumliegende 50mm, 60mm und 80mm Lüfter an 5V > getestet. > Nur der 80mm lief an. Was haben Deine Lüfter (direkt) damit zu tun? > Das ganze Ansinnen ist sinnlos. Siehe oben. Pc-Freak schrieb: >> Platze. Platz doch selber. Warum zitierst Du nicht vollständig? > H. H. schrieb: >> ein Relais wäre hier wirklich fehl am Platze. So ist es, und aus den von mir genannten Gründen. > Nein ist es nicht. > Wenn es im 0,6 Volt Uce geht. Ist ein Relais besser, da hier keine > Spannung am Arbeitskontakt abfällt. Lern lesen, das wäre Schritt eins. Oder kannst Du lesen, verstehst aber nichts von der Materie (also noch weniger als gedacht meine ich), und/oder bist lernresistent? Auch die Metallkontakte von Relais haben nun einmal nicht völlig vernachlässigbare Übergangswiderstände. (Daher der Vergleich mit Mosfet-Kanalwiderstand, und der Hinweis "lies Relais-Datenblätter". Nicht gemacht?) > Und das Relais über einen NPn anzusteuern ist wohl ein Kinderspiel. > Damit kommt der raspi klar. Garantiert. Durchaus. Mit dem Mosfet kommt er aber noch_besser klar. Und ein Relais braucht es halt ganz einfach nicht. (Nicht, daß es damit nicht ginge... und wenn er will, evtl. grade keinen Logic Level Fet hat oder auch nicht besorgen mag - stattdessen aber evtl. ein passendes Relais liegen - soll er halt... aber als Lösung1/Kaufempfehlung empfohlen ist das ein Schwachsinnstipp. Und jetzt gib bitte Ruhe.)
Pc-Freak schrieb: > Nein ist es nicht. > Wenn es im 0,6 Volt Uce geht. Ist ein Relais besser, da hier keine > Spannung am Arbeitskontakt abfällt. > Und das Relais über einen NPn anzusteuern ist wohl ein Kinderspiel. > Damit kommt der raspi klar. Garantiert Oje, klingt als ob du ein Zeitreisender aus 1950 bist. MOSFETs sind erfunden, sogar 2.7V-Logic-Level-MOSFETs. Braucht man aber bei einem Lüfter mit 35mA Nennstrom nicht. Da tut es auch der BC337 mit 270 Ohm Basisvorwiderstand, oder gar ein BC847.
Das ist aber kein Lüfter, sondern ein Plasterädchen in Form eines Lüfters. Wenn man das leicht anpustet, hält es an.
Ich bedanke mich für die vielen Infos. Es ist jetzt ein 480 Ohm-Vorwiderstand an der Basis geworden, der eine 8V-CE-Strecke schaltet. Damit läuft der Lüfter immer sauber an, ohne zu laut zu sein. Die 8V hab ich mit 'nem Step-Up-Regler erreicht. Lüfter+Step-Up ziehen zusammen knapp 50 mA. Das Sollte der Raspi am 5V-Pin verkraften. Der GPIO-Steuerpin braucht bei 3V...glaube ich...ca 15 mA...wenn ich mich an die Messung richtig erinnere. Jedenfalls war es im Rahmen. Lüfter läuft an, Raspi wird nicht überlastet, keine Zusatzeinkäufe nötig...alles gut - Ziel erreicht.
Peter K. schrieb: > ...alles gut > - Ziel erreicht. OK, das ist das Wichtigste. Aber erstaunlich bleibt es, wenn man 15mA Basisstrom braucht um 50mA zu schalten. Da werde ich den Verdacht nicht los, dass der Transistor falsch herum eingelötet wurde. (E u. C vertauscht) Das würde die geringe Stromverstärkung erklären.
Hans B. schrieb: > OK, das ist das Wichtigste. Aber erstaunlich bleibt es, wenn man 15mA > Basisstrom braucht um 50mA zu schalten. Kannst du rechnen? Ihr, also der TO und du, sollten das gleich hier an diesem Beispiel testen!
Teo schrieb: > Kannst du rechnen? Ja, das fällt mir eigentlich nicht schwer - hab aber nicht nachgerechnet - sondern nur die Angaben geglaubt. Mein Fehler.
crash test dummy schrieb: > Auch die Metallkontakte von Relais haben nun einmal nicht > völlig vernachlässigbare Übergangswiderstände. Du hast gelesen, wieviel Strom gefordert ist? Die Kontaktwiderstände sind da unbedeutend. > (Daher der Vergleich mit Mosfet-Kanalwiderstand, und der > Hinweis "lies Relais-Datenblätter". Nicht gemacht?) Tatsächlich gibt es Leistungsfets, die einem Relais vergleichbar nieedrohmig schalten und man sich schon Gedanken um die Widerstände der Verdrahtung machen darf. MaWin schrieb: > MOSFETs sind erfunden, sogar 2.7V-Logic-Level-MOSFETs. > Braucht man aber bei einem Lüfter mit 35mA Nennstrom nicht. Da tut es > auch der BC337 mit 270 Ohm Basisvorwiderstand, oder gar ein BC847. Dass ein TUN ausreichend ist, wenn man ihm genug Basisstrom gibt, wurde weiter vorne schon geklärt. Es war irgendwo die Aussage, dass der µC nur wenige mA liefern kann, das habe ich nicht nachrecherchiert. Peter K. schrieb: > Es ist jetzt ein 480 Ohm-Vorwiderstand an der Basis geworden, Macht bei einem 3,3V-µC 5mA Basisstrom. Damit ist der TUN zuverlässig auf, selbst, wenn er an der Unterkante der Toleranzen liegt. > der eine 8V-CE-Strecke schaltet. Also kalte Füße bekommen und mehr Spannung besorgt, gut so. Wenn Du das geschickt verdrahtet hast, läuft der Step-Up-Wandler nur, wenn auch der Lüfter benötigt wird. > Lüfter+Step-Up ziehen zusammen knapp 50 mA. > Das Sollte der Raspi am 5V-Pin verkraften. Der reicht hoffentlich nur die 5V vom USB-Netzteil durch. > Der GPIO-Steuerpin braucht bei 3V...glaube ich...ca 15 mA...wenn ich mich an > die Messung richtig erinnere. Diese Aussage macht keinen Sinn. Wieso braucht der µC Strom am GPIO? Was gibt das da zu messen? Wie ich das verstehe, steuert der GPIO den Transistor an, muß also Strom liefern . Wieviel er darf, kann man nicht messen, das steht im Datenblatt.
crash test dummy schrieb: > Lern lesen, das wäre Schritt eins. Oder kannst Du lesen, > verstehst aber nichts von der Materie (also noch weniger > als gedacht meine ich), und/oder bist lernresistent? Kannst Du bitte Deinen Quark für Dich behalten. Du zitierst nur andere. Trägst hier sonst nix bei. Außer von Dir sinnloses Gedöns. Geh Pilze suchen.
Manfred schrieb: > Der reicht hoffentlich nur die 5V vom USB-Netzteil durch. Jo, ein "paar" Ampere sollten da rauchfrei drüber gehen.
Hans B. schrieb: > OK, das ist das Wichtigste. Aber erstaunlich bleibt es, wenn man 15mA > Basisstrom braucht um 50mA zu schalten. Waren das nicht nur mal 35mA? Und wozu soll das Lüfterchen überhaupt sein? Welche Wärmemenge soll da abgeführt werden? Das wurde überhaupt noch nicht erklärt.
Manfred schrieb: > crash test dummy schrieb: >> Auch die Metallkontakte von Relais haben nun einmal nicht >> völlig vernachlässigbare Übergangswiderstände. > > Du hast gelesen, wieviel Strom gefordert ist? Die Kontaktwiderstände > sind da unbedeutend. Das hatte ich auch gar nicht behauptet. Es ging mir um die (von @PC-Freak später sogar noch wiederholte) Behauptung, "an Relais(-kontakten) falle gar_keine Spannung ab". PC-Freak schrieb: > Kannst Du bitte Deinen Quark für Dich behalten. Gern, so lange Du keinen sachlichen Unsinn mehr verzapfst.
michael_ schrieb: > Waren das nicht nur mal 35mA? > Und wozu soll das Lüfterchen überhaupt sein? Interessante Frage, aber sie kommt zu spät. Wir sind bereits in der Phase, wo man sich gegenseitig anblafft. Jetzt interessieren keine Fragen mehr, die nicht dazu dienen.
Irgendwo da oben steht, das Er seinen PI4 damit kühlen will. Ja, Er weiß dass das nicht nötig ist aber Er will halt. Also Auge mal Pi -> In 3W gehts Ihm aufm Sack und Er baut das wieder ab... OK, so gings mir. ;D
crash test dummy schrieb: > Das hatte ich auch gar nicht behauptet. Es ging mir um die > (von @PC-Freak später sogar noch wiederholte) Behauptung, > "an Relais(-kontakten) falle gar_keine Spannung ab". Du bringst nur sinnloses Gequacke. Bitte was fällt an ei en mechanischen Kontakt bei ein paar mA für ne Spannung ab, Im gesatz zu einem Halbleiter, wo man schon drum kämpft, wie er angesteuert wird, und das die Spannung nicht, und ob Ich lach mich tod 😂😂😂 Man nehme einen BC 547 oä, einen NPN, und ein beliebtes Würfelrelrelais.
Stefan ⛄ F. schrieb: > michael_ schrieb: >> Waren das nicht nur mal 35mA? >> Und wozu soll das Lüfterchen überhaupt sein? > > Interessante Frage Natürlich. Dies wären bisher unbekannte Details der genauen Anwendung oft oder gar immer. Oft wird aufgrunddesen nicht mal (sofort) eine/die richtige Lösung gefunden - sozusagen "um den heißen Brei" geredet. Und wer weiß, ob der Lüfter ausreicht - oder andererseits überdimensioniert (oder gar völlig unnötig) ist. Das liegt ohne Kenntnisnahme unsererseits ganz beim TO. > aber sie kommt zu spät. > Wir sind bereits in der Phase, wo man sich gegenseitig anblafft. > Jetzt interessieren keine Fragen mehr, die nicht dazu dienen. Leider bin ich nicht unschuldig, das weiß ich. Allerdings: crash test dummy schrieb: > PC-Freak schrieb: >> Kannst Du bitte Deinen Quark für Dich behalten. > > Gern, so lange Du keinen sachlichen Unsinn mehr verzapfst. Da hätte ich vielleicht konkret dazusagen sollen: "Wohingegen die persönlichen Angriffe (sofern eben ohne jeden Sachgehalt) >> ohne zutreffende Begründung unter Gürtellinie gezielt << ganz ungehört verhallen[, und unkommentiert bleiben] werden." Ein Versuch mit etwas mehr Zurückhaltung, aber imho gehört so etwas nun einmal richtiggestellt: Pc-Freak schrieb: > Bitte was fällt an ei en mechanischen Kontakt bei ein paar mA für ne > Spannung ab, Halte andere nicht für blöd, pack Dich selbst an der Nase. > im Gegensatz zu einem Halbleiter, wo man schon drum kämpft, > wie er angesteuert wird Wie bitte? Hatte MaWin etwa ganz präzise recht? Mosfets (sogar recht große, also auch welche, die niederohmiger als gewisse Relaiskontakte sind) steuert ein I/O Pin mit links (von PWM redete hier ja keiner). Eben weil mit der Aufladung der Gatekapazität alles vorbei ist, ganz im Gegensatz zu BJTs (siehe Gesamtdiskussion). > und das die Spannung nicht, und ob Bitte vollständige Sätze bzw. zumindest Satzteile. > Ich lach mich tod 😂😂😂 Jaja, Gefadder toT, der kommt oft unversehens. > Man nehme einen BC 547 oä, einen NPN, ...und füge (einzig wegen ein paar % zu niedriger hfe bzw. um auch den Anlaufstrom mitabdecken zu können) ein Relais bei? Ich verstehe einfach nicht, was Du gegen einen passenderen ("besseren") BJT oder erst recht gegen (LL-)Mosfets hast. Bevor ich ein Relais dazu benutze, probiere ich erst mal aus, ob (falls "besserer" BJT evtl. nicht vorh.) mein Lüfter evtl. mit einem R_E mit ca. 4,7Ohm bis 18Ohm (Kollektorschaltung, was eine Stromsenke mit I = U_BE / R_E erzeugte) anläuft. Ein Relais geht - es ist nur einfach unnötig. Du kannst das gerne anders sehen, aber wieso Du so dermaßen dafür kämpfen zu wollen scheinst, daß ein Relais hier nicht nur möglich, sondern (wie oben gesagt) "Lösungsempfehlung Numero Uno" sein soll, ist einfach nicht nachvollziehbar. Verdacht: Du weißt es selbst nicht (mehr). Hinweis: Vielleicht hast Du Dich einfach nur unzutreffend ausgedrückt. Hättest Du in Deinem ersten Beitrag geschrieben: Pc-Freak schrieb: > Am Relaykontakt fällt bei diesem geringen Strom so gut wie > keine Spannung ab. ...hätte es keinerlei diesbezügliche Korrektur erfordert, und es wäre einfach bei Hinz' Hinweis "Relais unnötig/zu viel Aufwand" geblieben. Und kein unnötiges "Geblaffe" dieser Art wäre entstanden. Es wäre schön, wenn man sich darauf einigen könnte (und kein weiteres unsinniges "Gestreite" fortführte).
crash test dummy schrieb: > Das liegt ohne Kenntnisnahme unsererseits ganz beim TO. Sach mal, kannst du auch einfache, verständliche Sätze verzapfen?? "Kenntnisnahme unsererseits"...was rauchst du??? Rainer
Bitte melde dich an um einen Beitrag zu schreiben. Anmeldung ist kostenlos und dauert nur eine Minute.
Bestehender Account
Schon ein Account bei Google/GoogleMail? Keine Anmeldung erforderlich!
Mit Google-Account einloggen
Mit Google-Account einloggen
Noch kein Account? Hier anmelden.




