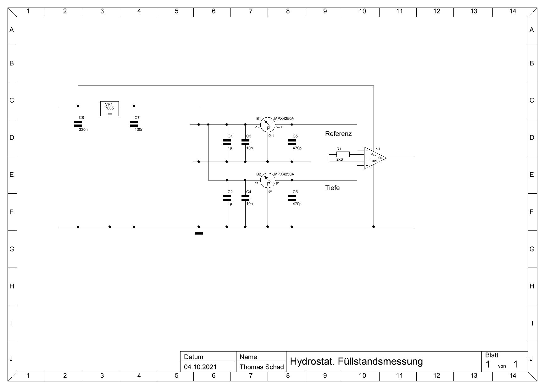
Hallo zusammen, ich sitze gerade vor einem kleinen Problem. Ich habe angehängte Schaltung "entwickelt". Hier soll die Differnze zweier Drucksensoren verstärkt werden (um auf einen 0..10V SPS-Eingang gelegt zu werden). Den Verstärkungsfaktor habe ich mit etwa G=20 angepeilt. Nun ist es jedoch leider so, dass der INA121PA, egal mit welchem Widerstand ich ihn zwischen Pin 1 und Pin 8 beschalte, immer eine sehr hohe Verstärkung hat, die bei etwa 800 liegt. In Zahlen: bei einer Änderung der Differenz um ca. 20mV (zwischen Pin 2(-) und 3(+)) ändert sich die Ausgangsspannung von 1,13V auf den "Endwert" von ca. 17,3V. Die Eingangsspannungen an den + und - Eingängen liegen bei ca. 1,6V. Vcc= 18V, Gnd= 0V bzw. ich habe auch schon -18V versucht (wobei das GND der MPX dann auf 0V liegt). Im Schaltplan nicht zu sehen: Pin 5 (Ref) liegt auf 0V. Hat jemand eine Idee, was ich falsch mache? Viele Grüße, Thomas
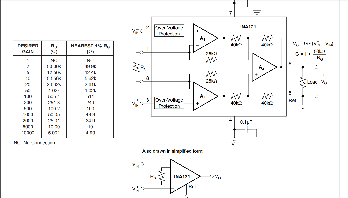
T. S. schrieb: > Hat jemand eine Idee, was ich falsch mache? Schau dir ein Example im Datenblatt an. dort steht wie man die Verstärkung hin kriegt.
Mit dieser Liste habe ich schon gearbeitet und habe zwischen offenen Pins 1 und 8 und Kurzschluss der beiden einiges ausprobiert. Es hat sich jedoch leider am Ausgang nichts geändert...
T. S. schrieb: > Mit dieser Liste habe ich schon gearbeitet und habe zwischen > offenen > Pins 1 und 8 und Kurzschluss der beiden einiges ausprobiert. Es hat sich > jedoch leider am Ausgang nichts geändert... Weil in deinem Schema der R-Load fehlt vielleicht? Vorgegeben im Example ;-) Rückkopplung offen (Pin(5) Ref)?
ich tippe mal darauf, dass du den erlaubten Gleichtaktbereich verletzt. Dann kann alles mögliche am Ausgang rauskommen. Aber das lässt sich mit deinen bisherigen Angaben nicht wirklich überprüfen, weil du unterschiedliche Schaltungsaufbauten beschreibst, aber keinen davon vollständig. Gib mal für eine bestimmte Konstellation die Spannungen an allen Pins an (also auch die Gleichtaktspannung am Eingang, nicht nur die Differenzspannung...)
ok, ich sehe, dass man aus deinen Angaben doch eine vollständige Konstellation ablesen kann. Ich hab sie mal in das Tool von TI eingegeben, mit dem sich Gleichtaktbereich überprüfen lassen. Also: mit VCC=18V, VSS=0V, Aref=0, Gain=20 müsste die Gleichtaktspannung am Eingang oberhalb von 2,11V liegen, damit der Verstärker linear arbeitet. Bei dir sind es 1,6V, du treibst interne Verstärkerstufen in die Sättigung, das Ergebnis am Ausgang ist einigermaßen zufällig. (bei einer funktionierenden Lösung müsste die grüne Kurve der Ausgangsspannung innerhalb des umgrenzten Bereichs liegen...) Mit einer symmetrischen Versorgung und Eingängen sowie Aref nahe bei 0V solltest du einfacher klar kommen - der INA121 ist für single supply nicht so prickelnd.
Achim S. schrieb: > Ich hab sie mal in das Tool von TI eingegeben Hat das Tool auch einen Namen oder gibt es dazu gar einen Link?
W.A. schrieb: > Hat das Tool auch einen Namen oder gibt es dazu gar einen Link? Das Tool ist ein LabVIEW-Programm, als Namen kenne ich (wie in der Grafik oben zu sehen) "Instrumentation Amplifier Output Voltage vs. Common Mode Voltage" oder eine Kurzform davon. Einen aktuellen Link habe ich leider nicht. Wenn ich jetzt bei TI danach suche lande ich bei folgendem Artikel: https://www.ti.com/lit/an/slyt647/slyt647.pdf?ts=1633334419116&ref_url=https%253A%252F%252Fwww.google.com%252F Dort wird das Tool zwar beschrieben, aber der angebene Download-Link führt inzwischen zu "Error 404 not found". Vielleicht bietet TI heute ein aktualisiertes Tool an einer anderen Stelle an. Die von mir benutzte Version nutzt als LabVIEW-VI auch nur etwas, wenn man eine LabVIEW Installation auf dem Rechner hat. Von Analog-Devices gibt es Vergleichbares als Online Tool unter der Bezeichnung "diamond Plot" (https://tools.analog.com/en/diamond/#difL=-0.1&difR=0.1&difSl=-0.1&gain=100&l=-8&pr=AD8422&r=8&sl=-8&tab=1&ty=1&vn=-15&vp=15&vr=0), dort werden aber natürlich nur die AD-Chips unterstützt, nicht der INA121. Im Anhang mal die Signale des TO, wenn eine symmetrische Versorgung von VCC=5V und VSS=-5V gewählt würde. Dann ergibt sich eine Begrenzung, die der im Datenblatt auf S. 4 rechts unten ähnlich ist. Damit könnte das Signal des TO problemlos vestärkt werden.
Im Datenblatt, welches der TO dankender weise sogar selber angeheftet hat (Dafür ein Lob) steht eigentlich ja alles. Doch eine Antwort auf: was ist mit Pin 5 ? fehlt dann nützt die ganze Simulation nix. REF ist ein Referenz Pin und wenn das Floatend ist, dann steht in der Appnote was passiert. Achim S. schrieb: > Einen aktuellen Link habe ich leider nicht. Wenn ich jetzt bei TI danach > suche lande ich bei folgendem Artikel: Das Tool heißt inzwischen anders weil mehr Funktionen. Eine Auswahl der TI Tools findet man unter: https://training.ti.com/ti-precision-labs-overview das führt dann zu den jeweiligen Links. Und ja der INA121 ist eigentlich schon für Dualsupply optimaler, aber die Schaltung müsste eigentlich bei Korrektem aufbau gehen. Aber das steht ja alles im Datasheet.
Achim S. schrieb: > ich tippe mal darauf, dass du den erlaubten Gleichtaktbereich verletzt. Ich tippe, du hast Recht. Denn die Eingangsspannung muss mindestens 2,5V positiver sein als die negative Versorgung. Und die "negative Versorgung" ist hier 0V. Damit muss an jedem der beiden Eingänge zu jeder Zeit über 2,5V anliegen.
Ach ja, Fals keine -5V verfügbar, verwende eine Spannungsinverter IC um die -5V zu machen dann passt alles viel besser. Lothar M. schrieb: > Und die "negative Versorgung" ist hier 0V. Damit muss an jedem der > beiden Eingänge zu jeder Zeit über 2,5V anliegen. Auch richtig, aber der TO hat dazu noch keine Angaben gemacht. Also der Übliche Salami Rätselraten Thread, mit Unbeantworteten Fragen usw.
Patrick L. schrieb: > Ach ja, Fals keine -5V verfügbar, verwende eine Spannungsinverter IC um > die -5V zu machen dann passt alles viel besser. Man könnte diese Aufgabe also lösen, indem man den "GND-Pegel" für die MPX4250 mit einer (gemeinsamen) Z-Diode etwas "anhebt". Dann muss aber evtl. auch die Versorgung für die MPX höher als 5V sein.
Patrick L. schrieb: > REF ist ein Referenz Pin und wenn das Floatend ist, dann steht in der > Appnote was passiert ist es nicht: im Text des TO findet man: T. S. schrieb: > Im Schaltplan nicht zu sehen: Pin 5 (Ref) > liegt auf 0V. Patrick L. schrieb: > Eine Auswahl der TI Tools findet man unter: > https://training.ti.com/ti-precision-labs-overview dort hab ich auf die Schnelle jetzt kein Tool für die Erstellung der "Diamond Plots" gesehen. Vielleicht wenn ich es mal in Ruhe durchschaue... Patrick L. schrieb: > Aber das steht ja alles im Datasheet. Na ja: grade die Diamond-Plots in allen Ecken richtig zu bestimmen, ist allein mit dem Datenblatt oft nicht trivial. Weil man nur Plots mit ähnlichen Bedingungen findet, aber nicht mit identischen. Und weil man dazu wissen müsste, wie weit sich interne Knoten der Schaltung an die Rails annähern dürfen, was oft nicht aus dem Datenblatt hervorgeht (die behandeln meist nur die Bereich der extern verfügbaren Signale). Deshalb sind die Softwaretools der Hersteller schon ganz praktisch. Im Vorliegenden Fall hätte man es allerdings tatsächlich aus dem Datenblatt ablesen können. Wie Lothar schrieb, reicht schon der Abstand der Eingänge zur negativen Rail nicht. Zitat aus dem Datenblatt S. 9: "The linear input voltage range of the input circuitry of the INA121 is from approximately 1.2V below the positive supply voltage to 2.1V above the negative supply." Patrick L. schrieb: > Auch richtig, aber der TO hat dazu noch keine Angaben gemacht. Dachte ich zuerst auch. Dann habe ich im Eröffnungsthread nochmal genauer gelesen: T. S. schrieb: > Die Eingangsspannungen an den + und - Eingängen liegen bei ca. > 1,6V.
Guten Morgen zusammen, vielen Dank für eure zahlreichen Antworten. Ich habe tatsächlich an den beiden Eingängen nur ca. 1,6V und Vss= 0V. Ich hatte beim Testen zwar auch mal mit einer negativen Vss von -18V gespielt, aber konnte kein anderes Verhalten feststellen. Pin5 fehlt in meinem Schaltplan, habe ich aber wie im Eingangspost (ich gestehe zwischen den Zeilen) geschrieben, auf GND (also 0V) gelegt. Jetzt weiß ich aber, dass es an der Versorgungsspannung liegen muss und werde heute Abend zu Hause da nochmals genauer auf die Fehlersuche gehen und den Schaltplan überarbeiten. Die Idee mit dem Anheben der Versorgungsspannung der MPX ist gut. Ich habe zwar am "Labortisch" die Möglichkeit mit mehreren Spannungen zu arbeiten, an der fertigen Schaltung stehen nachher aber nur 12 bzw. 24V zur Verfügung und das Analogsignal von 0..10V ist auf den gleichen GND bezogen wie die Versorgungsspannung. Btw: Habt ihr einen Tipp, welcher (Instrumenten-)Verstärker besser für mein Anliegen geeignet wäre? Viele Grüße, Thomas
T. S. schrieb: > Habt ihr einen Tipp, welcher (Instrumenten-)Verstärker besser für mein > Anliegen geeignet wäre? Nimm einfach einen LM358, der kann bis runter ans negative Rail und er kann mit 24V versorgt werden. Und dann brauchst du nur einen Subtrahierer: Operationsverstärker-Grundschaltungen > Ich habe zwar am "Labortisch" die Möglichkeit mit mehreren Spannungen zu > arbeiten Du musst dir aber bewusst sein, dass ein übliches Labornetzteil nur im 1. Quadranten arbeitet. Es kann also keinen Strom "aufnehmen" und du musst deshalb diese Offsetspannung mit einem passenden Widerstand belasten.
T. S. schrieb: > Habt ihr einen Tipp, welcher (Instrumenten-)Verstärker besser für mein > Anliegen geeignet wäre? z.B. der INA122 wird als single supply instrumentation amplifier vermarktet, der würde dir zumindest bezüglich common mode Bereich keine Probleme machen.
Achim S. schrieb: > Dachte ich zuerst auch. Dann habe ich im Eröffnungsthread nochmal > genauer gelesen: Tatsache, ich entschuldige mich und behaubte das gegenteil. Ja da ich mich auf das Schema konsentrierte (Was man als Elektroniker ja eigentlich tut) ist das im Text einfach runtergefallen. T. S. schrieb: > Btw: > Habt ihr einen Tipp, welcher (Instrumenten-)Verstärker besser für mein > Anliegen geeignet wäre? Ideal ein R2R OpAmp. oder wenn dein µC einen Programmierbaren Gain am AD Eingang hat, den verwenden. Als Beispiel den AD8495 der kommt gut mit 5V Single-Supply klar. oder ja: Achim S. schrieb: > z.B. der INA122 wird als single supply instrumentation amplifier geht auch.
Lothar M. schrieb: >> Ich habe zwar am "Labortisch" die Möglichkeit mit mehreren Spannungen zu >> arbeiten > Du musst dir aber bewusst sein, dass ein übliches Labornetzteil nur im > 1. Quadranten arbeitet. Es kann also keinen Strom "aufnehmen" und du > musst deshalb diese Offsetspannung mit einem passenden Widerstand > belasten. Dass das Labornetzteil nur im 1. Quadranten arbeitet ist klar. Aber warum sollte es einen Strom aufnehmen müssen? Im Endeffekt handelt es sich ja um die Reihenschaltung von zwei Spannungsquellen wobei ich den "mittleren Abgriff" als GND verwende. Oder stehe ich damit jetzt irgendwie auf dem Schlauch? Lothar M. schrieb: > Nimm einfach einen LM358, der kann bis runter ans negative Rail und er > kann mit 24V versorgt werden. > Und dann brauchst du nur einen Subtrahierer: > Operationsverstärker-Grundschaltungen Hatte ich ursprünglich überlegt, bin dann aber bei meiner "Recherche" drauf gestoßen, dass sich das mit einem Instrumentenverstärker-IC schneller, präziser und mit weniger Schaltungsaufwand realisieren lassen sollte. Achim S. schrieb: > z.B. der INA122 wird als single supply instrumentation amplifier > vermarktet, der würde dir zumindest bezüglich common mode Bereich keine > Probleme machen. Okay, der wäre gar nicht weit weg gewesen. Ich schau mir nachher mal das Datenblatt genauer an. Patrick L. schrieb: > Ideal ein R2R OpAmp. oder wenn dein µC einen Programmierbaren Gain am AD > Eingang hat, den verwenden. > Als Beispiel den AD8495 der kommt gut mit 5V Single-Supply klar. Hab keinen µC dran, sondern eine SPS. Was ist ein R2R?
T. S. schrieb: > Was ist ein R2R? Sorry Rail to Rail OpAmp kurz R2R genannt, bedeutet. Das die Spannungen von V- ~ V+ gehen können. +/- ein paar mV weniger als die Versorgungsspannung. Sorry war mal wieder zu selbstverständlich drum habe ich es jetzt nachgeholt.
Patrick L. schrieb: > +/- ein paar mV weniger als die Versorgungsspannung. ... und die paar mV hängen meist vom fließenden Strom ab.
Beitrag #6862813 wurde von einem Moderator gelöscht.
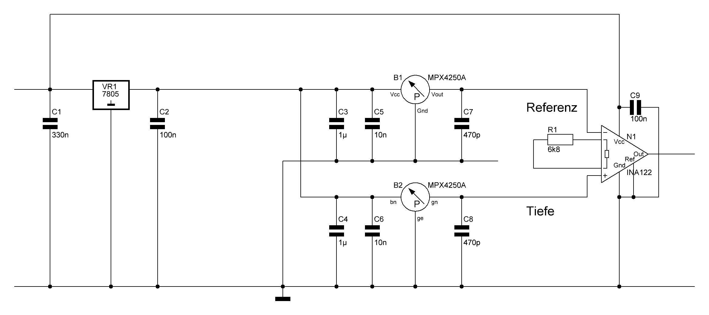
Hallo zusammen, ich wollte mich nochmal melden und den Thread nicht einfach ergebnislos enden lassen. Ich hab mit dem INA121 nochmal etwas rumprobiert, bin aber nicht wirklich zu einem brauchbaren Ergebnis gekommen. Hab mir dann einen INA122 besorgt und damit hats dann direkt geklappt. Vielen Dank nochmal für eure Unterstützung!
Lothar M. schrieb: > Nimm einfach einen LM358, der kann bis runter ans negative Rail und er > kann mit 24V versorgt werden. > Und dann brauchst du nur einen Subtrahierer: Das dürfte deutlich mehr Offsetfehler als mit dem Instrumentenverstärker geben. Der Subtrahierer hat auch einen relativ niedrigen Eingangswiderstand. Ob das ein Problem ist müsste man sehen. Auch der Common Mode Fehler sollte (war jetzt zu faul zum nachsehen/rechnen) beim Instrumentenverstärker besser sein als bei einem Subtrahierer. Insofern ist der Tipp nur eingeschränkt richtig.
T. S. schrieb: > Hab mir dann einen > INA122 besorgt und damit hats dann direkt geklappt. prima Udo S. schrieb: > Auch der Common Mode Fehler sollte (war jetzt zu faul zum > nachsehen/rechnen) beim Instrumentenverstärker besser sein als bei einem > Subtrahierer. Die Gleichtaktunterdrückung hängt beim Subtrahierer primär davon ab, wie gut die Widerstandswerte zueinander passen(zumindest bei niedrigen Frequenzen). Wenn man einfach Widerstände aus dem Sortiment nimmt und einlötet, dürfte der Instrumentenverstärker da in den allermeisten Fällen tatsächlich besser sein als der Subtrahierverstärker. Eine andere Frage ist, ob man sich innerhalb des erlaubten Gleichtaktbereichs befindet. Der zuerst verwendete INA121 verstärkt in der Eingangsstufe die Einzelspannungen relativ zur Gleichtaktspannung. Wenn diese verstärkte Spannung an der Versorgung anschlägt, hat man keine lineare Verstärkung mehr. Der Subtrahierverstärker hätte dieses Problem nicht, weil der OPV-Eingang die Spannungen am Verstärkereingang nur heruntergeteilt sieht (und keine Verstärkung relativ zur Gleichtaktspannung durchführt). Deshalb wäre ein LM358 als Subtrahierer noch mit der Spannungskombination klargekommen, die den IN121 überfordert. Der INA122 hat eine andere interne Verstärkerstruktur als der "klassisch" aufgebaute INA121 und funktioniert deswegen mit den vorliegenden Spannungen ebenfalls.
Bitte melde dich an um einen Beitrag zu schreiben. Anmeldung ist kostenlos und dauert nur eine Minute.
Bestehender Account
Schon ein Account bei Google/GoogleMail? Keine Anmeldung erforderlich!
Mit Google-Account einloggen
Mit Google-Account einloggen
Noch kein Account? Hier anmelden.






