Letzte Hoffnung µC-Net :-) Eine Nähmaschine privileg superstar 3000 electronic "machte puff und rauchte", so wurde mir die Maschine beim Repaircafe vorgestellt. Auf der Elektronikplatine werkeln zwei vergossene Hybridbausteine wie sie früher mal modern waren, der untere hängt quasi direkt am Netz. Dieser war angeplatzt und offerierte nach etwas Prokeln ganz offenbar die Ursache von Schall und Rauch. Der Riegel ist mit dem Mitsubishi-Symbol bedruckt (die drei Rauten wie man sie auch von der Automarke kennt) und der Bezeichnung MA7184B bedruckt. Der offenbar für die Logik zuständige längere Riegel heißt MA7183B, die Platine trägt die Bezeichnung MA7182B. Obwohl ich es als quasi aussichtlos betrachte: Kann jemand was damit anfangen und hätte eine Idee, wo man für einen akzeptablen Taler noch sowas bekommt? Die Maschine sieht ansonsten noch top gepflegt aus, auch innen. Vergleichbare Nähmaschinen kauft man aktuell gebraucht zwischen 60 und 100 Euro. Ansonsten hatte ich Spaß beim Betrachten der doch betagten Elektronik: Allein die drei schwarzen Quader in der Mitte (diskrete Optokoppler) und die Ventilationslöcher um die Leistungswiderstände sowie die Diodenperlen haben doch etwas nostalgisches an sich, oder?
Volker A. schrieb: > Obwohl ich es als quasi aussichtlos betrachte: Kann jemand was damit > anfangen und hätte eine Idee, wo man für einen akzeptablen Taler noch > sowas bekommt? Das ist vermutlich einigermaßen hoffnungslos. Was aber ziemlich sicher geht: Der Ersatz dieses Hybridteils durch eine adäquate Schaltung auf einem Sub-PCB.
Mit an Sicherheit grenzender Wahrscheinlichkeit ist in dem Hybridriegel nur die Drehzahlsteuerung für den Motor drin. Also ein Triac bzw. wohl eher Thyristor angesichts der extra-Dioden drum herum. Den könnte man natürlich auch diskret auf die Platine zimmern. Platz genug ist ja. Allerdings geht der nicht aus Jux und Dollerei kaputt. Zuerst würde man mal den Motor überprüfen, ob der überhaupt dreht.
c-hater schrieb: > ... vermutlich einigermaßen hoffnungslos. Was aber ziemlich sicher > geht: Der Ersatz dieses Hybridteils durch eine adäquate Schaltung auf > einem Sub-PCB. Wenn man denn die Schaltung des Hybridteils kennen würde. Das braune Zeugs ist sehr stabil und beim Versuch, das herunterzubekommen, mache ich vermutlich alle kaputt und unansehnlich. Der Aufwand übersteigt auch mit viel gutem Willen den Restwert der Maschine erheblich. Axel S. schrieb: > Mit an Sicherheit grenzender Wahrscheinlichkeit ist in dem Hybridriegel > nur die Drehzahlsteuerung für den Motor drin. Also ein Triac bzw. wohl > eher Thyristor angesichts der extra-Dioden drum herum. Den könnte man > natürlich auch diskret auf die Platine zimmern. Platz genug ist ja. Naja, so sehr reichlich Platz ist nicht. Tippe auch eher auf Thyristor, zumindest wird der Motor mit DC angesteuert. Regelung könnte mit drin sein, sind auf jeden Fall eine ziemliche Menge Pins, denke trotzdem nicht, dass dort die Bauteile nur munter aufgereiht und ausschließlich über die Platine verdrahtet wurden. Der Motor wird an zwei seiner drei Anschlüssen (der 3fach Steckkontakt) bestromt, der dritte liefert irgendwas was über die 33k||33k||33k=11k und eine LED eines Optokopplers geht. > Allerdings geht der nicht aus Jux und Dollerei kaputt. Zuerst würde man > mal den Motor überprüfen, ob der überhaupt dreht. Das habe ich mich auch gefragt. Drehen lässt sich der Motor schon mechanisch, auch nicht auffallend schwer. Irgendeine Form von Überlasterkennung hätte ich schon erwartet. Es gibt auch noch auffällig dicke Drähte (vielleicht nur eine Abschirmung?) aus Richtung Motor an den kleinen 2er-Anschluss. In der Mechanik hängt auch noch ein kleiner Hall-IC, mit dem die Maschine offenbar das Erreichen des oberen Totpunktes der Nadel überwacht (es gibt eine Funktion, dass sie dort automatisch stoppt). Leider kann man die Kabel kaum in der Konstruktion verfolgen, allein die Platine ließ sich erstaunlich einfach entnehmen. Nochmal bei der Besitzerin nachgefragt: Der Motor hätte sich kurz vor dem Knall gedreht, aber auffällig zu langsam. Wicklungsschluss? Wie auch immer: Ich rechne ja auch nicht damit, dass es dieses Bauteil auch in nur bauähnlichen Maschinen gibt. Normalerweise gibt es ja jedes einigermaßen exotische Teil irgendwo im Internet, aber vielleicht gibt es ja auch irgendwo einen Krauter, der seinen Katalog nicht online hat, der aber als Geheimtipp in der Szene gilt? Schon der Hersteller der Elektronik könnte helfen, wenn man denn wüsste, wer.
Volker A. schrieb: > Axel S. schrieb: >> Mit an Sicherheit grenzender Wahrscheinlichkeit ist in dem Hybridriegel >> nur die Drehzahlsteuerung für den Motor drin. Also ein Triac bzw. wohl >> eher Thyristor angesichts der extra-Dioden drum herum. Den könnte man >> natürlich auch diskret auf die Platine zimmern. Platz genug ist ja. > Der Motor wird an zwei seiner drei Anschlüssen (der 3fach Steckkontakt) > bestromt, der dritte liefert irgendwas was über die 33k||33k||33k=11k > und eine LED eines Optokopplers geht. Das klingt nach einem Drehzahlsensor. >> Allerdings geht der nicht aus Jux und Dollerei kaputt. Zuerst würde man >> mal den Motor überprüfen, ob der überhaupt dreht. > Das habe ich mich auch gefragt. Drehen lässt sich der Motor schon > mechanisch, auch nicht auffallend schwer. Irgendeine Form von > Überlasterkennung hätte ich schon erwartet. Wohl nicht, sonst hätte es nicht geknallt. > Es gibt auch noch auffällig > dicke Drähte (vielleicht nur eine Abschirmung?) aus Richtung Motor an > den kleinen 2er-Anschluss. Eher die separat herausgeführte Erregerwicklung. > In der Mechanik hängt auch noch ein kleiner > Hall-IC, mit dem die Maschine offenbar das Erreichen des oberen > Totpunktes der Nadel überwacht (es gibt eine Funktion, dass sie dort > automatisch stoppt). Scheint ja eine tolle Maschine zu sein. Leider halt nicht so richtig reparaturfreundlich aufgebaut. > Nochmal bei der Besitzerin nachgefragt: Der Motor hätte sich kurz vor > dem Knall gedreht, aber auffällig zu langsam. Wicklungsschluss? Kann sein. Auf jeden Fall hat es keinen Sinn, die Elektronik zu reparieren, wenn der Motor nen Treffer weg hat. Totalschaden.
Volker A. schrieb: > Der Aufwand übersteigt auch > mit viel gutem Willen den Restwert der Maschine erheblich. Das ist klar. Wenn man den eigenen Zeitaufwand mitrechnet, ist das in jedem Fall ein wirtschaftlicher Totalschaden, selbst wenn der Motor noch i.O. ist.
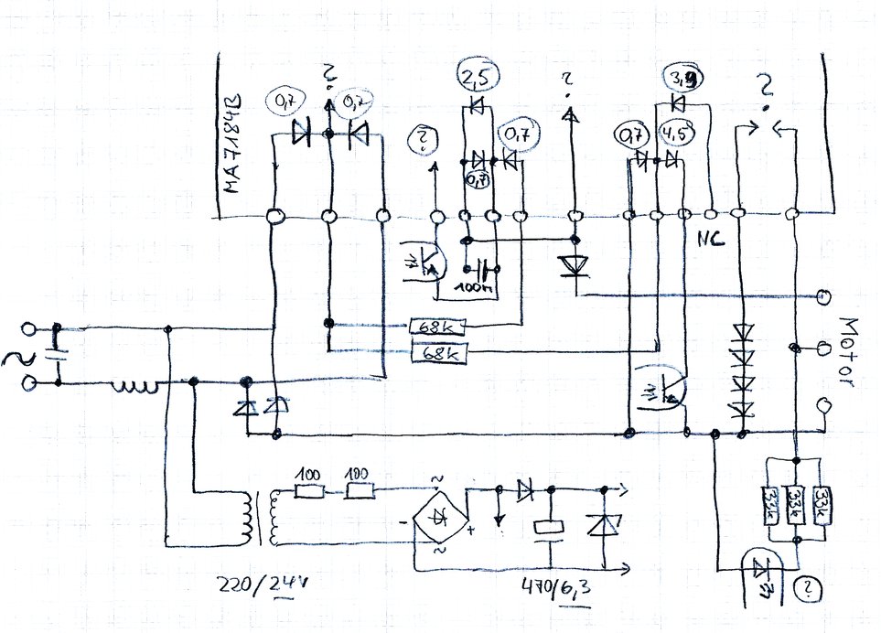
Danke nochmals an alle für gute Gedanken und Hinweise. Ich muss die gute Frau doch missverstanden haben: Sie habe die Maschine als quasi unbenutzt für einen schmalen Taler aus einer Erbschaft erstanden (sie war der Meinung, dass es eine viel neuere Maschine gewesen sein muss). Hatte bereits einige Tage damit experimentiert und die Maschine sei einwandfrei gelaufen, auch weil sie sich nach Anleitung bereits um die nötigen Schmierpunkte gekümmert hatte. Mitten im regulären Betrieb machte es Knall. Spricht eher weniger für einen defekten Motor. Ich habe nochmal ein näheres Bild hochgeladen: Es gibt noch einen zweiten Defekt. Ich werde nicht schlau daraus, was sich hinter diesen vergleichsweise dicken Buckeln verbirgt, Tantal-Elkos? mit den üblichen Folgen? Das zweite Bild ist der Versuch einer Schaltungsrekonstruktion. Die Bauteile im oberen Teil (dem Modul) sind die, wie sie mein Chinamann-Arduino-Bauteiletester ermittelt haben will, mit Angabe der Diodenflussspannungen, ich habe da erst mal bewusst nichts hineininterpretiert. Für mich fehlen offenbar Verbindungen. Plan und Foto sind gleich orientiert. Nur zum Dazulernen: Was könnte sich im Modul tatsächlich befinden? Links ist klar: zwei Dioden zusammen mit zwei "Perlen" ist ein Vollweggleichrichter, die dritte Perle liegt in Reihe zur Motor. Die halb eingekreisten Bauteile sind die entsprechenden Hälften der Optokoppler. Falls noch jemand erhellendes beizusteuern hätte, bitte her damit! Sonst R.I.P. - auch die Dame hat ihren Frieden mit der Situation bereits gemacht.
n/a schrieb: > Suche mal nach M57184N Hab ich: das ist ein nicht pinkompatibler und für die Aufgabe in keinster Weise passender DC-DC-Wandler.
Ich habe mal den Laderegler eines alten, italienischen Motorrads „gerettet“. Das Teil war auf FR-4 aufgebaut und dick in einer Aluwanne vergossen. Mit Ameisensäure konnte die Platine frei geätzt werden. Von den Bauteilen war dann natürlich der Lack ab, aber Schaltung konnte ich rekonstruieren und Widerstände und Kondensatoren nachmessen. Ultima ratio - will also sehr gut überlegt sein.
So. Amidosulfonsäure habe ich reichlich wegen diverser zu hegender Kaffeevollautomaten älterer Bauart im Haus. Da an dem Modul sowieso nichts mehr zu so retten ist, wäre eine rabiate Analyse und ein kompletter Neuaufbau vielleicht doch im Rahmen des Möglichen. Mal gucken was die Chemiekiste noch so an Alternativen bietet. Lesen bildet außerdem: Auf dem deutschen Handbuch steht hinten drauf "Printed in Japan" und die Angabe "11/84"...
Den Aufwand für eine alte Privileg Maschine? Habe eine Singer heavy duty für 189 Euro gekauft. Die hat richtig Wums. Klar kann man alles reparieren, aber wenn man sich schon die Bauteile selbst bauen muss, finde ich das bei dem Wert dieser Maschine völlig übertrieben. Wenn es eine richtig teure Maschine, wie Pfaff oder Bernina wäre, dann könnte ich die Versuche noch verstehen. Aber so billig Dinger gibt es für 69 Euro neu.
Bitte melde dich an um einen Beitrag zu schreiben. Anmeldung ist kostenlos und dauert nur eine Minute.
Bestehender Account
Schon ein Account bei Google/GoogleMail? Keine Anmeldung erforderlich!
Mit Google-Account einloggen
Mit Google-Account einloggen
Noch kein Account? Hier anmelden.



