Hallo Forum, ich habe ein Verständnisproblem zu den Drosseln, und hoffe hier eine Hilfestellung zu finden. Zur PWM Glättung, womit ich ein Peltier hinter einer H-Brücke betreiben möchte, würde ich gerne eine Speicherdrossel einsetzen. Diese sollte nach Möglichkeit sehr hoch sein, weil ich mir hier den Kondensator sparen möchte. Nun zur Frage, wie unterscheide ich eine Speicher- von einer Entstördrossel? Ich habe in Erinnerung, das der Speicher eigentlich der Abstand zwischen der Spule und dem Kern ist, und dadurch sich der Wirkungsgrad auch direkt beeinflusst wird. Aber woran erkenne ich den Unterschied? Die Datenblätter sind da spärlich in Ihren Aussagen. https://www.conrad.de/de/p/drossel-ringkern-radial-bedrahtet-rastermass-3-mm-10300-h-6-a-1-st-534447.html Hier auf dem Foto erkenne ich einen Luftspalt. Ist das eine Speicherdrossel? https://www.conrad.de/de/p/drossel-ringkern-radial-bedrahtet-rastermass-10-mm-1000-h-16-a-1-st-534455.html Hier ist kein Luftspalt, demnach dürfte dies eine Entstördrossel sein. Wäre für Ratschläge bei der Auswahl der Drosselform sehr dankbar. VG, Sarah
Sarah schrieb: > Diese sollte nach Möglichkeit sehr hoch sein, weil ich mir hier den > Kondensator sparen möchte. Du musst doch nur die Taktfrequenz noch höher machen, damit der Strom nicht so sehr schwankt. Und dieser Frequenzerhöhung steht die überaus niedrige spezifizierte Frequenz mit 1kHz oder 10kHz entgegen. Fazit: vergiss die Dinger. Nicht umsonst steht dort beide Male:
1 | Beschreibung |
2 | Entstördrossel für Thyristor- und Triac-Schaltungen (Lichtdimmer, Drehzahlsteller usw.). |
Lothar M. schrieb: > Fazit: vergiss die Dinger. Nicht umsonst steht dort beide > Male:Beschreibung > Entstördrossel für Thyristor- und Triac-Schaltungen (Lichtdimmer, > Drehzahlsteller usw.). Und selbst dafür taugen sie nicht! Bei der einen ist sogar das Foto falsch, bei der anderen dafür das Datenblatt. Conrad eben.
Sarah schrieb: > Zur PWM Glättung, womit ich ein Peltier hinter einer H-Brücke betreiben > möchte, würde ich gerne eine Speicherdrossel einsetzen. Diese sollte > nach Möglichkeit sehr hoch sein, weil ich mir hier den Kondensator > sparen möchte. Das ist Unsinn. Der Kondensator ist wesentlich preiswerter als eine größere Drossel, die denselben Effekt hat. > Nun zur Frage, wie unterscheide ich eine Speicher- von einer > Entstördrossel? Daran, wie sie genannt wird. Und wenn es tiefer gehen soll: am Kernmaterial. Indirekt: am Preis. > Ich habe in Erinnerung, das der Speicher eigentlich der Abstand > zwischen der Spule und dem Kern ist, und dadurch sich der Wirkungsgrad > auch direkt beeinflusst wird. Das ist Unsinn. Du meinst wohl den Luftspalt im Kern.
Sarah schrieb: > Nun zur Frage, wie unterscheide ich eine Speicher- von einer > Entstördrossel? Anhand der Datenblätter ... > Ich habe in Erinnerung, das der Speicher eigentlich der Abstand zwischen > der Spule und dem Kern ist, und dadurch sich der Wirkungsgrad auch > direkt beeinflusst wird. Nöö. > Aber woran erkenne ich den Unterschied? Die Datenblätter sind da > spärlich in Ihren Aussagen. > https://www.conrad.de/de/p/drossel-ringkern-radial-bedrahtet-rastermass-3-mm-10300-h-6-a-1-st-534447.html > Hier auf dem Foto erkenne ich einen Luftspalt. Ist das eine > Speicherdrossel? Ich sehe keinen, der magnetisch betrachtet eine Relevanz darstellen würde. Das sind nur zwei Ferrit-Ringe in einer Spule. Und nein, es ist keine Speicherdrossel - lese doch einfach mal die Beschreibung dazu (-> Entstördrossel) > https://www.conrad.de/de/p/drossel-ringkern-radial-bedrahtet-rastermass-10-mm-1000-h-16-a-1-st-534455.html > Hier ist kein Luftspalt, demnach dürfte dies eine Entstördrossel sein. Ist eine Entstördrosssel. Aber nicht wegen einem Luftspalt, sondern weil die Beschreibung das so sagt. > Wäre für Ratschläge bei der Auswahl der Drosselform sehr dankbar. > > VG, Sarah
Was willst du genau machen? Willst du Stepp-down Regeln? Zumindest entnehme ich das aus deinem Text. Ja das ist mal das eine: Lothar M. schrieb: > Du musst doch nur die Taktfrequenz noch höher machen, Das zweite ist wen du nicht ein ganz übler Störsender haben willst, musst du mindestens einen KerKo am Ausgang haben, sonnst wird dein "Peltier" zur Antenne. In der Regel brauchen die ja so bis 10A Strom, dazu hast du aber keine Angaben gemacht. Auch wichtig, das die Drossel mit dem Strom umgehen kann, sonst funktioniert das nicht richtig. Ein Schema mit Wertangaben wäre da sehr Hilfreich. Ich baue fast Täglich Leistung's DC/DC Wandler und kann dir da schon Tipps geben, da ich damit reichlich Erfahrung hab. Auch wichtig für den Wirkungsgrad ist die Diode, welche den in der Drossel gespeicherten Strom, zum Ausgang gegen Masse abfließen lässt, sonst ist der Wirkungsgrad schnell im Eimer und die Drossel geht in die Sättigung. Das heißt sie wird Warm und verheizt dir den Strom. 73 55
Patrick L. schrieb: > Was willst du genau machen? Sarah schrieb: > Zur PWM Glättung, womit ich ein Peltier hinter einer H-Brücke betreiben > möchte, würde ich gerne eine Speicherdrossel einsetzen.
Lötlackl *. schrieb: > Sarah schrieb: >> Zur PWM Glättung, womit ich ein Peltier hinter einer H-Brücke betreiben >> möchte, würde ich gerne eine Speicherdrossel einsetzen. Step Up / Stepp down? Spannung,Strom?(In und Out) Sonst kann ich ja einfach schreiben "Coilcraft xxµH" oder "Würth xxµH" Typ "xyz" man braucht doch Leistungsangaben um eine Drossel auszuwählen.
Sarah schrieb: > Nun zur Frage, wie unterscheide ich eine Speicher- von einer > Entstördrossel? Anhand der deutlich kleineren Induktivität bei gleicher Baugröße und Belastbarkeit. Um Speicherdrosseln wird ein riesiges Bohei gemacht, dabei ist die Auswahl meist ganz einfach. Nimm einfach eine der vielen Speicherdrosseln mit gelb- weißem Eisenpulverkern, und gut ist. Und ja, eine höhere Induktivität (oder höhere Taktfrequenz) taugt sehr gut zur Glättung des Ausgangs. Sogar besser als Elkos, denn mit denen hat man immer einen riesigen Energiespeicher am Ausgang, den man nur sehr selten will. Man wird hier wieder die Hälfte abstreiten müssen und es vor allem umständlicher wissen, aber deine Hauptaufgabe ist ohnehin, Macher von Spinnern zu unterscheiden. Konzentriere dich darauf, dann bist du in 3 Minuten am Ziel. Das Wesentliche ist gesagt, also viel Erfolg!
Sarah schrieb: > Zur PWM Glättung, womit ich ein Peltier hinter einer H-Brücke betreiben > möchte, würde ich gerne eine Speicherdrossel einsetzen. Diese sollte > nach Möglichkeit sehr hoch sein, Eine sehr löbliche Haltung und auch richtig so. Denn eine größere Induktivität verringert den Spitzenstrom und die Stromwelligkeit am Ausgang des Schaltreglers, was ein Kondensator nicht tun würde. > weil ich mir hier den Kondensator sparen möchte. Den Kondensator würde ich nicht vollkommen weglassen, sondern einen schnellen, kleinen Kondensator (Keramik oder Folie) einbauen, der die über die Wicklungskapazität der Drossel durchgekoppelten Schaltflanken unterdrückt. Eine konkrete Speicherdrossel kann man aber erst vorschlagen, wenn die schon angemahnten Werte geliefert werden.
Mann kann eine Drossel als Frequenzabhänigen Widerstand betreiben, dann ist der Wirkungsgrad aber schlecht, weil eben Widerstand. Oder eben als Stromspeicherdrossel, dann ist der Wirkungsgrad eben einiges besser, weil: Stromspeicherdrossel = Sie Speichert den Strom und gibt in dann wieder an den Verbraucher ab, was dann nicht in form von Wärme verloren geht. Frequenzabhängiger Widerstand als Spule/Drossel= Sie macht ein Widerstand und verheizt so den Strom, was dann eben Wärme ist, und somit verloren geht. Ergo: Richtige Beschaltung wenn es auf den Wirkungsgrad ankommt, wie du schreibst. Also müssen Werte wie Frequenz, Leistung, Kapazitäten usw. aufeinander abgestimmt werden, sonst hat man Verluste und ein schlechten Wirkungsgrad. Also nix mit 0815 Drossel und dann klappt das schon.
Vielen Dank für die rege Teilnahme an meinem Thread. Vom Prinzip her werde ich im step down Verfahren. Dies realisiere ich mit einer H-Brücke, die ich mit PWM ansteuere. Ich kann hierbei bis 20khz. Ich würde 5 Peltier's haben die alle zusammen in Ihrer Volllast bzw. der Bestromung mit dem höchsten Wirkungsgrad zusammen ca. 15A benötigen würden. Am Ende möchte ich mit den Peltieren etwas abkühlen. Für die Abwärme ist bereits mehr als genug gesorgt. Bei der Kühlung möchte ich eine bestimmte niedrige Temperatur (ca. 10°C) halten.
wenn alle Strike reißen, dann werde ich wohl eine 2Punkt Regelung vornehmen müssen.
Sarah schrieb: > Ich würde 5 Peltier's haben die alle zusammen in Ihrer Volllast bzw. der > Bestromung mit dem höchsten Wirkungsgrad zusammen ca. 15A benötigen > würden. Bei vermutlich 42V...
Sarah schrieb: > Ich würde 5 Peltier's haben die alle zusammen in Ihrer Volllast bzw. der > Bestromung mit dem höchsten Wirkungsgrad zusammen ca. 15A benötigen > würden. Hast du sie Serial oder Parallel geschalten? 15A ist doch schon mal eine Angabe und 20kHz auch. Damit engst du die selektierbaren Stromspeicher-drosseln schon mal ein. 15A ist nicht ohne, da kannst du definitiv nicht auf ein "C" verzichten, sonst hast du ein richtig guter Störsender. bei der Leistung werden sich auch Harmonische bilden. Das heißt du ziehst die Drossel sowohl auf aktiv High, so wie auch auf aktiv Low da du "H-Brücke" schreibst ? Oder willst du die Polung damit umdrehen um sowohl Heizen wie auch Kühlen?
Patrick L. schrieb: > Hast du sie Serial oder Parallel geschalten? Parallel Patrick L. schrieb: > Das heisst du ziehst die Drossel sowohl auf aktiv High, > so wie auch auf aktiv Low da du "H-Brücke" schreibst ? Ja, auf beiden Seiten, weil ich auch heizen müsste
Sarah schrieb: > Nun zur Frage, wie unterscheide ich eine Speicher- von einer > Entstördrossel? Am Namen und an der Induktivität. Speicherdrosseln haben typisch nur einige µH. Drosseln sollte man ruhig überdimensionieren, d.h. für 10A nimmt man besser eine Drossel für 20A. Ansonsten braucht man eine gute Kühlung und hat hohe ohmsche Verluste.
Sarah schrieb: > Nun zur Frage, wie unterscheide ich eine Speicher- von einer > Entstördrossel? Man unterscheidet nur stromkompensierte Entstördrosseln (2 Wicklungen) und normale Drosseln. Wenn auf der Drossel 5A drauf steht, ist sie für 5A gut und speichert das auch. Bleibt nur die Frage bis zu welcher Frequenz, ab wann also Ummagnetisierungsverluste zu hoch werden. TRIAC Entstördrosseln (gelb) sind halt eher für 100Hz und verpusten bei 100kHz zu viel Energie. Und Ferritringkerne (grau) wird es kaum bis 5A geben. Du brauchst was dazwischen. Da du ja fast Gleichstrom willst, ist es egal ob du einen Ringkern (geschlossenes Magnetfeld) oder Stabkern (offenes Magnetfeld) nimmst.
OK das siht dan schon etwas Komplexer aus. Denn du musst ja die Drossel somit jedesmal aktiv High->Low ziehen um die darin gespeicherte Energie zu nutzen. Bei 20 kHz und 15A ist die Drossel auch nicht gerade klein. aber definitiv besser als Elko weil du den ja nicht Umpolen darfst. ;-)
Sarah schrieb: > wenn alle Strike reißen, dann werde ich wohl eine 2Punkt Regelung > vornehmen müssen. Ich möchte hier wieder einmal einwerfen. dass die Pelztiere keine PWM mögen! Und warum nicht sofort erst mal mit 2-P-Regler versuchen?? Bevor du deine PWM mit erheblichem Aufwand in eine akzeptable Gleichspannung gezwungen hast, hast du deinen Regler schon lange optimiert. Viel Erfolg und Gruß, Rainer
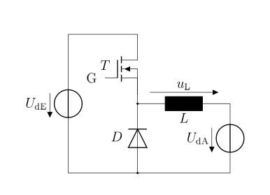
Rainer V. schrieb: > Und warum nicht sofort erst mal mit 2-P-Regler versuchen?? Weil das bei Umpolung (Heizen&Kühlen) nicht einfach ist. Ist das in etwa die Schaltung wie (Siehe Bild)?
Patrick L. schrieb: > Weil das bei Umpolung (Heizen&Kühlen) nicht einfach ist. Und was bitteschön ist da bei Umpolung nicht einfach?? Entweder schalte ich T1/T4 durch oder T3/T2. Gruß Rainer
Wenn ich das richtig im Kopf habe, altern Peltierelemente durch Wärmeänderungen (mechanische Spannungen). Dann wäre eine kontinuierliche Verstellung über PWM (so geglättet) sicher schonender als ständig mit Zweipunktregelung ein- und auszuschalten?
Rainer V. schrieb: > Und was bitteschön ist da bei Umpolung nicht einfach?? Entweder schalte > ich T1/T4 durch oder T3/T2. > Gruß Rainer Die Umpolung ist ja auch nicht das Problem aber Mehrstufen und Umpolen schon. Da ist PWM sicher einfacher wenn ja schon eine PWM Regelung da wäre.
Nimm die Weis-Gelb Ringkerne, Material 36, die sind dafür gedacht. Zum Beispiel siehe hier: http://www.amidon.de/contents/de/d585_06.html Der Wirkungsgrad wird im wesentlichen vom ohmschen Widerstand der Wicklung bestimmt. Das bedeutet moglichst dicken Draht und große Bauform des Ringkerns. Die Wicklung mußt du dann selber aufbringen, ist aber kein großes Problem und hast die Freiheit durch Anzahl der Windungen die Induktivität selbst zu bestimmen. Die Induktivität steigt quadratisch mit Anzahl der Windungen. >weil ich mir hier den Kondensator >sparen möchte. Du kannst den Kondensator nicht sparen, der gehört dazu damit es funktioniert.
Patrick L. schrieb: > Die Umpolung ist ja auch nicht das Problem aber Mehrstufen und Umpolen > schon Versteh ich nicht! Klaus W. schrieb: > Dann wäre eine kontinuierliche Verstellung über PWM (so geglättet) > sicher schonender als ständig mit Zweipunktregelung ein- und > auszuschalten? Du mußt dir klar machen, dass jede Heiz/Kühlgeschichte eine elend lange Zeitkonstante hat, sodass die vermeindliche kontinuierliche Regelung per PWM eine Illusion ist! Daher ist das Glätten dieser PWM ein unsinniger Aufwand. Und der Clou ist eben, wenn nicht genug geglättet, dann ist es halt so als würdest du das Element unanständig oft schalten....was bei einem 2-P-Regler schon Boshaftigkeit wäre, ihn so blöd einzustellen, dass er auch pausenlos schaltet. (Kriegt man natürlich hin :-) Die TO ist aber natürlich frei in ihrer Entscheidung. Gruß Rainer
Rainer V. schrieb: > Du mußt dir klar machen, dass jede Heiz/Kühlgeschichte eine elend lange > Zeitkonstante hat, sodass die vermeindliche kontinuierliche Regelung per > PWM eine Illusion ist! Du hast offensichtlich keine Ahnung von Pelztieren!
H. H. schrieb: > Du hast offensichtlich keine Ahnung von Pelztieren! Ja, aber vielleicht sollte ich das sich aufdrängende Nachfragen der Sinnhaftigkeit einer Unternehmung wirklich lassen. Also wickelt sich die TO eine fette Drossel (für 15A !!) und spart auch nicht am Kondensator und fertig is... Gruß Rainer
Uwe S. schrieb: > Sogar besser als Elkos, denn mit denen hat man > immer einen riesigen Energiespeicher am Ausgang, > den man nur sehr selten will. Nach deiner Logik speichern Speicher -drosseln keine Energie. Fällt dir was auf?
Lieben Dank für die Tipps und Hinweise. Ich denke das ich wohl zur einer 2Punkt Regelung gehen werde, denn das mit der Spule scheine ich, bei dem Strom den ich brauche, unterschätzt zu haben. Aber mit einem Peltier eine 2Punkt Temp Regelung zu realisieren ist nicht ganz ohne. Denn sobald ich den Strom abnehme schlägt die Wärme von der warmen auf die kalte Seite über. Das heiß die Hysterese wird wohl sehr schmal sein, was wiederum den Peltier zum flackern(also immer an und ausschalten) lassen würde.
Hmm, mal ein paar Fakten zu Peltiers: - Der Stromripple bei Peltiers sollte unter 10% betragen (der Wirkungsgrad ist quadratisch abhängig vom Stromripple). - 2-Punkt-Regelung macht einen ganz schlechten Wirkungsgrad. Jedesmal wenn abgeschaltet wird heizt die heiße Seite die kalte Seite wieder auf. - vor dem Umpolen sollte solange gewartet werden bis die Temperaturen auf beiden Seiten sich angeglichen haben. Ansonsten arbeitet das Peltier als Stromquelle (in Reihe zur H-Brücke) und es besteht die Gefahr daß entweder das Peltier oder die Endstufe überlastet werden. Ansonsten zur Eingangsfrage: Entstördrosseln für Thyristorsteuerungen sind häufig Sättigungsdrosseln die ausschließlich bei geringem Strom ihre Induktivität haben (Entstörung im Nulldurchgang). Bei Nennstrom haben sie fast keine Induktivität mehr. Der Vorteil ist eine geringe Baugröße. Bei Eisenpulverkerndrosseln z.B. https://www.conrad.de/de/p/drossel-ringkern-radial-bedrahtet-rastermass-11-mm-2200-h-2-3-a-1-st-534358.html#productDownloads ist (durch den "verteilten" Luftspalt) bei Nennstrom noch eine halbwegs vernünftige Induktivität vorhanden. Aber bei 15A / 10mH wirst Du mehrere kg an Drosseln brauchen. Ich trenne schon seit längerer Zeit die Kühlfunktion und die Heizfunktion. Also z.B. kühlen im (Peltier-schonenden) Dauerbetrieb mit Peltier und Heizen mit entsprechenden Spiegelheizfolien. Alternativ könnte man auch das Umpolen mit Relais machen. (Man braucht ja sowieso mehrere Minuten zum Abkühlen). Gruß Anja
Sarah schrieb: > Aber mit einem Peltier eine 2Punkt Temp Regelung zu realisieren ist > nicht ganz ohne. Denn sobald ich den Strom abnehme schlägt die Wärme von > der warmen auf die kalte Seite über. Und das machen die Lötstellen im Pelztier nicht lange mit. R.I.P.
H. H. schrieb: > Und das machen die Lötstellen im Pelztier nicht lange mit. > > R.I.P. Wie Recht du hast, ich hatte einige solche "Pelztiere" beerdigen müssen. Das waren so PEARL-Kühl/Wärmeboxen, so rote Dinger. Da die Peltier-Elemente da ziemlich gestresst wurden, haben die nach gewisser zeit alle das Zeitliche gesegnet. Auch einige (Um einiges teurere) Brutschränke, das selbe Problem. Der Thermostat, schaltete einfach Ein/Aus, Resultat nach 1J waren die meisten Brutschränke a.A. :-( Ich regle heute alle mit diesen Peltier-Elementen betriebenen Geräte, mit einem Sauberen PWM und Cap-Filter einige laufen schon über 10 Jahre.(Ja die Pearl-zeit das ist sicher schon 14J oder mehr her)
Patrick L. schrieb: > Ich regle heute alle mit diesen Peltier-Elementen betriebenen Geräte, > mit einem Sauberen PWM und Cap-Filter einige laufen schon über 10 > Jahre.(Ja die Pearl-zeit das ist sicher schon 14J oder mehr her) Wenn Du von einem Cap-Filter redest, meinst Du dann hohe Frequenz, niedrige Induktivität und hohe Kapazität?
Anja schrieb: > - vor dem Umpolen sollte solange gewartet werden bis die Temperaturen > auf beiden Seiten sich angeglichen haben. Ansonsten arbeitet das Peltier > als Stromquelle (in Reihe zur H-Brücke) und es besteht die Gefahr daß > entweder das Peltier oder die Endstufe überlastet werden. Anja, Danke für diesen Hinweis
Sarah schrieb: > Wenn Du von einem Cap-Filter redest, meinst Du dann hohe Frequenz, > niedrige Induktivität und hohe Kapazität? Je nach Leistung. Das was ich grad vor Kurzem gebaut hatte, hatte ein Peltier mit 8A 12V, da hatte ich 100kHz und eine Drossel mit 15µH und 15A verwendet (Hatte die grad Rumliegen) als Ausgangs "C" 47µF Keramik. Das DSO zeigt ein sauberes Signal bei PWM 30%-99% darunter sieht man etwas den PWM, ist dann aber durch den geringen Strom der noch fliest vernachlässigbar. Im übrigen hat das verwendete PTE Selber schon beachtliche 0.5µH, was sich je nach Aufbau des PTE selbst, sehr ändern kann.
Günter Lenz schrieb: > Du kannst den Kondensator nicht sparen, der gehört dazu > damit es funktioniert. Unsinn.
Also 15A, bis 20kHz, 50V, Ripple 10% als Eckdaten hilft schon mal etwas weiter. Die Induktivität sollte daher erst ab 30A in die Sättigung gehen. Unter der Annahme bei 5kHz wäre die untere PWM-Frequenz: L=U/(Ripple*I*f) L=50/(0,1*15*5000) = 6,7mH Anbei eine Drossel, die solche Werte hat, aber dafür nicht geeignet ist: https://www.digikey.de/product-detail/de/hammond-manufacturing/195J30/HM4817-ND/455513 Für diese hohen Frequenzen wäre die Eisenverluste (Hysterese und Wirbel) zu hoch. Du würdest einen solchen Übertrager benötigen: https://www.tauscher-transformatoren.de/html/hfbauteile6.html https://www.blinzinger-elektronik.de/grossvolumige-ferritkerne/ Liegt die Sattigungsdichte bei 1200A, dann für 30A Nmax=1200/30=40 L proportional zu N² Al-Wert: 10µH, 10µ*40²=16000µH=16mH Daraus folgt, ein Kern mit solchen Daten schafft das. Wickeln wirst Du das selbst müssen. Du musst berechnen, wie lange der benötigte Draht zum Wickeln sein müßte und dann wie dick, damit der Ohmsche Widerstand nicht stört.
Dieter schrieb: > Die Induktivität sollte daher erst ab 30A in die Sättigung gehen. Unter > der Annahme bei 5kHz wäre die untere PWM-Frequenz: Das habe ich nicht verstanden. Die PWM-Frequenz wäre doch konstant und ich würde mit der Pulsweite runter gehen. Dieter schrieb: > Also 15A, bis 20kHz, 50V, Ripple 10% als Eckdaten hilft schon mal etwas > weiter. Fast Richtig...12V. Ich schalte diese Parallel. Entweder jeden einzeln mit einer eigenen Spule, was wohl am meisten Sinn machen würde, oder direkt parallel an eine Spule, was wohl quatsch wäre.
Sarah schrieb: > Fast Richtig...12V. Ich schalte diese Parallel. Entweder jeden einzeln > mit einer eigenen Spule, was wohl am meisten Sinn machen würde, oder > direkt parallel an eine Spule, was wohl quatsch wäre. 100 Punkte! Und dafür findest du fertige Drosseln.
Anja schrieb: > Ich trenne schon seit längerer Zeit die Kühlfunktion und die > Heizfunktion. > Also z.B. kühlen im (Peltier-schonenden) Dauerbetrieb mit Peltier und > Heizen mit entsprechenden Spiegelheizfolien. > Alternativ könnte man auch das Umpolen mit Relais machen. (Man braucht > ja sowieso mehrere Minuten zum Abkühlen). Nachdem jetzt einigermassen geklärt ist, was für die Pelztiere gut ist, wäre es vielleicht angebracht, mal zu erfahren, was die TO denn nun mit ihren Elementen eigentlich anstellt. Und ich würde trotz schlechtem Wirkungsgrad bei der 2-P-Regelung bleiben, allerdings wie oben erwähnt, nicht Kühlen und Heizen mit ein und demselben Element. Gruß Rainer
Rainer V. schrieb: > Und ich würde trotz schlechtem > Wirkungsgrad bei der 2-P-Regelung bleiben, Pelztiermörder!
Sarah schrieb: > Ich kann hierbei bis 20khz. Sarah schrieb: > Die PWM-Frequenz wäre doch konstant Sarah schrieb: > Fast Richtig ... Das sollten auch nicht genau Deine Werte sein, damit für Dich noch etwas eigene Transferleistung übrig bleibt.
Guten Abend, würdet ihr ein Peltier so betreiben? 12V VNH2SP30 als H-Brücke 1mH 16A Drossel 2,2uF Folie 85% Duty bei 20khzPWM Ich nehme an diese 5v ripple für ca 5usec dürften für das Peltier kein Problem darstellen. Wie ist eure Meinung dazu? VG, Sarah
Sarah schrieb: > Ich nehme an diese 5v ripple für ca 5usec dürften für das Peltier kein > Problem darstellen. > Wie ist eure Meinung dazu? Die Spannungsmessung ist völlig unbedeutend. Sarah schrieb: > anbei auch der Stromverlauf mit 1A/144mV Also mehr als 60% Stromripple -> weniger als 16% vom Wirkungsgrad der beim äquivalenten mittleren Strom möglich wäre. Du hast doch nicht etwa die Sättigungsdrossel von oben verwendet? Ein korrekt gefilterter Stromverlauf sieht wie ein schöner Sägezahn aus. Gruß Anja
... und bei 1 mH einer echten Drossel und 12V Kreisspannung ändert sich der Strom maximal um 0.6 A in 50 us. Gruß Anja
Sarah schrieb: > Wie ist eure Meinung dazu? Irgendwo ist da der Wurm drin. Skiziere mal, wie Du das mit der Induktivität und dem Elko am Ausgang der Brücke mit dem Peltier verschaltet hast.
Da wäre schon mal ein Wurm zu finden. Normalerweise wäre es:
1 | OutA --- Motor --- OutB |
Äquivalent wäre hier der symmetrische Aufbau als:
1 | OutA---Spule--x--Pelztier--x--Spule---OutB |
2 | | | |
3 | +---Kondi----+ |
Patrick L. schrieb: > Rainer V. schrieb: >> Und warum nicht sofort erst mal mit 2-P-Regler versuchen?? > Weil das bei Umpolung (Heizen&Kühlen) nicht einfach ist. > Ist das in etwa die Schaltung wie (Siehe Bild)? Extra mit Bild.
Anja schrieb: > Du hast doch nicht etwa die Sättigungsdrossel von oben verwendet? > Ein korrekt gefilterter Stromverlauf sieht wie ein schöner Sägezahn aus. Ja, das ist weit weg von "schön" warum nimmst du nicht auf einem anderen Kanal deine PWM auf. Da könnte man schon einiges dran erkennen! Und bitte mal ein ordentliches Schaltbild. Das Gezappel kann jedenfalls nicht von deinem Pelztier kommen. Also, was hast du da noch drangebastelt? Gruß Rainer
Vielen Dank allen die mich heir Unterstützen. Den Kondensator habe ich wieder zwischen A und B nach der Spule gehängt. Anbei Screenshots vom Oszi PWM 20khz Nummer7 > Duty 75% Nummer8 > Duty 50% Nummer9 > Duty 25% Nummer10 > Duty 12,5% mit weiterhin 12V VNH2SP30 als H-Brücke 1mH 16A Drossel 2,2uF Folie Je niedrige ich mit der Pulsweite gehe, desto eher sieht es aus wie ein Sägezahn. VG, Sarah
Sarah schrieb: > Je niedrige ich mit der Pulsweite gehe, desto eher sieht es aus wie ein > Sägezahn. immer noch sehr weit weg von einem üblichen Verlauf. am welcher Stelle und womit misst du den Strom? ist es vielleicht der Versorgungsstrom in der Zuleitung zur Brücke, gemessen mit öffentlichen Offset?
Achim S. schrieb: > Sarah schrieb: >> Je niedrige ich mit der Pulsweite gehe, desto eher sieht es aus wie ein >> Sägezahn. > > immer noch sehr weit weg von einem üblichen Verlauf. am welcher Stelle > und womit misst du den Strom? ist es vielleicht der Versorgungsstrom in > der Zuleitung zur Brücke, gemessen mit öffentlichen Offset? Den Strom messe ich direkt hinter der Brücke und somit vor der Spule mit einem ACS712 1A/144mV offset 2V.
Interessant wäre der Strom zwischen "Pelztier" und dem Kondensator, also dass was wirklich durch das Element fließt. Ich denke das die Kurve besser aussieht.
Sarah schrieb: > Je niedrige ich mit der Pulsweite gehe, desto eher sieht es aus wie ein > Sägezahn. Aber auch nur weil die Endstufe viel zu langsam (für 20 kHz) reagiert. Die ist eher für 1 kHz ausgelegt wenn man genauer ins Datenblatt schaut. Solange Du keine vernünftige Drossel verwendest wird das nichts. Sarah schrieb: > offset 2V. Warum kommt die Info erst jetzt? (ich gehe immer davon aus daß eine vernünftige Stromzange am Verbraucher verwendet wird). Dann haben wir ja 100% Stromripple also 0% Wirkungsgrad Patrick L. schrieb: > Ich denke das die Kurve besser aussieht. Ist zwar prinzipiell richtig aber: Das bischen Kondensator macht dann wohl auch nichts mehr aus. Gruß Anja
Nummer11 > Duty 75% Nummer12 > Duty 50% Nummer13 > Duty 25% Nummer14 > Duty 12,5% Messung hinter Spule und Kondensator
Sarah schrieb: > Den Kondensator habe ich wieder zwischen A und B nach der Spule gehängt. Also ist dieser nun genau parallel zu dem Pelztier? Die Spule geht in die Sättigung. Anscheinend erkennt der Chip, dass da etwas nicht richtig funktioniert. Der Chip hat auch eine Detektion von Ground Loss und Vcc Loss. Der flache Verlauf deutet so etwas an. Zu der verwendeten Spule (Drossel) könntest Du bitte die Maße posten. Nach dem dritten Bild stimmt irgend etwas mit dem Timing nicht. Die Zeitverzögerungen zur Berücksichtigung von Totzeiten passen irgendwie nicht. Die Kommentare, voraussgesetzt es liegen nicht größere Messabweichungen vor, sollten dem nahe kommen.
Dieter schrieb: > Also ist dieser nun genau parallel zu dem Pelztier? Ja Anbei die Details zu der Drossel
Deine Drossel hat keinen Luftspalt, genauer gesagt, keinen magnetisch wirksamen Luftspalt. Wirksam wäre dieser nur, wenn der Ring unterbrochen wäre, dh wie beim Gugelhupfkuchen ein Stück herausgeschnitten wäre. Aus dem Würth-Katalog habe ich mal ein Diagramm zur Dämpfung herausgeschnitten betreffend Netzdrosseln. Es bringt Dir erst mal mehr Verluste aber für erste Experimente durchaus zu empfehlen zu verwenden, weil meistens weniger Probeme mit Transienten auftreten. Solche Drosseln haben die Nenninduktivität meist bei rund 0,1mA bis 0,1A und darüber fällt die Permeabilität stark ab.
Wenn der Elko hinter der Drossel noch glätten soll dann muss dieser natürlich größer werden. C = I/(delta_U*Frequenz) = 16/(2*20000) = 0,4mF Aber vorher sollte mit dem kleinen Elko der Stromverlauf halbwegs passen.
Dieter schrieb: > Wenn der Elko hinter der Drossel noch glätten soll dann muss > dieser > natürlich größer werden. > > C = I/(delta_U*Frequenz) = 16/(2*20000) = 0,4mF > > Aber vorher sollte mit dem kleinen Elko der Stromverlauf halbwegs > passen. Nur zu meinem Verständnis, warum muss das ein Elko sein?
Sarah schrieb: > Nur zu meinem Verständnis, warum muss das ein Elko sein? Bei Dir, wenn Du die Spannungsrichtung umdrehen willst, also Heizen statt Kühlen, geht das nicht mehr mit einem Elko. Es müßte dann ein bipolarer Elko oder Kondensator sein.
Dieter schrieb: > Sarah schrieb: >> Nur zu meinem Verständnis, warum muss das ein Elko sein? > > Bei Dir, wenn Du die Spannungsrichtung umdrehen willst, also Heizen > statt Kühlen, geht das nicht mehr mit einem Elko. Es müßte dann ein > bipolarer Elko oder Kondensator sein. Ja, deswegen war ich ein wenig verwirrt. Danke! Eine Frage noch, woher hast Du delta_U mit 2V ermittelt?
Sarah schrieb: > Eine Frage noch, woher hast Du delta_U mit 2V ermittelt? Geschätzg aus dem Ersatzschaltbild des Thermoelements. Die Thermische Gegenspannung bei der Kühlbox liegt zwischen 6 bis 8V, die Betriebsspannung bei 12...14V im Auto. Bei 2V über der thermischen Gegenspannung fließt bereits schon ein ordentlicher Bruchteil des Nennstroms.
Die Kurven Zeigen nun wie Erwartet etwas mehr "Glätte". Aber wie von Vorposter schon Bemerkt, reicht die Stromspeicher Kapazität der Drossel nicht aus. Ich gehe auch davon aus, dass sie in die Sättigung geht. Will heißen, sie glättet zwar ein wenig, aber sie Speichert nicht wirklich den Strom, bzw kann ihn nicht wirklich abgeben. Die Tacktung der 4 Ausgangs-Treiber macht wohl auch nicht ganz richtig mit. Ideal müsste die Etwa so aussehen:(Bezogen auf mein Bild)
1 | |
2 | Heizen:(Beispiel 50%) |
3 | A:_/¯¯¯¯\____/¯¯¯¯--- |
4 | B:______/¯¯¯¯\____--- |
5 | C:________________--- |
6 | D:_/¯¯¯¯¯¯¯¯¯¯¯¯¯¯--- |
7 | Kühlen(Beispiel 25%) |
8 | A:____/¯¯¯¯\____/¯--- |
9 | B:_/¯¯\______/¯¯\_--- |
10 | C:_/¯¯¯¯¯¯¯¯¯¯¯¯¯¯--- |
11 | D:________________--- |
Dan würde die Drossel auch Ihre gespeicherte Energye noch abgeben können, und der Wirkungsgrad würde Steigen. Allerdings hat den Bildern nach die Drossel tatsächlich kaum Speichereigenschaft.
von Sarah schrieb:
>Anbei die Details zu der Drossel
Welche Farbe haben die Ringkerne? Sie sollten am
besten Weiß-Gelb sein. Nicht das sie gar keine
Farbkenzeichnung haben und schwarzes Ferritmaterial
ist, die sind nicht als Drossel geeignet und sind
für Breitbandübertragung gedacht.
Ich bin mittlerweile mit der PWM auf 34kHz gegangen, hier mit einer Pulsweite von 75%. Des Weiterem habe ich diese Spule genommen (hat einen grünen Kern, der vorherige hatte einen grauen Kern) https://asset.conrad.com/media10/add/160267/c1/-/en/000534447DS01/datenblatt-534447-drossel-ringkern-radial-bedrahtet-rastermass-3-mm-10300-h-6-a-1-st.pdf Dann habe ich auch noch einen zweiten 2,2uF Kondensator parallel rangehängt. Ich denke ich komme dem ganzen näher, oder?
An welcher Stelle wurde der Strom gemessen? Zwischen Spule und Chipausgang? Am Pin des Pelztieres? Um Klarheit zu schaffen, koenntest Du bitte angeben, welcher Spannungswert & Stromwert unten und oben an der Kurve waeren. Mit einem Multimeter gemessen, welcher Strom fliesst durch das Pelztier und welche Spannung faellt dort ab?
Sarah schrieb: > Ich bin mittlerweile mit der PWM auf 34kHz gegangen, hier mit einer > Pulsweite von 75%. das ist hat am Limit für deine Brücke. die braucht eine Minimum Off time von 6 us, sonst geht die in einen Fehlerzustand. Sarah schrieb: > Ich denke ich komme dem ganzen näher, oder? ja, zum ersten Mal hat du jetzt einen kontinuierlichen Stromfluss mit halbwegs dreiecksförmigem Verlauf.
Gemessen habe ich zwischen den letzten C und dem Peltier. Insgesamt werden 3A vom Netzteil in die Schaltung geliefert. Wahrscheinlich werde ich mir dennoch eine richtige Speicherdrossel und einen Bipolar Elko besorgen. Denn so hart an der Grenze kann die H-Brücke ja nicht auf Dauer betreiben.
Was Verwendest du als Ansteuerung für die "H" Brücke? 555er Schaltung? EiSarah schrieb: > Nummer11 > Duty 75% > Nummer12 > Duty 50% > Nummer13 > Duty 25% > Nummer14 > Duty 12,5% > > Messung hinter Spule und Kondensatorn µP uder ein PWM Chip oder etwa eine Auch diese Messungen Zeigten ja auch schon ähnliche relativ bessere Werte. Ist nur eben die Frage ob dir der Wirkungsgrad reicht, weil noch immer die Drossel nicht vollständig als Speicher Funktioniert. Und nein Elko brauchst du nicht, nur Saubere Schaltzyklen und richtige Drossel.
Patrick L. schrieb: > Und nein Elko brauchst du nicht, nur Saubere Schaltzyklen und richtige > Drossel. Stichwort nichtlueckender Betrieb. Spaeter geht es ueber die EMV Stoerungen zu reduzieren. Da wird dann wieder Bedarf an Kondensatoren sein.
Als H-Brücke nehme ich den Motortreiber vnh2sp30. PWM generiere ich mit einem Controller, der auch noch andere Aufgaben realisiert.
Sarah schrieb: > Gemessen habe ich zwischen den letzten C und dem Peltier. Unmittelbar an der Drossel wuerde der Kurvenverlauf nicht mehr so gut aussehen. Die Krux ist, dass Du bei kleinen Stroemen fuer den nichtlueckenden Betrieb die hoehere Frequenz benoetigst. Da sollte der C beim glaetten helfen. Fuer grosse Stroeme glaettet die Drossel das meiste.
Sarah schrieb: > Als H-Brücke nehme ich den Motortreiber vnh2sp30. PWM generiere ich mit > einem Controller, der auch noch andere Aufgaben realisiert. Kannst du mit dem Kontroller die Nachfolgende Schaltzyklen realisieren und dann die Messungen Posten? Das wäre sehr Hilfreich
1 | Heizen:(Beispiel 50%) |
2 | A:_/¯¯¯¯\____/¯¯¯¯--- |
3 | B:______/¯¯¯¯\____--- |
4 | C:________________--- |
5 | D:_/¯¯¯¯¯¯¯¯¯¯¯¯¯¯--- |
6 | Kühlen(Beispiel 25%) |
7 | A:____/¯¯¯¯\____/¯--- |
8 | B:_/¯¯\______/¯¯\_--- |
9 | C:_/¯¯¯¯¯¯¯¯¯¯¯¯¯¯--- |
10 | D:________________--- |
An deinen Messungen lässt sich eine Phasenverschiebung von ca. 45° erkennen Für Optimales PWM Puffern müsste das ca 90° sein dann sollte die Leistung, ziemlich glatt verlaufen. Merke: Wie Glatter die Kurve im Stromverlauf, des do Höher der Wirkungsgrad. Je Höher der Wirkungsgrad des do Länger leben die "Pelztiere". Und des do Kleiner die EMV Belastung. Wo keine Energie verloren geht, kann auch nichts Abgestrahlt werden. ;-) Nachtrag : Habe mir das Datenblatt angeschaut, der Driver lässt die Exakte Wellenform nicht zu, aber müsste laut dem Datenblatt eigentlich von selbst in etwa eine solche Form machen. Er hat je extra einen PWM Eingang, also sollte das Passen. Sind "C"&"L" und Frequenz, richtig gewählt, müsste ein "nichtlückender Betrieb" erreicht werden.
Patrick L. schrieb: > Sind "C"&"L" und Frequenz, richtig gewählt, müsste ein "nichtlückender > Betrieb" erreicht werden. Ja, dafür würde ich jetzt einen nicht mehr allzu großen L nehmen und es mit dem C kompensieren 200uH und ca. 800uF http://www.falstad.com/circuit/circuitjs.html?cct=$+1+9.765625e-7+0.07470175003104325+50+5+43%0A159+160+176+96+176+0+0.01+10000000000%0AR+128+160+128+96+0+2+32000+2.5+2.5+0+0.5%0AR+96+272+64+272+0+0+40+6+0+0+0.5%0Ag+96+176+64+176+0%0Ar+304+272+304+176+0+2%0Aw+304+272+240+272+0%0Aw+304+176+240+176+0%0Aw+160+272+96+272+0%0Ac+240+272+240+176+0+0.00001+2.7746309065953936%0Ad+160+176+160+272+1+0.405904783%0Al+240+176+160+176+0+0.001+1.3735346194935592%0Aw+160+272+240+272+0%0Ao+4+4+0+4099+5+1.6+0+2+4+3%0A
Ein bipolarer Elko mit 800uF? Das wäre dann ein wenig "Mit Kanonen auf..." Nein eine Speicherdrossel mit etwa 470uH (Speicherdrossel nicht Entstördrossel) und 47uF würden wahrscheinlich etwa Hinhauen. Habe es jetzt nicht nachgerechnet, aber 800uF bei Wechselnder Polarität(Heizen/Kühlen)? ist doch schon ein rechter Broken.
H. H. schrieb: > Zwei antiserielle polare Elkos nehmen. Und hoffen das der eine nicht zu weit aus dem Rahmen fällt :-D Sonst kann es ev. Probleme geben.
Patrick L. schrieb: > H. H. schrieb: >> Zwei antiserielle polare Elkos nehmen. > > Und hoffen das der eine nicht zu weit aus dem Rahmen fällt :-D > Sonst kann es ev. Probleme geben. Zwei Dioden parallel lösen das Problem. Sollten hier aber keine lahmen 1N400x sein.
Bitte melde dich an um einen Beitrag zu schreiben. Anmeldung ist kostenlos und dauert nur eine Minute.
Bestehender Account
Schon ein Account bei Google/GoogleMail? Keine Anmeldung erforderlich!
Mit Google-Account einloggen
Mit Google-Account einloggen
Noch kein Account? Hier anmelden.


















