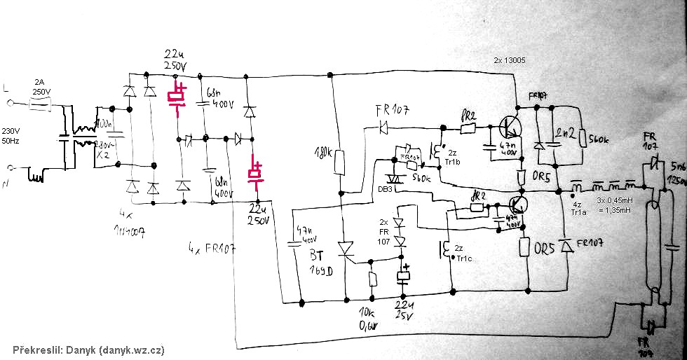
Hallo allerseits, ich möchte ein "electronic ballast", also ein elektronisches Vorschaltgerät für eine 36 Watt-Leuchtstoffröhre reparieren und habe hierzu einige Bauteile ausgelötet, nachdem erst der eine Elko den Deckel offen hatte und am Ausgang der "Heiz-Kondesator" 8200pf/1200V Kurzschluß hatte. Direkt am Transistor befindet sich eine blaue Diode ähnlich 1N4148 mit der Aufschrift D83 X914. Mir ist nicht klar, ob es eine Z-Diode, ein Diac oder eine normale Diode sein soll. Durchlassspannung in beiden Richtungen 600...1050 mV. Schaltbild ist in etwa wie im Anhang, auch mit dem Thyristor BT169D. Falls es ein Diac sein sollte, welchen von TME könnte ich denn bestellen? https://www.tme.eu/de/katalog/diacs_100182/?s_field=1000012&id_category=100182&visible_params=2%2C3312%2C35%2C10%2C2985%2C909%2C225&mapped_params=10%3A1436576%3B Oder ist das ein DB3 Diac? Das konnte man nicht besser lesen. Danke fürs Antworten. mit freundlichem Gruß
Triggerdiode https://www.reichelt.de/triggerdiode-32-v-do-35-db3-stm-p219631.html?&trstct=pos_0&nbc=1
Ahja, danke. Dann kann ich mir von den sechs Typen DB3 bei TME zwischen 3,5 und 10 cent einen auswürfeln. Es war schwer zu lesen, zudem noch ein Kratzer mitten durch die Schrift. mfG
Christian S. schrieb: > Ahja, danke. Dann kann ich mir von den sechs Typen DB3 bei TME > zwischen 3,5 und 10 cent einen auswürfeln. Wenn du irgendeinen Diac in der Schublade hast, kannst du den auch nehmen. Zuständig ist der ohnehin nur für das Anschwingen.
Die Schaltung schwingt nicht an, kein Licht, nichts. Daran wird es liegen. mfG
Wenn der Diac tatsächlich bei 700..1500mV durchbricht, dann ist er wohl defekt [1]. Allerdings stellt sich dann die Frage, wie es dazu kommen konnte und ob da nicht noch mehr über den Jordan gehopst ist. Bei den ~10 kaputten ESL die ich zerlegt habe, war es in den meisten Fällen eine defekte Heizwendel. Wenn die Elektronik hinüber war, dann war fast immer alles kaputt. Beide Transistoren durchlegiert. Und massive Schmauchspuren auf der Platine. [1] richtig (mindestens 1 Bein ausgelötet) gemessen?
Den Diac habe ich wie auch die 47V Z-Diode und die beiden 13003-Transistoren ausgelötet und separat mit dem Durchgangsprüfer des Multimeters gemessen. Die Transistoren zeigten normale Durchlasspannungen, die Z-Diode auch und beim Diac änderte sich das Ergebnis bei jeder Kontaktierung mit dem Multimeter. Einer der beiden 15µF/250V-Elkos hatte oben die Lüftungsschlitze offen und der 8,2 nF /1200V am Ausgang hat Kurzschluß. Die restlichen zahlreichen Dioden habe ich nicht ausgelötet, wo möglich konnte ich sinnvolle Durchlasspannungen messen. Nirgends Rauch oder Schmauch, aber der Elko-Saft hat sich etwas verteilt. Aber ich habe nicht die Transistoren an höhere Spannung dran und die Z-Diode auch nicht und beim Thyristor nur zum Gate 700mV gemessen, weiter keine Tests. mfG
Christian S. schrieb: > Einer der beiden > 15µF/250V-Elkos hatte oben die Lüftungsschlitze offen Paarweise wechseln.
Bitte melde dich an um einen Beitrag zu schreiben. Anmeldung ist kostenlos und dauert nur eine Minute.
Bestehender Account
Schon ein Account bei Google/GoogleMail? Keine Anmeldung erforderlich!
Mit Google-Account einloggen
Mit Google-Account einloggen
Noch kein Account? Hier anmelden.
