In diesem Forum gibt es bereits eine Menge hilfreicher Beiträge zur Reparatur oder Erweiterung der Belüftungsanlage Pluggit Avent P300 (oder ähnlich) für den versierten Bastler. Besten Dank für alle Beiträge dazu! Aber wo und wie fängt man an, wenn die Anlage ausgefallen ist? Aufbauend auf den bisherigen Beiträgen möchte ich hier meine Erfahrungen darstellen und würde mich sehr freuen, wenn sich andere angesprochen fühlen und dieses Thema mit eigenen Beiträgen ergänzen würden. Nach einen Ausfall der Belüftungsanlage Pluggit Avent P300 und erfolglosen Wiederanfahren (Filterreinigung, etc.) empfielt es sich, zunächst die Anlage in den Notbetrieb zu schalten (Besten Dank an Daniel F. für den Tipp dazu, siehe: Beitrag "Eigenentwicklung Ersatzplatine Drucksensorboard für Pluggit" und Beitrag "Pluggit P300: Lüfter-PWM-Signal immer Vollast"). Um die Ventilatoren im Notbetrieb anzuschließen, kann man zwei 220k-Widerstände jeweils zwischen 10V und PWM stecken (Stecker J4, jeweils zwischen rot [+10V] und gelb [PWM, 0-10V]). Der Stecker ist nur am Lüfter eingesteckt und bleibt von der Platine (J4) abgesteckt. Dann sollten beide Ventilatoren unabhängig von der Platine mit kleiner Drehzahl laufen. Ich habe weitere Widerstandswerte getestet: 220 kOhm, ca. 30 Watt Leistungsaufnahme der Anlage, geringe Drehzahl (weniger als Stufe 1 gemäß Pluggit-Fernbedienung); 180 kOhm, ca. 37 Watt, noch geringe Drehzahl (Stufe 1); 120 kOhm, ca. 60 Watt, mäßig hohe Drehzahl (etwa Stufe 2). Pinbelegung Stecker J4 (Ventilatorkontrolle): 1. Tacho 1 2. PWM-Steuerspannung 1 3. 10 V (von Ventilator 1) 4. 0 V 5. Tacho 2 6. PWM-Steuerspannung 2 7. 10 V (von Ventilator 2) 8. 0 V Mit der hier beschriebenen Maßnahme werden die Lüfter direkt angesteuert, ohne Auswertung der Drucksensoren und der Lüfterdrehzahl. Die Fernbedienung ist ohne Funktion. Laufen die Lüfter, können diese als Fehlerquelle ausgeschlossen werden!
In meiner Lüftungsanlage verwendet Pluggit für den Betrieb der Ventilatoren Pabst-Motoren (ebmpabst R3G225-AE19-12 230V~, siehe Foto) mit 230V~ sowie 10V-, 0-10V und PWM-Signal (?) zur Drehzahlregelung an der Steckerleiste J4. Die Farben der Leitungen am Stecker J4 sind: weiß: TACHO (PWM-Signal?) gelb: 0-10V (Gleichspannnung zur Drehzahlregelung?) rot: 10V (Betriebsspannung für die Regelungschaltung im Motor selbst) blau: Masse Diskussionen mit Anleitungen zur Reparatur dieser Motoren gibt es z.B. hier: Beitrag "Lüftung- Pluggit AP310 - Ventilatoren-Platine defekt - Hall-IC / Hall-Sensor" Beitrag "Ventilatoren Platine defekt - Hall-IC/Hall-Sensor S41 625 - Lüftung Pluggit AP310" Beitrag "Pluggit P300: Lüfter-PWM-Signal immer Vollast" Kann jemand nähere Angaben zur Drehzahlregelung machen?
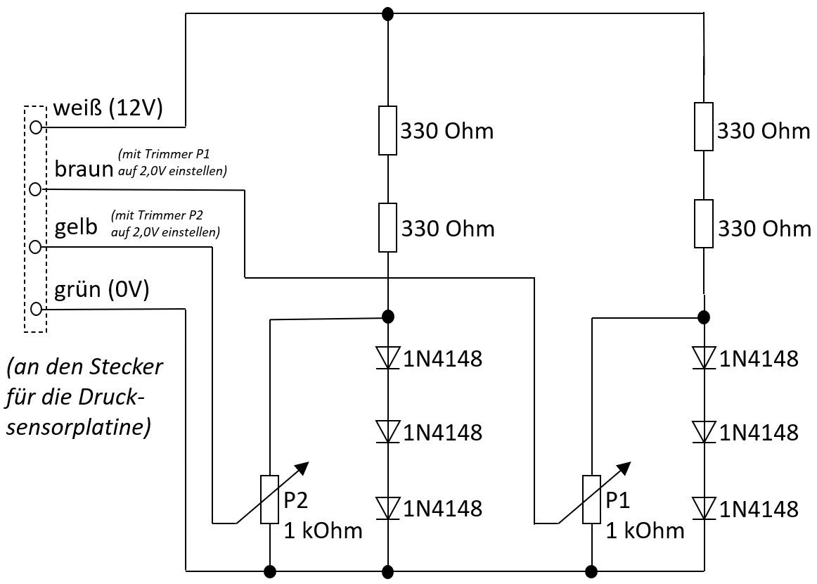
Falls die Belüftungsanlage trotz Filterreinigung und fehlerfreier Lüfter weiterhin Störungen meldet, sollte die Funktion der Drucksensorplatine bei der Fehlersuche in Betracht gezogen werden. Die Drucksensorplatine wird mit 12V betrieben. Über die beiden Differenzdrucksensoren werden Steuersignale an den Platinenanschlüssen S1 und S2 bereit gestellt. Im Ruhezustand sollten dies jeweils 2,0V sein. Mit einer ganz einfachen Schaltung können die 2,0V bereit gestellt werden. Diese Schaltung wird einfach auf den Stecker, der zur Drucksensorplatine führt, gesteckt (siehe: https://www.mikrocontroller.net/attachment/536360/Bild1_Testschaltung_20211115_152424.jpg). Bauteile-Liste für die Testschaltung (siehe Schaltbild): 1. Widerstände (4 x): 330 Ohm (es können auch 2x 680 Ohm sein, dann aber min. 1/4Watt!) 2. Widerstandstrimmer (2 x): 1 kOhm 3. Dioden (6 x): 1N4148 (Universaldiode) 4. Etwas Klingeldraht, Isolier-Schläuche Diese Schaltung stellt lediglich die erforderlichen 2,0V für die Hauptplatine in der Lüftungsanlage zur Verfügung, d.h. die Drucksensoren werden simuliert, wennauch für den statischen Fall (keine Druckänderungen). Leider hat dies bei meiner Anlage weiterhin zu Fehlermeldungen geführt. Hat jemand ähnliche Tests durchgeführt und kann hier seine Erfahrungen mitteilen?
In der oben genannten Testschaltung werden an den Dioden jeweils 3 mal 0,7V = 2,1V erzeugt, wenn ausreichend Strom hindurch fließt. Die beiden 1kOhm-Trimmer ermöglichen den genauen Abgleich der gewünschten 2,0V. Folgende Rechnung dazu: 12V (Betriebspannung) = 2.1V (Dioden) + 9,9V (an den Widerständen) Diodenstrom: ca. 15mA Widerstand [Ohm] = Spannung [Volt] / Strom [A] = 9,9V / 0,015A = 660 Ohm Frage: Welche Leistung muss der Widerstand verarbeiten können? Leistung [W] = Spannung [V] x Strom [A] = 9,9V x 0,015A = 0,1485W = 148,5mW Da hierbei ein 1/8-Watt-Widerstand zu ziemlich an seine Leistungsgrenze kommt, habe ich mich dazu entschlossen, zwei 330Ohm-Widerstände in Reihe einzubauen.
Bitte melde dich an um einen Beitrag zu schreiben. Anmeldung ist kostenlos und dauert nur eine Minute.
Bestehender Account
Schon ein Account bei Google/GoogleMail? Keine Anmeldung erforderlich!
Mit Google-Account einloggen
Mit Google-Account einloggen
Noch kein Account? Hier anmelden.






