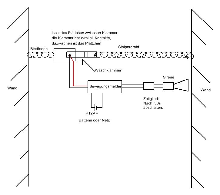
Guten Tag, nachdem in meinem Keller eingebrochen wurde und wertvolle Gegenstände weggekommen sind, überlege ich, was ich unternehmen könnte, damit das nicht wieder passiert. Ich dachte mir, ich verlege so eine Art Stolperdraht. Auf der einen Seite an einer Schnur befestigt ist eine Wäscheklammer mit elektrischen Kontakten, dazwischen sitzt ein Isolierplättchen. Das Plättchen ist dann ebenfalls an einer Schnur festgebunden, S. Skizze. Wenn der Einbrecher gegen den Draht kommt, flutscht das Plättchen raus, Kontakt ist da, der Bewegungsmelder wird eingeschaltet und die Sirene macht für 30 Sekunden lang Krach. Danach ist der Alarm aus, aber der Bewegungsmelder ist scharf gestellt. Wenn der Einbrecher zurückkommt, gibt es sofort wieder Alarm. Ich finde die Abschaltung muß sein wegen der Nachbarn. Die Sirene würde ich dann etwas verstecken, ebenso wie den Bewegungsmelder. Den Sensor kann man ausbauen, an ein Kabel löten und so deponieren, daß man ihn nicht gleich sieht. Was spricht dagegen, das so zu machen? Gibt es das schon? Welche Teile von Conrad wären am besten dafür geeignet.? Hat jemand Zeit und entwirft die entspechende Schaltung dafür, eventuell mit Stückliste? Das wäre schön. Ich hätte das Vorhaben gern möglichst schnell umgesetzt. Für jede Hilfe dafür wäre ich dankbar. L.G.
albi schrieb: > Guten Tag, > nachdem in meinem Keller eingebrochen wurde und wertvolle Gegenstände > weggekommen sind, überlege ich, was ich unternehmen könnte, damit das > nicht wieder passiert. Da solltest du an den Zugängen zum Keller tätig werden. Deine "Alarmanlage" verhindert keinen Einbruch.
albi schrieb: > Was spricht dagegen, das so zu machen? Der Einbrecher kann das Ganze leicht deaktivieren, indem er a) die Wäscheklammer wieder an ihren Platz zurück bringt oder b) etwas dazwischen klemmt oder c) die Drähte abreißt d) Über die Leine hinweg steigt Wenn du dir mal die Kosten für die Teile zusammen rechnest (samt allem was man für eine ordentliche Montage braucht), kannst du gleich normale Alarmanlagen-Komponenten verwenden. Sven D. schrieb: > Deine "Alarmanlage" verhindert keinen Einbruch. Das kommt noch dazu. Was du brauchst sind stabile Fenster und Türen, oder einen Wachschutz vor Ort. Alarmanlagen diesen dazu, den Wächter aufzuwecken. Ohne Wächter sind Alarmanlage nur nutzloses Spielzeug, dass die Nachbarn mit Fehlalarmen belästigt.
Am Zugang kann ich nicht viel machen. Das ist ein Neubaukomplex. Ich wohne jetzt mal grand mal 3 Wochen hier und schon wurde eingebrochen. Gute Sachen sind jetzt weg. Die Türen sind so dünn, da reicht ein Schraubenzieher. Ich muß mir waseinfallen lassen. Am besten wäre, hier wegzuziehen. Das geht aber zur Zeit nicht.
Stefan ⛄ F. schrieb: > albi schrieb: >> Was spricht dagegen, das so zu machen? > > Der Einbrecher kann das Ganze leicht deaktivieren, indem er > > a) die Wäscheklammer wieder an ihren Platz zurück bringt oder > b) etwas dazwischen klemmt oder > c) die Drähte abreißt > d) Über die Leine hinweg steigt > a. Die Wäscheklammer bring er nicht an seinen Platz zurück, wenn die Sirene an ist! b. ...wird er nicht machen, wenn die Sirene an ist. c. ...wird er auch dmachen bei dem Krach. d. ...eine ganz dünne Leine kurz über den Boden spannen. Die sieht er dann nicht. Im Keller ist es ja sowieso anfangs dunkel.
Ich habe mich mich mit meinem Anliegen vertan. Es sollte in der Analog-Topic-Rubrik erscheinen. Entschuldigung. Mein neuer Rechner hat eine amerikanische Tastatur. Da geht leicht etwas schief, wie an der Rechtschreibung grad mal zu sehen ist.
albi schrieb: > Ich dachte mir, ich verlege so eine Art Stolperdraht. Auf der einen > Seite an einer Schnur befestigt ist eine Wäscheklammer mit elektrischen > Kontakten, dazwischen sitzt ein Isolierplättchen. Das Plättchen ist dann > ebenfalls an einer Schnur festgebunden, S. Skizze. Oh Man, sowas hab ich mit 8 Jahren gebaut. Und allein ohne Forum. War mir aber schnell zu blöd und ich habe eine Lichtschranke genommen. Wer da heute keine Lichtschranke nimmt, also da weiß ich auch nicht. Und selber basteln geht halt nur, WENN man auch basteln kann. Sonst fertig kaufen.
Cyblord -. schrieb: > Oh Man, sowas hab ich mit 8 Jahren gebaut. Wenn ich nur die Wäscheklammer nehme und dahinter die Sirene, dann geht der Alarm weiter und hört nicht mehr auf. Wenn ich dann zusätzlich noch eine Zeitabschaltung einfüge, geht der Alarm zwar aus, aber wenn der Einbrecher wiederkommt, dann passiert nichts weiter. Das ist aber anders, wenn der Bewegungsmelder dazu kommt und scharf gestellt ist. Dann geht die Sirene sofort an, wenn er sich nähert. Hast Du das damals so gemacht? Dann wäre ich für ein paar Tips zur Schaltung dankbar.
albi schrieb: > Ich muß mir waseinfallen lassen. > Am besten wäre, hier wegzuziehen. Das geht aber zur Zeit nicht. Warum bist du denn überhaupt dahin gezogen??? Rainer
Rainer V. schrieb: > albi schrieb: >> Ich muß mir waseinfallen lassen. >> Am besten wäre, hier wegzuziehen. Das geht aber zur Zeit nicht. > > Warum bist du denn überhaupt dahin gezogen??? > Rainer Kündigung wegen Eigenbedarf nach 32 Jahren.
albi schrieb: > wird er nicht machen, wenn die Sirene an ist Da irrst du dich aber. Ich war zu einem Beratungsgespräch bei der Kripo Düsseldorf. Der Kommissar sagte mir, dass Sirenen keinerlei abschreckende Wirkung haben. Die wissen ganz genau, dass Sirenen niemandem weh tun und in 3 Minuten wieder aus gehen (müssen). Mache das auch mal. Lass dich von der Kripo beraten, damit du kein Geld für nutzloses Zeug ausgibst. Die machen das gerne. Und lass dich nicht von den Herstellern/Händlern/Monteuren von Überwachungstechnik veräppeln. Dass die ihre Produkte total hoch loben ist klar.
Es reicht doch wenn du nur den Bewegungsmelder einschaltest. Baue eine Relais Selbsthalteschaltung dann geht das nur an der Anlage wieder aus. Nimm Angelsehne.
Stefan ⛄ F. schrieb: > albi schrieb: >> wird er nicht machen, wenn die Sirene an ist > > Da irrst du dich aber. Ich war zu einem Beratungsgespräch bei der Kripo > Düsseldorf. Der Kommissar sagte mir, dass Sirenen keinerlei > abschreckende Wirkung haben. Die wissen ganz genau, dass Sirenen > niemandem weh tun und in 3 Minuten wieder aus gehen (müssen). Bei mehr als 110dB im Keller eines Neubaukomplexes??? Glaub das nicht! Da haut sofort jeder ab!...und wird auch so schnell nicht wiederkommen. Und wenn er doch wiederkommen sollte, geht das Geheul aufs Neue los. Da wird keiner groß anfangen zu suchen, wo nun die Sirene ist oder irgendwelche Kabel, die dahin führen, die man wegreißen könnte. Der Stolperdraht ist insofern wichtig, damit ich selber den Alarm nicht auslöse, denn ich weiß vom Stolperdraht, der Einbrecher jedoch weiß da nichts von. Hat denn jemand so was schon mal gebaut? Ich finde, das liegt auf der Hand, das so zu machen. Einfach und überschaubar. Teure, komplizierte High-Tech hilft in dem Falle überhaupt nicht weiter.
Einer schrieb: > Es reicht doch wenn du nur den Bewegungsmelder einschaltest. > > Baue eine Relais Selbsthalteschaltung dann geht das nur an der Anlage > wieder aus. Lies doch bitte noch mal meine Beiträge durch. > > Nimm Angelsehne. Ja, Angelsehne ist gut.
albi schrieb: > Kündigung wegen Eigenbedarf nach 32 Jahren. Das war nicht meine Frage!! Aber wenn du es nicht verstehst...auch gut. Ich würde mit Bewegungsmelder "ordentliches" Hundegebell abspielen. Möglichst so, als wenn der Löwe direkt hinter der Türe randaliert! Gut ist auch ein tiefes, verhaltenes knurren, fletschen verbunden mit einem satten Kratzgeräusch...da überlegt sich jeder, ob er die Türe jetzt aufbricht oder vielleicht doch einfach zur nächsten Türe geht. Die sind schon sehr abgebrüht. Der Tip mit der Kripo ist schon auch gut! Hat mein Sohn auch gemacht und hat den Rat bekommen, einfach nur dafür zu sorgen, dass die Türe nur nicht sofort(!) aufgeht. Laut Statistik arbeiten die Profis nicht mehr als 20, 30 Sekunden an einem Bruch. Geht das nicht sofort, dann gehen sie eben weiter! Da reicht ein Eisenriegel vor der Türe....und den muß man auch nicht unbedingt beim Schlüsseldienst kaufen. Baumarkt und ein Schraubendreher reichen fast. Gruß Rainer
albi schrieb: > Einer schrieb: >> Es reicht doch wenn du nur den Bewegungsmelder einschaltest. Der Bewegungsmelder wird eingeschaltet mit der Wäscheklammer, wenn das Plättchen weg ist. Dann ist die Tür schon aufgebrochen. Es war kurz jemand drinnen und ist jetzt wieder weg. Die Sirene schweigt nach einiger Zeit und schaltet sich erst wieder ein, wenn jemand neu in den Keller kommt.
albi schrieb: > Die Sirene schweigt nach > einiger Zeit und schaltet sich erst wieder ein, wenn jemand neu in den > Keller kommt. ...und ich wette, dass das dann nur Inspektor Clouseau sein kann...
@Rainer Glaub mir, ich kann an dieser Tür absolut nichts verbessern. Das ist alles billig gebaut. Riegel und dergl., das geht alles nicht. Das ist unmöglich einzurichten oder irgendwelche Verstärkungen an der Tür. Es gibt nur diesen einen Weg für mich, meine Habe zu schützen. Meist steht die Tür zur Tiefgarage auf. Dann kann dann jeder bis zu meiner Kellertür vordringen. Das passiert dann gerne am Wochenende. Aber so wird heutzutage gebaut, da es wenig kosten soll. Das muß ich hinnehmen. Ich habe keine Wahl. Ich muß mir jetzt was einfallen lassen, wie ich meine letzten übriggebliebenen Sachen noch retten kann. L.G. Jürgen
Rainer V. schrieb: > ...und ich wette, dass das dann nur Inspektor Clouseau sein kann... Du hast gut Lachen.
albi schrieb: > Der Bewegungsmelder wird eingeschaltet mit der Wäscheklammer, wenn das > Plättchen weg ist. Manche schalten beim Einschalten der Stromversorgung sofort das Licht ein. Andere schalten erst, wenn sie Bewegung erkennen, was lange dauern kann. Bis zu 30 Minuten brauchen manche Bewegungsmelder, um sich auf die Umgebung einzustellen. Wenn schon, würde ich den Kontakt in Reihe zum Ausgang des Bewegungsmelders schalten. Allerdings lassen sich Bewegungsmelder leicht austricksen. Gefütterte Winterkleidung und ein Motorradhelm reichen, schon ist man für die Geräte unsichtbar. albi schrieb: > Glaub mir, ich kann an dieser Tür absolut nichts verbessern. Man kann jede Türe verbessern, und du hast guten Grund dazu. Wenn der Hausbesitzer das nicht bezahlen will, dann machst du das eben. Man kann über alles verhandeln.
albi schrieb: > Aber so wird heutzutage gebaut, da es wenig kosten soll. Das muß ich > hinnehmen. Ich habe keine Wahl. Ich muß mir jetzt was einfallen lassen, > wie ich meine letzten übriggebliebenen Sachen noch retten kann. Nochmals - nimm den Rat an und lass dich von der Polizei beraten. Hast du den Einbruch angezeigt? Falls nicht, mach alles in einem Aufwasch. Mit einer Stellungsnahme der Polizei hast Du auch eine Chance, dass dein Vermieter einem verbesserten Einbruchschutz zustimmt.
albi schrieb: > Aber so wird heutzutage gebaut, da es wenig kosten soll. Das muß ich > hinnehmen. Ich habe keine Wahl. Ich muß mir jetzt was einfallen lassen, > wie ich meine letzten übriggebliebenen Sachen noch retten kann. Ach was...du kannst hinter jedes Stück Brett einen ordentlichen Riegel anbringen! Und wenn die Türe wirklich Papier ist, dann bau/schraub halt von innen was massives dran. Und lass den Quatsch mit Alarmanlagen!! Wie schon gesagt, die Profis haben da ihr Timing - ist übrigens mit Autobruch genau so - entweder ist die Karre auf und läuft innerhalb einiger 10 Sekunden oder man geht zum Nächsten! Ist das denn so schwer zu kapieren?? Rainer
Klär mit Deinem Vermieter ab ob Du auf eigene Rechnung eine Tür einbauen darfst die den Namen auch verdient hat. Dann ist das Problem gelößt und Du läufst nicht Gefahr, dass Dir die Sirene selbst um die Ohren fliegt (im übertragenen Sinne)
albi schrieb: > Glaub mir, ich kann an dieser Tür absolut nichts verbessern. Das ist > alles billig gebaut. Riegel und dergl., das geht alles nicht. hm, mach doch mal ein Foto von der Tür zu deinem Keller. Geht diese in deinen Kellerraum hin auf, oder zum Flur hin? Was für ein Türblatt ist verbaut, was für ein Schloss? Was genau meinst du weiter oben mit "da reicht ein Schraubendreher" ??
Warum nicht einfach... schrieb: > Klär mit Deinem Vermieter ab ob Du auf eigene Rechnung eine Tür einbauen > darfst die den Namen auch verdient hat. Nee, das klappt fast nie...aber du darfst tatsächlich Riegel ohne Ende anbringen! Und mit Riegel meine ich nicht diese komischen Dinger mit dem Drehknopf! Ich meine massive eiserne (ok Alu tuts auch) Bänder, die über die ganze Türbreite gleiten. Das mag blöd aussehen, aber das bringts! Und wenn der Schurke die halbe Tür zerdeppert (was er nur machen wird, wenn er kein Profi ist...aber dann hast du einfach Pech gehabt...mit Alarmanlage schon erst recht) dann wird er trotzdem einsehen, dass die Riegel nicht so einfach zu entfernen sind...und du hast dann sicher schon die Polizei alamiert!! Gruß Rainer
Stefan ⛄ F. schrieb: > albi schrieb: > Viele Bewegungsmelder brauchen viele Minuten, um sich auf die Umgebung > einzustellen. Manche schalten beim Einschalten der Stromversorgung > sofort das Licht ein. Andere schalten erst, wenn sie Bewegung erkennen, > was wie gesagt dauern kann. Bis zu 30 Minuten sind normal. > Danke für den Hinweis! Ja, du hast Recht. Ich hatte in meiner alten Wohnung einen Bewegungsmelder angebracht und den Sensoranschluß verlängert unter dem Türschweller angebracht. Ganz oben in der 3. Etage. Hat lange super funktioniert. Aber ich erinnere mich, nach dem Batteriewechsel mußte ich einige Zeit warten, bis der Bewegungsmelder funktionsfähig war. Da muß ich noch mal sehen, wie ich das jetzt mache. > albi schrieb: >> Glaub mir, ich kann an dieser Tür absolut nichts verbessern. > > Man kann jede Türe verbessern, und du hast guten Grund dazu. Wenn der > Hausbesitzer das nicht bezahlen will, dann machst du das eben. Man kann > über alles verhandeln. Verhandeln kann ich nicht. Mit dem Hausbesitzer kann ich nicht reden. Ich weiß auch gar nicht, wem der Komplex hier gehört. Ich habe nichts zu sagen. Ich kann nur froh sein, daß ich nicht auf der Straße gelandet bin. Nun muß ich alles so hinnehmen wie es ist und trotzdem eine Lösung finden. Die Blechlamellen an der Kellertür haben etwa Coladosenstärke.
So, erstmal die Belehrung: Warum in Gottes Namen stellst du wertvolle Gegenstände in einen Keller der nur mit "Coladosenblech-ähnlichen" Türen verschlossen ist????? Grundsatz #1 bei Einbruchschutz ist die Außenhaut und die mechanische Sicherung! Alles elektronische wie Sirenen, Kameras, etc. hält einen Einbrecher nicht auf sondern schreckt ggf. nur ab. ANMERKUNG: Wenn der Einbrecher einmal drinnen ist, dann macht er auch weiter. Und während deine Sirene anfängt zu heulen, hat der Einbrecher schon mehr als die Hälfte eingesackt. Denn er weiß es wird keiner in 3 Minuten neben ihm stehen. Weder du, noch die Polizei, noch eine Sicherheitsfirma. Alarme werden grundsätzlich bei Sicherheitsfirmen aufgeschaltet. Soviel dazu. Zu deiner Alarmsicherung: Hörst du die Sirene denn selber wenn du in deiner Wohnung bist? Wo genau soll dein Stolperdraht befestigt werden? Etwa dort wo auch die Nachbarn ihn auslösen können oder direkt in deinem Keller? Wenn er direkt in deinem Keller installiert werden soll, dann lies bitte nochmal den Punkt: ANMERKUNG!
Rainer V. schrieb: > Warum nicht einfach... schrieb: >> Klär mit Deinem Vermieter ab ob Du auf eigene Rechnung eine Tür einbauen >> darfst die den Namen auch verdient hat. > > Nee, das klappt fast nie...aber du darfst tatsächlich Riegel ohne Ende > anbringen! Und mit Riegel meine ich nicht diese komischen Dinger mit dem > Drehknopf! Ich meine massive eiserne (ok Alu tuts auch) Bänder, die über > die ganze Türbreite gleiten. Das mag blöd aussehen, aber das bringts! > Und wenn der Schurke die halbe Tür zerdeppert (was er nur machen wird, > wenn er kein Profi ist...aber dann hast du einfach Pech gehabt...mit > Alarmanlage schon erst recht) dann wird er trotzdem einsehen, dass die > Riegel nicht so einfach zu entfernen sind...und du hast dann sicher > schon die Polizei alamiert!! > Gruß Rainer Ja, Polizei war da. Die haben auch nur den Kopf geschüttelt, als sie die Tür gesehen haben...und das Umfeld. Ich habe einen Panzerriegel, schwere, teure Ausführung der höchsten Sicherheitsstufe von Abus. Der stammt aus meiner alten Wohnung. Er saß an der Tür, wurde nie gebraucht. Den kann ich aber nicht montiern, da die Scharniere an der Kellertür sofort die "Banane" machen würden. Schaniere, Verstrebungen, das ist alles nur mit 4mm Blechschrauben zusammengeschraubt. Der schwere Panzerriegel würde die Tür sogleich verformen. Und wenn, dann würde das nichts nützen, dann nimmt der Einbrecher einfach einen Dosenöffner.
https://www.conrad.de/de/p/gev-016927-aufputz-bewegungsmelder-180-relais-weiss-ip44-1500169.html https://www.conrad.de/de/p/33133-alarmsirene-110-db-12-v-dc-1175230.html https://www.amazon.de/QIACHIP-Fernbedienung-Transmitter-Einstiegssteuerung-Reichweite/dp/B081C9D3CG Nur mal eben kurz zusammen gesucht. Statt dem sichtbaren Stolperdraht der auf einfachste Weise "umgangen" werden kann ein 12v Funkrelais welches die Alarmsirene die am 12v Ausgang des Bewegungsmelders hängt bei bedarf zu oder abschaltet. Der Bewegungsmelder hat übrigens eine einstellbare Schaltzeit von wenigen Sekunden bis Minuten. Ob das nun wirklich Sinn macht muss man selber entscheiden.
albi schrieb: > ich kann an dieser Tür absolut nichts verbessern. Das ist > alles billig gebaut. Riegel und dergl., das geht alles nicht. Das ist > unmöglich einzurichten oder irgendwelche Verstärkungen an der Tür. Falls das tatsächlich so sein sollte dann wirst du dort keine Wertsachen Lagern können. Punkt. > Es gibt nur diesen einen Weg für mich, meine Habe zu schützen. Hmmm, die Wertsachen wo anders lagern? albi schrieb: > Nun muß ich alles so hinnehmen wie es ist und trotzdem eine Lösung > finden. > Die Blechlamellen an der Kellertür haben etwa Coladosenstärke. Bauerntrick eines Kumpels (hat nach einem damaligem Einbruch wirklich funktioniert): ein Verkleidungsblech in Coladosenstärke auf die Tür, das Teil ordentlich und sauber Industriegrau angemalt, gelbes Schild dran: "Elektrische Einspeisung --- Zugang jederzeit freihalten!"
albi schrieb: > Ich weiß auch gar nicht, wem der Komplex hier gehört. Das steht in deinem Mietvertrag. Du hast doch einen, oder bist du Hausbesetzer?
Max B. schrieb: > So, erstmal die Belehrung: > > Warum in Gottes Namen stellst du wertvolle Gegenstände in einen Keller > der nur mit "Coladosenblech-ähnlichen" Türen verschlossen ist????? > Da hast du hast völlig Recht. Aber ich bin schon etwas älter, erst die Wohnungssuche rund um die Uhr! Ein halbes Jahr nur Absagen, vollständig isoliert von der Umwelt wegen Corona, Existenzangst, keine Freunde, alle schon tot. So viele Sachen haben sich angesammelt, dann der Umzug mit der Umzugsfirma, keiner hat geholfen. Ich bin alleine. Die Logistik, alles alleine gemacht. Ich bin froh, überhaupt überlebt zu haben, war noch krank am Unzugstag. Da habe ich viele Fehler gemacht, auch in anderer Hinsicht, so auch diesen neuen Mist-Computer teuer eingekauft, mit der amerikanischen Tastatur. Ich brauchte einen Computer unbedingt und schnell. Ohne Computer läuft heutzutage nichts! In die Bibliothek, zu dem Computer dort, bin ich nicht reingekommen. Ich kann nur sagen, wer im hohen Alter bei geringem Einkommen umziehen muß, der ist wirklich übel dran. > Grundsatz #1 bei Einbruchschutz ist die Außenhaut und die mechanische > Sicherung! > Alles elektronische wie Sirenen, Kameras, etc. hält einen Einbrecher > nicht auf sondern schreckt ggf. nur ab. > > ANMERKUNG: Wenn der Einbrecher einmal drinnen ist, dann macht er auch > weiter. Und während deine Sirene anfängt zu heulen, hat der Einbrecher > schon mehr als die Hälfte eingesackt. Das glaube ich nicht, wenn die Sirene ohrenbetäubenden Alarm auslöst. Er wird eher einen Herzschlag kriegen in dem Moment. Denn er weiß es wird keiner in 3 > Minuten neben ihm stehen. Weder du, noch die Polizei, noch eine > Sicherheitsfirma. Alarme werden grundsätzlich bei Sicherheitsfirmen > aufgeschaltet. > Soviel dazu. > > Zu deiner Alarmsicherung: > Hörst du die Sirene denn selber wenn du in deiner Wohnung bist? Glaube ich nicht. Ich wohne in der 3. Etage. > Wo genau soll dein Stolperdraht befestigt werden? Etwa dort wo auch die > Nachbarn ihn auslösen können oder direkt in deinem Keller? Im Keller, in geringer Höhe über den Fußboden gespannt. > Wenn er direkt in deinem Keller installiert werden soll, dann lies bitte > nochmal den Punkt: ANMERKUNG!
albi schrieb: > Mist-Computer teuer eingekauft, mit der amerikanischen Tastatur. Dann kaufe dir doch erstmal eine richtige Tastatur, anstatt eine nutzlose Alarmanlage. Falls es ein Laptop ist: Dafür gibt es Aufkleber. Wie gesagt, gehe zur Polizei und lass dich beraten. Mit Sirenen schlägst du keine Einbrecher in die Flucht. Die fliehen von Pitbulls, und 150 Kilo Muskelmännern mit Baseball Schlägern, aber nicht vor lächerlichen Sirenen.
Stefan ⛄ F. schrieb: > albi schrieb: >> Ich weiß auch gar nicht, wem der Komplex hier gehört. > > Das steht in deinem Mietvertrag. Sollte man denken. Aber das ist nicht so einfach zu durchschauen. Es ist preisgebundener Wohnraum. Da wird es kompliziert. Und es sind mehrere Unternehmen beteiligt. Wer nun endgültig zuständig ist, weiß ich nicht so ohne weiteres. Vielen Dank aber für die Hinweise zum Technikproblem. Ich lese mir die Beiträge durch und werde mir noch mal Gedanken machen, wie ich die Sache einigermaßen in den Griff bekomme.
Stefan ⛄ F. schrieb: > albi schrieb: >> Mist-Computer teuer eingekauft, mit der amerikanischen Tastatur. > > Dann kaufe dir doch erstmal eine richtige Tastatur, anstatt eine > nutzlose Alarmanlage. Falls es ein Laptop ist: Dafür gibt es Aufkleber. > Habe ich schon gemacht und über USB angeschlossen. Das ist auch alles Mist und umständlich. Aufkleber nützen auch nicht, wenn ich Text schreibe und zwischendurch die Zeile gewechselt und dann geht es dort weiter...oder Buchstaben fehlen ganz oder erscheinen doppelt. Im Moment klappt einfach gar nichts mehr. Ich versuche es trotzdem auf die Wäschklammer-Methode. Was anderes bleibt mir nicht. Wenn ich Fragen habe, hoffe ich hier auf Unterstützung. Viele Grüße
albi schrieb: > .oder Buchstaben fehlen ganz oder erscheinen doppelt Aha. Mit einer US Tastatur schreibt man also doppelt? Das Einzite was beim Tippen stören sollte wäre das Y und das Z. Der Rest hat mit der amerik. Tastatur nix zu tun. Ist aber ein anderes Thema. Und bis du im hohen Alter im Keller bist, ist der Einbrecher weg. Glaube es mir!! Ich verstehe aber immer noch nicht wo genau du den Draht installieren willst? VOR deinem Keller oder IN deinem Keller? VOR wäre schlecht. Dann tritt da ja immer ein Nachbar rein.
Holger L. schrieb: weiss-ip44-1500169.html > https://www.conrad.de/de/p/33133-alarmsirene-110-db-12-v-dc-1175230.html Ja, der sieht schon mal ganz gut aus. Vielleicht besorge ich mir auch einen Rauchmelder und nehme den Piezo davon. Mal sehen. Es wird einige Zeit in Anspruch nehmen, eine Lösung zu finden. Schade, daß es das nicht schon fertig zu kaufen gibt.
albi schrieb: > Stefan ⛄ F. schrieb: >> albi schrieb: > >> Viele Bewegungsmelder brauchen viele Minuten, um sich auf die Umgebung >> einzustellen. Manche schalten beim Einschalten der Stromversorgung >> sofort das Licht ein. Andere schalten erst, wenn sie Bewegung erkennen, >> was wie gesagt dauern kann. Bis zu 30 Minuten sind normal. >> > Danke für den Hinweis! > > Ja, du hast Recht. Ich hatte in meiner alten Wohnung einen > Bewegungsmelder > angebracht und den Sensoranschluß verlängert unter dem Türschweller > angebracht. Ganz oben in der 3. Etage. Hat lange super funktioniert. > Aber ich erinnere mich, nach dem Batteriewechsel mußte ich einige Zeit > warten, bis der Bewegungsmelder funktionsfähig war. Da muß ich noch Schlecht getrollt > Nun muß ich alles so hinnehmen wie es ist und trotzdem eine Lösung > finden. > Die Blechlamellen an der Kellertür haben etwa Coladosenstärke. Leer oder voll?
Max B. schrieb: > albi schrieb: >> .oder Buchstaben fehlen ganz oder erscheinen doppelt > > Aha. Mit einer US Tastatur schreibt man also doppelt? > Das Einzite was beim Tippen stören sollte wäre das Y und das Z. Der Rest > hat mit der amerik. Tastatur nix zu tun. > Ist aber ein anderes Thema. > > Und bis du im hohen Alter im Keller bist, ist der Einbrecher weg. Glaube > es mir!! > Ich verstehe aber immer noch nicht wo genau du den Draht installieren > willst? VOR deinem Keller oder IN deinem Keller? > VOR wäre schlecht. Dann tritt da ja immer ein Nachbar rein. Im Keller natürlich, im ersten Drittel. Wenn es eine Garage wäre, dann natürlich in der Gerage, nach zwei Metern vielleicht. Wenn der Einbrecher einmal drinnen ist, dann geht er doch gleich ins Innere und wenn der Draht dünn ist und kanpp über den Boden gespannt, wird er dagegen laufen.
albi schrieb: > Vielleicht besorge ich mir auch einen Rauchmelder und nehme den Piezo > davon. Das geht nicht, der Piezo Schallwandler wird ohne Rauchmelder keinen Mucks von sich geben. Wenn schon, kannst du versuchen, die Test-Taste fest zu klemmen, damit der Rauchmelder beim Einschalten der Stromversorgung los geht. Aber dann fehlt dir noch die zeitliche Begrenzung und du brauchst 9V anstatt 12V.
Ich glaube dir sagen zu müssen, auch wenn es sich hart anhört, pack deine Wertsachen nicht in diesen Keller!!! Und wenn du tatsächlich Wertsachen hättest, dann gehören die vielleicht auch gar nicht in diesen Keller!? Jetzt mach dir das "armselige" Leben doch nicht noch schwerer... Rainer
Rainer V. schrieb: > Ich glaube dir sagen zu müssen, auch wenn es sich hart anhört, > pack > deine Wertsachen nicht in diesen Keller!!! Und wenn du tatsächlich > Wertsachen hättest, dann gehören die vielleicht auch gar nicht in diesen > Keller!? Jetzt mach dir das "armselige" Leben doch nicht noch > schwerer... > Rainer Du hast ja so Recht.
Wattis? schrieb: > https://de.wikipedia.org/wiki/Selbstschussanlage Kommt schecht. Siehe https://www.stern.de/panorama/weltgeschehen/mann-baut-fallen-fuer-einbrecher---und-toetet-sich-versehentlich-damit-selbst-9028456.html
Das hat es schon mal so ähnlich in der Türkei gegeben. Ein Türke hatte ein Schrotgewehr aufgestellt und ist auf Reise gegangen und als er nach einem halben Jahr aus Deutschland wieder zurückkehrte, hatte er doch tatsächlich die Flinte vergessen.
Bei allem Respekt, ich kann es nur gutheißen, wenn sich solche Deppen selbst abschießen. Den Notruf könnte man aber heute zeitgemäß per Handyapp oder WLan auslöse...warum sollte man sich da als schwer verletzter (aber hoffentlich nicht beraubter) noch selbst bemühen?? Rainer
albi schrieb: > die Flinte vergessen. Was für eine Sauerei. Als Kinder haben wir solche Stolperfallen gebastelt... Mit gespannter Kupferlitze und Transistor. Grüsse
Das einzige was wirklich hilft, wäre ein Roboter der Modellpalette Terminator. Oder stell den Nachbau von Stoppies Hochspannungsexperiment hinein.
albi schrieb: > nachdem in meinem Keller eingebrochen wurde und wertvolle Gegenstände > weggekommen sind, überlege ich, was ich unternehmen könnte, damit das > nicht wieder passiert. Höchst wirkungsvoll ist ein handelsüblicher Generator, der einen Sicherheitsnebel erzeugt. Leistungsfähige Geräte können einen mittelgrossen Raum binnen Sekunden vernebeln. Einem Einbrecher wird jegliche Sicht genommen. Er wird sofort seinen Rückzug antreten. Der völlig unschädliche Nebel könnte ja auch ein Betäubungsgas sein.
Hafenmeister schrieb: > Hafenmeister schrieb: >> Als Kinder haben wir solche Stolperfallen gebastelt > > Natürlich ohne Flinte. Kapier ich nicht. Wie stirbt dann der Einbrecher?
Dieter schrieb: > Das einzige was wirklich hilft, wäre ein Roboter der Modellpalette > Terminator. > > Oder stell den Nachbau von Stoppies Hochspannungsexperiment hinein. Leute ihr habt offensichtlich keine Ahnung, wie die Mitbürger in Amiland drauf sind...es gibt da u.A. nette Filme von StephenKing, sowas betreffend...Roboter mit Metallplatte...wo lebst du Hirn??? Rainer
albi schrieb: > Bei mehr als 110dB im Keller eines Neubaukomplexes??? > Glaub das nicht! Glaub mir dass ich als dein Nachbar nach dem ersten mal dass ich das Scheißding ertragen musste genau das mache: ich haue das Ding ab! Und da ist mir egal ob Du Sachbeschädigung rufst, da ich Tinnitus habe ist das Gefahrenabwehr... Und dann beschwere ich mich bei der Hausverwaltung über Deine Ruhestörung und Du hast es Dir schon mal mit einem Nachbarn verspielt? Willst Du wirklich diesen Weg gehen?
Dieter schrieb: > Das einzige was wirklich hilft, wäre ein Roboter der Modellpalette > Terminator. Ein Maligator funktioniert auch ganz gut.
Stefan ⛄ F. schrieb: > Wenn schon, würde ich den Kontakt in Reihe zum Ausgang des > Bewegungsmelders schalten. Gut gedacht. Stefan ⛄ F. schrieb: > Allerdings lassen sich Bewegungsmelder leicht austricksen. Gefütterte > Winterkleidung und ein Motorradhelm reichen, schon ist man für die > Geräte unsichtbar. Nicht bei Mikrowellen.
Gibt es bei dir in der Gegend einen Self Storage Anbieter? Dort wären deine Sachen erst einmal sicher eingelagert.
Das ist wieder typisch. Der TO hat eine gute Idee, an der überhaupt nichts auszusetzen ist. Aber wenn diese Experten hier erstmal mit ihm fertig sind, baut er überhaupt nichts mehr, oder kauft komplizierten Kram, der viel unsicherer ist. Noch drei Tage Anwesenheit, und er glaubt, sein ganzer Keller wäre ein Gerücht! @TO: deine Idee ist super, bei entsprechender Lautstärke sehr abschreckend, leicht durchführbar. Lass´ vielleicht noch das mit den 30 Sekunden weg, dann brauchst du überhaupt keine Elektronik. Kannst ja stattdessen eine so winzige Versorgung einplanen, daß diese sowieso nach z.B. 1 Minute aufgibt. Sehr kleine LiPo-Akkus zum Beispiel, da gibt es welche mit z.B. nur 80mAh, die trotzdem ordentlich Strom liefern können. Und frag´ bitte nicht mehr hier an. Wie du siehst, haben die fast alle null Vorstellungskraft, bzw. müssen grundsätzlich jede Idee eines anderen platt machen. Du als dahergelaufener Gast-TO bist da sowieso das gefundene Opfer. Achso, nochwas. Wenn du die Alarmanlage fertig hast, überlege auch vorab, wie schnell, und vor allem auch mit welch überzeugendem Argument in der Hand (oder an der Leine) du am Keller erscheinen kannst. Aber treibe dabei nie jemanden in die Enge, lass´ immer einen Fluchtweg frei! Daß Täter noch vor Ort sind, ist zwar höchst selten, aber damit musst du trotzdem rechnen. Und ein gestellter Täter ohne Ausweg macht schnell Dinge, die er sonst nie machen würde. Also, viel Erfolg beim Aufbau, bin raus, da ich mir das jetzt folgende Gesülze gar nicht erst antun werde!
Herr, wirf Hirn! schrieb: > Achso, nochwas. Wenn du die Alarmanlage fertig hast, überlege auch > vorab, wie schnell, und vor allem auch mit welch überzeugendem Argument > in der Hand (oder an der Leine) du am Keller erscheinen kannst. Aber > treibe dabei nie jemanden in die Enge, lass´ immer einen Fluchtweg frei! > Daß Täter noch vor Ort sind, ist zwar höchst selten, aber damit musst du > trotzdem rechnen. Ja, gehts noch???
Herr, wirf Hirn! schrieb: > Das ist wieder typisch. Der TO hat eine gute Idee, an der überhaupt > nichts auszusetzen ist. Aber wenn diese Experten hier erstmal mit ihm > fertig sind, baut er überhaupt nichts mehr, oder kauft komplizierten > Kram, der viel unsicherer ist. Noch drei Tage Anwesenheit, und er > glaubt, sein ganzer Keller wäre ein Gerücht! Wäscheklammer mit rangebastelten Kontakten und Unterbrecherblättchen zzgl. Tröte und Batterien kannte ich schon im Kindergarten, Fertigteile ("Alarmanlage") mit echt lauter Tröte, Batteriefach, eingebaute 3,5mm Kopfhörerbuchse als Unterbrecher, Unterbrecher, Seil, Befestigungen und Batterien gab es Anfang der 60er für den knappe Mark neu vom Grappeltisch. Und da musste/konnte man nicht an einem Kabel ziehen und die Tröte schaltete wieder ab. Aber egal ob diese Tröte oder so ein moderner Piezo wie im Rauch- oder anderem kleinen Alarmmelder, einen Putzlumpen drum und schon hört den keiner mehr. Aber selbst, wenn so ein Teil nicht abgerissen oder gedämmt wird, wer soll das denn in einem Stockwerk darüber hören? Und selbst wenn er/sie/es es hört, wie sieht es dann mit Ortung und Bezug aus? Wie es schon andere angedeutet oder geschrieben haben, solche Spielzeuge schrecken kleine Kinder, neugiegige Nachbarn oder Minderbemittelte ab, aber keinen "Kriminellen". > @TO: deine Idee ist super, bei entsprechender Lautstärke sehr > abschreckend, leicht durchführbar. Lass´ vielleicht noch das mit den 30 > Sekunden weg, dann brauchst du überhaupt keine Elektronik. Jetzt musst Du nur noch fragen, wo er wohnt und was er da lagert.. :-) > Kannst ja > stattdessen eine so winzige Versorgung einplanen, daß diese sowieso nach > z.B. 1 Minute aufgibt. Sehr kleine LiPo-Akkus zum Beispiel, da gibt es > welche mit z.B. nur 80mAh, die trotzdem ordentlich Strom liefern können. Das macht es natürlich noch einfacher. Kräftigen Tritt vor die Tür, damit die aufgeht und den Alarm auslösst und den locker pfeifend den Tatort erstmal wieder verlassen. Ist dann wieder Ruhe, in aller Ruhe den Keller ausräumen.. > Und frag´ bitte nicht mehr hier an. Vertritts Du hier die Freunde der Beschaffungskriminalität? > Wie du siehst, haben die fast alle > null Vorstellungskraft, bzw. müssen grundsätzlich jede Idee eines > anderen platt machen. Du als dahergelaufener Gast-TO bist da sowieso das > gefundene Opfer. Viele hier haben nicht nur Vorstellungskraft, sondern auch Wissen und Erfahrung. Zum (erneuten) Opfer machen den TE eher Deine Ratschläge, wenn er sie befolgt. > Achso, nochwas. Wenn du die Alarmanlage fertig hast, überlege auch > vorab, wie schnell, und vor allem auch mit welch überzeugendem Argument > n der Hand (oder an der Leine) du am Keller erscheinen kannst. Aber > treibe dabei nie jemanden in die Enge, lass´ immer einen Fluchtweg frei! > Daß Täter noch vor Ort sind, ist zwar höchst selten, aber damit musst du > trotzdem rechnen. > Und ein gestellter Täter ohne Ausweg macht schnell Dinge, die er sonst > nie machen würde. Einschlägige Erfahrung mit auftauchenden Eigentümern? > Also, viel Erfolg beim Aufbau, bin raus, da ich mir das jetzt folgende > Gesülze gar nicht erst antun werde! In der typischen Tiefschlafzeit ab 2:00 können andere die Zeit ja auch besser nutzen..
Ja und ganz harmlos...vor vielen vielen Jahren hat mir ein Nachbar gezeigt: beliebiges Schloss auf in 3 Sek. Autotüre auf...schneller, als du denken/gucken kannst...heute, sicher ähnlich.. nur ohne Brecheisen...und??? Wichtig, du darfst nicht in der Nähe sein, wenn sowas passiert! Ist echt ungesund...(und nicht persönlich gemeint!) also...lass das mit dem lächerlichen Stolperdraht... Rainer
Rainer V. schrieb: > Stolperdraht Ist gut, aber wenn Du an der Tür kein Warnschild angebracht hast und der Dieb verletzt sich, dann kann er Dich erfolgreich verklagen. So weit sind wir hier leider schon. Zum Beispiel der Dieb fällt in eine ungesicherte Grube im Haus. Das war in dem Falle wegen der Energiekosten ein ungesicherter leerer Pool in einem Wohnhaus und in einer Werkstatt ungesicherte elektronische Geräte unter hoher Spannung. Daher sind die Warnschilder vorsicht Hochspannung öfters auch an den Fenstern und nicht nur an der Zugangstüre.
ich würde den Stolperdraht mit einem geschützeren Kontakt verheiraten. z.B. mit einem Magnet, der ein Relais mit Schliesser-Kontakten offen hält. Das geht mit vielen "normalen" Relais, die vernünftig strombelastbar sind. zusammen mit dem "Mechaniktimer" einer Microwelle könnte das ganze dann auch nach Alarmende sich selbst abschalten. Das braucht im scharfen Zustand sowie nach Alarmende dann auch keinen Standby-Strom, weil das ohne Netzteile geht
Herr, wirf Hirn! schrieb: > Das ist wieder typisch. Der TO hat eine gute Idee, an der überhaupt > nichts auszusetzen ist. Doch, dass sie nicht gut ist. Es geht schon vorne los. Die guten Sachen sind geklaut. Was will er jetzt absichern? Jede technische Lösung kommt jetzt zu spät. Die sinnvollste technische Lösung, nämlich eine anständige Tür, wird dann noch ausgeschlossen. Der Einbruch erfolgte kurz nachdem er eingezogen ist. Jemand wusste dass die Tür nichts aushält und dass er dort gerade erst wertvolle Dinge eingelagert hat. Folgt, es war ein Mitbewohner aus dem Haus, der direkten Nachbarschaft oder jemand von denen hat einen Tipp gegeben. Derjenige hat erst mal keinen Grund nochmal einzubrechen. Ein weiterer, diesmal Gelegenheitseinbruch, von jemand anderem ist unwahrscheinlich. Nebenbei folgt auch, dass er in dieser Umgebung nicht mit wertvollen Dingen angeben sollte oder sie zur Schau stellen sollte. Dann ist der nächste Einbruch in der Wohnung statt nur im Keller. Wer Schwierigkeiten hat eine Wohnung zu finden sollte Nachbarn und Mitbewohner (auch wenn sie klauen) nicht mit einer lauten Sirene ärgern. Spätestens beim dritten Alarm, egal ob Fehlalarm oder echt, steigt ihm die Hausverwaltung aufs Dach. Diebe haben auch Rechte. Sollte wirklich einer gefangen werden und hat er einen halbwegs brauchbaren Anwalt hat der TO eine Klage wegen Körperverletzung (Hörschaden) durch die unsachgemäß installierte und betriebene Sirene am Hals. Egal ob das wahr ist oder nicht. > Also, viel Erfolg beim Aufbau, bin raus, da ich mir das jetzt folgende > Gesülze gar nicht erst antun werde! Warum hast du das nicht am Anfang geschrieben?
albi schrieb: > Am Zugang kann ich nicht viel machen. > Das ist ein Neubaukomplex. Ich wohne jetzt mal grand mal 3 Wochen hier > und schon wurde eingebrochen. Gute Sachen sind jetzt weg. > Die Türen sind so dünn, da reicht ein Schraubenzieher. > Ich muß mir waseinfallen lassen. > Am besten wäre, hier wegzuziehen. Das geht aber zur Zeit nicht. Warum kannst Du nix machen? Ich habe meine Garage nach einem Einbruch mit einem devolo Home Control System "gesichert". An den Zutrittstüren werden Tür/Fenster Kontakte angebracht und in den Raum eine Sirene. Zusätzlich habe ich eine Sirene in meiner Wohnung gehabt.
kenny schrieb: > An den Zutrittstüren werden Tür/Fenster Kontakte angebracht und ein "Supermagnet" von aussen angelegt stellt den Kontakt tot
Fertig kaufen, sehr laut: https://inf-shop.de/sonstiges/8239-lauter-angriffsalarm-130-db-mit-led-lampe-7314280106875.html?gclid=EAIaIQobChMIvMiIusW19AIVQgGLCh3Ylw8WEAQYBCABEgIx7_D_BwE "Mit einem Geräuschpegel von 130 dB sind Sie im Notfall aus großer Entfernung zu hören. Der Alarm wird beim Herausziehen des Sprinters aktiviert und beim Zurücksetzen deaktiviert." (Sprinter kann auch Splint bedeuten)
Wie wärs mit einer Cam mit Bewegungerkennung. Dann hast Du den Übeltäter gleich bildlich, sofern er keine Maske drüber hat. Meine Cams haben eine SD-Karte. Zumindest da wären dann die Bilder drauf. Ich weiß nicht ob die Cam mit WLan in den 3. Stock kommt, und du dort das ganze aufnehmen und draufschauen kannst.
●DesIntegrator ●. schrieb: > und ein "Supermagnet" von aussen angelegt stellt den Kontakt tot das muss der Einbrecher aber erst mal wissen, dass und wo da der "Supermagnet" zu platzieren wäre. Und er müsste einen solchen Magneten dabei haben. Glaubst du ernsthaft, das ein Gelegenheits-Dieb sich derartig vorbereitet zum Einbruch in den Keller von "Opa Albi" ?
Wegstaben V. schrieb: > das muss der Einbrecher aber erst mal wissen, dass und wo da der > "Supermagnet" zu platzieren wäre. Und er müsste einen solchen Magneten > dabei haben. kommt natürlich auf die zu erwartende Wertigkeit des Diebesgutes an. Wenn es viel genug zu holen gibt, sehe ich durchaus Möglichkeiten, den Sensormagnet zu Orten. Mit nem Kompass :-) evtl auch mit ner "Magnetfeldapp" auf dem Schmierfon ja, das Glaube ich. ernsthaft!
das mit Pfadfinder-Sicherung (Stolperseil und Wäscheklammer) ist m. E. Humbug. mein Vorschlag zum "Sichern": -> Kauf dir für 17 EUR eine "Moped-Sicherung", und nagle dir die an deine Kellertür. Per Funk ein- und ausschaltbar. Wenn jemand im scharfgeschalteten Zustand an der Türe rummacht, dann quiekt es (eine Zeitlang). ebay 373771636290 Vielleicht kann man noch irgendwie über eine nachgeschaltete Benachrichtigungs-Funktion via SMS nachdenken (z.B. durch ein "Rentner-Handy mit Notruf-Taste"). Sowas gibt es in etwa in selber Preisklasse. Man muss sich dann hat Gedanken machen über Mobilfunk-Empfang im Keller, und Mobilfunk-Bereitschaft und Empfang beim Einbruchs-Opfer
1. Man sollte verhindern, dass es überhaupt zum Einbruch kommt: - Abschreckung: echte oder Dummy-Kameras, echte oder Dummy-Sirenen, Warnschilder bezüglich Videoüberwachung und Alarmanlage/Wachschutz, - Bügerstreifen/Bürgerwehr (meist in EFH-Gebieten) - stabilere Türen und Fenster, die zumindest die Zeit zur Überwindung verlängern. Ganz undurchdringlich geht nicht, will niemand bezahlen 2. Reaktion auf Einbruch: - Sirenen, Lichtsignale (gerne auch EXTREM, Stichwort: "Lärm als Waffe"), auch CS-Gas oder Nebel ist (in engen Grenzen) erlaubt. - Hauptproblem: Fehlalarme sind der Tod jedes Alarmsystems. Tip: elektromechanische Sensoren, die nur auf echte Gewalt reagieren, z.B. auf Bruch im Schloss-Bereich, regelmäßige Systemtests 3. Vorsorge/Nachsorge: - Gegenstände fotografisch dokumentieren, Belege aufheben - Versicherung abschließen bzw. Lagerräume explizit einschließen
●DesIntegrator ●. schrieb: > kommt natürlich auf die zu erwartende Wertigkeit des Diebesgutes an. > > Wenn es viel genug zu holen gibt, > sehe ich durchaus Möglichkeiten, den Sensormagnet zu Orten. Mir wurden damals ne Menge Fahrräder (Wert ca 20000€) aus der Garage gestohlen. Zum Glück wurden meine Kajaks in Ruhe gelassen. Nachdem ich das oben genannte System installiert habe, wurde 6 Monate später nochmals versucht einzubrechen. Der Alarm der Sirene hat Sie vertrieben. Drei Wochen später wurde versucht die Kontakte per Magnet zu beeinflussen. Da ich drei Kontakte fürs Garagentor genutzt habe, war dieser Einbruchsversuch ebenfalls fehlgeschlagen. Seitdem ist Ruhe, es wurde kein weiterer Einbruchsversuch unternommen.
Herr, wirf Hirn! schrieb: > @TO: deine Idee ist super, bei entsprechender Lautstärke sehr > abschreckend, leicht durchführbar. Lass´ vielleicht noch das mit den 30 > Sekunden weg, dann brauchst du überhaupt keine Elektronik. Kannst ja > stattdessen eine so winzige Versorgung einplanen, daß diese sowieso nach > z.B. 1 Minute aufgibt. Sehr kleine LiPo-Akkus zum Beispiel, da gibt es > welche mit z.B. nur 80mAh, die trotzdem ordentlich Strom liefern können. Danke für den Tip. Ja, ich werde das Zeitglied weglassen...besser so. Der Piezo macht Krach (und zwar ordentlich), wenn der Einbrecher vor dem Bewegungsmelder steht. Wenn er abhaut, ist auch das Alarmsignal weg. Kommt er zurück, ist der Alarm sofort wieder da. Wenn alles eingerichtet ist (mit der Wäscheklammer), ist ein Fehlalarm ausgeschlossen. Der Hinweis auf den kleinen Lipo ist auch gut...mal sehen... Viele Grüße
Einer schrieb: > Stefan ⛄ F. schrieb: >> Wenn schon, würde ich den Kontakt in Reihe zum Ausgang des >> Bewegungsmelders schalten. ...auch gut.
Machen wir uns nichts vor: Selbst wenn man die Genehmigung bekommt, eine bessere Tür einzubauen, nützt das nichts. Genauso wenig wie eine Alarmanlage oder eine "Alarmanlage". Wenn es im Keller mehrere Parzellen mit Lattentüren und einer stabilen Tür vorhanden sind, erleichtert man dem Einbrecher nur das Suchen. Und er weiß, dass er nicht gestört wird. Die einzige brauchbare Lösung lautet also: In diesem Keller nichts Wertvolleres als Kartoffeln aufbewahren. So frustrierend das auch ist.
Walter T. schrieb: > Wenn es im Keller mehrere Parzellen mit Lattentüren und einer stabilen > Tür vorhanden sind, erleichtert man dem Einbrecher nur das Suchen. Und > er weiß, dass er nicht gestört wird. Nein, Einbrecher bevorzugen die einfachen Ziele. Wenn da 10 einfache Türen und eine schwer gesicherte ist, werden die erst mal die 10 einfachen Türen aufmachen und nachsehen.
Walter T. schrieb: > Die einzige brauchbare Lösung lautet also: In diesem Keller nichts > Wertvolleres als Kartoffeln aufbewahren. So frustrierend das auch ist. Na, du bist gut! Was ist mit meinem Fahrrad? Das stelle ich doch nicht in den gemeinsamen Fahrradkeller!!
Cyblord -. schrieb: > Einbrecher bevorzugen die einfachen Ziele. Genau. Also die Tür einer Nachbarparzelle aufdrücken und dann die Zwischenwand. Kartoffelkisten sind oft stabiler gebaut. albi schrieb: > Was ist mit meinem Fahrrad? Wenn weder im Fahrradkeller noch im eigener Keller ein Fahrrad sicher untergebracht werden kann, wird sich das Problem mit dessen Unterbringung mittelfristig von selbst erledigen. Gerade Fahrraddiebe sind schmerzbefreit und lassen sich von keiner Alarmanlage stören. Das normale Betätigungsfeld ist in aller Öffentlichkeit.
Heimwerker schrieb: > Sicherheitsnebel erzeugt. Leistungsfähige Geräte können einen > mittelgrossen Raum binnen Sekunden vernebeln. Was kostet so etwas? Ich kenne nur die Geräte aus der Disco, die lange vorheizen müssen.
Herr, wirf Hirn! schrieb: > Der TO hat eine gute Idee, an der überhaupt > nichts auszusetzen ist. Nein, die Idee ist richtig schlecht. Das wird dir jeder Kripo-Kommissar bestätigen.
Gerne, für xx.yyy,zz € übernehme ich das. Wenn Du Deine Anforderungen genauer beschreibst wird die Zahl auch genauer. Aber da Du vermutlich nur ein Troll bist - troll Dich :-)
Herr, wirf Hirn! schrieb: > ein gestellter Täter ohne Ausweg macht schnell Dinge, die er sonst > nie machen würde. Sehr guter Hinweis!
Ein Bekannter hatte auch das Problem mit Einbrechern. Die kamen immer in den Sommerferien und stiegen auch über das Kellerfenster ein. Verriegelungen haben sie aufgeflext/geschnitten. Hat keiner mitbekommen in der Nachbarschaft. Er hat dann in den Einstieg kaputte Weinflaschen gestellt. So das sich der Einbrecher verletzt. Resultat: Schmerzensgeld. Gegen den Einbrecher wurde nicht weiter ermittelt.
Divers schrieb: > Er hat dann in den Einstieg kaputte Weinflaschen gestellt. So das sich > der Einbrecher verletzt. > > Resultat: Schmerzensgeld. > > Gegen den Einbrecher wurde nicht weiter ermittelt. man darf sich in diesem Land eben nicht adäquat verteidigen
Divers schrieb: > Ein Bekannter hatte ... ... diese Geschichte vermutlich vom Friseur der Oma eines entfernten Verwandten gehört.
Walter T. schrieb: > Divers schrieb: >> Ein Bekannter hatte ... > > ... diese Geschichte vermutlich vom Friseur der Oma eines entfernten > Verwandten gehört. Die Story ist aus einem Drehbuch zum Crossover aus Kevin allein zu Haus und Boston Legal.
Walter T. schrieb: > Divers schrieb: >> Ein Bekannter hatte ... > > ... diese Geschichte vermutlich vom Friseur der Oma eines entfernten > Verwandten gehört. Nein, es war einer der 2 Straßen weiter gewohnt hatte und mir bekannt war. Daher Bekannter. Aber Menschen wie du können das wohl nicht verstehen. Ich werde mir auch nicht die Mühe machen es dir zu erklären.
Wir kommen ja nicht wirklich weiter...deshalb rate ich dem TO dringend, mal zur Kripo zu dackeln...alles andere ist Quatsch! Gruß Rainer
Divers schrieb: > Er hat dann in den Einstieg kaputte Weinflaschen gestellt. > So das sich der Einbrecher verletzt. > Resultat: Schmerzensgeld. Resultat: Ammenmärchen. Wenn der Einbrecher so doof ist, dass er sich an ausgelegten Scherben verletzt (und sich danach trotz Abwesenheit der Hausbewohner noch erwischen lässt), dann ist er unter Garantie auch zu doof, um für diese Verletzungen Schmerzensgeld zu ergattern. Herr, wirf Hirn! schrieb: > Und ein gestellter Täter ohne Ausweg macht schnell Dinge, die er sonst > nie machen würde. Er flüchtet schnell. Das würde er sonst nie machen. ;-) Aber ich denke, ich schiebe den Thread jetzt mal nach OT, denn was Digitaltechnisches oder wenigstens was Elektronisches passiert hier schon lange nicht mehr...
Divers schrieb: > Ein Bekannter hatte auch das Problem mit Einbrechern. Die kamen immer in > den Sommerferien und stiegen auch über das Kellerfenster ein. > Verriegelungen haben sie aufgeflext/geschnitten. Hat keiner mitbekommen > in der Nachbarschaft. > > Er hat dann in den Einstieg kaputte Weinflaschen gestellt. So das sich > der Einbrecher verletzt. > > Resultat: Schmerzensgeld. > > Gegen den Einbrecher wurde nicht weiter ermittelt. Hier in der Gegend wird schon lange grossflächig angeraten, alles Zerbrechliche aus dem eigenen Besitz/Eigentum gegen Plasteteile zu ersetzen, damit sich Einbrecher nicht verletzen können. Auch Messer, Scheren, Nähnadeln, Grillspiesse, etc. haben in einem Haushalt absolut nichts verloren. Es wird natürlich auch eindringlich vor der irrigen Vorstellung gewarnt, dass man für Diebe/Einbrecher/Räuber interessante Geräte wie TV, Hifi, PC, etc. einfach ohne Warnschilder an das 230/400V-Netz anschliessen dürfe. Hier in der Gegend hat sich ein Einbrecher beim Duschen verbrüht, weil sich der Kessel gerade im Antilegionellenbetrieb befand. Heute ist der ehemalige Hasubesitzer natürlich pleite und sitzt auf der Strasse, nachdem die Schmerzensgeldforderungen des Einbrechers halbwegs erfüllt waren.
Lothar M. schrieb: > Resultat: Ammenmärchen. Leider ist dem nicht so. Ich durfte im Wirtschafts- & Rechtsfach eine Hausaufgabe noch mal machen, weil ich bei dem Fall eines Fahrraddiebes, der wegen eines Defektes am gerade geklauten Fahrrad um es in sein Versteck zu bringen so stürzte, dass er Rollstuhlfahrer wurde, nicht mit den Beklauten als Schadensersatzpflichtigen im Ergebnis hatte. So etwas merkt man sich sein Leben lang.
Ralf X. schrieb: > Hier in der Gegend hat sich ein Einbrecher beim Duschen verbrüht Jetzt hätte ich vor Lachen fast den Tee verschüttet. Was für Dreckfinken brechen denn bei euch ein? So langsam wirds krude. Dieter D. schrieb: > Ich durfte im Wirtschafts- & Rechtsfach eine Hausaufgabe noch mal machen Ja nett. Ich durfte schon mal eine Hausaufgabe machen, wo einer ein Seil un die Erde legt, so dass es eng anliegt. Dann macht er es 1m länger und die Frage war, wie weit es dann ringsum von der Erde entfernt ist.(**) Wen ich mein Fahrrad defekt (und sogar verschlossen) abstelle mit der Absicht, die heute um 21 Uhr nicht mehr beschaffbaren Bremsbeläge morgen zu kaufen und den Geppel damit zu reparieren, dann möchte ich mal den Anwalt sehen, der diesen Prozess im RL wirklich gewinnt, wenn der Dieb damit auf die Mauer rasselt und sich das Genick bricht. Denn letztlich muss der, der ein Fahrzeug in Betrieb nimmt, vor der Fahrt dessen Verkehrstauglichkeit sicherstellen. Ich kann mir bestenfalls vorstellen, dass es etwas anders läuft, wenn ich zufällig des Weges komme und das mit dem Genickbruch selber bewerkstellige. (**) die einzig richtige realistisch Lösung wäre "gar nicht, weil es ringsum zu Boden fällt", aber der Lehrer wollte 1m/(2pi) dastehen haben, dann hab ich es halt hingeschrieben.
Lothar M. schrieb: > Wen ich mein Fahrrad defekt (und sogar verschlossen) abstelle mit der In Deinem Falle musst Du es verschlossen haben, um nicht belangt werden zu können. Oder er entreißt es Dir gewaltsam, so dass Du keine Chance hattest ihm mitzuteilen, dass das Rad nicht in Ordnung ist. Ist das Schloss defekt, dann hilft noch ein großer Aufkleber "defekt" oder Du entfernst Sattel, ein Rad, oder verdrehst komplett den Lenker. Lothar M. schrieb: > und sich das Genick bricht. In dem Falle hast Du Glück gehabt, weil der Täter kann nicht mehr behaupten, es wäre nicht abgeschlossen gewesen oder er wäre nicht gewarnt worden. Das waren die Spitzfindigkeiten über die ich gestolpert war. Mir hatte ein Dieb vor ungefähr zwanzig Jahren ein altes Rad vor der Haustüre geklaut. In den Keller konnte ich es nicht wegen einer Verletzung tragen. Ich hatte aber ein altes Zahlenschloss am Rad hängen. Der Täter kam nicht weit, weil wegen eines Defektes blockierte das Schutzblech und er Täter stürzte in einen Zaun, der danach ramponiert war und flüchtete ohne Rad weiter. Der Dieb wurde nicht mehr gefaßt. Auf dem Zaunschaden blieb der Hausbesitzer sitzen, weil ich bei der Diebstahlmeldung angab, dass ich das Rad wie immer abgeschlossen hatte (war mir aber nur zu 80% sicher).
Dieter D. schrieb: > (war mir aber nur zu 80% sicher). Ich glaube, ich würde es schaffen, dass du dann ungefähr 20% des Zaunschadens zahlen müsstest... ;-) > In Deinem Falle musst Du es verschlossen haben, um nicht belangt werden > zu können. In meinem Fall würde ich steif und fest behaupten, er hätte es gar nicht gestohlen, sondern er wollte es nachts um 3 reparieren und anschließend auf eigene Gefahr eine Testfahrt machen.
Unsere (Un?-) Rechtsprechung geht schon seltsame Wege: Ein Freund von mir hat eine kleine Tanne im komplett umzäunten Vorgarten stehen. Regelmäßig wurden ihm in der Adventszeit die Kerzen der Beleuchtung vom Baum geklaut. Auf die Frage an die Polizei, ob er innerhalb seines Grundstückes einen (wie auch immer...) spannungsführenden Draht zur Abwehr anbringen kann, hieß es sinngemäß: "Wenn sich jemand verletzt, bis Du schuldig!" Wo sind wir hingeraten, wenn ein Missetäter/Einbrecher mehr Rechte hat als der Eigentümer eines Grundstücks bzw. einer Sache? Völlig OT: Im sogenannten "finsteren Mittelalter" wurden Eigentumsdelikte mit dem Pranger oder Schlimmerem bestraft. Heutzutage muß der Geschädigte noch seine Unschuld beweisen!? Der Nachdenkliche Johannes
Anbei ein paar Beispiele aus USA: Es soll die Erhöhung dass Diebstahl nur eine Ordnungswidrigkeit wäre von 450 Auf 950 Dollar an den Plünderungen schuld sein: https://www.nzz.ch/meinung/san-francisco-grassierender-ladendiebstahl-ld.1628490?reduced=true https://www.merkur.de/welt/usa-gesetz-kalifornien-ladendiebstahl-950-dollar-proposition-47-streit-filial-schliessungen-diebe-91104051.html https://www.tagesanzeiger.ch/80-raeuber-stuermen-nobel-kaufhaus-388388324176 Er hier schreibt, dass das alles nicht richtige Berichterstattung wäre: https://uebermedien.de/65216/irre-geschichte-ueber-irres-gesetz-das-klauen-in-kalifornien-erlaubt/ ", und nachdem mindestens ein Angestellter bei dem Versuch, einen solchen Räuber zu stellen, erschossen wurde, geben die meisten Filialleiter selbst den Sicherheitsleuten die Direktive, die Räuber lieber einfach ziehen zu lassen." Wie so meistens ist die Realität nicht so einfach. Es besteht ein rechtlicher Unterschied zwischen der Verfolgung einer Ordnungswidrigkeit und einer Strafsache. Die 950 Präpostion 47 darf man nicht alleine betrachten. Wenn zum Beispiel die Angestellten wegen dem Versuch den Dieb, der den Diebstahl der Einstufung Ordnungswidrigkeit beging, zu Schaden kommen, sehen die rechtlichen Ansprüche und wer zum Beispiel für die Kosten des Krankenhausaufenthaltes aufkommt unterschiedlich aus. Die Suchmaschine Tante G. ist auch nicht mehr, das was diese mal war, weil ich den leider nur in USA vorhandenen Artikel (Tucson News) zu einem Urteil im Nachbarstaat Californien suche, wo ein solcher Plünderer gegen die Sekurity eines Geschäftes klagte, die einen solchen Täter erwischten, überwältigten und festsetzten bis die Polizei kam. Die Leute wurden wegen Kidnapping verurteilt. Jetzt kommt noch verstärkend hinzu die Armutsprobleme durch Corona und die Folgen von "Defund the Police" durch bestimmte Ereignisse, die ich hier weglasse, weil es sonst zu sehr politisch wird. Als ich vor ungefähr fünf Jahren in einer Outlet Mall war, hatte ich beim Warten auf Freunde mal die Mall Roules überflogen. Dort standen explizite private property rules, die man mit dem Betreten des Areal akzeptiert. Die Mall hatte eine eigene mall police. Damals hatte ich nicht verstanden, warum dort stand, dass jeder auf dem Gelände einen Dieb eine angemessene Zeit bis zur Übergabe an die Mall-Polizei festhalten darf. Hätte die Tafel sonst abfotografiert. Besonders humorvoll fand ich die Regel, dass diese sich vorbehalten nicht Jeden zum Zeigen des Ausweises aufzufordern vor der Abgabe von Alkohol oder anderen altersbeschränkten Produkten. Der Grund für diese Regel war, dass sich eine Frau jenseits der 70 Jahre beschwerte, dass sie altersdiskriminiert wurde, weil der Ausweis von ihr nicht verlangt wurde. Jetzt wieder nach Europa: Zumindest so ist noch bei uns aus die rechtliche Regelung: https://www.juraforum.de/ratgeber/strafrecht/ladendiebstahl-und-festnahmerecht
Johannes R. schrieb: > Wo sind wir hingeraten, wenn ein Missetäter/Einbrecher mehr Rechte hat > als der Eigentümer eines Grundstücks bzw. einer Sache? Jemand klaut Kerzen und wird mit Strom niedergestreckt. Ich sehe hierbei nicht dass der Dieb mehr Rechte hat wie der Eigentümer. Selbstjustiz ist eine gefährliche Sache zu der ich nicht gerne wieder zurück kehren möchte. Selbst wenn für mich das Eigentum des Anderen tabu ist.
Johannes R. schrieb: > Wo sind wir hingeraten, wenn ein Missetäter/Einbrecher mehr Rechte hat > als der Eigentümer eines Grundstücks bzw. einer Sache? Stell dir vor, jeder baut irgendwelche Lebensgefährlichen Fallen um sein Haus auf. Das wäre Irre! Und es ist ja nicht von vorn herein pauschal verboten oder? Man muss dann eben lediglich die Konsequenzen tragen, wenn sich jemand verletzt. Genau DAS wurde ihm gesagt. Ist das zu viel verlangt? Und natürlich kann niemand erwarten dass man einen Kerzendieb per Strom verletzen oder töten darf. Andererseits, wenn man so einen Hass auf die Person hat, muss man eben die Konsequenzen in Kauf nehmen. Heutige Schneeflöckchen wollen alles machen dürfen was sie wollen und keine Konsequenzen oder Verantwortung. Geht halt nicht.
Stefan ⛄ F. schrieb: > Ich kenne nur die Geräte aus der Disco, die lange vorheizen müssen. Ich befürchte dass bei diesen Geschäftsraumverneblern die Heizung die ganze Zeit an ist und dann nur noch das Nebelfluid aufgepumpt wird.
Johannes R. schrieb: > Wo sind wir hingeraten, wenn ein Missetäter/Einbrecher mehr Rechte hat > als der Eigentümer eines Grundstücks bzw. einer Sache? auf dem gleichen falschen Wege, wo Radfahrer eine generelle Absolution erhalten, wenns zum Unfall mit Kraftfahrzeugen kommt
Johannes R. schrieb: > Wo sind wir hingeraten, wenn ein Missetäter/Einbrecher mehr Rechte hat > als der Eigentümer eines Grundstücks bzw. einer Sache? Wo steht denn, dass ein Missetäter/Einbrecher mehr Rechte hat als der Eigentümer eines Grundstücks bzw. einer Sache? > Auf die Frage an die Polizei, ob er innerhalb seines Grundstückes einen > (wie auch immer...) spannungsführenden Draht zur Abwehr anbringen kann Dann musst du sowieso das übliche Elektrozaun-Schild dranhängen. Und den Draht deutlich sichtbar machen. Und ab dann sehe ich kein Problem mehr. Aber: so einen Zaun überwinde ich als Kerzendieb jederzeit, weil ich weiß: der Stromschlag tut weh, er bringt mich aber nicht um. Fazit: ausser Spesen nichts gewesen. > hieß es sinngemäß: "Wenn sich jemand verletzt, bis Du schuldig!" Und wie hieß "es" richtig? So wie ich Polizisten kenne, hieß es: "Wenn sich jemand verletzt, müssen Sie die Konsequenzen tragen." Und das passt ja. Denn da wurde nichts hinterhältig oder unerkennbar abgesichert, sondern die Konsequenzen deutlich angekündigt und keine über den Sachschutz hinausgehende "Gewalt" angewendet. Oliver S. schrieb: > Stefan ⛄ F. schrieb: >> Ich kenne nur die Geräte aus der Disco, die lange vorheizen müssen. > Ich befürchte dass bei diesen Geschäftsraumverneblern die Heizung die > ganze Zeit an ist und dann nur noch das Nebelfluid aufgepumpt wird. Ich habe einfach mal interessehalber eine Minute gegoogelt. Es gibt Kaltnebler: https://alarm-franke.de/schutznebeltechnik-der-neusten-generation/ Und solche, die ständig heizen: https://schutznebel.de/ Dort werden ständig 40W verheizt: https://shop.armantis.de/ur-fog/modular-plus-serie/sicherheitsnebelsystem-modular-plus?number=600514.600524
Bitte melde dich an um einen Beitrag zu schreiben. Anmeldung ist kostenlos und dauert nur eine Minute.
Bestehender Account
Schon ein Account bei Google/GoogleMail? Keine Anmeldung erforderlich!
Mit Google-Account einloggen
Mit Google-Account einloggen
Noch kein Account? Hier anmelden.

