Forum: Mikrocontroller und Digitale Elektronik Mit Türklingel Zigbee Taster "ansteuern"


von Walter W. (Gast)


Lesenswert?

Hey Mikrocontroller-Community,

ich wohne in einer Mietwohnung ich möchte gerne folgendes machen:
wie viele Andere habe ich über der Eingangstür einen ganz einfachen 
Türgong hängen und habe bei mir in der Schublade noch einen 
Ikea-Shortcut-Button rumliegen (sendet bei Tastendruck eine Nachricht an 
meinen Zigbee-Hub).
Nun hab ich den Taster einmal aufgeschraubt und statt den Taster auf dem 
Schalter zu drücken habe ich das Signal als Test mit einem Draht 
überbrückt und (wie logisch zu erwarten war) ist natürlic eine Nachricht 
bei meinem Zigbee-Hub angekommen.

Ich möchte nun gerne neben der eigentlichen Klingel-Funktion der 
Wohungsklingel den Tastendruck dazu nutzen, dass ebenfalls ein 
Tastendruck an meinen Ikea-Shortcut-Button simuliert wird und ich 
anschließend mit meiner Heimautomatisierung auf dieses Event reagieren 
kann.
Ich hab mir gedacht, dass es ja ausreichend sein müsste den Schalter am 
Ikea-Shortcut-Button mit einem Transistor so zu verbinden, dass der 
Collector und Emmiter wie der physische Button angeschlossen sind und 
ich anschließend von der Türklingel aus ein Kabel zur Base des 
Transistors legen kann, wodurch der Strom vom Taster beim auslösen der 
Klingel den Button "aktiviert".

Kann mir jemand erklären ob meine Idee richtig gedacht ist und 
Vorschläge für die Bauteile machen oder mir im Fall einer schlechten 
Idee den richtigen aufweisen?

PS: Dadurch, dass ich in einer Mietwohnung lebe, möchte ich an der 
Klingel so wenig wie möglich verändern, daher die Idee lediglich einen 
draht abzuleiten.

Ich Danke euch
Walter

von STK500-Besitzer (Gast)


Lesenswert?

Walter W. schrieb:
> Kann mir jemand erklären ob meine Idee richtig gedacht ist und
> Vorschläge für die Bauteile machen oder mir im Fall einer schlechten
> Idee den richtigen aufweisen?

Türklingeln werden in der Regel mit Wechselstrom betrieben.

von Walter W. (Gast)


Lesenswert?

Und die Nutzung Diode um aus dem Wechselmstrom einen pulsierenden 
Gleichstrom zu machen ist keine Option?
Könnte man den prinzipiell einen Transistor oder auch Mosfet nutzen um 
mit der Spannung der Klingelanlage (12V) einen kleineren Strom des 
Shortcut-Button (3.3V) zu schalten?

von Einer (Gast)


Lesenswert?

Alternativen:
Optokoppler
Relais

von STK500-Besitzer (Gast)


Lesenswert?

Walter W. schrieb:
> Und die Nutzung Diode um aus dem Wechselmstrom einen pulsierenden
> Gleichstrom zu machen ist keine Option?
> Könnte man den prinzipiell einen Transistor oder auch Mosfet nutzen um
> mit der Spannung der Klingelanlage (12V) einen kleineren Strom des
> Shortcut-Button (3.3V) zu schalten?

Da du nur den Transistor aufgeführt hattest, habe ich einen 
entsprechenden Hinweis gegeben.
Natürlich kann man eine Diode davorschalten.
Dann "klingelt" es mit 50Hz...

Man könnte auch noch ein retriggrebares Monoflop mit einer so großen 
Impulsdauer dahinterschalten, dass auch Sturmklingeln "gleichgerichtet" 
wird.

von Walter W. (Gast)


Lesenswert?

Ich konnte in der Zwischenzeit herausfinden, dass die Klingel 5V 
Wechselstrom liefert. Der Ikea-Shortcut-Button läuft mit 3V.
Wäre es daher möglich den Shortcut-Button mit einem NPN Transistor 
(BC547) zu überbrücken (Collector und Emitter) und den + Pol vom 
Klingeldraht (5V Wechselstrom) an die Base vom Transistor anschließen?

Insofern das geht wäre nur noch das Problem mit den 50 Hertz, wenn 
geklingelt wird. Hat jemand hierfür eine simple Lösung mit fertigen 
Kompontenten oder eine Umgehungslösung mit einfaches elektronischen 
Bauteilen?

von Joachim B. (jar)


Lesenswert?

Walter W. schrieb:
> lediglich einen
> draht abzuleiten.

zu einem Stromkreis brauchst immer mindestens 2, jede Batterie, jeder 
Akku, jede Steckdose, jeder Stecker zr Versorgung hat immer mindestens 2 
Anschlüsse.

Wenn eine Klingel lärmen kann dann kann die Quelle auch zusätzlich einen 
Optokoppler oder Photomosrelais ggffs mit etwas Hilfe antreiben, 
Widerstand, Gleichrichter, je nach dem.

Walter W. schrieb:
> dass die Klingel 5V
> Wechselstrom liefert

unwahrscheinlich, Klingeln liefern nichts, 5V ist Spannung und 
ungewöhnlich.
Ich tippe du trolst oder brauchst massiv Hilfe, ich weiss nicht wie ich 
helfen kann, ein Schaltplan wird dir nicht helfen.

: Bearbeitet durch User
von Martin H. (horo)


Lesenswert?

Einer schrieb:
> Alternativen:
> ...
> Relais

Was spricht dagegen? Überschaubare Technik, kein Stress mit Transienten.

von FOp (Gast)


Lesenswert?

Also ich wäre für Relais. Manchmal wird nämlich die Beleuchtung des 
Klingeltasters einfach in Reihe zu Klingel geschaltet, um Kabel zu 
sparen. Der Strom reicht nicht, dass die Klingel was macht, aber Dein 
Transistor fühlt sich angesteuert.

5V nunja, ist halt kein Bisschen spannungsstabilisiert. Auf dem Trafo 
steht vielleicht 6V, wenn nix los ist, sind es u.U. auch mal 7,5 V.

von Walter W. (Gast)


Lesenswert?

Hätte hier jemand einen konkreten Vorschlag, welches Modell von Relais 
hierfür gut geeignet wäre.

Freue mich über eure Antworten

von Joachim B. (jar)


Lesenswert?

Walter W. schrieb:
> Hätte hier jemand einen konkreten Vorschlag, welches Modell von Relais
> hierfür gut geeignet wäre.

jedes Relais welches auf die Türklingelspannung passt und dabei nicht zu 
viel Strom saugt!

von JJ (Gast)


Lesenswert?

Schick doch mal ein Foto von deiner Klingel, damit wir einschätzen 
können was du da hast.

von Türschelle (Gast)


Lesenswert?

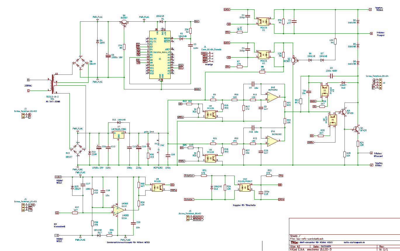
https://1.bp.blogspot.com/-s1f24qotDS8/YZbVmojdcgI/AAAAAAAACNs/cMErHCAuqx84o3QQgUH9mJjl2Q3f272dgCLcBGAsYHQ/s1369/20211118-schema-iwv-mfv-konverter-arduino.png

Baue einfach mal den Schaltungsteil "Koppler für Türschelle" nach.
Mit den Pins 3 und 4 zu deinem Taster. Collector an das positive Ende.

von JJ (Gast)


Lesenswert?

PS: Ich habe soetwas vor ein par Wochen selbst gebaut.

Meine "Klingel" Ist eine Ritto Sprechstelle die einen Anschluss für ein 
"Klingelanschaltrelais" hat. Dieser Anschluss liefert beim klingeln 5V 
für ca. 1 Sekunde.

Hier habe ich einen PC817 Optokoppler mit einem 1k Ohm Widerstand und 
auf der anderen Seite einen Sonoff Fensterkontakt angeschlossen. Die 
Transistorseite des PC817 ersetzt hier einfach den Reed Schalter des 
Fensterkontaktes.

von Türschelle (Gast)


Lesenswert?

JJ schrieb:
> Sprechstelle

 Ich bin parallel zum Lautsprecher gegangen.

Bitte melde dich an um einen Beitrag zu schreiben. Anmeldung ist kostenlos und dauert nur eine Minute.
Bestehender Account
Schon ein Account bei Google/GoogleMail? Keine Anmeldung erforderlich!
Mit Google-Account einloggen
Noch kein Account? Hier anmelden.