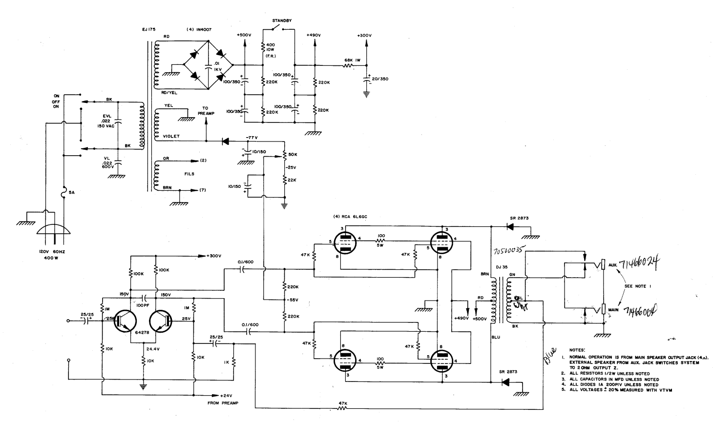
Hi Folks, hier ein Ausschnitt aus einem Hybrid Gitarren Verstärker. Da sind zwei Dioden zu sehen, jeweils von einer der Anoden nach Masse. Was ist jetzt die Bedeutung dieser Dioden? Ich denke mir, dass sie eine Totalzerstörung von Röhren, Röhrenfassungen und Ausgangsübertrager im Falle eines Lautsprecher Leerlaufes verhindern sollen. Aber werden sie nicht eventuell, wenn der Lautsprecher ordnungsgemäß angeschlossen ist, und der Verstärker schon am clippen ist, leitend? Dies würde dann doch hartes Clipping bedeuten? Liege ich damit so ganz falsch?
Schleimbeutelentzündungsvermeider schrieb: > Hi Folks, Nick Troll, Begrüßung merkwürdig..was ist Folks?🤔 Tschüss Troll.
Beitrag #6919761 wurde von einem Moderator gelöscht.
Die sollen jedenfalls den Ausgangs-Übertrager vor Überspannung schützen, wenn kein Lautsprecher dran ist, und es durch irgendwelches Resonanz-Gehabe Überspannungen geben sollte. Denn solch einfache Endstufen haben nun mal das Problem, daß die keine Rückkopplung haben, und damit auch keinen Verfehlungen der Ausgangsspannung aktiv entgegenwirken können.
Beitrag #6919773 wurde von einem Moderator gelöscht.
Jens G. schrieb: > solch einfache Endstufen haben nun mal das Problem, daß die keine > Rückkopplung haben, und damit auch keinen Verfehlungen der > Ausgangsspannung aktiv entgegenwirken können. Ok, könntest du nicht sehen. Eine Gegenkopplung von der Sekundärseite des Ausgangsübertragers zum Differenzverstärker gibt es, sie verläuft über den 47k Widerstand ganz unten.
Da muss mal ein richtiger Profi ran. Das bin ich zwar wirklich nicht, aber manchmal findet sich doch die eine odere andere Klärung. Es gibt schließlich nur wirklich wenig dumme Fragen und wenn es diese gibt, dann stellt diese gerade die große Politik am Ruder in der Regierung. Diese Dioden sind dazu da zu verhindern, dass durch Induktionsspitzen die Spannung an der Anode negativer wird als an der Kathode. Wenn das passieren sollte, dann bekommen die Gitter alle von der Kathode verdampften Elektronen ab und laden sich auf. Das gibt Verzerrungen, die etwas unangenehm klingen. Induktive Überspannungen werden so abgefangen. Das kann passieren, wenn plötzlich im Betrieb die Last abgeklemmt würde oder auf einer Seite im Betrieb eine Röhre (Hot Plug Tube Amplifier) gezogen würde.
Schleimbeutelentzündungsvermeider schrieb im Beitrag #6919773:
> Hier in diesem Forum bekam ich soeben fünf Antworten von den amtierenden ...
Die Gegenseite der ... PI-Korrektor*innen gibt es hier auch.
Schleimbeutelentzündungsvermeider schrieb: > Jens G. schrieb: >> solch einfache Endstufen haben nun mal das Problem, daß die keine >> Rückkopplung haben, und damit auch keinen Verfehlungen der >> Ausgangsspannung aktiv entgegenwirken können. > > Ok, könntest du nicht sehen. Eine Gegenkopplung von der Sekundärseite > des Ausgangsübertragers zum Differenzverstärker gibt es, sie verläuft > über den 47k Widerstand ganz unten. Wieder ein Beispiel, daß es nix bringt, einen Schaltungsausschnitt extrem beschnitten zu präsentieren. Aber egal, es kann durch die Induktivität des Übertragers trotzdem irgendwelche Überspannungen ergeben, die schlecht für irgendwas sind, wie auch Dieter (Gast) schrieb. Die Dioden begrenzen dies auf 2*Ua (1000V, wenn die Gegenseite bei 0V ist)) ...
Die untere Diode verhindert, dass am unteren Ende der Wicklung negative Spannung auftritt. Da die Mitte an 500 V angeschlossen ist, steigt daher das andre Wicklungsende maximal auf 1000 V und die obere Röhre ist vor Überspannung geschützt Für die andre Diode gilt das entsprechend.
Peter R. schrieb: > Da die Mitte an 500 V angeschlossen ist, steigt daher das andre > Wicklungsende maximal auf 1000 V und die obere Röhre ist vor > Überspannung geschützt Laut RCA Datasheet liegt das Limit der Anodenspannung der 6L6-GC bei 500V. Röhren sind wohl nicht so pingelig?
Dieter schrieb: > Diese Dioden sind dazu da zu verhindern, dass durch Induktionsspitzen > die Spannung an der Anode negativer wird als an der Kathode. Wenn das > passieren sollte, dann bekommen die Gitter alle von der Kathode > verdampften Elektronen ab Ein Gedanke, den diese Beschreibung in mir auslöst: Wenn der Kathodenstrom gerade hoch ist, und die Anodenspannung unter Null gehen würde, dann würde das Schirmgitter, G2 den vollen Strom übernehmen und thermisch überlastet werden. Dies verhindern die Dioden. Kann es so sein?!
(prx) A. K. schrieb: > Laut RCA Datasheet liegt das Limit der Anodenspannung der 6L6-GC bei > 500V. Röhren sind wohl nicht so pingelig? Ich interpretiere das Datenblatt so, das die 500V die Versorgungsspannung sein dürfen. Der Spitzenwert liegt dann wegen des Ausgangsübertragers bei 1000V. Wollte jetzt jemand diese Röhren durch MOSFETs ersetzen müssten diese durchaus auf eine Spannung von 1000V ausgelegt werden. Ich würde sogar 1200V wählen um auf der ganz sicheren Seite zu sein. Außerdem würde ich wahrscheinlich über eine Diodenkonstruktion zur Begrenzung der positiven Spitzenspannung nachdenken, die beiden Wicklungshälften der Primärwicklung sind nicht unendlich gut gekoppelt, Stichwort Streuinduktivität.
Als diese Röhre entwickelt und eingesetzt wurde, gab es die Diode noch nicht. Und wenn man hunderte solcher Schaltungen gesehen hat, und nirgends sind solche Dioden verbaut, ist das sehr merkwürdig. Da will sich jemand neumodisch profilieren.
Schleimbeutelentzündungsvermeider schrieb: > Ich interpretiere das Datenblatt so, das die 500V die > Versorgungsspannung sein dürfen. Welches Datenblatt? Ich sehe da max. 375V Anodenspannung. Eher weniger. Das ist eine Murksschaltung und man sollte keinen weiteren Gedanken dazu verschwenden. https://patric-sokoll.de/R%C3%B6hrenmuseum/Datenbank/R%C3%B6hrenTypen/6L6GC.html
michael_ schrieb: > Das ist eine Murksschaltung und man sollte keinen weiteren Gedanken dazu > verschwenden. Aus heutiger Sicht sind das alles Murksschaltungen ... auch Deine Existenz ist Murks ....
michael_ schrieb: > Ich sehe da max. 375V Anodenspannung. Eher weniger. Abs Max: 6L6=375V, 6L6GC=500V. Bei der Schirmgitterspannung sind es maximal 450V, hier in der Schaltung grosszügig auf 490V aufgerundet.
Falsch gedacht. Kann nicht die Anodenspannung sein. Du mußt ja zur Anodengleichspannung immer noch die Halbwelle der Aussteuerung dazurechnen. So, und nu ist Weihnacht!
michael_ schrieb: > Als diese Röhre entwickelt und eingesetzt wurde, gab es die Diode noch > nicht. Und damals war sie für reine Audioanwendungen vorgesehen. In so einem Gitarrenverstärker wird sie nicht bestimmungsgerecht eingesetzt. Die Röhre wird über lange Zeiträume vollkommen übersteuert ("Overdrive") Sie ist nicht mehr im linearen Bereich. Die Kennlinien im Datenblatt decken die Bereiche, in denen die Röhre im Gitarrenverstärker betrieben wird, nicht ab. Bei Röhren sehe ich zwei relevante Ausfallmechanismen : 1. Thermische Überlastung, falls im inneren der Röhre Teile stark erhitzt werden, verdampft Metall, das sich dann an ungünstigen Stellen niederschlägt. 2. Spannungsüberschläge im Inneren der Röhre bzw. am Röhrensockel. Die beiden fraglichen Dioden haben höchstwahrscheinlich die Funktion, das Schirmgitter G2 gegen Überlastung durch Stromübernahme zu schützen.
Schleimbeutelentzündungsvermeider schrieb im Beitrag #6919773: > Elektromeister schrieb: >> Keine Ahnung, was sollen sie denn schon großartig tun? >> Leuchten oder dunkel sein, das wird wohl alles sein, Strom fließt, Strom >> fließt nicht! >> Hasta la Vista Baby! > > In meinem Umfeld sind so gut wie alle vollständig geimpft, teilweise > auch schon mit Booster. Das Umfeld, in dem man sich bewegt, ist halt ein > bisschen auch die Reflexion von einem selbst, und bei mir sind das > zumeist gebildete Menschen. Hier in diesem Forum bekam ich soeben fünf > Antworten von den amtierenden Querdenkern. Mensch Jungs, wie schafft ihr > es nur, immer die besten Threads zu zerstören. Ich wette, keiner von > euch ist in Arbeit und Brot oder hat jemals ein Mädchen gesehen... In meinem Umfeld ist das eher das Gegenteil, größten Teils Ungeimpfte die auch wissen warum sie das nicht wollen. Das hindert mich allerdings in keinster Weise dem Rest Deiner Meinung zuzustimmen, das ist halt die heute übliche Wokeness samt angeschlossener Cancel-Culture. Da Du Dich mit meinem Post einer gewissen Kontaktschuld schuldig gemacht hast, ist zu erwarten das die ganzen kaputten Truppenteile von Dir jetzt fordern das Gegenteil zu behaupten und ihren Scheiß gut zu finden. Mich betrifft das nicht, ich bin eh einer mir Krätze.. Schöne Weihnachten Allen soweit wie das möglich ist, Pille
Schleimbeutelentzündungsvermeider schrieb im Beitrag #6919773: > Elektromeister schrieb: >> Keine Ahnung, was sollen sie denn schon großartig tun? >> Leuchten oder dunkel sein, das wird wohl alles sein, Strom fließt, Strom >> fließt nicht! >> Hasta la Vista Baby! > > In meinem Umfeld sind so gut wie alle vollständig geimpft, teilweise > auch schon mit Booster. Das Umfeld, in dem man sich bewegt, ist halt ein > bisschen auch die Reflexion von einem selbst, und bei mir sind das > zumeist gebildete Menschen. Hier in diesem Forum bekam ich soeben fünf > Antworten von den amtierenden Querdenkern. Mensch Jungs, wie schafft ihr > es nur, immer die besten Threads zu zerstören. Ich wette, keiner von > euch ist in Arbeit und Brot oder hat jemals ein Mädchen gesehen... In meinem Umfeld ist das eher das Gegenteil, größten Teils Ungeimpfte die auch wissen warum sie das nicht wollen. Das hindert mich allerdings in keinster Weise dem Rest Deiner Meinung zuzustimmen, das ist halt die heute übliche Wokeness samt angeschlossener Cancel-Culture. Da Du Dich mit meinem Post einer gewissen Kontaktschuld schuldig gemacht hast, ist zu erwarten das die ganzen kaputten Truppenteile von Dir jetzt fordern das Gegenteil zu behaupten und ihren Scheiß gut zu finden. Mich betrifft das nicht, ich bin eh einer mir Krätze.. Schöne Weihnachten Allen soweit wie das möglich ist, Pille Schleimbeutelentzündungsvermeider schrieb: > Jens G. schrieb: >> solch einfache Endstufen haben nun mal das Problem, daß die keine >> Rückkopplung haben, und damit auch keinen Verfehlungen der >> Ausgangsspannung aktiv entgegenwirken können. > > Ok, könntest du nicht sehen. Eine Gegenkopplung von der Sekundärseite > des Ausgangsübertragers zum Differenzverstärker gibt es, sie verläuft > über den 47k Widerstand ganz unten. Das ist Unfug, weil die Gegenkopplung nicht vergessen wurde, sondern absichtlich weggelassen wurde, weil die daraus resultierenden Verzerrungen zum Sound des Gitarren-Amps (der kein HIFI machen soll, sondern Teil eines Instrumentes ist) beit tragen. Das ist also gewollt. Die richtige Antwort stand schon da, hier nochmal ausführlicher: Bei Übersteuerung arbeiten die Endstufenröhren im Schaltbetrieb, eine der Röhren führt vollen Strom, die andere gar Keinen. Im Abschlatmoment des Stromes durch die Primärwicklung wir in dieser eine hohe Selbstinduktionsspannung umgekehrter Polarität erzeugt, weit höher als die Anodenspannung und mehr als die Wicklungsiolation verträgt. Die Dioden dienen dazu diese Spannung abzuleiten und ein Durchschlagen der Isolation zu vermeiden. Andere Möglichkeiten sind ein ausreichend groß dimensionierter VDR über den Wicklungen oder auch ein sekundär parallel zum LSP fest verdrahteter 100Ohm Widerstand, der ausreichend wenig Leistung sinnlos verbrät, aber den "grenzenlosen" Anstieg der Selbstindunktionsspannungen zuverlässig verhindert. Gruß, Pille
Pille schrieb: > Das ist Unfug, weil die Gegenkopplung nicht vergessen wurde, sondern > absichtlich weggelassen wurde Am unteren Rand ist ein 47k Widerstand erkennbar, der wahrscheinlich von der Mittelanzapfung des Trafos zum Eingangsbereich der Endstufe geht. Das sieht schon stark nach einer Gegenkopplung aus, aber in der Begrenzung stört sie nicht, denn sie regelt nicht mehr aus.
michael_ schrieb: > Falsch gedacht. > Kann nicht die Anodenspannung sein. > Du mußt ja zur Anodengleichspannung immer noch die Halbwelle der > Aussteuerung dazurechnen. Die von mir aufgeführten Abs Max Werte sind nicht ausgedacht, sondern aus den Datasheets der beiden in meinem Beitrag aufgeführten Röhrentypen abgeschrieben. Also keine Spannungswerte dieser Schaltung. Da bei diesem Verstärker ohne Signal beide Röhrenpaare durch die Gittervorspannung von -55V ziemlich abgeschaltet sind, liegt deren Ruhe-Anodenspannung bei an die 500V. Sieht stark nach Klasse B aus. Mit Signal kriegt die weiterhin inaktive Seite dann über den Trafo mehr oder weniger Überspannung ab. Wie sich Röhren dabei verhalten weiss ich nicht, das scheint aber bei solchen Gitarrenverstärkern nicht unüblich zu sein.
Schleimbeutelentzündungsvermeider schrieb: > In so einem Gitarrenverstärker wird sie nicht bestimmungsgerecht eingesetzt. Das trifft es recht gut. Die Röhre wird hier extrem ausgereizt. > Die beiden fraglichen Dioden haben höchstwahrscheinlich die Funktion, > das Schirmgitter G2 gegen Überlastung durch Stromübernahme zu schützen. Mit den Dioden überleben die Röhren im Verstärker länger.
Pille schrieb: > Das ist Unfug, weil die Gegenkopplung nicht vergessen wurde, sondern > absichtlich weggelassen wurde, weil die daraus resultierenden Dann guck Dir den Plan nochmal genauer an, bzw. die Bemerkungen dazu von Schleimbeutelentzündungsvermeider (Gast) ...
Jens G. schrieb: > Die Dioden begrenzen dies auf 2*Ua > (1000V, wenn die Gegenseite bei 0V ist)) ... Allerdings sind es 2000V-Dioden. michael_ schrieb: > Da will sich jemand neumodisch profilieren. Diese Dioden scheinen typisch für Peavey zu sein, deren Bezeichnung findet sich scheinbar nur dort.
(prx) A. K. schrieb: > Jens G. schrieb: >> Die Dioden begrenzen dies auf 2*Ua >> (1000V, wenn die Gegenseite bei 0V ist)) ... > > Allerdings sind es 2000V-Dioden. Das ist egal. Die begrenzen, wenn die jeweils "unterste" Diode -0,7V zu sehen bekommt. Dann leitet die nämlich. Die andere Diode sieht dann 1000,7V im Sperrmodus ... > michael_ schrieb: >> Da will sich jemand neumodisch profilieren. > > Diese Dioden scheinen typisch für Peavey zu sein, deren Bezeichnung > findet sich scheinbar nur dort. Ja, muß wohl eine Zauberdiode sein ...
Den Schaltplan eines ähnlichen Modells findet man unter https://www.thetubestore.com/lib/thetubestore/schematics/Peavey/Peavey-Mace-Deuce-VT-Schematic.pdf
Jens G. schrieb: > Das ist egal. Die begrenzen, wenn die jeweils "unterste" Diode -0,7V zu > sehen bekommt. Dann leitet die nämlich. Die andere Diode sieht dann > 1000,7V im Sperrmodus ... Ein klein wenig mehr, da sind drei Dies in Reihe drin.
Schleimbeutelentzündungsvermeider schrieb: > Aber werden sie > nicht eventuell, wenn der Lautsprecher ordnungsgemäß angeschlossen ist, > und der Verstärker schon am clippen ist, leitend? Dies würde dann doch > hartes Clipping bedeuten? Liege ich damit so ganz falsch? Die Dioden schützen die Röhren, falls bei voller Aussteuerung die Verbindung zum Lautsprecher unterbrochen wird. Was auf der Bühne durchaus vorkommen kann. Auf das "Clipping", also den Klang des Verstärkers, haben sie keinen Einfluss. Schleimbeutelentzündungsvermeider schrieb: > Ok, könntest du nicht sehen. Eine Gegenkopplung von der Sekundärseite > des Ausgangsübertragers zum Differenzverstärker gibt es, sie verläuft > über den 47k Widerstand ganz unten. Da fehlt das Bezugspotential. Und von der Mittelanzapfung des Ausgangsübertragers aus funzt eine Gegenkopplung sowieso nicht.
der schreckliche Sven schrieb: > Da fehlt das Bezugspotential. Fehlt nicht. Die untere Anzapfung BK liegt auf der gleichen Masse wie der Rest der Schaltung. > Und von der Mittelanzapfung des Ausgangsübertragers aus funzt eine > Gegenkopplung sowieso nicht. Wieso nicht? Die Anzapfung unterscheidet zwischen zwei Lautsprecher-Impendanzen. Beim Gerät von Schleimbeutelentzündungsvermeider ist einer für 2 Ohm, der andere Wert ist abgeschnitten.
Leute, was ist denn los? Sind alle Kenner von Röhrenschaltungen schon tot, oder noch am Absingen von Weihnachtsliedern? Ich gehöre ja selbst nicht dazu und hoffte hier was zu lernen.
der schreckliche Sven schrieb: > Da fehlt das Bezugspotential. > Und von der Mittelanzapfung des Ausgangsübertragers aus funzt eine > Gegenkopplung sowieso nicht. Du hast die Verbindung zur Masse am Ausgang uebersehen. Das ist definitiv eine Gegenkopplung, aber das ist beim Gitarrenverstaerker nur eine schwache Gegenkopplung.
H. H. schrieb: > Einfach den gesamten Schaltplan anschauen. Iiiiihh .... Transistoren in einer Röhrenschaltung ... Oder Röhren in einer Transistorschaltung? ;-)
Jens G. schrieb: > Iiiiihh .... Transistoren in einer Röhrenschaltung ... Sehr lustig, war fast exakt auch mein Gedanke. Statt Iiiiihh.... nur Igittigitt....
Jens G. schrieb: > Iiiiihh .... Transistoren in einer Röhrenschaltung ... > Oder Röhren in einer Transistorschaltung? > ;-) Iiiiihh .... Alkohol im Blut ... oder Blut im Alkohol?
H. H. schrieb: > Einfach den gesamten Schaltplan anschauen. Ja, den man sich selber suchen muss, weil der TO zu dumm ist, ihn zu posten. Alles klar.
der schreckliche Sven schrieb: > H. H. schrieb: > >> Einfach den gesamten Schaltplan anschauen. > > Ja, den man sich selber suchen muss, weil der TO zu dumm ist, ihn zu > posten. Alles klar. Weihnachtsgeschenk für dich : einfarbiger Rubiks Cube 2x2
Beitrag #6920522 wurde von einem Moderator gelöscht.
Jens G. schrieb: > .... Transistoren in einer Röhrenschaltung ... Das verpfuscht natuerlich den Sound, aber wenn vorne eine klassische Stufe aus JFet waere, dann waere dem nicht so.
Dieter schrieb: > Jens G. schrieb: > >> .... Transistoren in einer Röhrenschaltung ... > > Das verpfuscht natuerlich den Sound, aber wenn vorne eine klassische > Stufe aus JFet waere, dann waere dem nicht so. Hörensagen... Hörensagen ist etwas, das eine Person nur aus Erzählungen anderer erfahren hat. Umgangssprachlich bedeutet die Redensart das ist nur Hörensagen, man könne auf diese Mitteilung nicht bauen.
Schleimbeutelentzündungsvermeider schrieb: > Hörensagen... Oder einfach nur ausgewertete Ergebnisse der Hormonics von Simulationen mit LTSpice und Vergleiche am Objekt. Aber Weiteres hierzu führt hier vom Thema zu weit weg und steht in keinen direkten Zusammanhang mit der Frage zu den Dioden des Threads.
Bitte melde dich an um einen Beitrag zu schreiben. Anmeldung ist kostenlos und dauert nur eine Minute.
Bestehender Account
Schon ein Account bei Google/GoogleMail? Keine Anmeldung erforderlich!
Mit Google-Account einloggen
Mit Google-Account einloggen
Noch kein Account? Hier anmelden.





