Hallo zusammen, insbesondere Bildröhrenspezialisten, Bei (m)einem HM5107-2 ändert sich die Bildgröße ständig leicht, gleichzeitig und in gleichem Maß sowohl in X- und in Y-Richtung, um bis zu ca. 5% kleiner als normal. Mal größer, mal kleiner, auch Zwischengrößen und langsame Änderungen. Und auch im Analog-Betrieb. Ich kann keine Änderung von Helligkeit, Focus oder Astigmatismus erkennen, aber bei diesen kleinen Schwankungen auch nicht ausschließen. Ich gehe von einer schwankenden Betriebsspannung an einem Anschluss der Bildröhre aus. Meines Wissens nach ist die Ablenkempfindlichkeit nicht von der Nachbeschleunigungsspannung (+12 kV) abhängig, sondern von einer Spannung zwischen Masse (und damit einem Anschluss der Röhre - wie heißt der?) und der Kathode, hier -2 kV. Also habe ich diese Spannungen gemessen: Die stimmen alle 100% mit den Angaben im Service-Manual überein und ändern sich vor allen Dingen auch nicht. (Messen kann ich - das mache ich schon seit vielen Jahrzehnten.) Wenn das Phänomen nur im Digital-Betrieb auftreten würde, könnte eine gemeinsame Referenzspannung für die DACs Schuld sein, aber es tritt auch im Analogbetrieb auf. Abgesehen davon, dass die Bildgröße auch dann konstant bleiben würde, wenn die Betriebsspannungen der Verstärker schwankenden würden, sind die auch stabil. Bleibt also doch nur noch die 12 kV Hochspannung. Die zu messen möchte ich mir (aus sicherlich verständlichen Gründen) ersparen. Deswegen die 1. Frage: Kann so ein Effekt an schwankender Nachbeschleunigungsspannung liegen, insbesondere, dass das Bild dabei kleiner wird - nicht größer? Oder gibt's andere Erfahrungen? Die Röhre selber hätte ich weniger in Verdacht, weil es sowohl X als auch Y betrifft. Den HV-Trafo auch eher nicht, weil die -2 kV stabil stehen und exakt stimmen (gemessen mit einem 1:100 2 kV-Hochspannungstastkopf). Also käme dann eigentlich nur noch die HV-Kaskade in Frage. Und dabei die 2. Frage: Wo bekommt man günstig - wenn überhaupt - so eine Kaskade her? Muss das R&S sein? Existieren diese alten Produkte für die überhaupt noch? Tja, da hätte ich gerne noch eine zweite, auch dritte Meinung (und mehr) zu meiner Diagnose, bevor ich die Kaskaden-Therapie wage.
Der Zahn der Zeit (🦷⏳) schrieb: > und damit einem Anschluss der Röhre - wie heißt der? Das ist die Anode, üblicherweise als g4 bezeichnet, da man den Nachbeschleuniger als a bezeichnet. Aber warum das schwanken soll, verstehe ich angesichts deiner Messungen auch nicht. Wenn man einige genügend große genügend hochohmige Widerstände hat, kann man durchaus auch die Hochspannung messen. Ich habe für sowas noch welche im Bereich um die 100 MΩ rumliegen, aber ich würde auch nur ungern daran fummeln. ;-)
Hallo, das riecht sehr nach einem faulen Kondensator in der HV-Kaskade. Wo man eine als Ersatz herbekommt - keine Ahnung. Der einzige Schimmer einer Hoffnung wäre www.sky-messtechnik.de, Herr Leichum kennt sich aus und hat eventuell Ersatzteile verfügbar. Er macht den Service für die "älteren" Hamegs. Gruß, Jochen
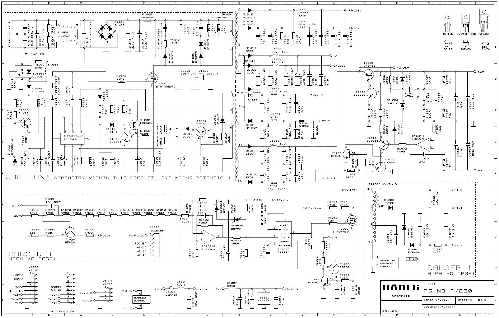
Der Zahn der Zeit (🦷⏳) schrieb: > Kann so ein Effekt an schwankender Nachbeschleunigungsspannung > liegen, insbesondere, dass das Bild dabei kleiner wird - nicht größer? Ja, kann es. Wird die Spannung höher, wird das Bild kleiner. Du kannst dir aus 100MOhm/1MOhm mal einen 100:1 Spannungsteiler bauen, vor allem, wenn du noch alte Rosenthal Keramikklopper oder so was rumliegen hast. Qualitative Messung reicht ja in diesem Fall. Eine Sonde in der Nähe von Anschluss 1 der Kaskade sollte dir sagen, obs die Kaskade oder die HV Wicklung des Trafos ist.
Jörg W. schrieb: > Wenn man einige genügend große genügend hochohmige Widerstände hat, kann > man durchaus auch die Hochspannung messen. Ich habe für sowas noch > welche im Bereich um die 100 MΩ rumliegen, aber ich würde auch nur > ungern daran fummeln. ;-) Geht mir genau so. Das Foto zeigt einen 400 MOhm Widerstand, der zweifellos für sehr hohe Spannung geeignet ist. Mit dem habe ich, glaube ich jedenfalls, in Urzeiten auch mal die 27 kV im TV meiner Eltern gemessen. Ich würde es gerne vermeiden. Matthias S. schrieb: > Ja, kann es. Wird die Spannung höher, wird das Bild kleiner. So erwarte ich es auch. Aber dass die Spannung nicht kleiner, sondern größer würde, kommt mir nicht plausibel vor(?). Aber eine bessere Erklärung hätte ich auch nicht. > Kaskade oder die HV Wicklung des Trafos Wenn es die 12 kV-Wicklung wäre, müsste es ein Feinschluss sein. Dann würde ich auch einen Einbruch der -2 kV erwarten .... Halt nein, die ist ja geregelt. Ein Feinschluss im HV-Trafo in der 2 kV-Wicklung würde die 12 KV steigen lassen - das klingt schlüssig! Das müsste sich auch an den anderen Anschlüssen des Trafos bemerkbar machen, z. B. müsste die Leistungsaufnahme steigen (Strom durch R1013). Oder die Spannung der Heizung (HT_1, HT_2) - auf -2 kV-Potential. Na ja, machbar. Dann könnten es vielleicht auch die Teile in der -2 kV-Erzeugung sein. Heiße Spuren. Irgendwann in meinem Leben habe ich auch mal irgendeine Hochspannungsdiode in einer Zeilenendstufe erfolgreich ersetzt. Ein Riesending, aber nicht die für die ganz hohe Spannung. Nannte sich das Booster-Diode? (Wenn nicht - wo würde ich den Trafo her bekommen? Vom Regen in die Traufe...) Jochen F. schrieb: > www.sky-messtechnik.de, Danke für den Tipp. So was brauche ich.
Der Zahn der Zeit (🦷⏳) schrieb: > Wenn es die 12 kV-Wicklung wäre, müsste es ein Feinschluss sein. Das sind übrigens ja keine 12kV, die da aus dem Trafo rauskommen, sondern wahrscheinlich nur 4kV oder so. Den Rest macht die Kaskade. Ach, und klopf doch mal vorsichtig hinten an der Kanone auf die Röhre. Bei TV Bildröhren, die sehr alt waren, gabs da auch mal Feinschlüsse zwischen Kathode und G1. Das konnte ich aber meistens mit dem Regenerierer reparieren.
Das hätte nur einen Einfluß auf die Helligkeit, aber nicht auf die Bildgröße.
Der Zahn der Zeit (🦷⏳) schrieb: > Ich gehe von einer schwankenden Betriebsspannung an einem Anschluss der > Bildröhre aus. Der Zahn der Zeit (🦷⏳) schrieb: > Also habe ich diese Spannungen gemessen: Die stimmen alle 100% mit den > Angaben im Service-Manual überein und ändern sich vor allen Dingen auch > nicht. Der Zahn der Zeit (🦷⏳) schrieb: > Also käme dann eigentlich nur noch die HV-Kaskade in Frage. Nicht unbedingt. Das Verhältnis Hochspannung zu Ablenkspannung ist entscheident. Hast Du die Versorgung der Ablenkendstufen auch geprüft? Bei meinem HM412 hatte ich auch ein Zittern der Bildgröße. Letztendlich habe ich das Problem (mit Kältespray ggf. mit Wattestäbchen auftragen) auf einen TL432 der für die Stabilisierung der Ablenkspannungen zuständig ist eingekreist. Der hatte einen internen Wackelkontakt. Gruß Anja
R&S Ersatzteile werden auch von dataTec vertrieben , kann man zumindest versuchen, oder den R&S Support anrufen, die sind immer sehr freundlich.
Matthias S. schrieb: > Der Zahn der Zeit (🦷⏳) schrieb: >> Wenn es die 12 kV-Wicklung wäre, müsste es ein Feinschluss sein. > > Das sind übrigens ja keine 12kV, die da aus dem Trafo rauskommen, > sondern wahrscheinlich nur 4kV oder so. Den Rest macht die Kaskade. Zweifellos, sonst wäre es keine Kaskade, aber viel mehr als 2 kV möchte ich meinem HV-Tastkopf (und mir an der Stelle) nicht zumuten. > Ach, und klopf doch mal vorsichtig hinten an der Kanone auf die Röhre. > Bei TV Bildröhren, die sehr alt waren, gabs da auch mal Feinschlüsse > zwischen Kathode und G1. Das konnte ich aber meistens mit dem > Regenerierer reparieren. Wir kommen etwas vom Thema ab: Das hatte ich auch mal bei einem Philips-Oszi. Mit einem Hochspannungspuls konnte ich ihn wegbrennen, aber beim nächsten Einschalten war er wieder da. Ich habe dann ein Hochspannungsrelais eingebaut, dass beim Einschalten einen kurzen Hochspannungspuls auf das Gitter gab. Hat gut geklappt. Aber: Jochen F. schrieb: > Das hätte nur einen Einfluß auf die Helligkeit, aber nicht auf die > Bildgröße. Das stimmt sicherlich. Anja schrieb: > Hast Du die Versorgung der Ablenkendstufen auch geprüft? Ja habe ich: Der Zahn der Zeit (🦷⏳) schrieb: > Abgesehen davon, dass die Bildgröße auch dann > konstant bleiben würde, wenn die Betriebsspannungen der Verstärker > schwankenden würden, sind die auch stabil. Die Betriebsspannung beeinflusst doch nicht (oder bestenfalls sub-marginal) die Bildgröße - es sei denn, es tritt Sättigung ein (dann ist es auch nicht die Verstärkung). Sie könnte allerdings die Zeitbasis beeinflussen, aber auch die Y-Achse ist betroffen. Auch wieder etwas am Thema vorbei: Bei dem ersten Reparaturversuch hatte sich bei der Prüfung der Betriebsspannungen ergeben, dass sie tatsächlich nicht stimmten. Die üblichen Elkos im Netzteil. Nach Austausch waren die Betriebsspannungen ok. Aber das Bildgrößen-Phänomen blieb. Dennoch etwas Grund zur Freude: Vorher dauerte es lange, bis das Bild normale Helligkeit erreicht hatte. Ich hatte schon gedacht "Schade, dass die CRT auch nicht mehr lange brauchbar sein wird". Aber danach war wenigstens das wieder ok. Foto zur Unterhaltung: Links fehlt 1 mm, rechts fehlen 2 mm. Die Cursor sagen bei 5 cm Abstand 104 mV. Das Bild ist also 3% bis 4% zu klein. Aber es scheint auch temperaturabhängig zu sein: Nach dem Einschalten ist es größer. Hallo Kältespray. Kältespräy und 2 kV? Oha. Wattestäbchen - gute Idee. Hat einer eine Idee für den eventuellen Ersatz der BY8404? 4 kV, 100 ns. Ich habe noch keine gefunden außer bei Ebay (2 Stück ~30 € incl. Versand etc.) und ein adäquater Ersatz bei Mouser ist bis auf eine Diode für ~ 40 € pro Diode nicht bekannt. Vielleicht schalte ich mehrere mit weniger Spannung hintereinander. Da habe ich eine gute Auswahl hier.
> Da habe ich eine gute Auswahl hier.
Vllt bei der Auswahl vorher den Sperrstrom bei 1 kV messen.
Ein "taubes" Exemplat koennte sich sonst vor der Arbeit druecken.
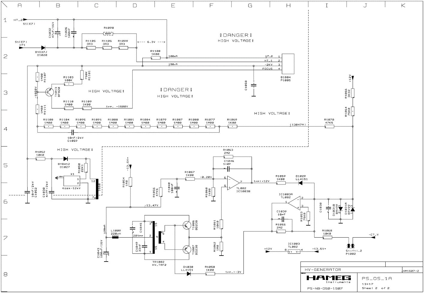
Werch ein Illtum... Ich hatte einen völlig falschen Schaltplan gepostet. Der war von einem HM1507-1, aber ich habe einen HM1507-2. Die HV-Erzeugung ist komplett anders: Ein geregelter Royer-Konverter erzeugt offensichtlich eine 4 kVss-Sinusspannung, die mit nur einer Diode zu 2 kV gleichgerichtet wird. Dafür ist eine BY4812 (12 kV, 100 ns) vorgesehen. Vermutlich noch schwerer zu beschaffen. Vielleicht ist es ja auch nur Staub/Schmutz auf der Leiterplatte. Ich werde demnächst den Oszi wieder zerlegen.
Der Zahn der Zeit (🦷⏳) schrieb: > Dafür ist eine BY4812 (12 kV, 100 ns) vorgesehen. Vermutlich noch > schwerer zu beschaffen. https://www.tme.eu/de/details/2cl73a-dio/universaldioden-tht/diotec-semiconductor/2cl73a/
Was daraus wurde, heureka: Zur Unterhaltung und zum Dank an alle, die sich an der Diskussion beteiligt haben: Ich schrieb schon, dass ich alle Betriebsspannungen gemessen hatte, aber nicht die 12 kV, weil ich ziemlich viel Respekt davor hatte. Also hatte ich mir erst einmal alle Bauteile zugelegt, die für die geringeren 2 kV zuständig sind, d. h., eine Diode und ein paar Kondensatoren (dachte ich, denn einen hatte ich übersehen und 2 andere im falschen Raster bestellt oder bekommen - ich weiß nicht). Nachdem der Austausch keine Heilung brachte, habe ich die AC-Ausgangsspannung des Royer-Konverters angesehen, in der Annahme, dass, wenn irgendwas in der Kaskade nicht stimmt, die Regelschaltung zwar die 2 KV perfekt ausregelt, aber das müsste in einer Änderung der Schwingungsform zu erkennen sein. Das war es dann auch. Die Kaskade - als Ersatzteil - Totalschaden? Also erst mal doch 12 KV messen. Während ich noch beim Abnehmen des Röhrenanschlusses darüber nachdachte, dass ich das gar nicht gerne mache, verriet mir eine Restladung schlagartig, dass mein Respekt begründet war. Als dann die Messung lief, wurde klar: Die Hochspannung schwankte gewaltig. Bis zu -1 kV könnten es gewesen sein. F..k, doch die Kaskade. Suche: In Ebay gibt's eine interessante Bastel-Kaskade. Aber zunächst: Da Anklopfen immer eine Änderung brachte, aber nicht klar war, ob es an der Kaskade oder anderswo lag, wollte ich den ultimativen Beweis erbringen, das es die Kaskade ist. Also Kaskade abschrauben, damit ich gezielt an ihr klopfen kann. Den Masseanschluss der Kaskade brauchte ich nicht abzulöten - der war schon lose. Oh - gerade abgebrochen oder schon vorher? Fazit: Ja, er war schlecht gelötet und lose. Und was eine richtige Hochspannung ist, die findet ihren Weg auch über Wackelkontakte und kalte Lötstellen. Heureka, mein Lieblingsoszi ist wieder fit. (Vorerst?)
Der Zahn der Zeit (🦷⏳) schrieb: > Heureka, mein Lieblingsoszi ist wieder fit. Gratulation! Der Zahn der Zeit (🦷⏳) schrieb: > Fazit: Ja, er war schlecht gelötet und lose. was denkst du wie ich fluchte als ich den Zeitfehler (geht, geht nicht) in einem 34cm CRT Philips TV fand der mich jahrelang ärgerte, Tonaussetzer: 1. nachgelötet 2. Stecker entfernt Kabel auf Platine gelötet 3. Endstufen IC getauscht 4. alles auseinander gebaut bis zum Lautspecher tief im Gerät an der Front vorgearbeitet und zu finden die Drähte waren nur in der Lautsprecher Lötöse eingehängt aber unverlötet!
Gratuliere, du Glückspilz. Ich hatte mal ein 37cm Grunzig Multinorm-Portabel, der wirklich alle 3 Jahre eine echte neue Kaskade brauchte. Da biste jetzt dran vorbeigekommen :-)
Der Zahn der Zeit (🦷⏳) schrieb: > verriet mir eine Restladung schlagartig, dass mein Respekt begründet > war. Ah ja. Die Erfahrung dürften viele von denen, die hier noch Röhrenglotzen erlebt haben (echte, also mit einer DY86 als Gleichrichter), auch schon gemacht haben. :-) Dort war es noch krasser als mit den Halbleiterkaskaden: sowohl die DY86 als auch die Isolation des Anodenbelags in der Bildröhre (die als Glättungskondensator dient) haben halt mit Glas einen sehr guten Isolator dazwischen. Der hält durchaus mehrere Wochen lang nennenswert Ladung. :-o Glückwunsch zur erfolgreichen Reparatur!
Jörg W. schrieb: > DY86 das war auch noch meine Zeit, das sich daran noch jemand erinnert! Die meisten haben das wegen Demenz schon längst vergessen oder nie kennengelernt.
Der Zahn der Zeit (🦷⏳) schrieb: > Heureka, mein Lieblingsoszi ist wieder fit. Prima, gratuliere. Ich habe auch einen 1507-3. Leider "prellt" der Drehschalter für die Ablenkzeit enorm. :-(
900ss D. schrieb: > Leider "prellt" der > Drehschalter für die Ablenkzeit enorm. :-( Ja gut, aber das kennt man ja von Hameg. Schalter und Hamegs haben sich noch nie vertragen, bzw. Hameg stand mit Schaltern immer auf Kriegsfuß. Mein HM203-6 möchte alle 2 Jahre eine Schalterkur, sonst meutert es.
Mit Schaltern habe ich wahrscheinlich auch schon, aber nur einmal ein Problem gehabt. Ich kann mich nicht erinnern, aber ich habe hier noch Drehgeber für den 1507, original von Hameg (ohne Rastung, die helfen dem 900ss D. leider nicht). Da war wohl mal was. Ansonsten höchstens mal prellende Tasten in einem 8000er-Gerät. Die Drehgeber sind ja Standardteile, da braucht man nicht Hameg/R&S zu fragen. Aber der Ausbau des Bedienfelds ist unangenehm aufwändig. (Mindestens?) einmal habe ich das wegen eines Feinschlusses gemacht, da würde mir jetzt vor grauen. Und in meinem uralten Röhren-Sammelkarton, den ich seit einigen Jahrzehnten nicht mehr geöffnet hatte, habe ich keine DY86 gefunden - nur mehrere PY83... Ich weiß, die DY waren mit ihrer Heizspannung so ausgelegt, dass man sie mit einer einzigen Sekundärwindung, einer einfachen, losen Schlaufe um den Kern des Horizontaltrafos heizen konnte. Die P-Röhren waren für die Allstrom-Heizung, d. h., alle Heizungen (100 mA?) in Reihe geschaltet. Booster-Dioden waren die PY83 wohl. Wir kommen vom Thema ab...
Der Zahn der Zeit (🦷⏳) schrieb: > Aber der Ausbau des Bedienfelds ist unangenehm aufwändig. (Mindestens?) Ja, so hab ich es auch gesehen als ich mal anfing es zu öffnen. Hab es dann wieder zugeschraubt um zu warten bis der Nerv des prellenden Drehschalters größer wird als der des Ausbauens ;) Jetzt hab ich inzwischen noch Ausweichmöglichkeiten was die Reparatur noch weiter verzögert.
Der Zahn der Zeit (🦷⏳) schrieb: > Ich weiß, die DY waren mit ihrer Heizspannung so > ausgelegt, dass man sie mit einer einzigen Sekundärwindung, einer > einfachen, losen Schlaufe um den Kern des Horizontaltrafos heizen > konnte. Ja, so war das gedacht. Aber die Zeiten mit S/W Röhrenfernsehern sind dank meiner späten Geburt an mir vorbeigegegangen. Umso schöner (und gefährlicher) wars dann mit PL509/519 und PY500. Da war dann richtig Feuer im Hochspannungsteil :-P Bei meinem HM203-6 ists im Moment der Schalter für den Komponententester. Der wird hier sehr häufig benutzt, bratzelt aber trotzdem - oder gerade deswegen?
Bitte melde dich an um einen Beitrag zu schreiben. Anmeldung ist kostenlos und dauert nur eine Minute.
Bestehender Account
Schon ein Account bei Google/GoogleMail? Keine Anmeldung erforderlich!
Mit Google-Account einloggen
Mit Google-Account einloggen
Noch kein Account? Hier anmelden.



