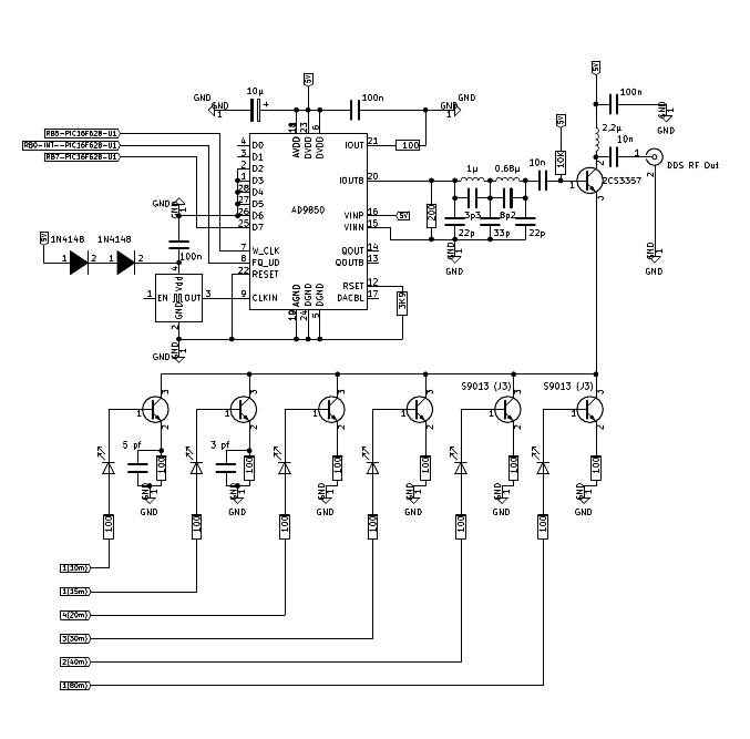
Guten Tag! Ich habe mir in der Bucht ein chinesisches DDS-Modul gekauft, das so nicht wirklich für meine Zwecke funktioniert und deshalb modifiziert werden soll. Ich benötige eine in der Frequenz genau einstellbare Sinusquelle für meinen Basteltisch. Man findet das Modul, wenn man nach "AD9850 6 Bands 0-55 MHz Frequenz LCD DDS Signal Generator Digitalmodul" sucht. Der Digitalteil funktioniert gut. Man kann mit Encoder und Keypad die Frequenz bequem und genau einstellen - was nicht funktioniert ist die Ausgangsstufe. Die Amplitude verhält sich, je nach Frequenz, erratisch. Unterhalb von ca 5Mhz bricht sie völlig ein, bei höheren Frequenzen ist sie mal höher, mal niedriger. Ich habe also das Internet durchforstet, auf der Suche nach einem Schaltplan - und bin fündig geworden. Das Modul wurde von einer Gruppe von Funkamateuren für einen "SSB 6.1 TX/RX" konstruiert. Man findet ausführliche Beschreibung und Schaltplan hier: https://www.pa3byb.nl/projects/ssb-6-1-tx-rx-diy-project/ Das ganze Projekt war ein 6 Band SSB Tranceiver, das DDS Modul war ein Teil davon und wurde speziell für diese Aufgabe konstruiert. Offenbar hat eine chinesische Bude das Projekt gekapert und verhöckert jetzt das DDS-Modul einzeln auf Ebay. Nun, die speziellen Funktionen benötige ich nicht, insbesondere nicht die speziellen Anpassungen der Ausgangsstufe an den Transceiver. Im Anhang "DDS_OUTPUTSTAGE_01.png" habe ich die original Ausgangsstufe aus dem Schaltplan rauskopiert. Wie man sieht ist das eine recht eigentümliche Konstruktion. Insbesondere die 6 S9013 BJTs brauche ich nicht. Auch das Filter scheint mir für meine Zwecke nicht geeignet. Ich habe also in LTspice ein einfache mögliche Modifikation simuliert. (Siehe Anhang DDS_Filter_LTspice.png) Im dritten Anhang DDS_OUTPUTSTAGE_NEU.png habe ich die entsprechenden Änderungen im Schaltplan eingetragen. Auf dem PCB sind die Änderungen recht einfach zu machen. Nun meine Frage: Könnte das so funktionieren? Ich habe keine Ahnung von HF-Filtern und tappe da also blind in der Gegend rum. Danke für das Lesen!
Christoph S. schrieb: > Die Amplitude verhält sich, je nach Frequenz, erratisch. > Unterhalb von ca 5Mhz bricht sie völlig ein, Vermutlich sind da die Koppelkondensatoren im Ausgangspfad zu klein. Du kannst ja aus die 10 nF mal mit 100 nF ergänzen. > bei höheren Frequenzen ist > sie mal höher, mal niedriger. Was hast Du denn für Anforderungen und was willst Du mit Deiner Modifikation erreichen?
Bernd schrieb: >> bei höheren Frequenzen ist >> sie mal höher, mal niedriger. > Was hast Du denn für Anforderungen und was willst Du mit Deiner > Modifikation erreichen? Hatte ich oben in einem Satz kurz umrissen: "Ich benötige eine in der Frequenz genau einstellbare Sinusquelle für meinen Basteltisch." Genauer: Das DDS Modul sollte über einen weiten Frequenzbereich eine ordentliche und einigermaßen konstante Amplitude leisten. Soweit ich das gelesen habe, sinkt die Ausgangsamplitude des AD9850 mit steigender Frequenz. Das Filter sollte also bei steigender Frequenz die Amplitude steigern, bis etwa zur Grenzfrequenz von 55Mhz. Bis dahin geht der AD9850. Oberhalb sollte die Amplitude stark absinken, damit die Oszillatorfrequenz (125Mhz), mit der der Chip arbeitet, abgeschwächt wird. Mein laienhafter LTspice Versuch leistet das so einigermaßen. Aber wie geschrieben: ich habe keine Ahnung von solchen Dingen. deshalb bitte ich um Rat.
Bernd schrieb: > Christoph S. schrieb: >> Die Amplitude verhält sich, je nach Frequenz, erratisch. >> Unterhalb von ca 5Mhz bricht sie völlig ein, > Vermutlich sind da die Koppelkondensatoren im Ausgangspfad zu klein. Du > kannst ja aus die 10 nF mal mit 100 nF ergänzen. OK, das hat mich nun interessiert. Also hab ich die original Ausgangsschaltung in LTspice nachgebaut. Wie man sieht, werden Frequenzen im unteren Mhz Bereich stark abgeschwächt, was wohl an der 2µ2 Induktivität im Kollektorzweig des 2CS3357 liegt, höhere Frequenzen verhalten sich tatsächlich erratisch. Für meine Zwecke kann ich mit sowas nichts anfangen.
Wenn man > Ich benötige eine in der Frequenz genau einstellbare Sinusquelle haben will, sollte man halt nicht: > wurde speziell für diese Aufgabe konstruiert kaufen. So einfach ist das. Vermutlich, und das schien ja der Grund des Kaufs zu sein, wird es mangels passender Messtechnik auch in einem eher rudimetaeren (=schlechten) Zustand bleiben. Ansonsten gibt es ja auch fuer den AD9850 aus China Adapterplatinchen die bzgl. des Ausgangs solche "Maengel" nicht haben. Die muss man halt selber ansteuern. Was im uebrigen recht einfach geht. Einen richtigen Signalgenerator mit Abschwaecher und Modulation ersetzen die aber auch nicht. Das ist dann nochmal eine ganz andere Hausnummer.
Christoph S. schrieb: > Für meine Zwecke kann ich mit sowas nichts anfangen. Deine laienhaften Ansätze führen zu nichts Brauchbarem. Ein Filter kann nur dann korrekt nach Design arbeiten wenn es einen (für den Arbeits bzw. Definitionsbereich) breitbandigen definierten und konstanten Abschlusswiderstand hat. Ein quasi leerlaufendes Filter bzw. ein Filter mit un- definierter Last (siehe deine Transistor) kann nicht "vernünftig" arbeiten.
hf werker schrieb: > Ein > Filter kann nur dann korrekt nach Design arbeiten wenn es > einen (für den Arbeits bzw. Definitionsbereich) breitbandigen > definierten und konstanten Abschlusswiderstand hat. > > Ein quasi leerlaufendes Filter bzw. ein Filter mit un- > definierter Last (siehe deine Transistor) kann nicht > "vernünftig" arbeiten. OK, ich lerne gerne dazu. Dafür bastel ich ja. Das Filter braucht also einen Abschlusswiderstand. Dann wäre also dieser Mangel schon im Originaldesign? Wie würde sowas aussehen? Einfach einen Widerstand nach dem Filter und vor dem Koppelkondensator zur Basis des 2CS3357 nach GND?
Christoph S. schrieb: > Also hab ich die original > Ausgangsschaltung in LTspice nachgebaut. Packe mal anstelle der Spannungsquelle V1 eine Stromquelle - das entspricht dem Stromausgang des AD9850. Bleibt das "erratische Verhalten" bei höheren Frequenzen? Christoph S. schrieb: > Soweit ich > das gelesen habe, sinkt die Ausgangsamplitude des AD9850 mit steigender > Frequenz. wo hast du das gelesen? Christoph S. schrieb: > Das Filter sollte also bei steigender Frequenz die Amplitude > steigern, bis etwa zur Grenzfrequenz von 55Mhz. Dir ist bewusst, dass die 55MHz eher als "theoretisches Limit" anzusetzen sind und nicht als praktikabler Wert? Je näher du dich dem annähern willst, desto mehr Aufwand musst du ins Filterdesign stecken.
Ein Filter gehoert schon an den Ausgang eines DDS. Z.B. ein Tiefpass wie in der angehaengten Schaltung. Welcher Abschlusswiderstand der allerdings erwartet? Vermutlich 50 Ohm.
Achim S. schrieb: > Christoph S. schrieb: >> Also hab ich die original >> Ausgangsschaltung in LTspice nachgebaut. > > Packe mal anstelle der Spannungsquelle V1 eine Stromquelle - das > entspricht dem Stromausgang des AD9850. Bleibt das "erratische > Verhalten" bei höheren Frequenzen? Ok, bei 10mA wirds etwas besser, jedoch bleibt der Einbruch der Amplitude bei Frequenzen unter 5Mhz. Ich sehe das erratische Verhalten aber auch in der Realität, auf meinem Oszi. > > Christoph S. schrieb: >> Soweit ich >> das gelesen habe, sinkt die Ausgangsamplitude des AD9850 mit steigender >> Frequenz. > > wo hast du das gelesen? Irgendwo. Stimmt das nicht? > > Christoph S. schrieb: >> Das Filter sollte also bei steigender Frequenz die Amplitude >> steigern, bis etwa zur Grenzfrequenz von 55Mhz. > > Dir ist bewusst, dass die 55MHz eher als "theoretisches Limit" > anzusetzen sind und nicht als praktikabler Wert? Je näher du dich dem > annähern willst, desto mehr Aufwand musst du ins Filterdesign stecken. Schon klar. ich erwarte keine 55Mhz. Wenns 20 bis 30 werden, bin ich zufrieden.
Cartman schrieb: > Ein Filter gehoert schon an den Ausgang eines DDS. > Ok, fasse ich mal zusammen, was ich von Euch gelernt habe und was ich jetzt denke: 1. LTspice führt in die Irre, wenn ich den AD9850 als Spannungsquelle simuliere. Als Stromquelle simuliert, funktioniert das Originalfilter, jedoch nur, wenn ich ihm noch einen Abschlusswiderstand spendiere. 2. Es bleibt der Einbruch der Amplitude wenns unter ca 5Mhz geht, was wohl an der Induktivität im Kollektor des Ausgangstransistors liegt. Die sollte ich also durch einen Widerstand ersetzen, wenn ich das Modul für kleinere Frequenzen nutzen will. Oder irre ich hier? 3. Die verbleibenden erratischen Ausschläge könnten auch an den 6 BJTs im Emitter des Ausgangstransistors liegen. Wann und wie die µCs diese Transistoren schalten, bleibt für mich etwas rätselhaft. Da ich diese Funktionalität nicht brauche, können die vom PCB verschwinden.
Cartman schrieb: > Welcher Abschlusswiderstand der allerdings erwartet? Der Quellwiderstand für das Filters ist R4, der Abschluss- widerstand ist R5, daraus ist zu entnehmen dass das Filter für ein 200 Ohm System entworfern wurde. Die Schaltung ist damit so geschaltet (gestaltet) dass man nur einen ver- gleichsweise hochohmigen Verbraucher aussen anschliessen soll, ersatzweise (wenn R5 entfernt wird) einen 200 Ohm Verbraucher. Ersatzweise kann man auch einen 150 Ohm Widerstand in Reihe mit einen (breitbandig gestalteten) 50 Ohm Ver- braucher anschliessen, hat damit aber Pegelverluste. Vermutlich ist der Schaltungsorschlag von AD mit 200 Ohm charakteristischer Impedanz gewählt weil der Ausgangs- treiber nicht 50 Ohm treiben kann ....
Meine Bemerkungen beziehen sich alleine auf die Schaltng des Filters, sobald der Transistor ins Spiel komt sind - wie bereits erwähnt - die Verhältnisse nicht mehr konstant und der Frequenzverlauf undefiniert bzw. unerwartet. Oder kurz gesagt: die Transistorschaltung bring nur Mist. Für mehr Pegel schaltet man einen breitbandigen 50 Ohm HF-Verstärker dazu.
Wie andere schoin schrieben, der DAC hat Stromausgänge (Current Output). Anbei eine Schaltung von mir für eine DDS mit Current-Output-DAC, dimensioniert für 10 mA Full-Scale-Current und AVDD +/- 0,5V Compliance Voltage. Die Widerstände und der 4:1-Trafo sind so dimensioniert, dass man einen Ausgangswiderstand von 50 Ω bekommt. Damit kann man dann das Rekonstruktionsfilter auslegen. In diesem Fall ein elliptisches Filter 3. Ordnung. Die DDS läuft mit 400 MHz Sysclk, und soll in der nullten Nyquist-Zone bis ca. 100 MHz Ausgangsfrequenz verwendet werden. Das Filter hat dementsprechend eine Grenzfrequnez von ca. 120 MHz. Wenn Du in Deiner Anwendung näher an die Nyquist-Grenze heran willst, solltest Du den Amplitudenabfall aufgrund der Zero-Order-Hold-Übertragungsfunktion nicht vergessen. Der Betrag der Amplitude fällt um den Faktor
mit T = 1/f, wobei f die Sysclk-Freqnuenz ist. Achtung: Der AD9951 hat keine Stromquellen am Ausgang, sondern Stromsenken. Wenn der angehängte Schaltplan stimmt, hat Dein AD9850 jedoch Stromquellen. Du müsstest den Schaltplan also entsprechend modifizieren. Und schauen, dass der Compliance-Bereich der Stromquelle nicht überschritten wird.
hf werker schrieb: > Meine Bemerkungen beziehen sich alleine auf die Schaltng des > Filters, sobald der Transistor ins Spiel komt sind - wie > bereits erwähnt - die Verhältnisse nicht mehr konstant und > der Frequenzverlauf undefiniert bzw. unerwartet. > > Oder kurz gesagt: die Transistorschaltung bring nur Mist. > Für mehr Pegel schaltet man einen breitbandigen 50 Ohm > HF-Verstärker dazu. Ach Herrje! Also: Alle 7 Transistoren raus, hinter dem Filter ein 200 Ohm Abschlusswiderstand und als Ausgangstreiber einen schnellen Buffer? So was wie einen Buf634A? Bringt zwar nicht mehr Amplitude aber wenigstens etwas mehr Saft?
Christoph S. schrieb: > Ach Herrje! Was heisst da Herrje? Zuerst musst du mal schreiben was du überhaupt erreichen willst. Und lesen und verstehen was ich geschrieben habe: hf werker schrieb: > Ersatzweise kann man auch einen 150 Ohm Widerstand in > Reihe mit einen (breitbandig gestalteten) 50 Ohm Ver- > braucher anschliessen, hat damit aber Pegelverluste. Der "50 Ohm Verbraucher" ist dann der Verstärker den du dir wünschst.
Mario H. schrieb: > mit T = 1/f, wobei f die Sysclk-Freqnuenz ist. Fehler: T ist die Periodendauer der Sysclk-Frequenz, und f die DDS-Ausgangsfrequenz.
hf werker schrieb: > Christoph S. schrieb: >> Ach Herrje! > > Was heisst da Herrje? Zuerst musst du mal schreiben was du > überhaupt erreichen willst. Ich dachte das ist hinlänglich klar geworden. Ich will das schon einmal gekaufte Modul so modifizieren, das ich es für meinen Zweck verwenden kann: Eine in der Frequenz genau einstellbare Sinusquelle für meinen Basteltisch. > > Und lesen und verstehen was ich geschrieben habe: Ok mein obiges Posting bezog sich auf einen anderen Satz in Deinem Beitrag: > > hf werker schrieb: >> Der Quellwiderstand für das Filters ist R4, der Abschluss- >> widerstand ist R5, daraus ist zu entnehmen dass das Filter >> für ein 200 Ohm System entworfern wurde. Die Schaltung ist >> damit so geschaltet (gestaltet) dass man nur einen ver- >> gleichsweise hochohmigen Verbraucher aussen anschliessen >> soll, . Deshalb meine Überlegung: > Christoph S. schrieb: > Alle 7 Transistoren raus, hinter dem Filter ein 200 > Ohm Abschlusswiderstand und als Ausgangstreiber einen schnellen Buffer? > So was wie einen Buf634A? Der BUF634A ist doch hochohmig?
Ein Buffer ist ein Buffer und ein Verstärker ist ein Verstärker. Ich habe von einem Verstärker geredet.
Christoph S. schrieb: > Ich dachte das ist hinlänglich klar geworden. Ich will das schon einmal > gekaufte Modul so modifizieren, das ich es für meinen Zweck verwenden > kann: Eine in der Frequenz genau einstellbare Sinusquelle für meinen > Basteltisch. Da du nur an der Frequenz interessiert bist, ist doch alles in Butter... Andere würde den Frequenzbereich, die Ausgangsimpedanz, den Ausgangsspannungsbereich und den gewünschten Klirrfaktor definieren. Christoph S. schrieb: > Alle 7 Transistoren raus, Für deine Zwecke sollte es reichen, bis auf einen, die nicht anzusteuern. Oder Du greifst zu sowas: https://www.amazon.de/DDS-Signalgenerator-Praezisions-Zweikanal-Wellenform-Frequenzzaehler/dp/B01JU3U7WS "FeelTech Hohe Praezisions Digital Zweikanal DDS Funktion Signal Generator Sinus/Square Wellenform Meter Frequenzzaehler weiss" Features: "Nimmt DDS direkte digitale Synthese-Technologie, kann eine praezise, ??stabile Ausgangssignale mit hoeherer Verzerrung zu erzeugen."
Christoph S. schrieb: > OK, das hat mich nun interessiert. Also hab ich die original > Ausgangsschaltung in LTspice nachgebaut. Wie man sieht, werden > Frequenzen im unteren Mhz Bereich stark abgeschwächt, was wohl an der > 2µ2 Induktivität im Kollektorzweig des 2CS3357 liegt, höhere Frequenzen > verhalten sich tatsächlich erratisch. Für meine Zwecke kann ich mit > sowas nichts anfangen. Die Beschaltung der Ausgangstufe müsste überarbeitet werden. Siehe Anhang. Die Eingangsimpedanz beträgt 200 Ohm, die Ausgangimpedanz dagegen nur 50 Ohm. Die Verstärkung liegt bei 3dB. Ohne den 4:1 Ausgangsübertrager und mit 200 Ohm Last sind es 9dB. Christoph S. schrieb: > Ach Herrje! Also: Alle 7 Transistoren raus, hinter dem Filter ein 200 > Ohm Abschlusswiderstand und als Ausgangstreiber einen schnellen Buffer? > So was wie einen Buf634A? Bringt zwar nicht mehr Amplitude aber > wenigstens etwas mehr Saft? Auch eine valide Lösung, bei Halbierung der verfügbaren Amplitude. Genauso gut ließe sich ein 4:1 Übertrager nehmen. Mit einem breitbandigen OPV, z.B. aus der THS Reihe von Texas Instruments, wären auch etliche dB an Verstärkung möglich.
Ich nehme an, das ist das Modul: https://de.banggood.com/DDS-Signal-Generator-AD9850-6-Bands-0~55MHz-Digital-Shortwave-Radio-p-1107637.html https://imgaz.staticbg.com/images/oaupload/banggood/images/65/DC/e695df7d-37d4-4eb7-a070-ad7a05bc8c69.jpg.webp mit zweimal PIC16F628A gelegentlich findet man noch das argentinische Rufzeichen lu5djv, aber dessen Platine sieht anders aus. Aber von einem Kurzwellenradio sehe ich nichts, im Text wird eigentlich nur von Signalgenerator geschrieben.
Christoph db1uq K. schrieb: > Aber von einem Kurzwellenradio sehe ich nichts, im Text wird eigentlich > nur von Signalgenerator geschrieben. Die Originalquelle ist schwer zu finden. Ich bin erst nach Tagen drauf gestoßen. In meinem ersten Posting ist der Link. Und hier nochmal: https://www.pa3byb.nl/projects/ssb-6-1-tx-rx-diy-project/
Christoph S. schrieb: > OK, ich lerne gerne dazu. Dafür bastel ich ja. Das Filter braucht also > einen Abschlusswiderstand. Dann wäre also dieser Mangel schon im > Originaldesign? Lies dir einfach mal die zum ersten FA-NWT im Funkamateur erschienenen Artikel durch. Die Leute dort haben einen AD9951 und einen ausreichend schnellen OpV (AD8000) benutzt. Und sie haben ein sinnvolles Filter konstruiert. Der AD9850 ist eigentlich ein relativ langsamer DDS, der allenfalls mit 120 MHz getaktet werden kann. Damit kann man keine 55 MHz an Sinus ohne Probleme erzeugen, denn da hat man pro Periode nur so etwa 2 Stützstellen. Bedenke das mal. Das jämmerliche Filter am Ausgang des DDS taugt nichts, da wäre eine Eigenkonstruktion angesagt. Die Amplitudenauflösung des AD9850 ist nur 10 Bit - verteilt auf beide Halbwellen. Das heißt, für den Sinus steht nur der Bereich -511 bis +511 zur Verfügung und das sieht man bereits am Oszi mit bloßem Auge. Wenn du sowas am Basteltisch zusammen mit einem Oszi verwenden willst, dann wirst du damit keine rechte Freude haben. Wenn du dir also etwas zum Messen und Basteln zulegen willst, dann baue dir einen Generator mit einem AD9951, der hat 14 Bit an Amplitudenauflösung. Natürlich muß ein nachgesetztes Filter sein. Das ist in jedem Falle nötig. Und es soll idealerweise ein ab der halben Taktfrequenz sperrender Tiefpaß sein. In der Realität ist aber kein Tiefpaß so rechteckig wie ein Ziegelstein. Also brauchst du einen Tiefpaß, dem du einen ausreichend großen Bereich für die Flanke seines Bereichsendes gönnen mußt. Für ein DDS, das mit 120 MHz getaktet wird, kannst du mal einpanen, daß du von der halben Taktfrequenz aus (60 MHz) so etwa 20 MHz nach unten vorsehen mußt für die Filterflanke. Das heißt, dein Filter muß bei etwa 40 MHz beginnen mit dem Zumachen. Und denke bloß nicht, daß du mit einem Kunstwerk (elliptisch oder so) besser fährst. Solche Filter haben nämlich weiter oben eine miesere Dämpfung als andere, die nicht derart auf Flankensteilheit gezüchtet sind. Naja, und wenn du beim AD9850 bleiben willst, weil du den schon hast, dann erwarte keine allzu hohe Signalqualität, sondern eine schon auf dem Oszi sichtbare Stufigkeit. W.S.
Robert M. schrieb: > > Die Beschaltung der Ausgangstufe müsste überarbeitet werden. Siehe > Anhang. > Christoph S. schrieb: >> Buf634A? Bringt zwar nicht mehr Amplitude aber >> wenigstens etwas mehr Saft? > > Auch eine valide Lösung, bei Halbierung der verfügbaren Amplitude. > Genauso gut ließe sich ein 4:1 Übertrager nehmen. > Mit einem breitbandigen OPV, z.B. aus der THS Reihe von Texas > Instruments, wären auch etliche dB an Verstärkung möglich. Danke für die Schaltung und die Hinweise. Das hilft mir weiter.
W.S. schrieb: > Und denke bloß nicht, daß > du mit einem Kunstwerk (elliptisch oder so) besser fährst. Solche Filter > haben nämlich weiter oben eine miesere Dämpfung als andere, die nicht > derart auf Flankensteilheit gezüchtet sind. Das kann man schon machen, man muss nur darauf achtgeben. Es ist aber durchaus richtig, dass die Dämpfung von elliptischen Filtern bei höheren Frequenzen kritisch von den parasitären Eigenschaften der Bauteile abhängt. Wenn man das Filter in Beitrag "Re: Modifikation von chinesischem AD9850 6 Bands 0-55 MHz DDS Modul" mit für SMD-Bauteile der Bauform 0603 realistischen parasitären Eigenschaften rechnet, bekommt man das im Anhang gezeigte Verhalten. Immerhin noch -86 dB Dämpfung bei 1,4 GHz (die dreifache Sysclk-Frequenz). Dann geht es aber recht steil aufwärts. Wenn das stört, könnte man die Ordnung des Filters erhöhen. Bei den 60 MHz des TO ist es aber nochmal eine Umdrehung weniger kritisch.
Guten Abend! erstmal nochmals Dank an alle Poster für die Mitarbeit. Ich hab aus der Diskussion gelernt, dass der AD9850 doch ein bischen outdated ist und ich nicht allzuviel davon erwarten darf. Nun, von einem 20€ Chinamodul erwarte ich nicht viel, bin deshalb auch nicht enttäuscht. Ich wollte Euch nicht im Unklaren lassen, was aus dem Hack des Chinamoduls bis jetzt geworden ist. Deshalb ein "Was habe ich gemacht" und im Anhang einige Oszibilder von ca 10KHz bis 35Mhz. OK, was habe ich gemacht? Für einen bequemen Überblich hab ich nochmal den Schaltplan hochgeladen. 1. Die 6 BJTs (S9013) hab ich rausgelötet und den Emitter des Ausgangstransistors fix über 100 Ohm an GND gelegt. 2. Die 2µ2 Induktivität im Kollektor hab ich durch einen 1k Widerstand ersetzt. 3. Als Abschlusswiderstand des Filters hab ich einen 200 Ohm Widerstand parallel zum letzten 22p Kondensator eingelötet. 4. Den Ausgangskondensator hab ich vom Kollektor zum Emitter verlegt. Da ich das Signal vom Emitter abnehme, habe ich durch den Ausgangstransistor zwar keine Verstärkung mehr, aber immerhin einen Buffer, der den AD9850 vor den Widrigkeiten des Basteltisches schützt. Wie man auf den Oszibilder erkennt bekomme ich so zwischen ca 20Khz und 20Mhz ein recht sauberes und in der Amplitide stabiles Signal mit etwa 1Vpp. Bei kleineren Frequenzen und über 25Mhz bricht die Amplitude stark ein. Damit kann ich leben. Dass das Modul viel mehr als 20Mhz liefert, damit hab' ich eh' nicht wirklich gerechnet und für kleine Frequenzen nutze ich was anderes. Und 1Vpp reicht aus. Wenn ich mehr brauche, kann ich ja immer noch verstärken.
Die Terminierung des Filters beinhaltet allerdings auch die Ausgangsstufe. Bedeutet allenfalls noch etwas Verbesserungspotential
Bitte melde dich an um einen Beitrag zu schreiben. Anmeldung ist kostenlos und dauert nur eine Minute.
Bestehender Account
Schon ein Account bei Google/GoogleMail? Keine Anmeldung erforderlich!
Mit Google-Account einloggen
Mit Google-Account einloggen
Noch kein Account? Hier anmelden.














