Hallo allerseits, es ist ja allgemein bekannt, wenn man einfach so ein kleinen Verstärker direkt mit über das PC Netzteil versorgen lässt um damit Lautsprecher anzutreiben, dass es da zu unschönen Störgeräuschen kommt. Soweit ich das rauslesen konnte hier, liegt das wohl immer an einer ungünstigen Masse, weil man als Sternpunkt der Masse das PC Netzteil nutzt und nicht eine Massefläche direkt am Sound Chip auf dem Mainboard. Ich hab hier folgende Teile die ich anschließen muss: 1. StepUp Converter um aus den 12V vom PC Netzteil 24V für die mini Verstärker (TPA3116D2) zu machen; der Converter hat eine gemeinsame Masse für Eingang und Ausgang 2. eine Aktiv-Frequenzweiche welche mit 12V läuft 3. 2 Verstärker Platinen (TPA3116D2) welche eine gemeinsame Masse haben für die 24V Eingang und Line In ich hab eine große Massefläche direkt um den Soundchip drumherrum, welche ich anschliefen könnte und darauf mehrere Kabel anlöten könnte - sodass diese Massefläche an der Soundkarte/Soundchip dann ein Sternpunkt für die Masse sein könnte - nur macht das Sinn? werd ich dann keine Störgeräusche haben, oder wird man IMMER starke Störgeräusche haben mit dem Netzteil vom PC? Wobei ich mich dann frage, wie der Original Soundchip es dann am Kopfhörer hinbekommt das keinerlei Störgeräusche zu hören sind trotz das die Kopfhörer Masse gleich ist mit der PC Netzteil Masse und auch der Erdung... Wie müsste ich die Stromversorgung meiner 3 Komponente da am besten realisieren?
David P. schrieb: > Wie müsste ich die Stromversorgung meiner 3 Komponente da am besten > realisieren? Der TPL3116 hat differentielle Eingänge, INP und INN, das kann man nutzen, aber deine Aktiv-Frequenzweiche von der wir dummerweise nur aus dem anderen thread was wissen hat blöderweise ihr virtuelles GND auf Masse abgestützt, was alles ruiniert. Ohne den Filter legst du einfach INP über den 1uF Folienkondensator an deinen Audioausgang und INN über 1uF an Audiomasse aka Abschirmung bzw. GND des Audioausgangs. Entferne die virtuelle Masse von deiner Frequenzweichenschaltung, verbinde sie mit Audiomasse aka Abschirmung bzw. GND des Audioausgangs und versorge den Filter mit +/-5V oder besser +/-12V dazu. Blöd, wenn das PC Netzteil keine negative Ausgangsspannung bietet.
doch macht es, -12V - aber nur max 300mA. Die Platinen wo der TPA3116D2 drauf sitzt sind aber so konstruiert, dass der Negativ Eingang direkt über ein Kondensator auf die selbe masse geht, wie auch die Stromversorgungs-Masse
Problem ist aber wohl, dass die China Verstärker-Platine zwar die Negativ-Eingänge bereits mit nem kleinen Keramik-Kondensator (C7, C10) auf Masse verbunden hat - aber das ist die selbe Masse, wie der Chip selber als Strom-Masse mit nutzt (also für die 24V)
ja an und für sich schon...aber meinst du, dass es dann wirklich gar keine Störgeräusche geben wird? macht das nix dass die Audio Negativ Input Masse auf die Stromversorgungs-Masse geht? und - soll ich dann die Masse vom Audio Chip mit einbeziehen für die Stromversorgung? also dass ich die komplette Masse über den Sternpunkt hole beim Audio-Chip? (bzw. darüber laufen lasse). Andere möglichkeit gibts nicht? Da ich die Weiche ja schon fertig aufgebaut habe, und wenn ich das richtig sehe und die weiche ohne virtuelle Masse betreiben würde, müsste ich auch die negierten eingänge der OpAmps für die Eingangssignale nutzen - aktuell wird der Negierte eingang ja direkt mit dem Ausgang verbunden...
Meine Bassanlage wird mit einem 1kW PC Netzteil angetrieben und ich habe den schon vorhandenen Sternpunkt im Netzteil selber benutzt. Die Kabelbüschel wurden gruppiert zur Endstufe (eine 500W Car-Hifi Magnat) und die Vorstufe wird aus den 5V gespeist, die mal als Standby Versorgung gedacht waren. Ich hätte keine Bedenken, da auch noch 12V für zusätzliche Stufen abzuzweigen, aber die Vorstufe hier kommt mit 5V aus. Da gibt es keinerlei Störungen. Allerdings habe ich das Netzteil selber zusätzlich mit 100nF/50V SMD Kondensatoren abgeblockt, um etwaige Schaltfrequenzstörungen von den Spannungen abzufiltern.
David P. schrieb: > ja an und für sich schon...aber meinst du, dass es dann wirklich gar > keine Störgeräusche geben wird? Schließe das erst mal ganz normal wie vorgesehen an. Also Stromversorgung ans Modul, und abgeschirmte Audioleitungen zur Quelle. Mit etwas Glück lösen sich all deine Bedenken in Luft auf. Es hängt auch stark von deinen Ansprüchen ab, die allerdings wohl nicht hoch sein können, wenn man auf diese Super-Billig Endstufe setzt. Da wurden ja sogar die minimalen Ausgangsfilter weg gespart. Funktioniert das Ding überhaupt ordentlich hinter deinem Step-Up Converter? Das kannst du ja erstmal potentialfrei mit einem Smartphone oder MP3 Player testen. Denn wenn das schon nicht klappt, brauchst du gar nicht weiter zu fummeln. Was willst du da mit 24 Volt, eine Turnhalle beschallen? Wenn deine Ohren nicht völlig kaputt sind, sollte das Ding mit 12V bereits mehr als laut genug sein. Wenn es an der deiner Frequenzweiche brummt oder summt, dann verlege zusätzlich eine dicke Masse Leitung vom Eingang des Modul zum Ausgang der Frequenzweiche. Wenn es dann immer noch Geräusche macht, packe Mantelstromfilter dazwischen. So etwas: https://www.amazon.de/FeinTech-ATG00101-Masse-Trennglied-Mantelstrom-Filter-beseitigt-schwarz/dp/B076JGVJGP
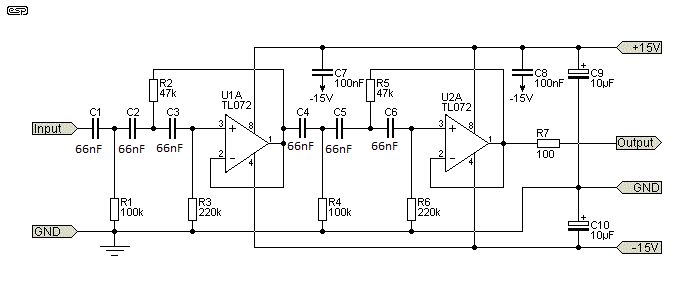
dann müsste ich die Schaltung im prinzip umbauen wie hier, dass der Audio Eingang die normale Masse ist wie es das Netzteil und der Audio Chip bereit stellt - dafür aber eben die TL072 mit den +12V vom Netzteil und mit -12V vom Netzteil versorgen... können da die Koppel-Kondensatoren zur gleichspannungsblockierung am Audio Eingang und ausgang drin bleiben, oder dann auch mit raus? und 24V weil - ja, soll laut gehen ;-)
David P. schrieb: > die Schaltung im prinzip umbauen wie hier Damit löst du keine Masseschleife auf, denn GND vom Eingang ist immer noch mit GND von Ausgang verbunden und außerdem über C9 und C10 an die Versorgungsspannung gekoppelt.
dann lass ich halt einfach C9 und C10 weg. und die Audio-Eingangsmasse muss doch mit der Audio-Ausgangs-Masse verbunden sein bei so einem Filter? Wie soll das sonst funktionieren?
David P. schrieb: > dann lass ich halt einfach C9 und C10 weg Tolle Idee. Eigentlich sind fast alle Kondensatoren und Spulen nur überflüssiger Mumpitz. Die werden da bestimmt nur eingebaut, um Leuten Geld aus der Tasche zu ziehen. Ohne Ironie: Nein, lass das mal besser so wie es ist. Dein Ansatz ist schon in den Grund-Zügen falsch. Solange GND von einem Eingang zum Ausgang durch verbunden ist, hast du genau die Masseschleife, die du vermeiden willst. Eben deswegen gibt es Übertrager bzw. Mantelstromfilter, die sollen das auftrennen. Es ist halt leider so, dass die ideale sternförmige Verkabelung bei Verwendung fertiger Produkte oft nicht realisierbar ist. Zum Glück hat man trotzdem nur selten Probleme, nämlich nur dann wenn durch die Audio-GND Leitung ein signifikanter Strom fließt, weil die beiden GND Potentiale der verbundenen Geräte nicht gleich sind.
Stefan ⛄ F. schrieb: > Dein Ansatz ist schon in den Grund-Zügen falsch. An der Nummer ist so ziemlich alles falsch, s. auch anderer Thread. (und bitte, Grund-Züge geht gar nicht...)
David P. schrieb: > dass es dann wirklich gar keine Störgeräusche geben wird? macht das nix > dass die Audio Negativ Input Masse auf die Stromversorgungs-Masse geht? > und - soll ich dann die Masse vom Audio Chip mit einbeziehen für die > Stromversorgung Hab ich das nicht gerade alles beschrieben ? Es gibt immer Störgeräusche, deine Spannungsversorgung stammt schliesslich auf einem Schaltnetzteil. Aber Audiomasse ab dem Audioanschluss ohne Verbindung zu plus und minus der Stromversorgung zu führen und nicht den blöden virtuellen GND des Aktivfilters der sich über einen Kondensator an PC-Masse abstützt und damit alle Störungen reinzieht zu nutzen hält schon mal die grösste Störquelle raus David P. schrieb: > dann müsste ich die Schaltung im prinzip umbauen wie hier, C9, C10 weglassen und das Erdungssymbol am Eingang geht an Audiomasse als Abschirmung des Audiokabels und keinesfalls an Gehäusemasse oder PC-Netzteil-Masse. Stefan ⛄ F. schrieb: > Nein, lass das mal besser so wie es ist. Bitte, wenn man nicht versteht warum die nicht an Audiomasse dürfen, höchstens an PC-Masse.
David P. schrieb: > Die Platinen wo der TPA3116D2 drauf sitzt sind aber so konstruiert, dass > der Negativ Eingang direkt über ein Kondensator auf die selbe masse > geht, wie auch die Stromversorgungs-Masse Scheiss-Platine. Umbauen wie im Datenblatt gezeigt.
Darum frage ich ja hier um es zu verstehen bzw. dazu zu lernen, wie man es richtig macht... Messtechnisch ist die Audio Asse aber gleich der Stromversorgung-Masse und auch gleich der Erdung - das ist ein Ei Faches PC Netzteil in einem PC und ein einfaches Mainboard - da ist die "Audio-Masse" immer auch die Stromversorgung Masse was das Netzteil raus gibt (und das ist auch im Netzteil mit dem schutzleiter verbunden) Da gibt es keine Koppel Kondensatoren oder dergleichen. An dem Klinkenanachluss am Mainboard hinten sowie auch dem HDAudio Port was das Mainboard hat für frontaudio kann man mit dem Multimeter schön 0.0Ohm gegen die Masse vom PC Netzteil kommend (z. B. Molex Stecker) messen. Daher verstehe ich nicht ganz, was bzw wie ich hier was auftrennen soll mit der Masse... Wenn ich eine externe Audioquelle nutze wie eine Home hifi Anlage oder sowas, dann verstehe ich das voll und ganz mit der masse Schleife - nur ist das halt hier im PC etwas anders...
Oder sehe ich hier was falsch? Hab so die Vermutung dass einige hier denken, dass die Audio Masse beim PC getrennt ist von der Stromversorgung-Masse... Dem ist aber leider nicht so
David P. schrieb: > Wenn ich eine externe Audioquelle nutze wie eine Home hifi Anlage oder > sowas, dann verstehe ich das voll und ganz mit der masse Schleife - nur > ist das halt hier im PC etwas anders... Hi, PC "Masse" ist mit PE des Lichnetzes verbunden. Damit hast Du auch "Masse"-Schleifen-Möglichkeit. Bei Audio ist es eben der Antennenanschluss, hier der PE. ciao gustav
David P. schrieb: > Messtechnisch ist die Audio Asse aber gleich der Stromversorgung-Masse > und auch gleich der Erdung Ja, bis auf die Störungen. Die sind halt auf Versorgungsleitungen wegen der schwankenden und hohen Stromverbräuche der angeschlossenen Verbraucher stärker verseucht als eine Leitung die nur Audiobezugspunkt sein muss.
Du kannst ja mal zum Spaß an Audio-Eingang deines Verstärker zwei lose Drähte anschließen. Den einen verbindest du mit dem Gehäuse des PC Netzteils (GND). Den anderen hältst du mal an verschiedene GND Punkte des Mainboardes. Du wirst da eine Menge seltsamer Geräusche finden und dabei erkennen, dass GND eben nicht überall gleich GND ist.
David P. schrieb: > das ist ein Ei Faches PC Netzteil in einem > PC und ein einfaches Mainboard - da ist die "Audio-Masse" > immer auch die Stromversorgung Masse was das Netzteil raus > gibt (und das ist auch im Netzteil mit dem schutzleiter > verbunden) Genau so ist es; und wenn jetzt auf Deiner Verstärker-Platine ebenfalls die Stromversorgungs-Masse (aus dem PC-Netzteil oder einem anderen, das selbige mit PE verbindet) mit der Audio-Masse verbunden ist, dann hast Du damit Deine (Masse)Schleife geschlossen.
Wie MaWin schon ganz oben geschrieben hat: Der TPA3116 kommt von Entwicklern die sehr genau wissen was sie tun und haben dem Chip damit differentielle Eingänge gegeben um genau diese alle Probleme von Anfang an nicht zu haben. Nur die Platinenlayouter habens verk... und den -Eingang auf Platinen-Minus verdrahtet der stattdessen an den Bezugspunkt der vorherigen Signalquelle gehört.
Bitte melde dich an um einen Beitrag zu schreiben. Anmeldung ist kostenlos und dauert nur eine Minute.
Bestehender Account
Schon ein Account bei Google/GoogleMail? Keine Anmeldung erforderlich!
Mit Google-Account einloggen
Mit Google-Account einloggen
Noch kein Account? Hier anmelden.



