Guten Tag, ich bin relativ neu und unerfahren im Bereich Mikrocontroller, versuche aber aktuell einen Servo über ein NodeMCU ESP 8266 zu steuern und das Ganze über USB-C mit Strom zu versorgen. Allerdings funktioniert das nicht wirklich. Aber Schritt für Schritt. Bild 1: Angefangen habe ich mit dem NodeMCU und habe ein Script von HomeAssistant darauf gespielt, damit ich einen analogen Pin über das HA Interface steuern kann. Daran habe ich dann einen dieser billigen China Servos angeschlossen und es über den Mikro USB Anschluss des Boards mit Strom versorgt. Das hat bestens funktioniert, allerdings war der Servo zu schwach für meinen Anwendungszweck. Bild 2: Daraufhin habe ich mir einen Servo (https://www.amazon.de/dp/B0BD4DDTY7) bestellt, der allerdings 4.8-8.4V Spannung benötigt. Zu dem Zeitpunkt hatte ich irgendwo fälschlicherweise gelesen, dass der NodeMCU auch mit 5V betrieben werden könnte. Daher habe ich mir eine USB-C Buche besorgt und deren VIN und GND direkt an das Board angeschlossen und es über ein Handynetzteil (5V 3A 15W) betrieben. Das Setup hat aber weder mit dem kleinen noch mit dem großen Servo funktioniert. Ich war nur etwas verwundert, aber auch glücklich, dass das Board nicht abgeraucht ist. Bild 3 und Bild 4: Nachdem ich dann rausgefunden habe, dass das NodeMCU 3.3V and statt 5V benötigt, habe ich mir einen Spannungswandler (https://www.amazon.de/dp/B09Q8Q3ZVM) bestellt. Aber leider hat es damit immer noch nicht funktioniert, egal ob ich den Servo mit 3.3V vom Board oder mit 5V von der USB-C Buchse betrieben habe. Immerhin hat der (große) Servo dabei leise Gebrummt und leicht "gezittert". Ich bin mir allerdings nicht sicher, ob das etwas gutes oder schlechtes ist. Eine Sache die mir währenddessen noch aufgefallen ist, wenn ich die Spannung an der USB-C Buchse mit einem Multimeter messe, dann schwankt diese sehr und wir über Zeit immer weniger. Ist das evtl. eine Spannung die sich dynamisch an das angeschlossene Handymodell anpasst? Und noch ein Verdacht den ich hatte, muss die Steuerspannung am Servo auch 4.8-8.4V betragen oder reichen dabei die vom Board kommenden 3.3V? Leider weiß ich an diesem Punkt nicht, wie ich weiter machen soll, ich was ich noch testen kann. An und für sich wollte ich schon gerne die USB-C Buchsen nehmen und nicht noch Netzteile mit passenden Buchsen dazu kaufen müssen. Würde mich freuen, wenn mir jemand helfen kann. Gruß Lars P.S.: Wie schon erwähnt bin ich relativ unerfahren in diesem Bereich, ich hoffe ich habe den Post in der korrekten Kategorie erstellt und habe versuche alle nötigen Informationen mitzuliefern. Sollte etwas fehlen, so lasst es mich bitte wissen und ich versuche es nachzuliefern.
Da fehlen erstmal einige Daten: welche Spannung und welchen Strom braucht dein Servo? Wie wird es angesteuert? Reicht dem ein 3.3V-Signal, auch wenn es mehr Spannung bekommt. USB-C ist für solche Sachen denkbar schlecht geeignet, denn es findet ja eine Abstimmung statt zwischen Lader und Gerät, wieviel Strom und Spannung bereitgestellt werden soll. Und dein Servo direkt an den 3.3V-Ausgang der Node-MCU anzuschließen, ist auch nicht gut, denn der interne Regler ist mit dem ESP8266 schon gut ausgelastet.
Für den Servo habe ich nur die Infos aus dem Link von Amazon (https://www.amazon.de/dp/B0BD4DDTY7): Arbeitsspannungsbereich: 4,8V ~ 8,4V Betriebsstrom: 210mA ~ 260mA Stillstandsstrom: 2100mA ± 10% ~ 2700mA ± 10% Bzgl. der Spannung des Steuersignales konnte ich da leider nichts finden (oder habe es nur nicht erkannt). Kann ich denn diese Abstimmung zwischen Lader und Gerät irgendwie deaktivieren oder umgehen? Wäre es bei USB-A anders? Oder welche Alternative würdest du empfehlen? Bei deinem letzten Satz, bzgl. dem Servo direkt am 3.3V Ausgang, muss ich gestehen, bin ich mir nicht sicher ob ich das komplett verstehe. Aber wäre das was ich auf Bild Circuit4 probiert habe, nicht dessen Lösung? Dass die Betriebsspannung für den Servo nicht vom Board sondern von der Stromzufuhr kommt? Oder wie sollte man sowas sonst lösen?
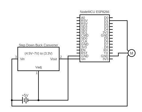
Ich denke, da hast du einiges durcheinander gebracht. Das NodeMCU Board enthält einen Mikrocontroller, der mit 3,3V betrieben wird. Das Baord wird allerdings mit 5V versorgt (wahlweise via USB Stecker oder Vin). Auf dem Board befindet sich ein Spannungsregler, der die 5V auf 3,3V reduziert. Modellbau Servos brauchen ungefähr 5 Volt Versorgungsspannung, manche vertragen auch mehr. Für das Steuersignal reichen allerdings sogar 3 Volt aus. Das heisst: Circuit4_USBC_3_3_Servo_4_8-8_4.png ist die einzige richtige Variante.
An die 3.3V des ESP darfst du nichts das signifikant strom braucht anschliessen! Der Vin eingang hat einen internen 3.3v reg, da kannst du 5V reinlassen. Also: - 5V ans servo - 5V an Vin fertig.
Stefan F. schrieb: > Das heisst: Circuit4_USBC_3_3_Servo_4_8-8_4.png ist die einzige richtige > Variante. Nee doch nicht, denn an Vin gehören 5V nicht 3,3V. Wenn du unbedingt einen externen Spannungsregler verwenden willst, dann gehört der an den 3,3V Eingang, nicht an Vin.
Also quasi so? Dann wäre also das einzige Problem, dass das Handynetzteil nicht dauerhaft 5V liefert? Oder verstehe ich gerade was falsch?
Genau so. Vielleich noch fette elko über 5V. Und gnd nicht durch das modul, mach das extern. Das problem ist dass das handynetzteil den strom für ein anlaufendes servo nicht schafft. Probier mal mit einem 9g plastik micro servo, dann geht das. Die kosten um die $2. Dein teil säuft locker mal 5A anlaufstrom.
Lars schrieb: > Also quasi so? Ja > Dann wäre also das einzige Problem, dass das Handynetzteil nicht > dauerhaft 5V liefert? Wieso? Meine liefern dauerhaft 5V. Du musst natürlich darauf achten, dass das Netzteil stark genug ist. Das NodeMCU Modul braucht schon 500 mA und für einen schwachen kleinen Servo musst du mit 1 A rechnen. Für die Lenkservos in Modellautos sind die Spannungsregler (im ESC) in der Regel auf 3 A oder mehr ausgelegt. USB Kabel sind dafür kritisch zu betrachten.
Sein servo ist weder schwach noch klein. Brauch 2.7A, anlauf das doppelte.
Genau das ist der kleine Servo den ich im ersten Schritt benutzt hatte. Der hat nur leider viel zu wenig Kraft für meinen Anwendungszweck (Schranktür öffnen). Habe nun noch einen Schaltplan erstellt, ist dieser richtig? Und was bedeutet ein fetter 5V Elko? Ist dieser stark genug? 6.3V sollte ja laufen mit meinen 5V, das ist doch die Obergrenze, oder nicht? https://www.amazon.de/Elektrolytkondensator-Kondensator-1000uF-105%C2%B0C-St%C3%BCck/dp/B0133XGYGO Und wenn ich den Elko dazwischen habe, sollte das denn mit dem Handynetzteil laufen? Oder brauche ich dann dennoch ein anderes Netzteil?
Mnax schrieb: > Sein servo ist weder schwach noch klein. > Brauch 2.7A, anlauf das doppelte. Also ist das USB Netzteil schon raus aus dem Rennen. Ich würde erst mal die tatsächliche maximale Stromaufnahme ermitteln. Bei direktem Betrieb am Akku ist sie weitgehend wurscht, aber wenn man ein Netzteil kaufen muss, sollte man nicht einfach irgend etwas zusammen stoppeln und hoffen, das es geht.
Mnax schrieb: > Sein servo ist weder schwach noch klein. > Brauch 2.7A, anlauf das doppelte. Beim Anlauf das doppelte? Spätestens da ist doch mein Handynetzteil mit 5V 3A zu klein um den Servo im Anlauf und das Board zu betreiben, oder?
Lars schrieb: > Und was bedeutet ein fetter 5V Elko? Ist dieser stark genug? Vergiss den Elko. So viel Strom kann man mit normalen Elkos nicht bereit stellen oder puffern. Das muss schon vom Netzteil kommen.
Ok, also Elko raus, dafür ein Netzteil welches stark genug ist. Aber wie bekommt man die tatsächliche max. Stromaufnahme raus? Macht man das theoretisch oder misst man das irgendwie? Zum messen bräuchte ich wahrscheinlich erstmal ein Netzteil, oder nicht? Theoretische Berechnung: Eigentlich wollte ich das ganze 2 mal bauen um damit 2 Türen zu öffnen die immer gleichzeitig zusammen geöffnet werden. Aber wenn ich ein stärkeres Netzteil brauche, könnte ich doch beide Servos an ein Board anschließen und würde so nur 1 noch stärkeres Netzteil benötigen. NodeMCU: 0.5-1A Servo: 2x (2.7A x 2 im Anlauf) Summe: 11.8A Also bräuchte ich ein Netzteil mit 5V und min ~12A und dafür dann kein Elko? Zum Beispiel sowas hier mit 5V 15A 75W? https://www.amazon.de/ALITOVE-Netzteil-Universal-Transformator-LED-Streifen-Black/dp/B0B49ZN1LF
Lars schrieb: > Ok, also Elko raus, dafür ein Netzteil welches stark genug ist. > Aber wie bekommt man die tatsächliche max. Stromaufnahme raus? Macht man > das theoretisch oder misst man das irgendwie? Zum messen bräuchte ich > wahrscheinlich erstmal ein Netzteil, oder nicht? Sicher, und ein entsprechend schnelles Messgerät. Ohne Messung kann ich nicht einschätzen, wie viel Strom deine Servos wirklich brauchen. Ich denke, die sind für dein Vorhaben eh suboptimal. Sie sind zum Lenken von Modellautos gedacht, also möglichst schnell. Willst du die Türen wirklich innerhalb einer halben Sekunde auf reißen? Sicher nicht. Ein Antrieb mit angemessener Geschwindigkeit hätte entsprechend weniger Stromaufnahme.
Stefan F. schrieb: > Sicher, und ein entsprechend schnelles Messgerät. Vlt. ist das jetzt nur mein Gedanke aus Unwissenheit, aber wenn ich mir erstmal ein ausreichend großes Netzteil und Messgerät kaufe, nur um den genauen Verbrauch zu ermitteln und mir dann ein genau passendes Netzteil kaufe. Ist das dann nicht teurer und aufwendiger, als wenn ich mir nur ein Netzteil kaufe welches theoretisch groß genug ist plus etwas Puffer?
Lars schrieb: > Also bräuchte ich ein Netzteil mit 5V und min ~12A Nöö. Du brauchst eine aktuator der langsamer und stärker ist. Ein modellbauservo ist zum türöffnen die falsche wahl.
> https://www.amazon.de/ALITOVE-Netzteil-Universal-Transformator-LED-Streifen-Black/dp/B0B49ZN1LF Da bist du gleich ins nächste Fettnäpfchen getreten. Wenn der Chinese eine maximale Belastbarkeit angibt, dann gilt das für wenige Millisekunden. Normal nutzbar ist üblicherweise höchstens die Hälfte davon. "The max use should be <=80% of the full loads. We recommend to use power supply to power device <= 60 Watt" fett hervor gehoben, sollte einem zu denken geben. Wenn das schon so im Angebot steht, taugt das Netzteil nach deutschen Maßstäben nur für 30 Watt. Das ist ganz anders, als z.B. ein Laptop Netzteil von HP. Wenn da 60W drauf steht, dann verträgt es auch 60W, und zwar dauerhaft.
So eines. 50 euronen. Dann kannste auch 8.4V fahren.
Ohje, je mehr ich hier lese umso mehr habe ich das Gefühl, dass meine Unwissenheit noch viel größer ist als ich dachte und nur zu einer großen Geldverschwendung führt. Ich danke euch soweit für eure Hilfe und Erklärungen! Werde mich jetzt wohl erstmal etwas bei Aktuatoren einlesen und umschauen. Aber ich habe wirklich das Gefühl, dass dieses Projekt mein Können bei Weitem übersteigt. Ich kann als neuer User gerade keine neuen Posts mehr machen, daher edit: Mnax schrieb: > So eines. 50 euronen. Dann kannste auch 8.4V fahren. Zum einen mache ich dafür nicht genug und es würde am Ende auch wieder nur doof rumstehen. Zum anderen wüsste ich damit auch (erstmal) wieder nicht umzugehen und würde vermutlich nur von einem Problem ins nächste stolpern. Stefan F. schrieb: > Das ist ganz anders, als z.B. ein Laptop Netzteil von HP. Wenn da 60W > drauf steht, dann verträgt es auch 60W, und zwar dauerhaft. Das ist auf jeden Fall gut zu wissen. Und ja, den von dir zitierten Text hatte ich auf die schnell auch übersehen. Hatte auch bei Conrad geguckt, weil Amazon wahrscheinlich auch nicht der richtige Shop für sowas ist. Aber dort hatte ich nichts in der Größe gefunden oder wahrscheinlich nach dem falschen gesucht.
Der hat bei 6V 18kg kraft. Dürfte auch an usb-c laufen. 20 euronen.
By the way: Man darf auch noch lange nicht jedes Netzteil an oder in Möbeln befestigen. Stichwort: Möbelnetzteil, Möbelzulassung.
Hast du auch einen Link? Wo schaust du nach sowas? Habe mal kurz gegoogelt was lineare Aktuatoren kosten und da habe ich fast ausschließlich wesentlich teurere Angebote gefunden.
Stefan F. schrieb: > By the way: Man darf auch noch lange nicht jedes Netzteil an oder in > Möbeln befestigen. Stichwort: Möbelnetzteil, Möbelzulassung. Ein auf und ab der Hoffnung bei mir... Geht es dabei um das Betreiben in kleinen geschlossenen Räumen? Der Plan war ohnehin es auf den Schrank drauf zu legen und "nur" die Mechanik als Servo/Aktuator/was auch immer im Schrank selbst anzubringen.
Hier. Stell deinen VPN auf CH. Viele liefern nicht nach DE.
Lars schrieb: > Hast du auch einen Link? Gebe doch mal einfach das Wasserzeichen aus dem Bild in Google ein. Dann landest du auf https://de.aliexpress.com/store/1067085
Lars schrieb: > Geht es dabei um das Betreiben in kleinen geschlossenen Räumen? Es geht um mehrere Sicherheits-Aspekte. Google doch einfach man nach dem Wort.
Mnax schrieb: > Hier. > Stell deinen VPN auf CH. Viele liefern nicht nach DE. Wait what? Die liefern nicht nach DE, ok. Aber wenn ich "aus China" heraus nach DE bestelle, dann liefern die? Echt jetzt? Oder wofür sonst der VPN, angucken ohne dass ich es am Ende bestellen kann wäre ja witzlos. Und ich habe das Wasserzeichen gegoogelt, war auch meine erste Idee, weil ich direkt an die Bilder von ebay dachte. Allerdings habe ich nur komplett andere Sachen gefunden. Auch nach der Möbelzulassung hatte ich direkt mal gesucht. Aber auch nur eine Menge Produkte gefunden und keine Erklärung was diese Zulassung ist. Wie schon gesagt, werde wohl erstmal lesen müssen. Wenn ich versuche hier zeitnah zu antworten kann ich logischerweise nicht stundenlang lesen zwischendurch. Aber das wäre jetzt wohl erstmal wieder notwendig. Nach kurzem überfliegen einer Erklärung aus Stefans Suche bin ich echt verwundert. Das was dort genannt wird hätte ich bei allen Netzteilen erwartet. So wie es dort beschrieben ist klingt das fast so also müsse man Sorge haben, dass alle anderen Netzteile jederzeit in Flammen aufgehen.
Lars schrieb: > Oder wofür sonst > der VPN, angucken ohne dass ich es am Ende bestellen kann wäre ja > witzlos. Lol. Wenn du erst mal die genaue bezeichnug weisst suchst du einen der das nach DE liefert. Das ist dass wegen der steuer 20% teurer, aber es gibt 1000+ shops die alle dasselbe verkaufen. Oder du machst sachen bis $60 mit paketdienst, ganz ohne steuer.
Stefan F. schrieb: > https://www.google.com/search?q=was+ist+eine+m%C3%B6belzulassung+bei+netzteilen? Lars schrieb: > Auch nach der Möbelzulassung hatte ich direkt mal gesucht. Aber auch nur > eine Menge Produkte gefunden und keine Erklärung was diese Zulassung > ist Wie schafft ihr das, euer Google kaputt zu machen oder dort keine Antworten zu bekommen? Du bist ja nicht der erste. Ich bin ohne Internet aufgewachsen und komme dennoch besser damit klar, als die Generation nach mir. Wie kann das sein? > Wenn ich versuche hier zeitnah zu antworten kann ich > logischerweise nicht stundenlang lesen zwischendurch. Nimm dir die Zeit, ist besser. Eine Antwort pro Tag reicht, um die Diskussion am "Leben" zu erhalten. > So wie es dort beschrieben ist klingt das fast so also müsse > man Sorge haben, dass alle anderen Netzteile jederzeit in > Flammen aufgehen. Es ist tatsächlich so, dass viele Netzteile im Haushalt nicht ohne Aufsicht verwendet werden sollen. Meistens steht das auch in den Bedienungsanleitungen der Gerät. Beim verlassen der Räume soll man den Netzstecker ziehen. Macht natürlich keiner, aber besser wäre es.
Mnax schrieb: > Wenn du erst mal die genaue bezeichnug weisst suchst du einen der das > nach DE liefert. Das ist dass wegen der steuer 20% teurer, aber es gibt > 1000+ shops die alle dasselbe verkaufen. > > Oder du machst sachen bis $60 mit paketdienst, ganz ohne steuer. Das 1x1 des Bestellens in China, alles klar :D Ich merke mal wieder, dass selbst das Bestellen bei Aliexpress anders läuft, wenn man dort regelmäßig unterwegs ist. Stefan F. schrieb: > Nimm dir die Zeit, ist besser. Eine Antwort pro Tag reicht, um die > Diskussion am "Leben" zu erhalten. Ist leider nicht immer so. Oftmals erhält man keinerlei Rückmeldung mehr, wenn der Thread erstmal 12-24h brach gelegen hat. > Es ist tatsächlich so, dass viele Netzteile im Haushalt nicht ohne > Aufsicht verwendet werden sollen. Meistens steht das auch in den > Bedienungsanleitungen der Gerät. Beim verlassen der Räume soll man den > Netzstecker ziehen. Macht natürlich keiner, aber besser wäre es. Als wenn irgendwer die Anleitung eines Netzteils liest. Das lässt mich die Dinge gerade wirklich etwas anders sehen.
Bitte melde dich an um einen Beitrag zu schreiben. Anmeldung ist kostenlos und dauert nur eine Minute.
Bestehender Account
Schon ein Account bei Google/GoogleMail? Keine Anmeldung erforderlich!
Mit Google-Account einloggen
Mit Google-Account einloggen
Noch kein Account? Hier anmelden.













