Nachdem hier in einem Thread über Sinn (oder Unsinn) und der Zukunft von 8 Bit Mikrocontroller diskutiert wurde (und der Thread leider wie zu erwarten sehr stark abgedriftet ist), hatte ich "Lust" darauf etwas mit 8 Bit zu machen und dann schon gleich mit dem billigsten was geht, mit dem PFS154 von Padauk. Natürlich gibt es schon Anzeigetreiber, natürlich kosten die auch nicht viel (allerdings ist der PFS dann doch schon billiger) und natürlich können damit auch Tasten gescannt werden (was mein Anzeigetreiber dann nicht kann). Ein Vorteil jedoch hat mein Anzeigetreiber gegen bspw. den bekannten TM16xx Bausteinen: Es wird nur eine einzige Datenleitung vom Host, in meinem Beispielprogramm ein ATmega328, zum Anzeigetreiber benötigt. Außerdem ist das von meiner Seite dann auch eher "sportlich" zu sehen: Wie billig kann etwas gemacht werden und funktioniert dennoch. Allerdings: nachdem der Anzeigentreiber funktioniert, ist auch schon das erste "Projekt" dafür vorgesehen, das diese Anzeige verwenden wird. Wer den Anzeigetreiber gebrauchen kann: Viel Spaß damit. JJ
Der Witz an einem Anzeige TREIBER ist, dass er viel Strom in die Anzeige stecken kann, so ein TM1650 schickt beispielsweise 150mA durch die Digits und bekommt damit im Mittel jedes Segment so hell wie mit 5mA. Dein PFS ist kein Treiber, und du hast ungeschickterweise auch noch den schwachen 8mA Ausgang PB7 als Digitleitunge verwendet statt einem der 20mA kräftigeren PA0,PA3,PA4,PB2,PB5,PB6, bringst also nur eine mittlere Displayhelligkeit wie mit 0.25mA Dauerstrom, das reicht auch bei modernen high efficiency LED Displays nur für Schummerlicht. Dabei gibt es billige uC mit ausreichend Treiberstrom, wie SH79F0819M (140mA) direkt zur Ansteuerung von LED (und dieser auch 4BP LCD) oder der nicht ganz so billige aber leichter beschaffbare PIC16F1764. Der PFS ist also ein wirklich umwälzend billiger uC der viele spezialisierte Chips billiger ersetzt, aber in deiner Verwendung die falsche Wahl. Es täte auch ein HEF4894B.
>Nachdem hier in einem Thread über Sinn (oder Unsinn) und der Zukunft von >8 Bit Mikrocontroller diskutiert wurde (und der Thread leider wie zu >erwarten sehr stark abgedriftet ist), hatte ich "Lust" darauf etwas mit >8 Bit zu machen und dann schon gleich mit dem billigsten was geht, mit >dem Finde ich grundsätzlich gut. Vielleicht kann man sich an dem Modul orientieren: https://robotfreak.de/elab-wiki/index.php?title=LED-Key_Board
Beitrag #7441997 wurde von einem Moderator gelöscht.
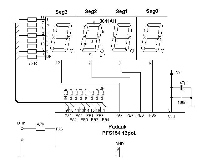
Michael B. schrieb: > Der Witz an einem Anzeige TREIBER ist, dass er viel Strom in die Anzeige > stecken kann, so ein TM1650 schickt beispielsweise 150mA durch die > Digits und bekommt damit im Mittel jedes Segment so hell wie mit 5mA. Da sind sie wieder: -Die-immer-Nörgeln-müsser- ! Michael B. schrieb: > Dein PFS ist kein Treiber Ich hätte das Teil 4-Digit LED-7-Segment Decoder nennen sollen ! Dass der PFS an seinen Pins nicht so viel Strom kann wie ein dedizierter Treiberchip sollte klar sein. Michael B. schrieb: > und du hast ungeschickterweise auch noch den > schwachen 8mA Ausgang PB7 als Digitleitunge verwendet statt einem der > 20mA kräftigeren PA0,PA3,PA4,PB2,PB5,PB6 Hättest du nicht nur den Schaltplan angesehen, sondern in den Header gesehen, dann wäre dir aufgefallen, dass jede einzelne Segmentleitung sowie die Digitleitungen frei wählbar sind. Die Zuordnung wie ich sie gewählt habe war der einfacheren Verdrahtung geschuldet. Natürlich kann man für die Digitleitungen die kräftigeren GPIOs wählen wenn es benötigt wird. Michael B. schrieb: > das reicht auch bei > modernen high efficiency LED Displays nur für Schummerlicht. Mitnichten, das reicht für eine absolut gut leuchtende und gut ablesbare Anzeige, sogar bei Sonnenlicht (zumindest mit den 3641AH Anzeigen).. Mehr als eine gut ablesbare Anzeige wollte ich nicht erreichen! Michael B. schrieb: > Dabei gibt es billige uC mit ausreichend Treiberstrom, wie SH79F0819M > (140mA) direkt zur Ansteuerung von LED (und dieser auch 4BP LCD) oder > der nicht ganz so billige aber leichter beschaffbare PIC16F1764. Darum geht es doch überhaupt gar nicht... Michael B. schrieb: > Der PFS ist also ein wirklich umwälzend billiger uC der viele > spezialisierte Chips billiger ersetzt, aber in deiner Verwendung die > falsche Wahl. Es täte auch ein HEF4894B. ... und auch darum geht es nicht! Von dedizierten Anzeigetreibern habe ich auch einige hier. ---------------------------- Es geht darum, was man mit dem ultrabilligen PFS alles anstellen kann, gerade weil dieser MCU so fast gar nichts an Peripherie an Bord hat. Und, nochmal, die Anzeige ist ausreichend hell und alle Segmente leuchten auch alle annähernd gleich hell, egal ob ein "8" oder eine "1" angezeigt wird. Von daher ist er, aus meiner Sicht, nun wirklich eine kleine Alternative wenn ich 4 stellige Anzeige brauche (zudem ich einige 3641AH und 3641BS hier habe). ------------------------------ Hauptsache genörgelt halt. ------------------------------ By the way, werter Michael Laberkopp: Wo sind denn deine Projekte die es zu bestaunen gilt? Ich habe dich hier wirklich nur am nörgeln gesehen (manchmal berechtigt, meistens aber eher nicht)! --------------------------------- Jeder der sich mit Mikrocontroller beschäftigt und hierbei den PFS154 anfasst sollte sich im Klaren sein, dass das absolut für Spielzeug ist. Für diesen Chip also Programme zu schreiben sollte man das als "Sport" ansehen (so sehe ich das zumindest) und darüber "staunen" was alles mit wenig bewerkstelligt werden kann. Für ernsthafte große Projekte, die eine selbstleuchtende Anzeige benötigen werden heute mittlerweile fast immer Displays eingesetzt und die Anzahl der Geräte mit LED 7-Segmentanzeigen werden hierbei immer weniger. Bei einer professionellen Entwicklung wird man bei Verwendung von 7-Segmentanzeigen wohl kaum einen PFS154 einsetzen wollen (da gebe ich dir dann recht).
Christoph M. schrieb: > Vielleicht kann man sich an dem Modul orientieren: > > https://robotfreak.de/elab-wiki/index.php?title=LED-Key_Board Dieses "Board" ist altbekannt, habe ich hier auch eines liegen und auch eines mit 16 Tastern anstelle nur 8. Werden Taster benötigt, kann der von mir hier vorgestellte Anzeigedekoder nicht mithalten. Außerdem kann mein Decoder auch nur 4 Digits bedienen. Der "Haken" an dem Board ist: es verwendet einen TM1638 (den ich sehr mag), der jedoch vom Host 3 GPIO Pins zur Ansteuerung benötigt.
Ralph S. schrieb: > Es geht darum, was man mit dem ultrabilligen PFS alles anstellen kann, Du meinst, wenn man nur einen Hammer hat, wird halt alles genagelt. Der ultrabillige PFS revolutioniert die Bauelementesortimente weil er viel ersetzen kann, aber Anzeigetreiber nun leider gerade nicht, dafur hättest du besser geeignete Chips kaufen sollen. Ralph S. schrieb: > reicht für eine absolut gut leuchtende und gut ablesbare > Anzeige, sogar bei Sonnenlicht (zumindest mit den 3641AH Anzeigen).. Ich sag mal nein, http://www.edcon-components.com/Webside/LIE/500296/PDFE/Q3641A.pdf Gerade die AH sind mit 500ucd bei 10mA auch noch gnadenlos dunkel, und deine 0.25mA machen daraus 12.5ucd, da waren ja selbst DDR VQE noch heller. Und dann begrenzt die Helligkeit ab dem 3-fachen Strom, also 30mA, obwohl 4 in Multiplex verdrahtet wurden, es sind also auch noch unpassend LED im Display. http://www.xlitx.com/Products/7-segment-led-dot-matrix/3641ah.html Die Theorie, moderne 7-Segment Anzeigen wären hell, hab ich auch mal gehabt, und ein grünes Display am DM13A betrieben, mit 16 Helligkeitsstufen in Software: der steht immer auf 16 und ist trotzdem dunkel.
Michael B. schrieb: > Du meinst, wenn man nur einen Hammer hat, wird halt alles genagelt. Der > ultrabillige PFS revolutioniert die Bauelementesortimente weil er viel > ersetzen kann, aber Anzeigetreiber nun leider gerade nicht, dafur > hättest du besser geeignete Chips kaufen sollen. Ich hab auch noch Schlagschrauber, Bohrhammer, Kreissäge und Zangen, sowie STM32F0 / F1 /F4 und LPC. MAX7219, TM16xx natürlich auch. Nur PIC und MCS51 habe ich nicht mehr, dafür aber wohl einige 100 Transistoren in NPN, PNP, n-Channel und p-Channel FET natürlich auch. Wenn ich also wirklich irgendwie Strom brauche, habe ich bestimmt etwas und wenn es eine Kombination von Hammer und etwas anderem noch ist! Ich glaube wir sollten uns nicht "streiten" und ich ein Foto vom Versuchsaufbau zeigen (allerdings wird mir dann wohl unterstellt werden dass das dann evtl. ein anderer Chip ist oder das Foto dann nachbearbeitet). Von daher: Du hast Recht und ich nicht, der PFS ist ein Hammer ( smile im Sinne von Werkzeug natürlich und nicht DER Hammer) und die Anzeige ist viel zu dunkel und die hier vorgestellte Software ist ein Fake. Meine Güte ! Wie hat Galileo gesagt: "und sie bewegt sich doch" ------------------------------------------------------- Nur by the way: Ein 12-Bit Schieberegister verwenden um eine Anzeige darzustellen? Da braucht es für 4 Digits entweder derer 3 Chips um die Anzeige statisch zu betreiben oder 2 wenn man die CPU dann für ein Multiplexing bemüht. Das hat mir schon mit den chinesischen 4 Digit Modulen die mit 2 Stück 74xx595 nicht gefallen (die im übrigen auch nicht mehr als 24 mA max. per Pin können). "und sie leuchten dennoch" ... ach ne, halt, es heißt ja: "und sie bewegt sich doch" -------------------------------------------------------- Okay, ich lasse es gut sein und sage all denen, die das evtl. doch nachbauen möchten: Verwendet noch zusätlich Transistoren für Segment und Digitleitungen, damit diejenigen, die sagen das sei zu dunkel dann beruhigt sind. Oder besser noch: nehmt entweder einen dedizierten Anzeigetreiber oder einen Controller mit mehr I/O Pins
.... sorry, ich war zu eifrig: bei einem 12 Bit Schieberegister in Verbindung mit 4 Digits und Multiplexing vom Controller braucht es tatsächlich nur dieses eine Schieberegister (was den Strom per Pin dennoch nicht erhöht).
Ralph S. schrieb: > sorry, ich war zu eifrig Daher hatte ich ja extra ein 12 bit SR genannt damit 1 IC reicht und der Strom ist nur ebenso zu gering wie bei deiner Lösung.
Bitte melde dich an um einen Beitrag zu schreiben. Anmeldung ist kostenlos und dauert nur eine Minute.
Bestehender Account
Schon ein Account bei Google/GoogleMail? Keine Anmeldung erforderlich!
Mit Google-Account einloggen
Mit Google-Account einloggen
Noch kein Account? Hier anmelden.

