Hallo liebe Gemeinde, ich suche einen Trick, um mit einfachen Mitteln die Spannung über einem Shunt unterhalb der Masse zu messen. Ich habe aber nur +12V/+5V Versorgungsspannung. Ein klassischer Differenzverstärker kann das nicht, weil damit die Eingänge, wenn auch nur wenig ins Negative kommen. Der Shunt ist per Vierdraht angebunden. Ob das WIRKLICH nötig ist, weiß ich nicht. Die (negative) Gleichtaktspannung am Shunt dürfte irgendwo zwischen 0-100mV liegen, muss ich mal versuchen zu messen. Es geht auch nicht um eine Präzisionsmessung, nur eine grobe Schätzung. 10% Meßfehler sind OK. Die einfachste Lösung ist ein invertierender Verstärker ohne Vierdrahtmessung und gut. Gibt es Ideen, wie man mit einem Trick doch den Differenzverstärker nehmen kann?
Falk B. schrieb: > Gibt es Ideen, wie man mit einem Trick doch > den Differenzverstärker nehmen kann? Nimm einen ICL7660 oder ähnlich und erzeuge Deine -5V. Siehe Datenblatt erste Seite. https://cdn-reichelt.de/documents/datenblatt/A200/ICL7660%23MAX.pdf mfg Klaus
Klaus R. schrieb: >> Gibt es Ideen, wie man mit einem Trick doch >> den Differenzverstärker nehmen kann? > > Nimm einen ICL7660 oder ähnlich und erzeuge Deine -5V. Siehe Datenblatt > erste Seite. Im Prinzip ja, aber ich hab wenig Platz auf der Platine und so richtig ist mir das die Sache nicht wert.
Mach doch einfach 100k oder sowas von n und p gegen +5V. Daß Du solche Fragen fragst? Ist Dein Account gehackt worden?
Falk B. schrieb: > Die (negative) Gleichtaktspannung am Shunt dürfte irgendwo > zwischen 0-100mV liegen Viele Strommessverstärker (z.B. INA180) gehen runter bis -200 mV.
Georg M. schrieb: > ACS71240: 3x3mm Netter IC, aber am Shunt etc. kann ich nix ändern. Ich kann nur an der Auswertung was ändern.
Foobar schrieb: > R5 verschieben? Dann wird aber der Ausgang negativ ... Ach ja, welchen Sinn hat R2+R3 in der Originalschaltung eigentlich, wenn die letztendlich durch die Masse kurzgeschlossen sind, und Genauigkeit ohnehin nicht gefordert ist?
Jens G. schrieb: > Ach ja, welchen Sinn hat R2+R3 in der Originalschaltung eigentlich, wenn > die letztendlich durch die Masse kurzgeschlossen sind, und Genauigkeit > ohnehin nicht gefordert ist? Es ist ein Vierdrahtanschluss im Layout und mit einer komischen Schaltung bisher ausgewertet, die halt irgendwie irgendwas mißt. Da ich das jetzt aus anderen Gründen überarbeiten muss (Controller EoL), wollte ich diese Merkwürdigkeit aufräumen.
Den nichtinvertierenden Eingang eine kleine konstante positive Spannung anlegen (z.B. 0.1V). Eventuell funktioniert das bei Rail2Rail auch mit direkter Masseverbindung, also 0V. Dann stellt sich am invertierenden Eingang die gleiche Spannung ein, die Ausgangspannung ist dann ebenfalls positiv und läßt sich mittels Spannungsteilerformel leicht berechnen.
Fritz G. schrieb: > Den nichtinvertierenden Eingang eine kleine konstante positive Spannung > anlegen (z.B. 0.1V). Das ist dann aber nix weiter als ein invertierender Verstärker mit zusätzlichem Offset. Kein Differenzverstärker.
Und das hier ist für Dich keine Option? Jens G. schrieb: > Mach doch einfach 100k oder sowas von n und p gegen +5V.
Jens G. schrieb: > Mach doch einfach 100k oder sowas von n und p gegen +5V. > Daß Du solche Fragen fragst? Ist Dein Account gehackt worden? Wenn man die Spannung vom Shunt per Spannungsteiler in Richtung VCC teilt, kriegt man durch die Toleranzen der Widerstände ziemliche Meßfehler rein. Ok, man kann 0,1% Typen nehmen, die sind bezahlbar. Behalte ich mal im Kopf.
Falk B. schrieb: > Jens G. schrieb: >> Mach doch einfach 100k oder sowas von n und p gegen +5V. >> Daß Du solche Fragen fragst? Ist Dein Account gehackt worden? > > Wenn man die Spannung vom Shunt per Spannungsteiler in Richtung VCC > teilt, kriegt man durch die Toleranzen der Widerstände ziemliche > Meßfehler rein. Ok, man kann 0,1% Typen nehmen, die sind bezahlbar. > Behalte ich mal im Kopf. Das klang anfangs aber anders: Falk B. schrieb: > Es geht auch > nicht um eine Präzisionsmessung, nur eine grobe Schätzung. 10% Meßfehler > sind OK.
Den Minusanschluss von der Versorgung des OPV auf die linke Seite des 0,33R (R5) Shuntwiderstandes verlegen, dann werden an den beiden Eingängen nur noch positive Spannungen verarbeitet.
Könnnte gehen. Oder ein LM234 < https://www.ti.com/lit/ds/symlink/lm224.pdf?HQS=dis-dk-null-digikeymode-dsf-pf-null-wwe&ts=1699533042417 > Da ist V- im common mode Bereich noch drinnen, einfach so. Irgendwann machen die Eingangsschutzdioden auf, aber laut Datenblatt ist bis -0.3V OK. 45 Ct @ 1 Stück bei Digikey. Oder ein anderer OpAmp mit PNP-Eingängen. Gerhard H.
Falk B. schrieb: > Gibt es Ideen, wie man mit einem Trick doch den Differenzverstärker > nehmen kann? Spannungsteiler nach Vcc (oder eine Referenzspannung)... Heiner B. schrieb: > Evtl. geht es so. Das ist für mich kein eindeutiger Potentialbezug. Denn solange da nicht ein definierter Strom vorwärts durch die Diode fließt, kann die Spannung am Shunt beliebig negativ sein. Die Diode sperrt dann eben.
Falk B. schrieb: > ich suche einen Trick, um mit einfachen Mitteln die Spannung über einem > Shunt unterhalb der Masse zu messen Du brauchst nur einen invertierenden Verstärker an deinem single supply OpAmp z.B. x -50 macht aus -0.1V halt 5V am Ausgang. Falk B. schrieb: > Die einfachste Lösung ist ein invertierender Verstärker ohne > Vierdrahtmessung und gut. Genau. > Gibt es Ideen, wie man mit einem Trick doch > den Differenzverstärker nehmen kann? Wozu ? Bloss weil dein Widerstand 2 Masseanschlüsse hätte ? Der invertierende Verstärker kann durch passende Leitungsführung die Spannung quasi stromlos (100uA) an den Kelvin Anschlüssen messen. Die minimale Differenz zwischen den beiden Masseanschlüssen des Widerstandes akzeptiert der OpAmp. Nur 1/50 davon wirkt sich als Fehler auf die Ausgangsspannung aus.
1  | +--49k--+  | 
2  | | |  | 
3  | GND-- ------(--|+\ |  | 
4  | \/ | | >-+-- 0-5V  | 
5  | 0R1 +--|-/  | 
6  | /\ | |  | 
7  | Last- --1k--+ GND  | 
Ich hab es jetzt so gemacht. Die 2k und 10k sind alle 0,1% Typen. Das ist OK. Die 5V haben auch 1%.
Was (außer dem Nick des Autors) spricht eigentlich gegen diesen Vorschlag? Enrico E. schrieb: > Den Minusanschluss von der Versorgung des OPV auf die linke Seite des > 0,33R (R5) Shuntwiderstandes verlegen
Falk B. schrieb: > Die 5V haben auch 1%. Schwankungen dieser 5V sind im Grunde sogar egal. Wenn du nachrechnest, siehst du: die Äbhängigkeit von dieser Spannung fliegt wegen der Differenzbildung und gleicher Teilerwiderstände einfach raus.
Yalu X. schrieb: > Was (außer dem Nick des Autors) spricht eigentlich gegen diesen > Vorschlag? > > Enrico E. schrieb: >> Den Minusanschluss von der Versorgung des OPV auf die linke Seite des >> 0,33R (R5) Shuntwiderstandes verlegen An der Leistungsseite kann ich nichts ändern. Sind zwei getrennte Platinen, nur eine wird jetzt geändert.
Falk B. schrieb: > An der Leistungsseite kann ich nichts ändern. Sind zwei getrennte > Platinen, nur eine wird jetzt geändert. Gehört also R1 in deinem ersten Schaltplan (bzw. R3 in deinem letzten Schaltplan) zur Leistungsseite, obwohl er nicht vom Hauptstrom durchflossen wird, sondern lediglich der Messung dient? Wenn nicht, hätte die Messplatine ja Zugriff auf das linke Ende des Shunts, und du bräuchtest zur Umsetzung von Enricos Vorschlag an der Leistungsplatine nicht ändern.
Yalu X. schrieb: >> An der Leistungsseite kann ich nichts ändern. Sind zwei getrennte >> Platinen, nur eine wird jetzt geändert. > > Gehört also R1 in deinem ersten Schaltplan (bzw. R3 in deinem letzten > Schaltplan) zur Leistungsseite, obwohl er nicht vom Hauptstrom > durchflossen wird, sondern lediglich der Messung dient? Nein, die Widerstände sind auf der Steuerung, welche geändert wird. Siehe Anhang. > Wenn nicht, hätte die Messplatine ja Zugriff auf das linke Ende des > Shunts, Hat sie. Auf beide Anschlüsse (Vierdraht). > und du bräuchtest zur Umsetzung von Enricos Vorschlag an der > Leistungsplatine nicht ändern. Der Vorschlag besteht darin, ein Diode in den Masse der Last zu legen, um das Potential des Shunts um 0,7V anzuheben, dann liegt der immmer über GND. Dort komm ich aber nicht ran! Egal, ich hab das jetzt mit den 0,1% Widerständen gemacht, die Daten sind fertig und schon beim Prototypenbestücker. [Schleichwerbung] https://www.bmk-group.de/elektronikfertigung/prototypenfertigung [/Schleichwerbung] Deren Portal sieht recht gut aus, das Projekt hier ist klein und somit unser erster Testballon. Ich hab die Daten heute früh gegen 10 hochgeladen und jetzt schon ein gutes Angebot für 20 Prototypen bekommen. Super! Danke für alle Ideen und Hinweise.
Falk B. schrieb: > Der Vorschlag besteht darin, ein Diode in den Masse der Last zu legen, > um das Potential des Shunts um 0,7V anzuheben, dann liegt der immmer > über GND. Dort komm ich aber nicht ran! Warum eine Diode? Einfach den -VCC des OPA an den Knoten R3/R9 legen, denn darauf hast du ja Zugriff. Der OPA kann ja bis -VCC am Eingang verarbeiten. Vielleicht habe ich auch nicht alles verstanden 🙄.
Klaus H. schrieb: > Vielleicht habe ich auch nicht alles verstanden 🙄. Doch, doch, du hast alles richtig verstanden. Die Diode habe ich nicht vorgeschlagen, sondern Heiner B. Und ja, Falk hat Zugriff auf die linke Seite von R5 (jetzt R9), sonst könnte er dort den Spannungsteiler nicht platzieren.
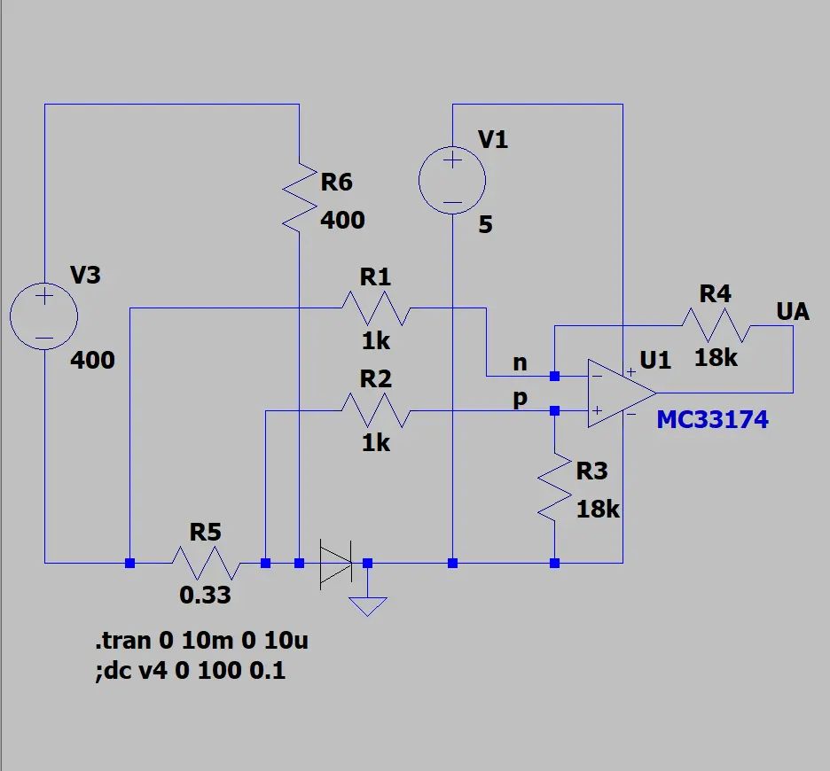
Falk B. schrieb: > ich suche einen Trick, um mit einfachen Mitteln die Spannung über einem > Shunt unterhalb der Masse zu messen. Hab jetzt nicht alle Postings gelesen unnd moeglichereise ist das Problem auch schon geloest. Fuer mich laeuft deine Schaltung auf einen Levelshifter hinaus. Im Anhang ein LTspice Screenshot - vielleicht es ja das was nach was du suchst. Ich habe die Werte aus deinem Eingangsposting genommen.Danach moechtest -0.329V bis OV messen.Hierzu benoetigst du aber eine OPspannung von mindestens 6V - entsprechend deinen Werten
Da soll doch eigentlich der Strom durch den Shunt gemessen werden. Könnte man auch über den Umweg der verbratenen Leistung am Shunt rausfinden. Die bekommt man potentialfrei über Temperaturmessung des Shunts (Pt1000 aufgeklebt) im Vergleich mit der Temperatur neben dem Shunt. Eine Halbbrücke genügt da vielleicht schon. Allerdings nicht für schnelle Transienten geeignet.
Bitte melde dich an um einen Beitrag zu schreiben. Anmeldung ist kostenlos und dauert nur eine Minute.
  
  Bestehender Account
  
  
  
  Schon ein Account bei Google/GoogleMail? Keine Anmeldung erforderlich!
Mit Google-Account einloggen
Mit Google-Account einloggen
  Noch kein Account? Hier anmelden.







