Hallo, ein Ventil wird mit 24VAC versorgt und mit 0-10V angesteuert. Das Ventil liegt somit auf dem Potential 0VAC. Meine Ansteuerung erfolgt über eine ET200SP mit dem Modul 6ES7135-6HD00-0BA1, welches am Ausgang Q3+ angeschlossen ist. Das Modul ist mit 24VDC versorgt. Auf welches Potential muss ich nun die Referenz Q3- legen um ein funktionierendes Ventil zu haben? 0VAC oder 0VDC? 24VAC werden über einen Trafo erzeugt, welcher sekundärseitig geerdet ist. 24VDC über ein Netzteil welches ebenso sekundärseitig geerdet ist. Kann ich die 0VDC mit den 0VAC verbinden um ein gemeinsames Potential zu haben?
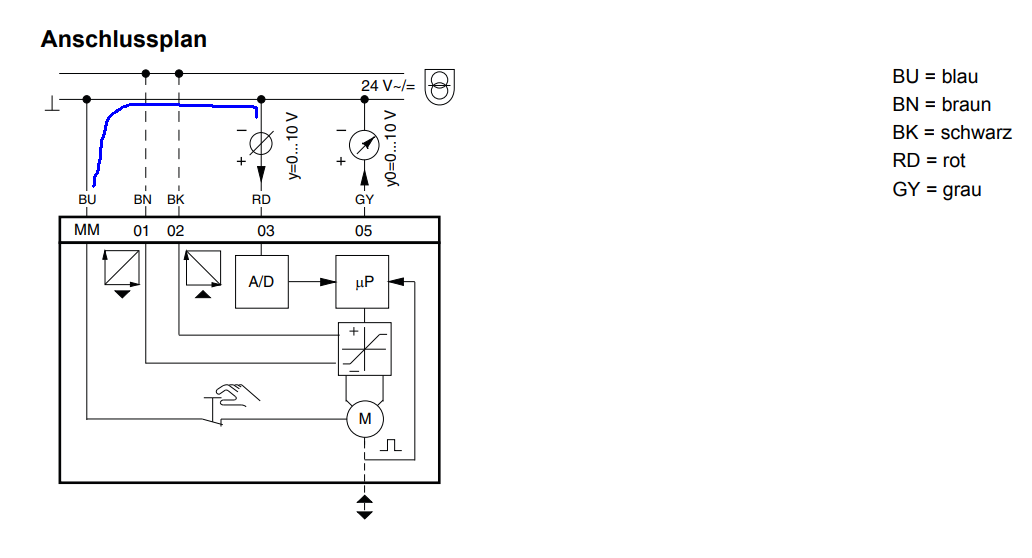
Maxi 6. schrieb: > Das Ventil In dem recht winzigen Screenshot bin auf das hier gekommen: - https://www.sauter-controls.com/wp-content/uploads/ImportPDM/1013801.pdf Mir gibt allerdings zu denken, dass die Klemmenbezeichungen in deinem Schaltplan völlig anders sind als im Datenblatt. Hast du da ein anderes DB? Oder warum verwendest du andere Bezeichungen? > Auf welches Potential muss ich nun die Referenz Q3- legen um ein > funktionierendes Ventil zu haben? 0VAC oder 0VDC? Der Analogausgang ist Q3+ und der zugehörige Bezugspunkt ist Q3-. Der Analogeingang ist laut dem Datenblatt an der roten Leitung (Klemme 03) und bezieht sich auf die blaue Leitung (Klemme MM). Also ja: du musst den Bezugspunkt deines Analogausgangs mit der blauen Masse MM des Ventils verbinden. Und ebenfalls ja: du musst kontrollieren, ob du die Q3- mit der blauen Masse MM und so auch mit dem Trafo verbinden darfst. Stichwort "potentialfreie Versorgung". Maxi 6. schrieb: > 24VAC werden über einen Trafo erzeugt, welcher sekundärseitig geerdet > ist. 24VDC über ein Netzteil welches ebenso sekundärseitig geerdet ist. Was ist da "ggerdet"? Ist 1 Trafoanschluss und der Minuspol des Netzteils zusammen an PE angeklemmt? Wenn ja, dann hast du die nötige Verbindung ja eh' schon.
Lothar M. schrieb: > In dem recht winzigen Screenshot bin auf das hier gekommen: > - > https://www.sauter-controls.com/wp-content/uploads/ImportPDM/1013801.pdf > > Mir gibt allerdings zu denken, dass die Klemmenbezeichungen in deinem > Schaltplan völlig anders sind als im Datenblatt. Hast du da ein anderes > DB? Oder warum verwendest du andere Bezeichungen? Oh gerade aufgefallen, dass die Klemmenbeschriftung vom Vorgänger "104S" ist. > Was ist da "ggerdet"? Ist 1 Trafoanschluss und der Minuspol des > Netzteils zusammen an PE angeklemmt? Wenn ja, dann hast du die nötige > Verbindung ja eh' schon. Ja aber Verbindung über die Erde könnte es zu Potentialverschiebungen kommen. Wäre da eine direkte Verbindung die bessere Variante?
Bitte melde dich an um einen Beitrag zu schreiben. Anmeldung ist kostenlos und dauert nur eine Minute.
Bestehender Account
Schon ein Account bei Google/GoogleMail? Keine Anmeldung erforderlich!
Mit Google-Account einloggen
Mit Google-Account einloggen
Noch kein Account? Hier anmelden.
