Hallo, ich habe mich eben mal an GalBlast probiert. Habe die Schaltung nach dem "Minimum Effort GAL Programming" aufgebaut und kann mein GAL auch auslesen (ist leer, aber logisch bei einem neuen GAL) nur das schreiben geht nicht. Er scheint wohl nichts drauf zu schreiben weil wenn man es anschließend wieder liest, stehen wieder nur 1er drin. Kann mir vielleicht jemand helfen? ggf. wo ich meine Fehlersuche beginnen könnte? Gruß Malte
Ich habe den GalBlast auch nachgebaut. Bei GAL 16V8 reichen 12 V am EDIT PIN ca. 14 Volt an EDIT PIN bei 20V8( A) B oder C TYP Kannst du die Pes Signatur lesen ??? .
Nach ERASE GAL sind alle BITS auf 1 Also vor dem Proggen ERASE GAL machen.
Also anfangs hatte ich ne Meldung das der die PES nicht lesen konnte. Diest habe ich aber jetzt nicht mehr, weis nicht genau wieso, hab etwas rumgespielt und alles nochmal geprüft und jetzt kommt die meldung nicht mehr. Lesen geht wie gesagt (zumindest glaube ich das da er das ausgibt was sinn macht bei einem leeren GAL) Leer ist es, da alle Bits auf 1 sind. Habe ein 16V8 und 12v am Edit Pin angelegt, trotzdem sind, nach dem Brennen alle Bits nach wie vor auf 1. Eine Fehlermeldung kommt nicht. Wie gesagt, ich habe die Low-Cost Variante aufgebaut, d.h. den IC Sockel mit den Pullups und nem Kondensator. Frage: Wie wichtig ist die Spannung am Edit Pin und an VCC? Müssen das exakt 12v bzw. 5v sein? oder gibts da ne Tolleranz? Kann es ggf. an einem Fehler am Anschluß des IC Sockels zum Parallelport liegen? Ich bin zur Zeit recht Ratlos. Gruß Malte.
Zitat: Wie gesagt, ich habe die Low-Cost Variante aufgebaut, d.h. den IC Sockel mit den "Pullups" und nem Kondensator. Ich kan nur vermuten das du 6mal VIL als Pull-Up hast??? VIL = VOLTAGE INPUT LOW. (an GND damit) 6 mal "Pull-Down" ARRAY an das VIL Pinning. -------------------------------------------- Mit dem Scope kanst du die Drains sehen. Ich habe Lattice GALS 16V8 B,C Keine A-Typen nehmen. Da sind ist die Matrix anders verteilt. Die VCC ist ca 5V. Die EDIT ist bei ca 12 bis 14V. Bei EDIT 12V ist das lesen immer möglich. Alles nicht so wild. wie die orginale Karte mit DAC und so. Wen du ein Jedec File Anklicks mit GAL16V8 liest der schon die PES. Beim Proggen komt den das Menu mit den Prog Spannung. Drop Down BOX usw. Voltage Select. Die komt aus der PES. PROGRAMMER ELEKTR SIGNATURE Das hat ja bei dir Funktion. Frage: Ist WIN XP ??? Was für ne GAL Firma ??? Ist das ein Laptop mit LPT 3,3 V oder ein alter WIN 98 PC 166 MHz. In der GalBlast-Soft 1989 sind die Wartezeiten auf dem 90 bis 166 MHz Zeitalter. Clock und DATA. Von Vorteil ist auch ein BUFFER PORT zwischen LPT und GAL. Du kanst den /ACK Pin 10 der LPT mit 4,7K gegen GND oder VCC testen. ob sich beim lesen alles gegen 0 oder 1 ausgelesen wird. Die Schaltung noch mal duchklingeln. Ich habe den LATTICE 16V8B auch mit dieser Freiluft- Verdrahtung gestartet. Gruss Holger.
Also bezüglich der VILs bin ich mir fast sicher das ich die auf GND geklemmt habe, also Pull-Down :-) Werd das aber nochmal prüfen. Laptop ist ein altes AMD-300 Mhz teil mit Win98 (ist das langsamste was ich habe) Als GALS habe ich die 16v8 von Reichelt verwendet... Beim WriteGAL Fenster steht in der VPP Box irgendwas von 15,75v ?!? Ist das richtig? Was mich auch etwas wundert ist das alle PES Bytes (die werden da ja auch angezeigt) alle 00 sind. Eine Fehlermeldung bekomme ich aber keine.
Das ist ein gutes Zeichen, wen auf der PC Seite Nullen und auch Einsen zu sehen sind. Und beim Laden des Jedec-Files dei PES nicht angemeckert wird. Dan klapt die GAL-D-Out PIN(12) über den Pull-Up, an dem /ACK Pin (10) des LPT-PORTS. Ich kenne die Hersteller-Firma von deinem GAL nicht. National,AMD,Thomson,Lattice ???? Bei LATTICE 16V8B Typ ist es mit 12 V Vpp ok gewesen. Bei LATTICE 20V8C muste ich bis auf 14V Vpp hochgehen, sonst konte ich auch nicht brennen. Ich hatte dort aber mein VIL-GND ARRAY mit 47K. 4,7K bis 12K ist da normal. --------------------------------------------- Was mit der Vpp 15,5 ??? Die 15,5 V kan man mal am Edit-Pin anlegen. Manche gehen bis auf 16V Edit Vpp ran. 1) Beim Laptop ist die LPT mit ca 3,3 V Pegel, so kan es sein das der Pegel zu 5V DATA CLOCK RA0 bis RA6 etwas zu klein ist. Und bei Last fällt der noch weiter nach unten. Strombeg.längswiderstände ect. Deshalb mal auf einem normalen WIN98 Desktop 5V LPT testen. Ein Treiber-Buffer ist immer von Vorteil bei solchen Sachen, und die Pull-Ups dahinter. VCC mit ca 10uF und 100nF an GND wirk auch positiv auf das Verhalten. 2) Im BIOS-SETUP Einstellungen für LPT PORT, solte auf z.B NORMAL stehen, auf keinen Fall bidirektional. EPP ECP Bei meinen ersten Versuchen hatte ich ohne die Buffer-Treiber auch so komische Effekte. Weil auch die 5V VCC mit 12V Vpp gleichzeitig anlagen. Habe dan immer Ein/Aus Ein machen müssen Ohne 74244 Driver-Buffer haben auch die LOW-Cost ATMEGA Progger am LPT so ihre Probleme. Ich habe an der LPT zwei 74573 mit /OE an GND und CLK an +5V. So wird aus den LATCHES ein simpler Treiber. Gruss Holger
Hi, bin momentan etwas verwirrt: Zitat: "Dan klapt die GAL-D-Out PIN(12) über den Pull-Up, an dem /ACK Pin (10) des LPT-PORTS" Wieso PIN(12)? Laut GalBlast Seite ist SDOUT am 16V8 an Pin 14, so habe ich ihn zumindest angeschlossen. Pin 12 ist doch GND am 16V8 oder liege ich da falsch? Der Hersteller des Gals das Reichelt vertreibt ist wohl von Lattice wenn mich nicht alle täuscht. Die Aufschrift ist nur sehr schwer lesbar. Zitat: "VCC mit ca 10uF und 100nF an GND wirk auch positiv auf das Verhalten." Wie genau ist das gemeint? 2 Kondensatoren parallel zwischen VCC und GND des GALs? Da ich leider über keinen Win98 Desktop rechner mehr verfüge, gibt es eine Möglichkeit z.B. über ein wie oben beschriebenes Latch mit externer 5v Quelle als Puffer zwischen LPT Port und GAL das ganze zu verbessern? Falls ja, wäre vielleicht jemand so nett einen kleinen Schaltplan zu zeichnen da ich noch nicht so ganz verstanden habe welche Pins da alle gepuffert werden müssen. Als Text ist das immer etwas schwer zu interpretieren finde ich. Besten dank schonmal...
Oh, das mit den Pins hat sich erledigt, ist doch alles korrekt... hab mich da irgendwie verguckt.
Zu Holger's Beitrag #436857: Hallo Holger, Du hast in Deinem Beitrag eine Schaltung angehängt. Frage:"Funktioniert Diese auch mit GALBLAS"? Im Orignal wird mit PIN 14 LPT, die Edit-Spannung eingeschaltet und mit PIN 16 LPT, die 5 bzw. 3,3V . In Deiner Schaltung ist es genau umgekehrt. Ich habe zuerst die Freiverdrahtung probiert und mir zwei 20V8 hochgeschossen. Die sind sichtbar in Rauch aufgegangen. Jetzt habe ich Deine Schaltung nachgebaut und will nicht noch mal Rauch sehen. Ich benutze einen gebrauchten 20V8, welchen ich vorher löschen muß. Lass mich keinen Fehler machen es ist mei letztes GAL. Gruß Ralf
Hint: http://www.philpem.me.uk/elec/galblast/ Ralf - Rainer Ratke schrieb: > Hallo Holger, > > Du hast in Deinem Beitrag eine Schaltung angehängt. > > Frage:"Funktioniert Diese auch mit GALBLAS"? > > > > Im Orignal wird mit PIN 14 LPT, die Edit-Spannung eingeschaltet und mit > > PIN 16 LPT, die 5 bzw. 3,3V . > > > > In Deiner Schaltung ist es genau umgekehrt. Die angehängte Schaltung ist für eine andere Software. Die habe ich nur angehängt, weil die übersichtlicher ist. () Ich habe noch einige Gal 20v8 A Typen, die ich dir geben kann. Gruss Holger.
Hier ist der C source Code für die Fuses von Gal20V8 A typ. Mit dem Row-Address ist mit hier mit seriell. Par Schift-Register gemacht. Das spart Pinne Den will ich auf meinen ZILOG ez8 Encore bzw. AVR portieren. Gruss Holger. Die Arduino Typen haben auch so GAL-Brenner gemacht. Ich finde aber die Seite nicht mehr.
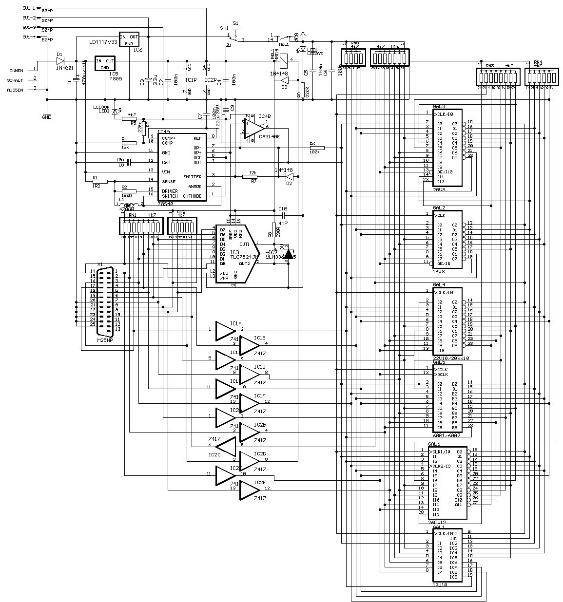
Ein Bild vom Gal 20V8 + reverse Foto vom 4015 cmos ShiftReg. QA1 ..QA4 QB1 .. QB4 Damit mache ich die Row-Addr RA0..RA5 für das GAL Gruss Holger.
http://www.youtube.com/watch?v=08x0MbOX5dE Das Video ist für ein ROM-DUMPING via ARDUINO mit ARM CPU. ########################################### Anhang: Window QuellCode für GalBlast ... mit Eagle File. Gruss Holger.
Beitrag "GAL lässt sich nicht schreiben" Das Arduino GAL Project von Frank . PES lesen bei 12V. Schreiben bei Maximal 14V. Aufpassen bei ROW Address = 60 ? 82 Bit , sonst 64 Bit via Strobe. Start at CLOCK auf _LOW ... Das ist erst mal der Anfang für einen MCU Brenner, statt das olle LPT Zeug. Oder mit einem 74573 Latch die ROW-Adresse setzen, via Pin# 11 C HIGH, and Then LOW .. leave LOW. Wie ( ALE bei 8051 MCU LOW Address ) . /OE PIN# 11 = LOW. Gruss Holger. Anhang: Bild LPT-PINNE auf GAL-20v8 Pinne.
Hallo Holger, vielen Dank für Deine Nachricht. Normaler Weise programmiere ich keine GAL's aber nachdem ich meinen letzten ISA-Port-Rechner verschrottet hatte, konnte ich mein Universal-Programmier und IC-Tester nicht mehr verwenden. Zu schade für dieses Gerät. Schnell mal Gegoogelt und siehe da, es gibt eine Ersatzschaltung statt ISA-Karte - LPT-Port mit XP-Software. In der Schaltung wird ein GAL16V8 verwendet, die Programmierung war auch dabei. Erst mal alle Bastelkisten durchsuchen ob noch irgendwo ein GAL ist. Und fündig geworden zwei 20V8. Dann hab ich die Programmierung an das 20V8 angepasst und ??? Wie bekomme ich das Progamm jetzt da rein? Wieder gegoogelt und die Minnivariante gefunden. Nachgebaut. Galblas gestartet und versucht zu programmieren. Es wollte und wollte nicht. Alle zwei 20V8 haben sich buchstäblich in Rauch aufgelöst. Hab mir jetzt vier neue 16V8 gekauft und Dein Schaltung nachgebaut. Geht auch nicht....sch..... Nur weil ich mal ein GAL brauch. Also Du siehst wo ich stehe. Gibt es eine Software welche mit Deiner Schaltung funktioniert? Ich brauche nur das Eine programmierte GAL16V8. Viele Grüße Ralf
Bitte melde dich an um einen Beitrag zu schreiben. Anmeldung ist kostenlos und dauert nur eine Minute.
Bestehender Account
Schon ein Account bei Google/GoogleMail? Keine Anmeldung erforderlich!
Mit Google-Account einloggen
Mit Google-Account einloggen
Noch kein Account? Hier anmelden.



