Hey Leute, Du willst rechtzeitig gewarnt werden, wenn ein Gewitter heranzieht? Soll die Grillparty abgebrochen werden, oder verzieht sich das herannahende Gewitter wieder? Wie weit ist die nächste Gewitterzelle ca. entfernt? Genau diese Fragen beantwortet der „PotzBlitz“. Er signalisiert mit 3 LED wie nahe die nächste Gewitterzelle ist. Die Technik dahinter: Über einem TA7642 AM Verstärker in Verbindung mit einem Transistor wird das Signal eingefangen, welches von einem LC Schwingkreis geliefert wird. Der platzsparende LC Schwingkreis ersetzt in diesem Fall eine komplette Antenne und ist auf ca. 500khz abgestimmt. Ein Mikrocontroller nimmt das aufbereitete Signal als Grundlage zur Bewertung der Intensität der eingehenden AM Signale, welche von Blitzen erzeugt werden. Umso näher ein Blitz sich entlädt, umso mehr Pulse werden von diesem im AM Spektrum freigesetzt. Der Mikrocontroller zählt die Impulse mit und erhöht daraufhin den Warnpegel. Über den im Mikrocontroller integrierten PWM Ausgang wird dabei die Versorgungsspannung des TA7642 bei jedem Einschalten bzw. nach ca. 9 Stunden neu eingeregelt ( Automatical Gain Control). Er ist somit bis zu 2.5V Eingangsspannung einsatzbereit. Dadurch dass der „PotzBlitz“ bei einer Nichtaktivität von 32 Sekunden für 96 Sekunden in den Sleep Mode geht, werden nur 50µA verbraucht. Wird der „PotzBlitz“ über 2 Mignonzellen (Grösse AA) betrieben, so reicht deren Kapazität für über ein Jahr! Alternativ kann ein Spannungsregler bestückt werden, um eine beliebige Eingangsspannung wie z.Bsp. einen 9V Block zu verwenden. Die Platine wurde für ein optional erwerbliches Hammond Gehäuse des Types „001553“ konzipiert, welches ein Batteriefach beinhaltet. Z.Bsp.: 1553BTBUBKBAT – Transparent Blau Damit ist der „PotzBlitz“ der perfekte mobile Begleiter. Ist die Firmware closed source? NEIN ! Die fertige HEX file für den Mikrocontroller, inklusive der aktuellen Source Files findest du im Anhang. Das Programm wurde in Mikrobasic 7.1 der Firma Mikroe geschrieben, welches in der gratis Demoversion bis zu 2kB Code erzeugen kann. Dadurch ist es perfekt für den eingesetzten PIC12LF1572 Mikrocontroller geeignet. Der Sourcecode kann natürlich jederzeit angepasst werden. Bei Aktivität wird außerdem der aktuelle Pegel und der aktuelle PWM Wert über die integrierte serielle Schnittstelle (TTL Pegel!) ausgegeben. Über das Programm „PotzBlitz Logger“ kann dann die aktuelle Gewitteraktivität mitverfolgt werden und das in Realtime. Auch dieses Mal: Das Loggingprogramm ist Opensource und befindet sich im Anhang. Es wurde in VB2010 Express Edition erstellt, damit jeder Hobbyelektroniker sich schnell und gratis darin einarbeiten kann. Da der „PotzBlitz“ mit 3.3V betrieben werden kann, ist er perfekt geeignet um mittels Jumpwires mit einem Raspberry PI oder Arduino verbunden zu werden. Die Betriebsspannung ist 2,5V bis 3,6V DC. ACHTUNG: Blitze können plötzlich und ohne Vorwarnung entstehen !!! Der PotzBlitz ersetzt nicht den gesunden Menschenverstand !!! Bei Wünschen Anregungen Fragen einfach melden :-)
Anebi noch ein Bild der AGC Regelung beim Start.
Hmmm.... Also ich schaue bei zweifelhafter Wetterlage vor der Grillparty aufs Regenradar im Internet (z.B. Wetter.com, Wetteronline.de). Internet und Regenradar sind auch zur Planung meiner Fahrradtouren unverzichtbar geworden.
Rainer Z. schrieb: > Internet und Regenradar sind auch zur Planung meiner Fahrradtouren > unverzichtbar geworden. Eben da ist man vom Internet abhängig. Der "Potzblitz" ist Offline funktionell.
Außer dass die AGC doppelt gemoppelt ist (sie ist bereits im AM-Radio IC TA7642 fertig integriert), finde ich das Projekt trotzdem spannend. 👍 Auch die Angabe der Bezugsquelle vom Gehäuse könnte für batteriebetriebene Selbstbauprojekte nochmal interessant werden.
Fred R. schrieb: > Der "Potzblitz" ist Offline funktionell. Nun, wenn man in Helmand unterwegs ist, oder in der Wüste Gobi, dann ist das sicherlich sehr attraktiv. Allerdings sind beide Gegenden nicht für besonders häufige Gewitter bekannt.
Die Produktbezeichnung "Potzblitz" ist auch passend und einprägsam gewählt.
Auch wenn solche Besteleien Spaß machen, erörtert sich mir nicht der Sinn. Je nach Empfindlichkeit detektiert der Empfänger Blitze bis hunderte km Entfernung. Das ist eine irrelevante Information. Interessant sind Blitze im Umkreis < 20-30 km. Das Problem aber: Es hängt von der Feldstärke ab, die ein Blitz erzeugt, mit welchem Pegel der Detektor ihn erfasst. Stärker = Näher ist ein ungültiger Zusammenhang. Im Prinzip funktioniert nur Triangulation richtig. Und da sind wir halt leider wieder beim Internet-Bedarf, um Apps wie "Blitzortung Gewitter-Monitor" zu benutzen. Dafür sagt mir die App allerdings auch, wo, und wie weit entfernt ein Gewitter ist, zeigt mir die Zugrichtung an, und ich kann für mich selbst abschätzen, inwieweit das Gewitter ein Problem ist. Dazu bieten mir solche Apps auch eine Warnung, die auslöst, wenn ein Blitz real zu nah dran ist. Als kleines Gerät für unterwegs, auf Reisen, bei der Radtour udgl. mag das eine sinnvolle Ergänzung sein, aber leider kein Ersatz für entsprechende Angebote, wie Blitzortung.org.
Martin S. schrieb: > Stärker = Näher ist ein > ungültiger Zusammenhang. Stimmt. Darum werden auch die Impulse nach dem Comparator aufsummiert. Die Software ist übrigens Funktionsgleich zum Blitzwarner10 von Eelektronik-labor.de. Kommerziell auch als Gewitterwarner von Franzis bekannt.
Fred R. schrieb: > Rainer Z. schrieb: >> Internet und Regenradar sind auch zur Planung meiner Fahrradtouren >> unverzichtbar geworden. > > Eben da ist man vom Internet abhängig. > Der "Potzblitz" ist Offline funktionell. Das stimmt. Allerdings gibt es selbst auf dem Lande - jedenfalls im Netz der Telekom - kaum noch Funklöcher, selbst im Wald nicht (und im Wald ist man vor Gewittern relativ sicher). Smartphone habe ich auf Radtouren immer dabei. Dies nicht allein wegen Regenradar, sondern zur Orientierung (GPS, Landkarten) und für etwaige Notfälle (Telefon). Du hättest seinerzeit das Smartphone erfinden sollen. :))
Harald K. schrieb: > Fred R. schrieb: >> Der "Potzblitz" ist Offline funktionell. > > Nun, wenn man in Helmand unterwegs ist, oder in der Wüste Gobi, dann ist > das sicherlich sehr attraktiv. Allerdings sind beide Gegenden nicht für > besonders häufige Gewitter bekannt. Und gerade in den Wüsten ist die häufigste Todesursache dortiges Ertrinken. Auch als Folge von weit entfernten Schauern auch ohne Gewittern
Martin S. schrieb: > Im Prinzip funktioniert nur Triangulation richtig. Und da sind wir halt > leider wieder beim Internet-Bedarf, um Apps wie "Blitzortung > Gewitter-Monitor" zu benutzen. Oder man verteilt ein paar Sensoren und steckt sie über etwa LoRa zusammen. Das wäre mal ’n interessantes Projekt – interessanter als diese kaum verdeckte Werbung auf jeden Fall ;)
Erinnert mich irgendwie an ..... Franzis-Verlag. Aber das hattest ja selber schon geschrieben.
Jack V. schrieb: > Oder man verteilt ein paar Sensoren und steckt sie über etwa LoRa > zusammen. Das wäre mal ’n interessantes Projekt – interessanter als > diese kaum verdeckte Werbung auf jeden Fall ;) Ja, das wäre interessant. Habe meinen AS3935 per LoRa an meine Wetterstation angebunden.
Blitzortung.org zeigt aktuelle Blitze weltweit...
Auch im LW-Bereich des Radios macht sich das nahe Gewitter ausreichend bemerkbar. Nur hört heute kein Mensch freiwillig knisternde Langwelle.
Lu schrieb: > Nur hört heute kein Mensch freiwillig knisternde Langwelle. zumindest nicht für Rundfunk
Mani W. schrieb: > Blitzortung.org zeigt aktuelle Blitze weltweit... Hatten wir doch schon: Fred R. schrieb: > Eben da ist man vom Internet abhängig. > Der "Potzblitz" ist Offline funktionell. Lu schrieb: > Auch im LW-Bereich des Radios macht sich das nahe Gewitter ausreichend > bemerkbar. Nur hört heute kein Mensch freiwillig knisternde Langwelle. Das ist doch genau die Funktion: Fred R. schrieb: > Die Technik dahinter: > Über einem TA7642 AM Verstärker in Verbindung mit einem Transistor wird > das Signal eingefangen, welches von einem LC Schwingkreis geliefert > wird. > Der platzsparende LC Schwingkreis ersetzt in diesem Fall eine komplette > Antenne und ist auf ca. 500khz abgestimmt. > > Ein Mikrocontroller nimmt das aufbereitete Signal als Grundlage zur > Bewertung der Intensität der eingehenden AM Signale, welche von Blitzen > erzeugt werden. > > Umso näher ein Blitz sich entlädt, umso mehr Pulse werden von diesem im > AM Spektrum freigesetzt. > Der Mikrocontroller zählt die Impulse mit und erhöht daraufhin den > Warnpegel.
Fred R. schrieb: >> Umso näher ein Blitz sich entlädt, umso mehr Pulse werden von diesem im >> AM Spektrum freigesetzt. >> Der Mikrocontroller zählt die Impulse mit und erhöht daraufhin den >> Warnpegel. Bei 500 kHz ist jedoch noch wenig knistern gegenüber LW bei 150 kHz hörbar. Es bleibt auch die Frage, ob der "gewünschte Blitz" von Wolke zu Wolke oder in die Erde sich entlädt.
Lu schrieb: > Bei 500 kHz ist jedoch noch wenig knistern gegenüber LW bei 150 kHz > hörbar. Unsere Recherchen, bevor der Entwicklung ergaben, dass die beste Frequenz die 500kHz sind. Auch andere Bauteile, wie der AS3935 verwenden die 500kHz.
Fred R. schrieb: >> Stärker = Näher ist ein >> ungültiger Zusammenhang. > Stimmt. > Darum werden auch die Impulse nach dem Comparator aufsummiert. Ja, so steht es auch in deinem ersten Posting: "Umso näher ein Blitz sich entlädt, umso mehr Pulse werden von diesem im AM Spektrum freigesetzt." (Gemeint sind sicher Impulse, nicht Pulse. Und nicht "AM-Spektrum", sondern LW/MW-Spektrum.) Nun fragt es sich allerdings, woher der Blitz weiß, wie viele Impulse er "senden" muss. Kann er hellsehen und kennt seine Entfernung zum Gerät?
Rolf schrieb: > Nun fragt es sich allerdings, woher der Blitz weiß, wie viele Impulse er > "senden" muss. Kann er hellsehen und kennt seine Entfernung zum Gerät? Dies ergibt sich doch durch das neu Zünden des noch ionisierten Plasmakanals! Darum wird im Quellcode auch die Anzahl der Pulse/Blitz mitausgewertet, um Störungen und Einmalzündungen auszuschliessen.
Rolf schrieb: > Nun fragt es sich allerdings, woher der Blitz weiß, wie viele Impulse er > "senden" muss. Kann er hellsehen und kennt er seine Entfernung zum Gerät? Der Blitz muss nicht hellsehen können, er erzeugt automatisch mehr Impulse sobald er merkt, dass er sich dem Gewitterdetektor nähert!
Enrico E. schrieb: > Der Blitz muss nicht hellsehen können, er erzeugt automatisch mehr > Impulse sobald er merkt, dass er sich dem Gewitterdetektor nähert! O. Ein Profi :-D Also: Blitz zündet und sendet dabei z.Bsp. 4 Impulse aus. In 5 km wird man diese 4 Impulse noch ohne Problem detektieren können. In 50 km aber nur noch 2 Impulse. Daher ist das Gewitter weiter oder näher entfernt. Weitere Infos: https://www.sciosense.com/as3935-franklin-lightning-sensor-ic/ https://www.elektronik-labor.de/Lernpakete/Gewitter.html
Fred R. schrieb: > Rolf schrieb: >> Nun fragt es sich allerdings, woher der Blitz weiß, wie viele Impulse er >> "senden" muss. Kann er hellsehen und kennt seine Entfernung zum Gerät? > > Dies ergibt sich doch durch das neu Zünden des noch ionisierten > Plasmakanals! Wie konnte ich nur so dumm sein! Klar, der Blitz zündet umso öfter, je näher Kevin mit deinem Gerät ist. Am besten also das Gerät ganz weit weg bringen oder im Keller verstecken, dann werden die Blitze schwächer und somit Gewitter ungefährlicher.
Rolf schrieb: > Wie konnte ich nur so dumm sein! Klar, der Blitz zündet umso öfter, je > näher Kevin mit deinem Gerät ist. > Am besten also das Gerät ganz weit weg bringen oder im Keller > verstecken, dann werden die Blitze schwächer und somit Gewitter > ungefährlicher. Hatte ja vergessen, welch Leute hier unterwegs sind. Vielleicht hilft ja sinnerfassenden Lesen: https://www.elektronik-labor.de/Projekte/Blitzwarner10.html
Fred R. schrieb: > Blitz zündet und sendet dabei z.Bsp. 4 Impulse aus. > In 5 km wird man diese 4 Impulse noch ohne Problem detektieren können. > In 50 km aber nur noch 2 Impulse. Ah ja. Und wenn der Blitz zufällig Lust hat, nur 2 Impulse zu liefern, die man in 5 km Entfernung detektiert, dann weiß man – ja, was weiß man dann eigentlich?
Rolf schrieb: > Ah ja. Und wenn der Blitz zufällig Lust hat, nur 2 Impulse zu liefern, > die man in 5 km Entfernung detektiert, dann weiß man – ja, was weiß man > dann eigentlich? Ein Blitz zündet nunmal mehrfach (und mit einer gewissen Anzahl) zwischen Wolke-Wolke und Wolke-Erde. Zwei Entladungen müssen es z.Bsp. mindestens sein (Vor/Hauptentladung). Mehrfachentladungen sind nun mal Physik, da der Blitzkanal noch ionisiert ist. (Wurde aber schonmal erwähnt.)
Lu schrieb: > Es bleibt auch die Frage, ob der "gewünschte Blitz" von Wolke zu > Wolke oder in die Erde sich entlädt. Die Antennenspulen sind flächig angeordnet, damit müßten besonders senkrechte Blitze erkannt werden. Wäre eine dritte, senkrechte Antennenspule für Wolke-Wolke-Blitze nicht sinnvoll? Rolf schrieb: > Und nicht "AM-Spektrum", > sondern LW/MW-Spektrum.) AM (Modulationsart) hat nichts mit LW/MW (Frequenz/Wellenlänge) zu tun!
Peter N. schrieb: > Wäre eine dritte, senkrechte > Antennenspule für Wolke-Wolke-Blitze nicht sinnvoll? Es sollen nur Wolke-Erde Blitze erkannt werden. Du kannst die Schaltung aber gerne modifizieren.
Ich finde diesen Beitrag super! Da kann man richtig zeigen wie "Deutsch" man ist und ordentlich motzen anstatt Verbesserungen einzubringen.
Peter N. schrieb: > Rolf schrieb: >> Und nicht "AM-Spektrum", >> sondern LW/MW-Spektrum.) > > AM (Modulationsart) hat nichts mit LW/MW (Frequenz/Wellenlänge) zu tun! Und was wolltest du mir nun erklären? Die Frequenzen, auf die solche Blitzdetektoren reagieren, liegen im LW/MW-Spektrum. Die Modulationsart – falls es hier denn überhaupt eine definierte gibt – ist dem Detektor völlig egal.
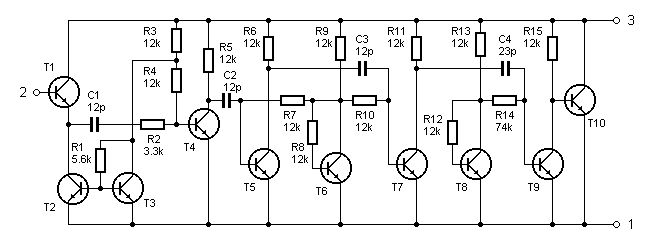
Rolf schrieb: > Die Modulationsart – falls es hier denn überhaupt eine > definierte gibt – ist dem Detektor völlig egal. Das glaube ich nicht! TA7642 -> Mittelwellenempfänger -> AM Modulation (Ersatzschaltbild im Anhang -> T10 ist der eigentliche Demodulator)
Fred R. schrieb: > Peter N. schrieb: >> Wäre eine dritte, senkrechte >> Antennenspule für Wolke-Wolke-Blitze nicht sinnvoll? > > Es sollen nur Wolke-Erde Blitze erkannt werden. > Du kannst die Schaltung aber gerne modifizieren. Blitze sind selten geradlinig.
Fred R. schrieb: > Bei Wünschen Anregungen Fragen einfach melden :-) Welcher Zweck hat L2? Soweit ich verstehe liesse sich in diesem Aufbau die Resonanzfrequenz nach oben verschieben durch das schliessen von J1.
Res schrieb: > Welcher Zweck hat L2? > > Soweit ich verstehe liesse sich in diesem Aufbau die Resonanzfrequenz > nach oben verschieben durch das schliessen von J1. Die Kombination aus L1 und L2 hat sich aus empirischen Versuchen ergeben. Die Anfälligkeiten für Störimpulse wurde dadurch gesenkt. Wenn man nur mit einer Spule arbeiten will, kann der Jumper geschlossen werden, ohne L2 bestücken zu müssen.
Bitte melde dich an um einen Beitrag zu schreiben. Anmeldung ist kostenlos und dauert nur eine Minute.
Bestehender Account
Schon ein Account bei Google/GoogleMail? Keine Anmeldung erforderlich!
Mit Google-Account einloggen
Mit Google-Account einloggen
Noch kein Account? Hier anmelden.




