Hallo Forengemeinde, ich bin auf der Suche nach Treiber-Ic's, die so ähnlich funktionieren, wie anscheinend das DMX-Protokoll. So wie es z.B auf der Dult mit den Fahrgeschäften ist. Folgende Eckpunkte: * Pro Leuchtmittel nur ein normaler E10/E14 - Sockel (2 pol.). D.h. in jedem Leuchtmittel ist so ein Treiber-Ic. *Jedes Leuchtmittel erhält eine Adresscodierung. Wenn RGB, dann evtl 3 Adressen. Bis zu wenn möglich 128 Adressen. * Gesteuert per ? - weiß ich noch nicht. Das ist dann Thema 2. * Ich über trage die Adresse, und dann den PWM-Wert, und dieses Leuchtmittel hält dann diese Konfig biz zum nächsten Befehl. so stelle ich mir das vor. Wie könnte ich nun diese Treiber-IC' suchen / finden. War hier schon auf Suche bei z.B. TI. Mit z.B. LPS5810. Das erfordert aber einen I2C-Bus. Ich habe aber nur die 2 Drähte der Lampe. Wie fange ich da an?
Thomas S. schrieb: > Wenn RGB, dann evtl 3 > Adressen. Bis zu wenn möglich 128 Adressen. 128/3 = 42,666 Leuchtmittel sicher, dass sich der Plan rentiert?
Thomas S. schrieb: > * Gesteuert per ? - weiß ich noch nicht. Das ist dann Thema 2. Nein, das ist zuerst zu klären.
Thomas S. schrieb: > Wie könnte ich nun diese Treiber-IC' suchen / finden. Du gehst zu einem beliebigen Gersteller von Microcontrollern und suchst dir den günstigsten aus der angeboten wird. Der wird mit sehr hoher Wahrscheinlichkeit ausreichend sein für die Anwendung. Das Wird es nicht fertig geben, schon gar nicht für deine Spannung und Leistung die du nicht angegeben hast. Und E14 wäre ja 230V AC als one-wire. Spannend.... Ich befürchte Dein Konzept ist noch sehr lückenhaft. Anmerkungen/Ideen: - E14 ist fast zwingend 230V, (obwohl eine 230V Lampe geht ja bei kleiner Spannung nicht kaputt, man sollte aber damit rechnen das irgendwann jemand eine einschraubt. - DC eignet sich viel besser für One-Wire als 230V AC - wie oben bereits angesprochen 128 Adressen sind nicht viel - das wird es nicht fertig geben, also µC und Schaltung drumrum und Software Vorteil:, du kannst es so machen wie du willst - Leitungslänge Leistung Spannung passend wählen - Spannungsversorgung mit aufmoduliertem Signal ist nicht einfach. Oder schau die die Modellbahner an. Die verwenden eine gepulste Spannung (+-16V) die zwischengepuffert wird. Das macht aber bei etwas größerer Ausdehnung viel EMV
und ganz angesehen von allen bisher eingebrachten Einwänden: du müsstest höchstwahrscheinlich die Leuchtmittel gleich mit entwerfen/entwickeln, weil es das Ganze in der Form wahrscheinlich gar nicht gibt (und auch nicht geben wird)
Daniel F. schrieb: > du müsstest höchstwahrscheinlich die Leuchtmittel gleich mit > entwerfen/entwickeln, weil es das Ganze in der Form wahrscheinlich gar > nicht gibt (und auch nicht geben wird) Genau um diese geht es mir ja. Und bei Schaustellern ist es mittlerweile ja üblich mit 60V Leuchtmittel, und nun mit 24V (AC oder DC) zu arbeiten. Oder 230V AC. Es ist mittlerweile ALLES vertreten. Und erst, wenn die Leuchtmittel definiert sind, kommt die Steuerung. Anders rum machts keinen Sinn.
Wenn du also ein eigenes Leuchten-Ökosystem machen kannst (bzw. willst oder musst), dann wäre die Frage nach einem Treiber gar nicht mal so ausschlaggebend. Wobei ich nicht annehme, dass es nicht doch ein IC gibt, was alle Funktionen erfüllt: - Demodulation/Abtrennen des Datenstroms von der Versorgungsspannung und Aufbereitung des Signals, im einfachsten Fall z. B. ein der Betriebsspannung überlagertes 1 V Digitalsignal - Decodierung und Generierung der Ansteuersignale für z. B. 3 LEDs (µC) - Leistungsschalter, Konstantstromquellen/-senken für den LED-Strom (3 x) - Aufbereitung der internen Betriebsspannung für die Logik. Das braucht Platz, da wird wohl eine kleine Säule im Leuchtmittel erforderlich werden. Wenn ich nicht ganz falsch liege, gibt es für digitale Modell-Eisenbahnen eine ähnliche Situation.
Thomas S. schrieb: > *Jedes Leuchtmittel erhält eine Adresscodierung. Wenn RGB, dann evtl 3 > Adressen. Bis zu wenn möglich 128 Adressen. D.h. bis zum 128 parallel liegende Leuchtmittel (LEDs, Glühlampen?)? Was für eine Impedanz man da wohl am Leitungsende hat, die man mit dem Sender treiben muss ... Wilde Annahmen, sehr sehr grob und viel zu einfach gerechnet, nur um mal eine Hausnummer zu haben: 2W LEDs, 240V Betriebsspannung -> 29kOhm pro LED -> 225 Ohm Aber 2W LEDs, 24V Betriebsspannung -> 2,25 Ohm Es ist schon mal ein gewaltiger Unterschied, ob man ein Signal an 225 Ohm oder 2,25 Ohm Last treiben muss. Spaß wird es in beiden Fällen nicht machen. Über Stromspitzen beim Schalten haben wir dabei noch nicht geredet. Dazu noch in einer Umgebung wo große Ströme (Antriebsmotoren der Fahrgeschäfte) geschaltet werden. Mit entsprechenden Störungen. Ich würde sagen du stellst es dir zu einfach vor mal eben was mit einem IC zu fummeln. > Wie fange ich da an? Du könntest mit etwas aufhören. Nämlich mit der Salamitaktik Informationen nur bruckstückweise zu liefern. Da ich auf so was keine Lust habe bin ich damit auch raus.
128 Leuchtmittel sind noch problemlos mit Zigbee handhabbar, und die gibt es für wenig Geld fix-und-fertig als RGB für E14-Sockel. Das ist der Benchmark, gegen den deine Selbstbau-Lösung bestehen muss.
Benjamin K. schrieb: > - das wird es nicht fertig geben, also µC und Schaltung drumrum und > Software Doch nennt sich ZigBee.
Benjamin K. schrieb: > Das macht aber bei etwas größerer Ausdehnung viel EMV Elektromagnetische Verträglichkeit ist eine gute Sache. Aber wie willst du durch Schalten von Strom erhöhen? Um die Abstrahlung zu verringern, müssen hin- und rückführende Leitungen eng beieinander liegen (möglichst verdrillt) und die Schaltflanken gezähmt werden.
Thomas S. schrieb: > in jedem Leuchtmittel ist so ein Treiber-Ic. Das heißt also, Du willst Dir ohnehin sämtliche Leuchtmittel selbst bauen? > *Jedes Leuchtmittel erhält eine Adresscodierung. > Wenn RGB, dann evtl 3 Adressen. Wie erhält es die? Jumper im Leuchtmittel? Programmierung über die normalen Anschlussleitungen - kann dann halt jederzeit umprogrammiert werden? Also ganz kapier ich Deine Idee nicht so recht, glaub ich. Der einzige Vorteil, den Standard-Schraubfassungen bieten ist doch, daß es dafür eine riesige Auswahl an fertig kaufbaren Leuchtmitteln gibt und die Leuchtmittel einfachst zu wechseln sind, sogar für absolute Laien. Wenn Du einen passenden Chip im Leuchtmittel haben willst, fallen fertig kaufbare Leuchtmittel schon mal weg und wenn jedem Leuchtmittel vorab eine Adresse zugewiesen werden muß, fällt auch noch der Vorteil des einfachen Wechselns weg. > Bis zu wenn möglich 128 Adressen. Das ist eigentlich nicht wirklich viel, nur gut 40 RGB-Leuchtmittel? Da wäre jedenfalls eine Steuerung über Funk noch recht einfach machbar, da gäbe es dann sogar wieder Systeme mit fertig kaufbaren Leuchtmitteln. > * Ich über trage die Adresse, und dann den PWM-Wert, und dieses > Leuchtmittel hält dann diese Konfig biz zum nächsten Befehl. Soll der Status auch Stromausfälle überleben oder nicht? > * Gesteuert per ? - weiß ich noch nicht. Hast Du überhaupt schon ein Problem für Deine ohnehin erst sehr vage umrissene Lösung, von der Du in erster Linie weißt, daß Du mit Standard E10/E14 Schraubfassungen arbeiten willst.
Uwe B. schrieb: > - Demodulation/Abtrennen des Datenstroms von der Versorgungsspannung und > Aufbereitung des Signals, im einfachsten Fall z. B. ein der > Betriebsspannung überlagertes 1 V-Digitalsignal Nachtrag, noch einfacher: Die Betriebsspannung wird mit den Tx-Bits umgepolt. Im Prinzip ganz genau so, wie RS232, aber mit hoher Leistung und definierter Spannung. Der Sender sendet die Betriebsspannung über ein H-Brücke im UART-Format (wie bei RS232). Im Leuchtmittel gibt es einen Gleichrichter, und es ist geradezu trivial, das Signal zu extrahieren. Ein UART-Interface im µC stellt dir den Datenstrom gleich als Bytefolge zur Verfügung. Adresseinstellung: Wenn die Adresse 0 gesendet wird, hören alle Empfänger zu (Broadcast). Dann gibt es auch ein Kommando "Stelle die Empfänger-Adresse auf xxxx ein". Zum Einstellen der Adresse eines einzelnen Leuchtmittels wird nur dieses eine Leuchtmittel am Sender angeschlossen. Ein µC im 8-poligen Gehäuse reicht dafür: VCC, Gnd, R, G, B, UART, 2x Prog/Spy by Wire. So langsam macht mir das Projekt Spaß.
Hallo an alle, Hannes J. schrieb: > Du könntest mit etwas aufhören. Nämlich mit der Salamitaktik > Informationen nur bruckstückweise zu liefern Nix Salami, ich suche passende Halbleiter. Der hat vieleicht schon so mal was gebaut. Habe alle für mich relevanten Punkte beschrieben. Spannung war nich dabei, ist aber anpassbar. Kann 230V oder 24V sein. Hannes J. schrieb: > Dazu noch in einer Umgebung wo große Ströme (Antriebsmotoren der > Fahrgeschäfte) geschaltet werden. Mit entsprechenden Störungen. Läuft draußen bis zu tausenden stück per Fahrgeschäfft. Michi S. schrieb: > Das heißt also, Du willst Dir ohnehin sämtliche Leuchtmittel selbst > bauen? Es geht mir erstmal um Controller, und ums Verstehen, und mal was in kleinem Rahmen zu basteln. Michi S. schrieb: > Wie erhält es die? Jumper im Leuchtmittel? Programmierung über die > normalen Anschlussleitungen - kann dann halt jederzeit umprogrammiert > werden? Das wird bei der Produktion der LED mitgeteilt. ---> siehe Bild mit der 1 oben. Michi S. schrieb: > Wenn Du einen passenden Chip im Leuchtmittel haben willst, fallen fertig > kaufbare Leuchtmittel schon mal weg und wenn jedem Leuchtmittel vorab > eine Adresse zugewiesen werden muß, fällt auch noch der Vorteil des > einfachen Wechselns weg. Richtig. Keine Hornb, Oberla, oder Conry Lösung. Michi S. schrieb: > Funk noch recht einfach machbar Da bräuchte ja jede LED einen Empfänger. Ist in einem E14 Sockel platztechnisch nicht machbar. Michi S. schrieb: > Soll der Status auch Stromausfälle überleben oder nicht? Nein. Strom wieder ein, und das Ganze startet einfach wieder. Wird ja vom Steuergerät dann wieder neu mit Daten gefüttert. Michi S. schrieb: > daß Du mit Standard > E10/E14 Schraubfassungen arbeiten willst. Die bekomme ich. Uwe B. schrieb: > Ein µC im 8-poligen Gehäuse reicht dafür: VCC, Gnd, R, G, B, UART, 2x > Prog/Spy by Wire. so um die .. ist es angedacht. Uwe B. schrieb: > So langsam macht mir das Projekt Spaß. Das hoffe ich doch. Und vieleicht auch bei anderen. Anbei mal die Vorder und Rückseite einer RGG Lampe. Beschriftet mit '1' und geht. Dumm nur, dass die Beschriftung auf dem IC wegradiert wurde. Also dann danke für die, die mitmachen.
Thomas S. schrieb: > Anbei mal die Vorder- und Rückseite einer RGB Lampe. Welche Funktion hat denn diese Lampe? Irgendwie muss man die Lichtfarbe ja von außen einstellen können - auf welchem Weg geht das? (Oder macht die nur bunt nach Lust und Laune?) Ist da noch ein Funk-Empfänger im Sockel, in dem zumindest noch einiges für die Stromversorgung stecken muss, enthalten? Die Verschaltung der 16 RGB-LEDs wäre interessant, denn alle R, G und B in je eine Reihe würden sehr unterschiedliche Strang-Spannungen ergeben. Eine billige Lösung mit einfachen Vorwiderständen aus einer festen Betriebsspannung käme da nicht in Frage.
Uwe B. schrieb: > Die Verschaltung der 16 RGB-LEDs wäre interessant Ich sehe 3 Transistoren(Dreifüßler).
Uwe B. schrieb: > Welche Funktion hat denn diese Lampe? Irgendwie muss man die Lichtfarbe > ja von außen einstellen können - auf welchem Weg geht das? (Oder macht > die nur bunt nach Lust und Laune?) Nein, das macht diese nicht nach Lust und Laune. Wird eben gesteuert über die 2 Spannungsleitungen. Hier eben 24V AC. Diese LED ist codiert auf '1' und reagiert eben entsprechen auf einen Befehl mit '1'. Ähnlich DMX. Das ist ja die Frage. Der 8-pinner macht das. Im Sockel dürfte noch ein C und vieleicht ne Diode sein. Und evtl. ein Widerstand. Mehr nicht. Die RGB Stränge sind 2 an der Zahl jeweils. Aber nur 3 Transistoren. Was ich mir vorstellen könnte, wenn es z.B. der LPS5810 wäre, dass der I2C-Bus per 2 versch. Kondis mit auf der Versorgung liegt, und mit 10 KHz und 100 KHz z.B. gearbeitet wird. Sollte mal ein Übertragungsfehler auftreten, wird das bei der nächsten Übertragung wieder überschrieben - kein Drama.
Daten über die Versorgungsspannung hatte ich ja auch vorgeschlagen, reiner Wechselstrom wird schlecht gehen, daher mein Vorschlag DC mit wechselnder Polarität (was man im weitesten Sinne auch als AC bezeichnen könnte. Ein spezielles Versorgungs- und Steuergerät wäre erforderlich, aber das ist sowieso klar. Wenn die Lampe, so wie sie ist, mit dem 8-poligen IC 3-farbig in der Helligkeit gesteuert werden kann, wäre es nach meiner Idee möglich, dieses 8-polige IC durch einen 8-poligen µC zu ersetzen, und das evtl. sogar ohne weitere Maßnahmen. Vielleicht wird dort ja sogar so einer verwendet, den ich einsetzen würde. Aber nach meinem Vorschlag wäre es auch möglich, die Adressen über das Steuergerät einzustellen, siehe oben. Die würden dann auch beim Ausschalten nicht vergessen. Und dafür wäre kein weiteres Bauteil erforderlich. Darüber hinaus wären sehr viel mehr Adressen und sehr viel mehr Funktionen nur eine Frage der Firmware. Soweit ich erkennen kann, würde der LPS5810 a) nur max. eine blaue LED oder 2 andere LEDs ansteuern können und b) braucht er noch einen externen Controller. Ziemlich unpraktisch. Thomas S. schrieb: > Die RGB Stränge sind 2 an der Zahl jeweils. Aber nur 3 Transistoren. Was heiß das: 2 Stränge je 8 LEDs pro Farbe? Für Blau wäre das eine Betriebsspannung von ca. 30 V, für die anderen eher um die 15 V.
Uwe B. schrieb: > Wenn die Lampe, so wie sie ist, mit dem 8-poligen IC 3-farbig in der > Helligkeit gesteuert werden kann, Helligkeit wird soweit ich weiß nicht gesteuert, nur 'an' und 'aus'. Nur eben schön nach Lauflichtmuster. Und da vermute ich eben, wie auch Uwe ein überlagertes Signal. Macht man bei Radio ja auch so. Trägerfrequenz und Nutzsignal. Und hier eben 50 Hz (Träger) und was weiß ich, ... 10KHz Nutzfrequenz. Aber Frage, wenn ich dann 2 Nutzsignale hab (clock, Data), I2C-Bus, kann man dass so einfach mit 2 C's trennen?
Frage: Die anderen Lampen haben andere, feste Adressen (Aufkleber auf der Leiterplatte)? Thomas S. schrieb: > Und hier eben 50 Hz (Träger) und was weiß ich, ... 10KHz Nutzfrequenz. Da geht was durcheinander: Der Träger hat die hohe Frequenz, das Nutzsignal die niedrige. Ja, man kann mit einem Träger von z.B. 10 kHz ein Signal über die Leitung schicken. Z. B. langer Puls: Starte das Lauflicht (#1 an), kurzer Puls: Nächste Lampe(n) an. Irgend so was. Aber ich glaube überhaupt nicht, dass da so was gemacht wird. Ich kenne aber auch die genaue Verhaltensweise nicht. Es müssen ja auch Farben eingestellt werden können. Die Schaltung und eine Systembeschreibung ("Bedienungsanleitung") könnten wertvolle Hinweise liefern. Und/oder mit dem Oszi mal auf der Leitung lauschen. > Aber Frage, wenn ich dann 2 Nutzsignale hab (clock, Data), I2C-Bus, kann > man dass so einfach mit 2 C's trennen? Nein, ganz und gar nicht. Da würde viel mehr zugehören. Es gibt RGB-LEDs, die sich mit einem 1-Bit-Signal ansteuern lassen (Helligkeit, Farbe). Die WS2812 z. B.. Aber mit denen hättest du noch mehr Probleme. Wenn ich mich nicht irre, kannst du doch mit µCs umgehen. Dann kannst du doch eine perfekte, flexible Lösung alleine auf die Beine stellen?
Uwe B. schrieb: > Frage: Die anderen Lampen haben andere, feste Adressen (Aufkleber auf > der Leiterplatte)? Ja. Siehe Led_front.jpg, und da oben ist die '1'. Ich habe hier nochmal eine, und die hat ne andere Ziffer. Glaube '3'. Uwe B. schrieb: > Wenn ich mich nicht irre, kannst du doch mit µCs umgehen. Dann kannst du > doch eine perfekte, flexible Lösung alleine auf die Beine stellen? Naja, mit Atmega's mache ich so das eine oder Andere. Aber finde im Netz nix was auf einen adressierbaren Led-Controller hindeutet, außer diesen LPS... . Uwe B. schrieb: > Die Verschaltung der 16 RGB-LEDs wäre interessant, denn alle R, G und B > in je eine Reihe würden sehr unterschiedliche Strang-Spannungen ergeben. Ist es ja. G und B haben 620R, Rot hat 1,0K Widerstände.
Thomas S. schrieb: > Aber finde im Netz nix was auf einen adressierbaren Led-Controller hindeutet Wozu brauchst du einen LED-Controller, wenn du einen µC hast? Der kann das auch, und zwar genau so, wie du es willst. Mit allen Schikanen. Nur die eigene Betriebsspannung kann er nicht aus einer anderen erzeugen, und die LEDs treiben kann er auch nicht. Das ist in deiner Lampe aber offensichtlich nicht anders. Aber alles Andere kann er, wenn du es willst und es programmieren kannst. Auch z. B. die Adresse per Kommando ändern lassen, und sie sich beim Ausschalten merken - sofern der µC Daten permanent speichern kann. Und das alles in einem 8-poligen Gehäuse. Ob das auch mit einem Atmega möglich ist, weiß ich allerdings nicht. Die kenne ich nur vom Namen her.
Uwe B. schrieb: > Wozu brauchst du einen LED-Controller, wenn du einen µC hast? Da könntest Du Recht haben. Bei grober Betrachtung, könnte das z.B. ein Attiny25 sein. Zumindest die 3 Ausgänge gehen dann auf die 10K Widerstände und dann auf die jeweiligen Basis-Anschlüsse. Nur immer noch die Frage: Wie kriege ich dann das Kommando über die 24V AC, oder manchesmal auch über die 230V. Die 50Hz kann ich nicht beeinflussen, Aber evtl. das Aufsprechen, und hinten wieder abfiltern, könnte irgendwie realisierbar sein. Ich könnte ja z.B. senden: 5, 4, oder 5,1. Beim ersten: Kanal 5, RGB on, beim zweiten: R on. Oder 4,2: Kanal 4, B on. und dass dann damit auch mit Geschwindigkeit. Wie könnte ich dies über die 24V AC mitsenden? Diese Variante ist 24V. Oder .... ganz einfach: Nach dem Einschalten sind ja an 1-phasigen Anschlüssen auf dem Gleichstand. Der Attiny hat mehrere Muster abgespeichert, jede Lampe etwas anders, aber gemeinschaftlich wieder 'ein Bild'. Jeder Attiny zählte die 50Hz-Flanken, und geht einen Schritt weiter im Programm. ... fertisch Naja, ob die Geschwindigkeit mit 50Hz reicht?
Du wirst ja irgend ein Steuergerät, einen "Master Controller" brauchen, der Kommandos sendet. Der liegt zwangsläufig in der Versorgungsleitung, weil es ja keinen anderen Kommunikationsweg geben soll. Wenn da aber schon ein Gerät zwischen 230 V Netz und Lampenkette erforderlich ist, bist du komplett von irgendwelchen Standards unabhängig. Deswegen mein Vorschlag weiter oben: Uwe B. schrieb: > Die Betriebsspannung wird mit den Tx-Bits umgepolt. Im Prinzip ganz > genau so, wie RS232, aber mit hoher Leistung und definierter Spannung. > Der Sender sendet die Betriebsspannung über ein H-Brücke im UART-Format > (wie bei RS232). Im Leuchtmittel gibt es einen Gleichrichter, und es ist > geradezu trivial, das Signal zu extrahieren. Ein UART-Interface im µC > stellt dir den Datenstrom gleich als Bytefolge zur Verfügung. > > Adresseinstellung: Wenn die Adresse 0 gesendet wird, hören alle > Empfänger zu (Broadcast). Dann gibt es auch ein Kommando "Stelle die > Empfänger-Adresse auf xxxx ein". Zum Einstellen der Adresse eines > einzelnen Leuchtmittels wird nur dieses eine Leuchtmittel am Sender > angeschlossen. > > Ein µC im 8-poligen Gehäuse reicht dafür: VCC, Gnd, R, G, B, UART, 2x > Prog/Spy by Wire. Damit kannst du beliebig komplexe Kommandos an beliebig viele Teilnehmer senden, und es ist nicht mehr Elektronik in der Lampe, als jetzt schon ist. Im "Master Controller" ist ein DC-Netzteil sowie ein (ebenfalls kleiner) µC. Der fragt vielleicht ein paar Tasten ab und hat ein Display. Er generiert die Kommandos (Zieladresse und Funktion) im UART-Format. Außerdem ist dort eine H-Brücke (kennst du das?) mit Oberwellen-Filter, die, je nach UART-Pegel, die DC-Spannung invertiert oder nicht invertiert auf die Lampenleitung ausgibt. Der Gleichrichter in der Lampe macht ja wieder DC daraus. Es sieht so aus, als ob sich die Lampen, die du hast, relativ leicht auf dieses System provisorisch modifizieren lassen. Es scheint schon fast alles vorhanden zu sein. PC-Steuerung: Statt des µCs im "Master Controller" wäre es vielleicht ausreichend, nur eine RS232-Buchse, meinetwegen auch eine USB-Buchse mit USB <-> UART-Konverter-IC (z. B. FTDI232), vorzusehen, und über einen USB <-> ComPort-Kabel oder direkt über USB das ganze System vom PC aus zu steuern. Dann gehört halt PC-Software dazu. Geschwindigkeit: Auch bei komplexen, langen Kommandos und vielen Lampen an langen Leitungen wäre das kein Problem. Das System hat nichts mehr mit 50 Hz zu tun. Falls ich das noch nicht ausreichend verständlich beschrieben habe, kann ich auch noch weiter helfen. Vielleicht wäre es dir auch zu komplex, was da vor dir läge. Aber ich bin ziemlich davon überzeugt, dass es keine einfache Lösung mit nur einem fertigen IC in der Lampe gibt. Zumal ja der "Master Controller" auch noch gebraucht wird.
Uwe B. schrieb: > Falls ich das noch nicht ausreichend verständlich beschrieben habe, kann > ich auch noch weiter helfen. Doch hast Du. Und ich danke auch Dir für die Mühe und Ideen. Aber mit DC wird das nicht sein. Auch diese Lampen sind vorne mit AC beschriftet. Wenn kein C drin ist würde DC-Versorgung funktionieren. Ich werde mal meine 2 vorhandenen Lampen mal an 24V anschließen. Vieleicht machen diese Beiden noch was. Muss mal testen, wenn mein Kopf frei ist. Heute ist der durch äußere Einflüsse extremst überlastet. Was hälst Du von dem Weg, dass alle Lampen bereits ihr Lauf-Programm dabei haben, und mit den 50Hz getaktet sind, und das nun eben einfach immer wieder durchlaufen? - Deshalb sind diese evtl. nummeriert. Solange diese alle gleichzeitig bestromt werden, sollte das klappen.
Thomas S. schrieb: > Was hältst Du von dem Weg, dass alle Lampen bereits ihr Lauf-Programm ... Genau wegen solcher fehlenden und wichtigen Informationen: Uwe B. schrieb: > Ich kenne aber auch die genaue Verhaltensweise nicht. und > Die Schaltung und eine Systembeschreibung ("Bedienungsanleitung") > könnten wertvolle Hinweise liefern. Und/oder mit dem Oszi mal auf der > Leitung lauschen. Wenn sich das System genau so verhält, wenn es also gar keine Möglichkeit gibt, die Verhaltensweise zu ändern, wenn es keinerlei Steuergerät gibt - tja, dass hatte ich nicht erwartet. Dann waren alle meine Gedanken, Vorschläge und Ideen Makulatur. Dann würde es keine Kommandos geben und es wäre ein stures Lauflicht. Das, was eine Adresse zu sein schien, ist lediglich die Verzögerungszeit nach dem Einschalten, bis der Blinkvorgang beginnt. Ja, genau das kann der Fall sein. Synchronisiert durch 24 V~. Trotzdem mit einem speziellen IC, vermutlich kein Custom-IC, schon gar nicht von der Stange, sondern ein µC.
Uwe B. schrieb: > wenn es also gar keine > Möglichkeit gibt, die Verhaltensweise zu ändern, wenn es keinerlei > Steuergerät gibt - tja, dass hatte ich nicht erwartet. Dann waren alle > meine Gedanken, Vorschläge und Ideen Makulatur. Alles gut. Das war nur ne Vermutung von mir. Ich habe heute die beiden Lampen mal mit 24V AC bestromt. Beide leuchten einfach nur rot. Kein Wechsel, keine Änderung. Wenn also doch Kommandos über die 24V AC aufgelegt werde, wie wird das gemacht?
Thomas S. schrieb: > Wenn also doch Kommandos über die 24V AC aufgelegt werde, wie wird das > gemacht? Was sagt denn die Bedienungsanleitung? LG, Sebastian
Thomas S. schrieb: > Ich habe heute die beiden Lampen mal mit 24V AC bestromt. Beide leuchten > einfach nur rot. Kein Wechsel, keine Änderung. > > Wenn also doch Kommandos über die 24V AC aufgelegt werde, wie wird das > gemacht? Hast du denn gar keine Ahnung, was das Ding können soll, ob es ein Steuergerät dazu gibt, woher es kommt, wie man es betreibt??? Und erst recht keine (mehrfach angefragte) Bedienungsanleitung? Sind sie vielleicht defekt?
Uwe B. schrieb: > Hast du denn gar keine Ahnung, was das Ding können soll, Doch. Es läuft mit weiteren 6-10 LED's gleicher Bauart als Lauflicht. Mit RGB. Sebastian W. schrieb: > Was sagt denn die Bedienungsanleitung? Es gibt keine zu so etwas. Ich habe die als Überbleibsel bekommen. Uwe B. schrieb: > ob es ein > Steuergerät dazu gibt, woher es kommt, wie man es betreibt??? Das ist ja eben die Frage. Seit heute aber weiß ich, dass da ein Steuergerät dazu gebraucht wird. Die beiden LED's leuchten, betrieben an 24V AC permanent nur rot. Uwe B. schrieb: > Sind sie > vielleicht defekt? Nein sie sind nicht defekt. Definitiv. Meine Anfangsfrage war eigentlich nur, ob jemand ne Ahnung aus vieleicht gleicher Aufgabenstellung hat, welcher Kontroller das sein könnte. Werde mal den Sockel öffnen. Mal sehen was da drunter ist. Gehe davon aus, dass über die 24V AC Steuersignale mit beaufschlagt sind. Sonst könnte kein Farbspiel entstehen.
Thomas S. schrieb: > Es gibt keine zu so etwas. Ich habe die als Überbleibsel bekommen. Und da steht kein Firmenname oder Typ drauf? LG, Sebastian
Es ergäbe so wenig Sinn, eine Versorgung der Lampen mit echten 24 V, 50 Hz zu machen und dann da noch eine Datenübertragung drauf zu legen. Gehen würde das auf vielen Wegen, aber für eine einfache Technik im Empfänger bleibt nicht mehr viel davon übrig. Man könnte Halbwellen austasten, das würde aber mehr Aufwand in der Lampe erfordern. Man könnte die 24 V AC auch gleichrichten (den Lampen wäre das egal) und dann vielleicht irgendwas überlagern, z. B. negative Pulse, wenn die AC-Spannung 0 ist. Das ist kein Lösungsvorschlag - ich fände das Quatsch. Oder man könnte so etwas machen, was ich schon vorschlug. Diese ganze Spekuliererei ist etwas nervig. Ich weiß, wie ich es machen würde, aber ich mag nicht mehr herum raten, wie die es (wer auch immer "die" sind und was auch immer "es" ist) gemacht haben könnten. Wozu auch? Du hast Eingangs eine Frage gestellt, die lautete, wie man etwas mit bestimmten Anforderungen machen kann. Jetzt scheinst du dich nur noch dafür zu interessieren, was hier gemacht wurde - ohne zu wissen, was das System überhaupt kann. (Die Mehrzahl von LED ist LEDs, der deutsche Genitiv von LED ist LEDs und der englische Genitiv von LED ist LED's.)
Sebastian W. schrieb: > Und da steht kein Firmenname oder Typ drauf? Nein. Kein Hersteller, kein Nichts. Siehe Bild. Uwe B. schrieb: > Diese ganze Spekuliererei ist etwas nervig. Ich weiß, wie ich es machen > würde, aber ich mag nicht mehr herum raten, wie die es (wer auch immer > "die" sind und was auch immer "es" ist) gemacht haben könnten. Uwe warte mal, wenn ich morgen, oder spätestens Wochenende dazu komme, werde ich mal in den Sockel schauen, und eroieren, was dann zu dem Controller geht. vieleicht gibt das nen Hinweis. Uwe B. schrieb: > Jetzt scheinst du dich > nur noch dafür zu interessieren, was hier gemacht wurde - ohne zu > wissen, was das System überhaupt kann. Die Fragestellung war, wie man es lösen kann, mehrere Kanäle eines Lauflichts mit der Versorgungsspannung zu steuern. Eigentlich drauf zu kommen, welcher Controller. Ich denke ist ist doch auch mal was, was hier ins Forum passt, und evtl. die Lösung zu finden. Attiny könnte von der Belegung von Versorgung und Ausgängen zu den Transistoren möglich sein. Will Dich nicht verärgern. LG Thomas
Hallo, etwas Rechereche könnte auch Hilfreich sein. Wenn ich bei Kirmesbedarf.de reinschaue, so gibt es dort fertige Leuchtmittel in Einfarbig oder RGB mit einer hartcodierten "Adressse" von 1 bis 10. Das sieht für mich so aus, als ob die Schausteller diese Lampen verwenden und nur bis zu 10 je Strang adressieren können. Da wird eine einfacher µC drin sein. Kommunikation durch ein aufmoduliertes Signal auf die Versorgungsleitung. Eine Steuerung dazu hab ich leider nicht gefunden. Da gibt es mit Sicherheit mehr Infos zu, man bräuchte nur die richtigen Suchbegriffe
Benjamin K. schrieb: > Eine Steuerung dazu hab ich leider nicht gefunden. Thomas S. schrieb: > Seit heute aber weiß ich, dass da ein Steuergerät dazu gebraucht wird. > Die beiden LED's leuchten, betrieben an 24V AC permanent nur rot. Mit dem Steuergerät und einem Oszi könnte man sicherlich erkennen, was da passiert. Aber es würde im Sinne der ursprünglichen Frage überhaupt nicht helfen. Thomas, was ist dein Ziel: - Eine Lampe zu bauen, die sich in diesem System genau so wie die anderen Lampen verhält? - Eine System auf die Beine zu stellen, das sich genau so wie das vorhandene verhält? - Eine System auf die Beine zu stellen, das mehr kann und flexibler ist, als das vorhandene? Wie auch immer - auf die Frage nach einem Controller, der deine Wünsche (zumindest einen Teil davon) erfüllt, gibt es sicherlich nur die Antwort "selber machen".
Hallo Uwe Uwe B. schrieb: > - Eine Lampe zu bauen, die sich in diesem System genau so wie die > anderen Lampen verhält? erstmal ist das der Weg. Ich möchte dahinter kommen, ob es ein Chip von der Stange ist, oder ein Attiny oder Verwanter ist. Möchte einfach mal ein paar Lampen so streuern können wie draußen. Dann halt komplexer werden, vieleicht. Uwe B. schrieb: > - Eine System auf die Beine zu stellen, das mehr kann und flexibler ist, > als das vorhandene? Das wäre natürlich eine Aufgabe. Aber derzeit nicht Comerz.
Hallo Thomas, ok. Aber dann ist deine ursprüngliche Frage ganz falsch gestellt. Das hat nun wirklich nichts mit DMX zu tun, es gibt keine 128 (oder mehr) Adressen - lies dir deine Fragen noch mal vor und vergleiche es mit dem, was du wirklich machen willst: "Eine Lampe zu bauen, die sich in diesem System genau so wie die anderen Lampen verhält". Wenn ich das richtig verstanden habe, weißt du nicht einmal, wie sich die Lampe bzw. das System verhält. Du spezifizierst etwas, aber du (und niemand sonst hier) weiß, was. Das wäre zu klären: 1. Welche Funktion gibt es in dem System? Bedienungsanleitung oder ein lauffähiges System, bei dem man das erfahren kann, sind dafür mindestens zwingend erforderlich. 2. Nach welchem Verfahren werden Kommandos übertragen? Das wird wahrscheinlich nirgends öffentlich dokumentiert sein, und wenn - viel Erfolg bei der Suche. Also muss man es erforschen. Wie ich schon schrieb: Mit einem Oszi wird sich das Verfahren an einem laufenden System wahrscheinlich erkunden lassen. Es gibt keinen "Standard" wie DMX o. ä., nachdem so ein System funktioniert. Vielleicht haben ein paar fernöstliche Hersteller voneinander abgekupfert, aber freiwillg verraten, was sie machen, werden sie wohl nicht. Also entweder die harte Tour nach Punkt 1 und 2, oder etwas Neues komplett selber machen, oder das Projekt aufgeben.
Uwe B. schrieb: > Aber dann ist deine ursprüngliche Frage ganz falsch gestellt. Das > hat nun wirklich nichts mit DMX zu tun, es gibt keine 128 (oder mehr) > Adressen Meine Titelzeile beinhaltet 'ähnlich wie das DMX Protokoll'. Nicht das es DMX ist. Weil DMX kenne ich. Das ist mir klar. Die Fragestellung war nach einem Controller, ect. der das machen könnte, und der ist, der auf der Lampe als 'Empfänger', Sklave' sitzt. Die Steuerung, die diese Lampen ansteuert ist eine weitere Baustelle. Steht auch in meinen Tread's drin. Uwe B. schrieb: > Wenn ich das richtig verstanden habe, weißt du nicht einmal, wie sich > die Lampe bzw. das System verhält.a Doch. Das Teil mit seinen mehreren Kanälen ist ein Lauflicht mit X-Muster, nagel mich hier nicht fest, ob es 4,6 oder 8 Kanäle sind. Entscheidend ist hier die Kodierung mit 1, 2, 3, ... . Die Muster wiederum sind in einem E-Prom, Flash, oder Reistüte abgelegt. - Scherz am Rande. Uwe B. schrieb: > Welche Funktion gibt es in dem System? Bedienungsanleitung oder ein > lauffähiges System, bei dem man das erfahren kann, sind dafür mindestens > zwingend erforderlich. Für mich gerade nicht greifbar. Uwe B. schrieb: > Es gibt keinen "Standard" wie DMX o. ä., nachdem so ein System > funktioniert. Verstehe diesen Passus gerade evtl. nicht, wie Du ihn meinst. Aber DMX und Konsorten sind in ALLEN Theatern, Show-Bühnen, Bierzeltmusik voll vertreten. Anders hättest du einen Kabelverhau von der Regie zur Bühne vom Feinsten.
Hi, lass uns nicht über Begriffe diskutieren, aber ich muss doch noch einmal klar stellen: Die Überschrift hätte lauten können: "LED Treiber steuerbar über ein mir bislang unbekanntes Protokoll" Ich glaube, da können wir uns drauf einigen. Wenn hier nicht zufällig jemand genau kennt, wovon du sprichst, kann es keine passende Antwort geben. Die mir bekannten Lichtsteuerprotokolle DMX und DALI, aber auch andere Protokolle wie Modbus, CAN, Ethernet, meinetwegen auch Geräte-intern vorgesehene (I2C, UART oder SPI etc.) arbeiten alle über separate Steuerleitungen, aber nicht über die Betriebsspannung (das meinte ich mit "so ein System"). Natürlich gibt es verschiedene Möglichkeiten, Daten auch über die Betriebsspannung zu übertragen. Powerline macht das bis zum Exzess. Na ja, und über Funk geht es auch. Aber alles das erfordert eine Hardware, die nicht mal eben mit wenigen Bauteilen in einem E14-Sockel unterzubringen ist. Das muss ein sehr einfaches Verfahren sein. Ich bin überzeugt, dass so ein Verfahren nirgendwo standardisiert ist. Wenn ich vor der Aufgabe stünde, ein solches System zu schaffen, wüsste ich, wie ich vorgehen würde, siehe oben. Aber das ist nicht dein primäres Ziel. Wenn ich vor der Aufgabe stünde, eine kompatible Lampe zu bauen, aber keine weiteren Informationen hätte, könnte ich nur das Verhalten anhand eines funktionsfähigen Systems untersuchen und versuchen, das Protokoll und das Verfahren zur Datenübertragung über Betriebsspannung mittels Oszi zu ergründen. Würde das klappen, könnte ich vermutlich mit meinen Mitteln eine passende (-> E14) Hardware auf die Beine stellen. Es sei denn, in diesem 8-Beiner steckt eine komplexe Empfänger/Demodulator-Hardware. Das erwarte ich aber nicht. Stünde mir das nicht zur Verfügung, hätte ich (und außer dem Entwickler des Systems sicherlich auch sonst alle Anderen auf der Welt) keine Chance, irgendwas zu erreichen.
Thomas S. schrieb: > Oder .... ganz einfach: > Nach dem Einschalten sind ja an 1-phasigen Anschlüssen auf dem > Gleichstand. Der Attiny hat mehrere Muster abgespeichert, jede Lampe > etwas anders, aber gemeinschaftlich wieder 'ein Bild'. Jeder Attiny > zählte die 50Hz-Flanken, und geht einen Schritt weiter im Programm. > ... fertisch Habe gestern die eine Led mal zerlegt. Den Sockel abmontiert. Da nist zwar noch bischen Elektronik. Aber nur etwas für die 5V für den Pic. Verbaut ist der Belegung nach ein Pic. Erkennbar an der Spannungsversorgung. i Und es war mein Fehler. Hatte die LED über Selbstbastel - Netzteil, bestehend aus Trafo und Gleichrichter, ohne Kondi, was ich gerade zur Hand hatte betrieben. Und dort dummerweise nach dem Gleichrichter an 24V angeschlossen. Das ging natürlich nicht. Nun direkt an den Trafo angeschlossen. Und die LED machte selbständig ihre Spielchen. Den Takt holt sich der Pic über einen Spannungsteiler aus den 24V AC. Also ist etwas Lauflicht-Muster mit in dem Pic. Aber die ist sau hell, und die LED's werden nach 5Min Betrieb ganz schön heiß.
Thomas S. schrieb: > Da ist zwar noch bisschen Elektronik. > Aber nur etwas für die 5V für den Pic. > verbaut ist der Belegung nach ein Pic. > Erkennbar an der Spannungsversorgung. Also nichts, was irgendwie ein Steuersignal von der Betriebsspannung trennen kann. Doch kein "Steuergerät", nur ein Netztrafo 24 V~? (Kannst du die Anschlüsse an den vermuteten PIC nachvollziehen? Was ist an welchem Pin? Wäre jetzt aber nicht so wichtig.) Also offensichtlich doch ein ganz simples, nicht beeinfluss- oder steuerbaren Systems, dass nur Lauflicht kann(?). Uwe B. schrieb: > Dann würde es keine Kommandos geben und es wäre ein stures Lauflicht. > Das, was eine Adresse zu sein schien, ist lediglich die Verzögerungszeit > nach dem Einschalten, bis der Blinkvorgang beginnt. Ja, genau das kann > der Fall sein. Synchronisiert durch 24 V~. Trotzdem mit einem speziellen > IC, vermutlich kein Custom-IC, schon gar nicht von der Stange, sondern > ein µC. (PS: Shit happens)
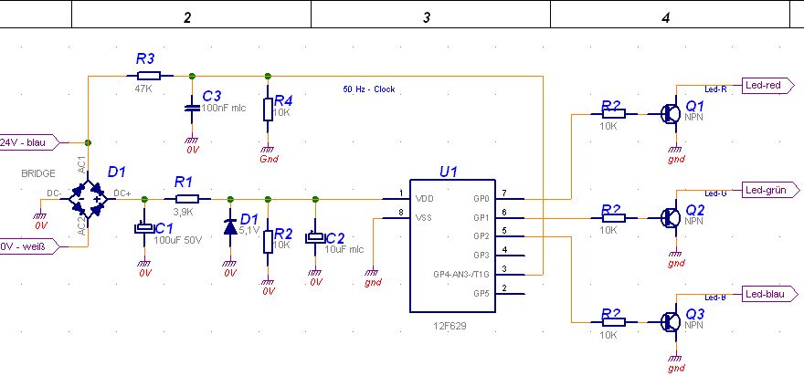
Hallo Uwe, anbei mal der Plan der LED. Dieser erhebt aber nicht den Anspruch auf Vollständigkeit. Zumindest der Teil der LED's. Aber den kann man sich ja soweit denken. Die Anschlüsse des uC's sind soweit stimmig. RGB habe ich ohne auf RGB zu achten so hingebastelt.
Thomas S. schrieb: > LED-RGB.bmp 1 MB Wie hast du das denn hingekriegt? JPEG-Artefakte als BMP verpackt? Wenn das Bild erstmal ein JPG ist, ist die Qualität futsch und die Artefakte drinnen, ein nachträgliches Konvertieren zu BMP repariert das nicht mehr.
Εrnst B. schrieb: > Wie hast du das denn hingekriegt? JPEG-Artefakte als BMP verpackt? > Wenn das Bild erstmal ein JPG ist, ist die Qualität futsch und die > Artefakte drinnen, ein nachträgliches Konvertieren zu BMP repariert das > nicht mehr. Ist es doch nicht. Habe zum Plan erstellen Software (uralt). Dann mit Paint einen Screenshot gespeichert. mehr nicht. Nur hätte ich PNG nehmen sollen. Da waren meine Gehirnzellen gerade nicht an ort und stelle, und deshalb 1MB. sorry.
Thomas S. schrieb: > Dann mit Paint einen > Screenshot gespeichert. mehr nicht. Nur hätte ich PNG nehmen sollen Irgendwo in dem Prozess war JPEG mit ziemlich starker Komprimierung beteiligt. Dieses Grisseln um Punkte, Linien und Text, sowie die Farbschatten um Linien entstehen durch die DCT&Quantisierung. Im Anhang: Artefakte durch höheren Kontrast herausgearbeitet, sonst unverändert. Möglicherweise reagiert die Forumssoftware auf BMP allergisch und konvertiert das selbständig.
Εrnst B. schrieb: > Irgendwo in dem Prozess war JPEG mit ziemlich starker Komprimierung > beteiligt. Zumindest nicht von mir. 1. Screenshoot per Taste 'Druck' 2. Paint - Einfügen 3. Ausschneiden des benötigten Ausschnitts 4. in Paint - Neu 5. Ausschnitt einfügen 6. Abspeichern (erst per *.bmp, nun *.Png) Das hier ist mit png gespeichert. bmp sollte eigentlich verlustlos sein?!
Thomas S. schrieb: > bmp sollte eigentlich verlustlos sein?! Macht das Forum. Klick auf das Bild zeigt die Jpeg-Version (~40KB), klick auf den Download-Link darunter das BMP (~1MB) ohne Artefakte. Bei PNG (8,5KB) verkneift sich die Forensoftware das Neukomprimieren. Bist also Unschuldig, sorry.
Thomas S. schrieb: > anbei mal der Plan der LED. Dieser erhebt aber nicht den Anspruch auf > Vollständigkeit. Zumindest der Teil der LED's. Aber den kann man sich ja > soweit denken. > Die Anschlüsse des uC's sind soweit stimmig. RGB habe ich ohne auf RGB > zu achten so hingebastelt. Ok, an GP4 liegt die aktuelle Polarität der 24V-Versorgung an. Theoretisch könnte also eine Speisung über Polaritätswechsel einen Bitstrom an den uC senden ... LG, Sebastian
Es sieht also ganz so aus, dass das, auf dessen Spur du mich vor 3 Tagen gebracht hast, tatsächlich so der Fall ist: Uwe B. schrieb: > Dann würde es keine Kommandos geben und es wäre ein stures Lauflicht. > Das, was eine Adresse zu sein schien, ist lediglich die Verzögerungszeit > nach dem Einschalten, bis der Blinkvorgang beginnt. Ja, genau das kann > der Fall sein. Synchronisiert durch 24 V~. Trotzdem mit einem speziellen > IC, vermutlich kein Custom-IC, schon gar nicht von der Stange, sondern > ein µC. Wie willst du jetzt weiter machen? Das mit dem µC ist bestätigt. Die Schaltung hast du. Du wolltest im 1. Schritt eine kompatible Lampe machen (habe ich verstanden). Der PIC wird nicht auslesbar sein. Also selber programmieren? Ziemlich einfaches Programm. Es wäre nur noch zu klären, welche Verzögerungszeiten für die "Adressen" gelten. Sebastian W. schrieb: > Ok, an GP4 liegt die aktuelle Polarität der 24V-Versorgung an. > Theoretisch könnte also eine Speisung über Polaritätswechsel einen > Bitstrom an den uC senden ... Das sehe ich auch so und hatte es auch beschrieben. Nur hatte ich vorgeschlagen, dass nicht 50 Hz Halbwellen invertiert werden, sondern eine DC-Versorgungsspannung. Allerdings wissen wir jetzt, dass die 50 Hz als Takt verwendet werden. Unwahrscheinlich, dass da noch mehr hinter steckt.
Uwe B. schrieb: > Der PIC wird nicht auslesbar sein. Also > selber programmieren? Ziemlich einfaches Programm. Das denke ich auch. Man hat sich ja die Mühe gemacht, und hat die Beschriftung vom Pic entfernt. Aber ich denke das dies ein Pic ist. 8, pol, Versorgung +/- da wo der Pic sie hat, und vorallem 'saubillig'. Uwe B. schrieb: > Es wäre nur noch zu > klären, welche Verzögerungszeiten für die "Adressen" gelten. Ich denke, es ist keine Verzögerungszeit, sondern die takten alle gemeinsam los, nur das abgespeicherte Bitmuster dürfe von Lampe zu Lampe sich ändern, verschoben sein. Oder doch, und jeder Pic mit einer anderen Adresse startet halt mS verzögert. Da müsste man mehrere Lampen mal haben und die beobachten. oder Den 'Clock' abtrennen, und mit manuellen Takt takten. Mit Taster. Sebastian W. schrieb: > Ok, an GP4 liegt die aktuelle Polarität der 24V-Versorgung an. > Theoretisch könnte also eine Speisung über Polaritätswechsel einen > Bitstrom an den uC senden ... Wäre evtl. denkbar, oder doch nicht. Angenommen es sind 8 Lampen, wie soll dieser Bitstrom aussehen? Zumindest wie Schnell ist der. Er müsste ja auf fast jeder Halbwelle beaufschlagt sein. Und dann würde man die Verzögerung warscheinlich bei mehr als 4 LED's sehen. Ob man im Pic den Tatenstrom filtern kann ? Das übersteigt mom. mein Pic/uC Wissen. Wenn dass dann Assembler wird, dann muss ich ert nochmal die Schulbank drücken. Habe mich damals zwar sehr stark mit dem Z80 beschäftigt, und von Zacks das gelbe Z80-Buch bei der Bundeswehr immer dabei gehabt. Aber einen GrayII hatte ich nicht hinbekommen. Was noch unschön ist. Die Geschwindigkeit ist immer gleich Fix, weil 50Hz vorgegeben. Mal langsamer, mal schneller geht dann nicht?!
Thomas S. schrieb: > Angenommen es sind 8 Lampen, wie soll dieser Bitstrom aussehen? Nicht alle Lampen würden in Echtzeit geschaltet, sondern es werden ihnen nur Kommandos gesendet, die ihr individuelle Verhaltensweise bestimmen. Diese Verhaltensweisen oder (Blink-)Muster, nach denen sie bis zum nächsten Kommando laufen, sind im µC gespeichert. Hinzu käme ein Kommando "Starte bei allen Lampen die Sequenz jetzt". Dafür wäre dann das Steuergerät erforderlich. Ohne Steuergerät würden sie nur eine Sequenz kennen - das Lauflicht. Thomas S. schrieb: > Mal langsamer, mal schneller geht dann nicht?! Ich schätze, wenn es dir gelingt, 24 V~ mit ausreichend Leistung und variabler Frequenz zu erzeugen, müsste das klappen. (Nur nicht zu langsam.) Mit einem Audio-Verstärker und einem Tongenerator könnte es funktionieren. Nachtrag: Wenn du den NF-Verstärker mit einem Rechteck-Signal betreibst, bliebe für die LEDs immer genug Betriebsspannung im 100 µF-Kondensator, so dass sie auch bei niedrigen Frequenzen nicht flackern. Die Spannung darf nicht zu hoch sein (nicht wie die Spitzenspannung von ca. 35 V bei 24 V Sinus), aber auch mehr als 24 V Rechteck, sonst gehen die LEDs evtl. gar nicht oder zu schwach an.
Bitte melde dich an um einen Beitrag zu schreiben. Anmeldung ist kostenlos und dauert nur eine Minute.
Bestehender Account
Schon ein Account bei Google/GoogleMail? Keine Anmeldung erforderlich!
Mit Google-Account einloggen
Mit Google-Account einloggen
Noch kein Account? Hier anmelden.





