Hallo, bei 2 meiner 6 Black Devil Endstufen ist mir eine Verzerrung im Sinussignal am Ausgang aufgefallen, das nur bei vorhandener Last auftritt. Konkret habe ich ein 1kHz Sinussignal im Eingang mit 3-4V Amplitude eingespeist und am Ausgang eine merkwürdige Verzerrung in der unteren Halbwelle festegstellt, die zunächst exakt im Minimum beginnt und sich mit steigender Amplitude auch auf den linken Ast ausweitet. Hat jemand eine Idee, was die Ursache dafür sein könnte. Ich bin kein Elektroniker und bitte im Voraus für laienhafte Fragen um Nachsicht.
Harry schrieb: > Hallo, > > bei 2 meiner 6 Black Devil Endstufen ist mir eine Verzerrung im > Sinussignal am Ausgang aufgefallen, das nur bei vorhandener Last > auftritt. > > Konkret habe ich ein 1kHz Sinussignal im Eingang mit 3-4V Amplitude > eingespeist und am Ausgang eine merkwürdige Verzerrung in der unteren > Halbwelle festegstellt, die zunächst exakt im Minimum beginnt und sich > mit steigender Amplitude auch auf den linken Ast ausweitet. > > Hat jemand eine Idee, was die Ursache dafür sein könnte. Ich bin kein > Elektroniker und bitte im Voraus für laienhafte Fragen um Nachsicht. Das ist keine Verzerrung, sondern eine hochfrequente Schwingung. Der Verstärker läuft also mit Last etwas am Rande der dynamischen Stabilität. Müsste man also irgendeine Kompensationskapazität im Verstärker etwas kräftiger auslegen. Hier im Forum gibts aber andere Kapazitäten, die das sicherlich noch etwas gezielter eingrenzen können.
Harry schrieb: > Hat jemand eine Idee, was die Ursache dafür sein könnte Die Schaltung schwingt. Aber liegt es nun an einem stärker durchsteuernden Emitterfolger oder dem abnehmenden Basisstrom eines schwächer werdenden ? Ich kenne die Schaltung nicht, wurde aber mal am Ruhestrom drehen. Ggf. wurden ungeeignete Transistoren verwendet.
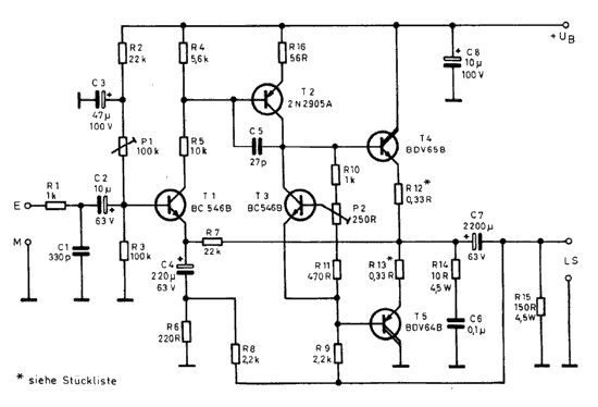
Michael B. schrieb: > Ich kenne die Schaltung nicht, Elrad, späte '80er. Aufgebaut wie die allererste eisenlosen Endstufen. https://www.oocities.org/quhno/black-devil/plan3.gif
Michael B. schrieb: > ie Schaltung schwingt. > > Aber liegt es nun an einem stärker durchsteuernden Emitterfolger oder > dem abnehmenden Basisstrom eines schwächer werdenden ? > > Ich kenne die Schaltung nicht, wurde aber mal am Ruhestrom drehen. Ggf. > wurden ungeeignete Transistoren verwendet. Die Bestückung der Transitoren entspricht den Vorgaben. Bei meiner linken Aktivbox mit 3 Endstufen tritt diese Schwingung nicht auf. Allerdings sind dort noch größtenteils die Original Philips BDVs verbaut. Bei den rechten Endstufen habe ich einige BDVs durch andere Fabrikate gleichen Typs ersetzt (wg. Kurzschluss). Die Kondensatoren sind auch richtig gepolt.
C2, C4 und C8 waren im ursprünglichen Bestückungsplan verpolt dargestellt.
Harry schrieb: > Bei meiner linken Aktivbox mit 3 Endstufen tritt diese Schwingung nicht > auf. Dreh halt mal am Ruhestrom, verdoppeln, halbieren.
Michael B. schrieb: > Aber liegt es nun an einem stärker durchsteuernden Emitterfolger oder > dem abnehmenden Basisstrom eines schwächer werdenden ? Kann es sein, dass diese Veränderungen im Darlington-Transistor intern passieren? Ich habe nämlich festgestellt, dass sich die Last (Amplitude Eingangssignal), bei der das Schwingen beginnt, durch Austausch des BDV64 von 3V auf 4V verändert hat.
Kann- aber muß nicht sein. Ich würde mal prüfen, ob der 10R Boucherot-Widerstand noch seinen Wert hat oder längst durchgebrannt ist. Btw habe ich die Darlingtons jener Ära alle in schlechter Erinnerung, sie starben wie die Fliegen.
- Ruhestromeinstellung prüfen - C5 vergrössern auf 47pF - optional C8 auf >100uF.
Harry schrieb: > Bei den rechten Endstufen habe ich einige BDVs durch andere > Fabrikate gleichen Typs ersetzt (wg. Kurzschluss). ... und diese entsprechend gepaart? h21e=?
Hallo Harry. Betreibst du die Endstufen am Originalnetzteil? Das Konzept des "Black Devil" sieht vor, dass die Endstufe keine Schutzschaltungen hat, sondern diese ins Netzteil verlagert sind. Das Netzteil arbeitet mit verzögerter Strombegrenzung. So kann es zunächst viel Strom liefern und bevor es für die Endstufe gefährlich wird greift die Strombegrenzung. Mit einem beliebigen Netzteil wirst du, wie beschrieben, Probleme mit geschädigten/Defekten Endstufen haben. Bleibt die Endstufen zu reparieren und künftig am vorgesehenen Netzteil betreiben. Tom
Hallo, Du kannst gegen das Schwingen versuchen: - C5 von 22 pF auf 33...68 pF zu erhöhen - parallel zu R7 33 ... 68 pF zu löten - C3 und C8 würde ich auch vorbeugend gegen neue ersetzen, wobei C8 ruhig größer sein darf als 10 µF. Was eben heute so reinpasst. Zum Beispiel der: https://www.reichelt.de/elko-radial-100-f-63-v-105-low-esr-10-x-12-5-mm-rm-5-rad-fr-100-63-p140118.html?&trstct=pol_0&nbc=1 (C2 und C4 könnte man auch gleich noch mitmachen... werden zwar eher nicht defekt sein, aber wenn man die Kiste einmal offen hat...) - Wenn dann alles läuft, kannst Du auch C7 größer machen, mindestens 4700 µF. Das bringt dann etwas mehr Bass. Wenn der passt ruhig 10000 µF: https://www.reichelt.de/elko-axial-10-000-f-63-v-85-c-20--ax-10-000-63-p4480.html?&trstct=pol_0&nbc=1 sonst: https://www.reichelt.de/elko-axial-4-7-mf-63-v-85-c-20--ax-4-700-63-p4526.html?&trstct=pol_0&nbc=1 - Auf welcher Spannung läuft die Endstufe? Danach richtet sich die erforderliche Spannungsfestigkeit von C3, C7, C8. Bei C2 und C4 reicht etwas mehr als die halbe Betriebsspannung.
Lothar schrieb: > - Wenn dann alles läuft, kannst Du auch C7 größer machen, mindestens > 4700 µF. Das bringt dann etwas mehr Bass. Wenn der passt ruhig 10000 µF: Aber nur bei Vollaussteuerung, die Gegenkopplung erfolgt ja hinter dem Auskoppelelko. Allerdings vertragen größere Elkos auch mehr Wechselstrombelastung.
Lothar schrieb: > wobei C8 > ruhig größer sein darf als 10 µF. Die 10µF sind kaum wirksamer als ein Placebo. Schau mal ins Datenblatt, welchen Wechselstrom die aushalten. Wenigstens 1µF Folie sollten man parallel schalten.
@ Peter Ja, mit den Auskoppelelko hast Du ziemlich doll recht. Das habe ich glatt übersehen, weil bei den Endstufen, wo ich immer als Spund rumgebastelt habe, war der Gegenkopplungswiderstand immer vorm Elko angeschlossen. Zum Teil sollte es mit größerem Auskoppelelko bei niedrigen Pegel aber ganz leicht (~10%) besseren Tiefbass geben, weil hier R7 vorm Koppelelko parallel liegt... okay, eher akademisch. 1µF parallel zu C8 sind bei 1 A auch ratzbatz leergesaugt, deshalb habe ich dafür mindestens 100 µF und mit Low ESR vorgeschlagen. 1 µF Beispielrechnung: C = (I x t) : delta U also t = C x delta U : I t = 1 V x 1exp-6F) : 1A = 10exp-6 = 1 µsec das heißt die Spannung geht bei nur 1 A an C5 um ein 1V runter. (Okay, da sind ja 10+1µF,also dann das 11 fache = 11µsec) Bei 100µF braucht es dafür dann 100µs, was auch immer noch nicht wirklich lang ist, aber dann puffern hoffentlich die nicht zu weit entfernten Netzteilelkos Strom nach.
Zunächst mal besten Dank an Euch alle für Eure liebenswerte Beratung. Ich muss jetzt mal sortieren: 1. Am Ruhestrom habe ich "rumgespielt": hat überhaupt keinen Einfluss auf das Schwingen 2. 10R habe ich im eingebauten Zustand gemessen: 10,2 Ohm identisch bei allen drei Endstufen dieser Box. 3. @LU: gepaart habe ich die ersetzten BDVs nicht. Habe gehofft, dass BDV64B = BDV64B ist :-)) 4. @Tom: ja, ich betreibe die 3 Endstufen an der Original-Netzteilschaltung, allerdings mit Ladeelkos 4x15mF (Motto war wohl: viel hilft viel). Habe übrigens alle Kurzschlüsse selbst durch Unachtsamkeit verursacht. Bei normalem Betrieb sind die Endstufen nie abgeraucht. Hat vielleich was mit meinen Wirkungsgradstarken LS-Chassis zu tun. 5. @Lothar: die Auskoppelelkos sind bei den 3 Endstufen an die LS angepaßt. In der TT-Endstufe sind 4mF verbaut. Bei MT: 1000muF, bei HT: 220muF. Was hinzukommt und ich nicht verstehe: in der Verbindung zwischen Minuspol C7 und R9 ist bei TT und MT ein 2200MuF 25V parallel zu C7 geschaltet, beim HT ist es ein 1000muF 25V. Der C8 ist übrigens bereits auf 47muF erhöht. Es will mir einfach nicht in den Kopf, dass 4 Endstufen mit den original dimensionierten Bauteilen ohne Schwingungen funktionieren. Ich werde wohl nicht drum rum kommen, eine schwingende Endstufe komplett neu zu bestücken.
Hallo Harry, deine Beschreibung in Punkt 5 verstehe ich nicht, wie da Elkos parallel liegen. https://www.oocities.org/quhno/black-devil/plan3.gif Male das mal ein und stelle das hier ein. Und Endstufen für Boxen mit Aktivweichen sind das... ist mir bisher untergegangen die Information. Ja, dann.... ist das mit den Auskoppelelkos auch okay so. Aber ich bin seit fast fünfzig Jahren auch im Hifi und später auch im Highend Sektor unterwegs und eine meiner ersten Endstufen war auch noch mit Auskoppelelko 4700µF... naja, sage ich heute. Echten grottenschwarzen unverfälschten Tiefbass hat die nie gebracht. Und der Dämpfungsfaktor ist auch nicht allzu hoch zu bekommen, also wird der Bass auch nie so richtig knallhart, trocken, kontrolliert. Es hatte seinen guten Gründe, dass man von diesen Schaltungskonzept weg ging und zu Endstufen ohne Auskoppelelko mit symmetrischen Betriebsspannungen überging. Aber hier soll ja gelernt und repariert werden und wir kriegen die Endstufenomi bestimmt schon wieder hin.
Das erhöhen von C5 von 27pF auf 47pF hat auch bei anderen Devil-Endstufen gut funktioniert!
Lothar schrieb: > Hallo Harry, > deine Beschreibung in Punkt 5 verstehe ich nicht, wie da Elkos parallel > liegen. > > Male das mal ein und stelle das hier ein. > Das mit dem Tiefbass glaube ich gerne. Ich hatte das Projekt vor 30 Jahren mit 2 Freunden realisiert. Meine Eigenbauanlage spielte im Vergleich zur damals kurz vorher angeschafften Hifi-Anlage (Yamaha Vollverstärker und MB Quart Boxen) derat spritzig und "musikalisch", dass ich die kommerzielle Anlage gleich wieder verkauft habe. Und damals habe ich auch erfahren dürfen, dass bei gutem Mitteltonbereich Abstriche im Tiefbass durchaus zu verkraften sind, zumindest bei meiner Musik. Und jetzt will ich das Nostalgieprojekt halt am Leben halten. Der Zusatz-Elko war übrigens auch von Anfang an von meinen "Kollegen" so vorgesehen. @Klaus. Ich werde den C5 in jedem Fall erhöhen. Muss ich aber erst beschaffen und melde mich dann mit dem Ergebnis.
Hallo, ich konnte das Schwingen bei den 2 Endstufen Dank Eurer Tipps beseitigen. Bei der einen Endstufe hat das Ersetzen des C5 durch 27pF(= Original-Dimensionierung) genügt. Bei der anderen Endstufe habe ich C1 und C5 erneuert, weil ich ein leichtes Schwingen schon vor T1 messen konnte. Dann ist mir beim Zusammenbau ein Malör passiert und ich musste anschließend noch alle Transis erneuern. Insofern weiß ich nicht, woran das Schwingen wirklich lag. Jedenfalls arbeiten jetzt alle 6 Endstufen mit C5=27pF ohne messbares Schwingen. Die Endstufen funktionieren jetzt wieder, allerdings kann ich jetzt die hohen Frequenzen, die ich mit dem Sinus-Generator am Eingang der Endstufe einspeise, aus der Elektronik hören (4 Ohm Lastwiderstand anstatt LS angeschlossen). Hat jemand von Euch eine Ahnung, woher das Pfeifen der Elektronik kommt? Bei den Endstufen der zweiten Aktivbox sind die Töne dagegen kaum hörbar.
Harry schrieb: > Hat jemand von Euch eine Ahnung, woher das Pfeifen der Elektronik kommt? Keramik-Cs im höheren nF-Bereich im Signalpfad ...
Draht-Emitterwiderstände wurden auch schon gehört. Zumal der hindurch fließende Strom - jeweils nur eine Halbwelle des Lautsprecherstromes - per se ausgesprochen obertonreich ist.
Jens G. schrieb: > Harry schrieb: >> Hat jemand von Euch eine Ahnung, woher das Pfeifen der Elektronik kommt? > > Keramik-Cs im höheren nF-Bereich im Signalpfad ... Hallo Jens, die Keramik-Cs habe ich bereits erneuert. Was kann ich sonst tun? Gibt es Alternativen? Mark S. schrieb: > Draht-Emitterwiderstände wurden auch schon gehört. > Zumal der hindurch fließende Strom - jeweils nur eine Halbwelle des > Lautsprecherstromes - per se ausgesprochen obertonreich ist. Hallo Mark, Du meinst die "Zuckerwürfel" R13 und R12 (Metallbandwiderstände)? Gibt es da Alternativen oder einfach nur tauschen und probieren?
C5 (27 pF): Keramik Klasse 1 (C0G/NP0): pfeift nicht. C6 (100 nF): Kunststofffolie, pfeift normalerweise auch nicht. Oder dient bei einem der beiden eine hier ungeeignete (Piezo-)Keramik (Klasse 2/3) als dielektrischer Isolator?
Harry schrieb: > Du meinst die "Zuckerwürfel" R13 und R12 (Metallbandwiderstände)? Gibt > es da Alternativen oder einfach nur tauschen und probieren? Ja, bedenke aber dass dazu auch erst mal nennenswert Lautsprecherstrom fließen muss. D.h. sobald die Dummies ersetzt werden durch reale Lautsprecher wirst Du davon nichts mehr hören. Deshalb würde ich daran garnichts ändern.
Bernhard schrieb: > C5 (27 pF): Keramik Klasse 1 (C0G/NP0): pfeift nicht. > > C6 (100 nF): Kunststofffolie, pfeift normalerweise auch nicht. > > Oder dient bei einem der beiden eine hier ungeeignete (Piezo-)Keramik > (Klasse 2/3) als dielektrischer Isolator? Bernhard, wie kann ich erkennen, ob C5 Klasse 1 ist? Steht NPO für Klasse 1? Deine Frage kann ich leider nicht beantworten (bin kein Elektroniker).
Harry schrieb: > Steht NPO für Klasse 1? Nö, besser NP0. (Da geht's halt oft "genau" bei SuMas: "NPO" findet evtl. wenig bis gar nix, was mit KerKos/Keramik-Cs zu tun hätte.) Oder bei anderen KerKos als C0G bezeichnet - beides meint "gegenüber parametr. Variationen sehr stabile Keramiken". Harry schrieb: > Keramik Klasse 1 ( = C0G / = NP0 ) pfeift nicht
NP0 und C0G sind Bezeichnungen aus unterschiedlichen Normen. Sie sind Beispiele für Keramiken der Klasse 1, und die am häufigsten verwendeten. Klasse-1-Keramik zeigt keinen Piezoeffekt und sehr hohe Güte. Je nach Spannungsfestigkeit sind die Bauformen unter ca. 1 nF gleich groß wie Klasse 2 und nur wenig teurer. Keramiken der Klasse 2 (und 3, z. B. X5R, X7R, Y5V, Z5U) zeigen einen Piezoeffekt. Beim Anlegen hoher Wechselspannung geben sie Schall ab. Der Piezoeffekt wirkt auch umgekehrt: Am Verstärkereingang bei C1 (330 pF) wirken sie als Kondensatormikrofon. Die Empfindlichkeit ist zwar gering, aber Klopfen auf die Platine wird aufgenommen. Außerdem nimmt deren Kapazität mit steigender Spannung ab. In https://de.wikipedia.org/wiki/Keramikkondensator wird das recht ausführlich beschrieben. C6 (100 nF) ist mit Keramik der Klasse 1 groß und teuer, hier nimmt man am besten eine Kunststoff-Folie als Dielektrikum, z. B. PE oder PP, also den Aufbau MKS oder MKP. Bernhard
Bernhard schrieb: > Klasse-1-Keramik zeigt keinen Piezoeffekt und sehr hohe Güte. Mich würde mal interessieren, wie es bei den NP0 Kondensatoren mit Kapazitätsänderungen bei Temperaturschwankungen aussieht?
Marcel V. schrieb: > Mich würde mal interessieren, wie es bei den NP0 Kondensatoren mit > Kapazitätsänderungen bei Temperaturschwankungen aussieht? NP0: Negativ Positiv Null, also keine Abhängigkeit der Kapazität von der Temperatur. Die Toleranz beträgt ± 30 ppm/K Also TK = 0 ± 30 ppm/K
Danke Bernhard, für Deine verständliche Erklärung. C5 ist 27p NP0. C6 ist ein MKS-4. Die Klasse von C1 kenne ich nicht. Ich habe diesen bei Reichelt gekauft. Die Kerko-Kennzeichnung ist aber dürftig: 331K 100V. K heißt wohl 10% Toleranz. Hab noch keinen Klasse 1 330p gefunden, der kurzfristig zu beschaffen ist. Muss das ein Einschicht-Kondensator sein oder kann ich da auch einen Mehrschichtkondensator nehmen?
Harry schrieb: > ... > C5 ist 27p NP0. C6 ist ein MKS-4. Beide sind okay. > Die Klasse von C1 kenne ich nicht. Ich > habe diesen bei Reichelt gekauft. Die Kerko-Kennzeichnung ist aber > dürftig: 331K 100V. K heißt wohl 10% Toleranz. Ja, K ist symmetrische Toleranz ± 10 % An C1 liegt keine hohe Wechselspannung, der kann nicht die Ursache für den Ton sein. Mach mal die Klopfprobe. Wenn Klopfen auf oder neben den Kondensator im Lautsprecher kaum oder gar nicht zu hören ist, würde ich den drinlassen. > Hab noch keinen Klasse 1 330p gefunden, der kurzfristig zu beschaffen > ist. Muss das ein Einschicht-Kondensator sein oder kann ich da auch > einen Mehrschichtkondensator nehmen? Einschicht nimmt man üblicherweise bei hoher Spannung und Klasse 2. Hier ist Vielschicht (MLCC Multilayer Ceramic Capacitor) auch okay. Bei Klasse 1 ist die Anzahl der Schichten ohnehin weniger wichtig. Bei 330 pF könnte man auch noch Folie nehmen, aber Keramikkondensatoren haben bessere Hochfrequenzeigenschaften. C1 soll hochfrequente Einstrahlungen, z. B. vom Mobiltelefon, gegen Masse ableiten. T1 kann die hohen Mobilfunk-Frequenzen zwar nicht verstärken, deren Amplitude wird trotzdem an der vorgespannten BE-Diode demoduliert. Das erzeugt dann dieses typische Handy-Brummen.
Ähnlich dem Piezoeffekt bei keramischen Bauteilen gibt es die Magnetostriktion bei ferromagnetischen Bauteilen, bekannt vom Trafobrummen oder früher dem Pfeifen des Zeilentrafos. -> https://de.wikipedia.org/wiki/Magnetostriktion Magnetostriktion kann die Schallabgabe von R12 und R13 verursachen, wenn darin ferromagnetische Materialien verwendet wurden. Das hat Mark S. oben schon erwähnt. In der Praxis wird das aber nicht stören, denn die Lautsprecher sind ja hoffentlich viel lauter. Bernhard
Bernhard schrieb: > Ähnlich dem Piezoeffekt bei keramischen Bauteilen gibt es die > Magnetostriktion bei ferromagnetischen Bauteilen, bekannt vom > Trafobrummen oder früher dem Pfeifen des Zeilentrafos. > -> https://de.wikipedia.org/wiki/Magnetostriktion > > Magnetostriktion kann die Schallabgabe von R12 und R13 verursachen, wenn > darin ferromagnetische Materialien verwendet wurden. Das hat Mark S. > oben schon erwähnt. Ich habe jetzt R12 und R13 auch erneuert. Die Töne sind etwas leiser, aber immer noch hörbar. Ich denke, ich werde das so lassen, da das, wie Ihr bestätigt, in der Praxis wohl irrelevant ist. Danke nochmal an alle für Eure nette Unterstützung.
Bitte melde dich an um einen Beitrag zu schreiben. Anmeldung ist kostenlos und dauert nur eine Minute.
Bestehender Account
Schon ein Account bei Google/GoogleMail? Keine Anmeldung erforderlich!
Mit Google-Account einloggen
Mit Google-Account einloggen
Noch kein Account? Hier anmelden.




