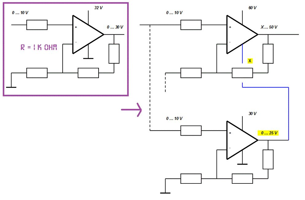
Wer hat Erfahrung mit der Kaskadierung von OP-Schaltungen, um die Spannung zu erhöhen? Ich hätte 2 OPVs, die jeweils nur maximal 36V vertragen, aber für die Anwendung einen ausreichenden Strom und GBWP mitbringen, die ich gerne kaskadieren möchte, sodaß sich die Spannungen und auch die Spannungsanstiegsgeschwindigkeiten addieren. Momentan werden die mit 30V betrieben, die neue Schaltung soll 50 V können. Wie könnte man das machen? Ich hätte vermutet, man speist den negativen Versorgungspfad des oberen OPV mit dem Ausgang des ersten und bekommt damit eine Spannungsaddition. Die benötigten 60V und 30V stehen aus einer kaskadierten Schaltung zur Verfügung. Wie macht man das mit den Eingängen und den Rückkopplungen? Für die feedback-Leitung hätte ich die Spannungsverstärkung von 3:1 auf 6:1 hochgesetzt (oder müssten es 5:1 sein ?). Die Idee ist, dass der das auch alleine könnte, wenn er genug slew rate hätte und er es so schafft, weil der andere OPV ihn schiebt. Allerdings bin ich nicht sicher, ob das mit den Eingangsspannungen passt. Muss ich die auch noch irgendwie verschieben, also z.B. die Ausgangsspannung von unten noch auf den negativen Eingang als Vergleich beaufschlagen? Oder sollte man einfach den GND der oberen Schaltung an den Ausgang des ersten OPV hängen?
K. F. schrieb: > Wie könnte man das machen? Das geht nur, wenn jede OP-Stufe eine galvanisch getrennte Stromversorgung bekäme. Im Prinzip wäre das dann nichts anderes, wie die Kaskadierung von Labornetzteilen. Bypass-Dioden für jede Stufe nicht vergessen.
Und wie kaskadiere ich die Ausgangspannungen? Die galvanisch getrennte Stromversorgung wäre schon machbar, nur wie bekommt man die Eingänge abgekoppelt? Die sehen ja letztlich die absolute Spannung.
K. F. schrieb: > für die > Anwendung einen ausreichenden Strom und GBWP mitbringen, die ich gerne > kaskadieren möchte, sodaß sich die Spannungen und auch die > Spannungsanstiegsgeschwindigkeiten addieren. > Wie könnte man das machen? Da du die genauen Werte nicht nennst, ein Schuss ins Blaue: Ein Power OpAmp wie den LM675 nehmen: Total supply voltage (+5 V = 5, ±5 V = 10) (min) (V) 10 Total supply voltage (+5 V = 5, ±5 V = 10) (max) (V) 60 Iout (typ) (A) 4 GBW (typ) (MHz) 5.5 Slew rate (typ) (V/µs) 8 Andere Alternative: Leistungsendstufe nachschalten. Jim Williams hat sich darüber vor 38 Jahre ausgelassen https://www.analog.com/media/en/technical-documentation/application-notes/an18f.pdf Ach ja, deine Schaltung funktioniert nicht. Wenn dein unterer OpAmp 0V ausgibt, dann sieht der obere OpAmp eine Versorgungsspannung (total supply voltage) von 60V - 0V = 60V. Laut deiner Aussage kann er aber nur 36V -> magischer Rauch entweicht.
Es bleibt noch die Möglichkeit, aus der aktuellen Endstufe eine differentielle zu machen... das erhöht den möglichen Ausgangspannungsbereich auf -36...+36V = 72Vpp. Vielleicht hilft das je nach Anwendung schon... Mit diesem Ansatz wird der Dynamikumfang verdoppelt, der absolute Spannungsunterschied zwischen den Aushängen kann allerdings auch nie grösser als 36V sein.
Beitrag #7662719 wurde von einem Moderator gelöscht.
Oder mit einem anderen Ansatz, wie unter dem Link Figur 1: https://www.edn.com/learning-to-like-high-voltage-op-amp-ics/
Dieter D. schrieb: > Oder mit einem anderen Ansatz, wie unter dem Link Figur 1: > https://www.edn.com/learning-to-like-high-voltage-op-amp-ics/ Früher gab es mal den LME49830. https://media.digikey.com/pdf/data%20sheets/texas%20instruments%20pdfs/lme49830.pdf Aus dieser Linie wurde der ADHV4702-1 weiterentwickelt. https://www.analog.com/en/products/adhv4702-1.html#product-overview https://www.analog.com/media/en/technical-documentation/data-sheets/adhv4702-1.pdf Mouser bietet ihn für ca 20€ an. mfg klaus
K. F. schrieb: > Wie macht man das mit den Eingängen und den Rückkopplungen? Das ist ganz einfach, die erste Stufe verstärkt die Eingangsspannung, die 2. Stufe die Ausgangsspannung der 1. Stufe * 2. Bei NF-ICs wird auch oft die Brückenschaltung verwendet. Dabei ist erhöhte Belastung der Endtransistoren zu beachten (SOAR-Diagramm).
Hallo, oder Du machts es mit ein paar Transistoren in Basisschaltung hinter einenn normalen OPV. Diese dienen dann als "Spannungsübersetzer". Das habe ich mal simuliert, aber so nie aufgebaut. War vorgesehen für +-200V Ausgangsspannung und sollte stromebegrenzend bei einigen wenigen Milliampere sein. Kannst es ja als Grundidee nehmen und modifizieren. (Praktisch aufgebaut hatte ich sowas ähnliches mal als NF-Verstärker mit damals noch einen µA 709 und dann an +- 28 Volt Speisespannung... würde ich heute natürlich nie mehr mit einen 709 machen. Egal, man war jung und d... - aber das wichtigste war man hat etwas getan und gelernt. Aber es hat schon funktioniert.)
K. F. schrieb: > Und wie kaskadiere ich die Ausgangspannungen? Gar nicht. Eine Serienschaltung funktioniert bei simplen zweipoligen Bauteilen, mit Einschränkungen bei dreipoligen, wenn man genau weiß wie das geht in einem genau definierten ²Rahmen². Du gehst mit der Kaskade von einem Wasserfallmodell unter statischen Rahmenbedingungen [Landmasse] aus, wo jedes Potential über eine gewisse Zeit genau definiert ist und meinst, den ²Rahmen² mitkaskadieren zu können... Regenwolken aber lassen sich ohne Blitzentladungsdefekte nicht beliebig ²kaskadieren² weil das relative Potential nicht definiert ist. Papa, ich glaub ich hab ein Problem, aber ich weiß nicht, welches...
Lothar schrieb: > War vorgesehen für > +-200V Ausgangsspannung und sollte stromebegrenzend bei einigen wenigen > Milliampere sein. Japp, kann man tun bei dieser Anodenspannung gerade noch, z.B. mit drei ²kaskadierten² Transistoren eine Röhre ersetzen, OPs sind aber etwas komplizierter - für experimenfreudige Sportler aber schon un- oder lösbar.
Lothar schrieb: > Das habe ich mal simuliert, aber so nie aufgebaut. War vorgesehen für > +-200V Ausgangsspannung und sollte stromebegrenzend bei einigen wenigen > Milliampere sein. Ich finde die Idee sehr interessant. Wiki hebt hervor: -hohe Grenzfrequenz durch geringere Rückwirkung der Ausgangsspannung auf die Steuerelektrode (Basis liegt auf Masse!) -verzerrungsarme Verstärkung für Eingangsspannungen bis zu etwa 10 % der Versorgungsspannung mfg klaus
Klaus R. schrieb: > hohe Grenzfrequenz durch geringere Rückwirkung der Ausgangsspannung auf > die Steuerelektrode Wie hoch wäre die?
Obere Grenzfrequenz? Ich entsinne mich nicht mehr so genau, aber zehn Kilohertz waren sehr gut und leicht zu schaffen und schön stabil war die ganze Schaltung bis mindestens 100 kHz. Es waren aber nur 100 Hz gefordert und dann hört man irgendwann auf, das weiter nach oben hin zu ergründen. Gebt es einfach selber in LTSpice ein und verringert die Kapazitäten. Außerdem hängt es ja vom OPV und den letztendlich verwendeten Transistoren ab, die sich wiederum aus der benötigten Speisespannung und dem Ausgangstrom ergeben... Was wird den überhaupt gebraucht: Uout, Iout, Fo ?
K. schrieb: > Klaus R. schrieb: >> hohe Grenzfrequenz durch geringere Rückwirkung der Ausgangsspannung auf >> die Steuerelektrode > > Wie hoch wäre die? Würde ich mal mit LTspice testen. In der HF-Technik wird die Basisschaltung oft eingesetzt. mfg Klaus
Dann muss ich mich damit auseinander setzen, wenn Zeit ist. Danke Klaus R. schrieb: > Aus dieser Linie wurde der ADHV4702-1 weiterentwickelt. Ganz so hoch braucht es die Spannung nicht. Aber der hat auch nicht ganz die Bandbreite. 1MHz sollten es schon sein bei der Verstärkung Also 300 V/us Ansteigerate.
Also ich versuche mal zusammen zu fassen, was wir an Forderungen haben: - Ausgangsspannung soll 0? ... 50 V sein- nur positiv? Ist das richtig? - Der Ausgangsstrom ist immer noch unbekannt, da bisher immer noch nicht genannt. (Nenn doch wenigstens mal was als Last dran hängt. Ohmsch, kapazitiv, induktiver Anteil) - Verstärkung 5 - dabei mind. 1 MHz Grenzfrequenz - Die erforderliche Steilheit wäre dann Slewrate SR = 2Pi f UP Tipp: f in MHz ergibt V/µs UP (U-Peak) ist die Hälfte der USS U-Spitze-Spitze)- Spannung = 6,28 1 MHz 25V = 157 V/µs bei mir. Es sei denn, man ist so ein "genialer, oberschlauer" Rechenkünstler wie ein alter Chef von mir und sagt bei der Grenzfrequenz macht der Verstärker doch nur 70% Pegel, also brauchen wir dort auch nur noch 70% Slew Rate. Grrr. Das wird eng und interessant und wohl nur mit Transistoren hinter einen OPV zu erreichen. Und gute schnelle Transistoren gibt es auch immer weniger.. naja es sollen ja auch keine 50 MHz werden und nicht 200 Vpp, da wird sich dann doch schon was finden lassen.
Bitte melde dich an um einen Beitrag zu schreiben. Anmeldung ist kostenlos und dauert nur eine Minute.
Bestehender Account
Schon ein Account bei Google/GoogleMail? Keine Anmeldung erforderlich!
Mit Google-Account einloggen
Mit Google-Account einloggen
Noch kein Account? Hier anmelden.

